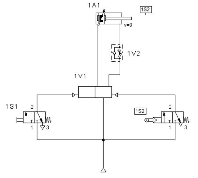
W układzie pneumatycznym przedstawionym na rysunku po włączeniu zasilania jako pierwszy wysunie się siłownik oznaczony symbolem



| Nazwa przewodu | Oznaczenie przewodu lub zacisku kodem alfanumerycznym | Oznaczenie przewodu kolorem |
| Przewód liniowy 1 (AC) Przewód liniowy 2 (AC) Przewód liniowy 3 (AC) | L1 L2 L3 | czarnym lub brązowym, lub szarym |
| Przewód neutralny (AC) | N | |
| Przewód środkowy (AC) | M | niebieskim |
| Przewód dodatni (DC) | L+ | czerwonym |
| Przewód ujemny (DC) | L- | czarnym |
| Przewód ochronny Przewód ochronno-neutralny Przewód ochronno-liniowy Przewód ochronno-środkowy | PE PEN PEL PEM | żółto-zielonym |







| Tabela czynności konserwacyjnych | ||
|---|---|---|
| Rodzaje prac konserwacyjnych | Harmonogram konserwacji | |
| Godziny pracy | Co najmniej | |
| ZWYKŁE CZYNNOŚCI KONSERWACYJNE | Dwa razy w miesiącu | |
| Odprowadzenie kondensatu | 50 | Raz w tygodniu |
| Czyszczenie wstępnego filtra powietrza | 500 | Raz w miesiącu |
| Sprawdzenie poziomu leju, uzupełnienie oleju | 500 | |
| Czyszczenie filtra oleju | 500 | |
| Sprawdzenie pasa transmisyjnego | 1000 | Raz w roku |
| Sprawdzenie zapchania i czyszczenie chłodnicy | 2000 | Raz w roku |
| Wymiana filtra powietrza | 4000 | Raz w roku |
| Wymiana filtra oleju | 4000 | Raz w roku |
| Wymiana filtra na wylocie oleju | 4000 | Raz w roku |
| Wymiana jednokierunkowego zaworu zlewowego | 4000 | Raz w roku |
Dane techniczne:
|







| Dodatki | Rodzaj oleju | ||||
|---|---|---|---|---|---|
| HH | HL | HM | HV | HG | |
| Antyutleniające | Tak | Tak | Tak | Tak | |
| Chroniące przed korozją | Tak | Tak | Tak | Tak | |
| Polepszające smarność | Tak | Tak | Tak | ||
| Zmniejszające zużycie | Tak | Tak | Tak | ||
| Zwiększające wskaźnik lepkości | Tak | ||||
| O szczególnych właściwościach smarujących | Tak | ||||




