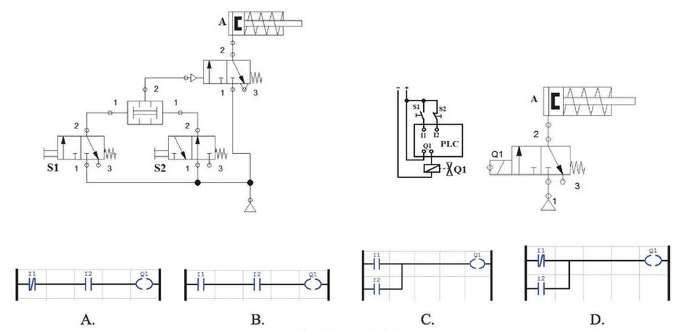
W układzie elektropneumatycznym przedstawionym na ilustracji należy zamontować zawór rozdzielający w wersji
| Wersja zaworu | W1 | W2 | W3 | W4 |
|---|---|---|---|---|
| Liczba cewek | 1 | 2 | 1 | 2 |
| Typ zaworu | 4/2 | 4/3 | 5/2 | 5/2 |
| Biegunowość zasilania | dowolna | dowolna | dowolna | dowolna |

| Wersja zaworu | W1 | W2 | W3 | W4 |
|---|---|---|---|---|
| Liczba cewek | 1 | 2 | 1 | 2 |
| Typ zaworu | 4/2 | 4/3 | 5/2 | 5/2 |
| Biegunowość zasilania | dowolna | dowolna | dowolna | dowolna |

| Nazwa elementu | Moment dociągający dla śrub [Nm] | ||||||
|---|---|---|---|---|---|---|---|
| M5 | M6 | M8 | M10 | M12 | M16 | M20 | |
| Tabliczka łożyska | - | - | 25 | 45 | 75 | 170 | 275 |
| Pokrywa łożyska | 5 | 8 | 15 | 20 | 20 | - | - |
| Skrzynka zaciskowa | - | 4 | 7,5 | 12,5 | - | 20 | - |


| Przetwornik | Zakres sygnału wejściowego [MPa] | Zakres sygnału wyjściowego [mA] | Wartość sygnału wejściowego [MPa] | Wartość sygnału wyjściowego [mA] |
|---|---|---|---|---|
| 1 | 0 ÷ 1 | 0 ÷ 20 | 0,50 | 10 |
| 2 | 0 ÷ 2 | 0 ÷ 20 | 0,50 | 5 |
| 3 | 0 ÷ 1 | 4 ÷ 20 | 0,50 | 12 |
| 4 | 0 ÷ 2 | 4 ÷ 20 | 0,50 | 5 |



| Mierzony odcinek | Wartość zmierzonej rezystancji |
|---|---|
| +24 V / WE1 | 1,02 Ω |
| +24 V / WE2 | ∞ |
| +24 V / WE3 | ∞ |
| +24 V / WE4 | 2,04 Ω |
| +24 V / WE5 | ∞ |
| +24 V / WE6 | 2,12 Ω |



| Ilość stopni regulacji | 12 |
| Regulacja współczynnika mocy | 0,8 ind. – 0,8 pojem. |
| Napięcie zasilania i kontroli Ue | 380...415V, 50/60Hz |
| Roboczy zakres działania Ue | - 15% ... +10% Ue |
| Wejście pomiarowe prądu | 5 A |
| Typ pomiaru napięcia i prądu | RMS |
| Ilość wyjść przekaźnikowych | 12 |
| Maksymalny prąd załączenia | 12 A |











| kolor | 1. cyfra | 2. cyfra | mnożnik |
|---|---|---|---|
| czarny | 0 | 0 | 100 |
| brązowy | 1 | 1 | 101 |
| czerwony | 2 | 2 | 102 |
| pomarańczowy | 3 | 3 | 103 |
| żółty | 4 | 4 | 104 |
| zielony | 5 | 5 | 105 |
| niebieski | 6 | 6 | 106 |
| fioletowy | 7 | 7 | 107 |
| szary | 8 | 8 | 108 |
| biały | 9 | 9 | 109 |

