Filtrowanie pytań
Montaż, uruchamianie i konser…
A. bocznikowe prądu stałego
B. synchroniczne prądu przemiennego
C. szeregowe prądu stałego
D. asynchroniczne prądu przemiennego
ELM.03 Pytanie 1082
Montaż, uruchamianie i konser…
Chłodzenie powietrza przy użyciu agregatu chłodniczego do ciśnienia punktu rosy na poziomie +2 °C ma na celu
A. zwiększenie ciśnienia
B. usunięcie zanieczyszczeń
C. osuszenie powietrza
D. nasycenie powietrza parą wodną
Montaż, uruchamianie i konser…
Śrubę mikrometryczną do pomiaru głębokości otworów przedstawia rysunek

A. C
B. B
C. A
D. D
Montaż, uruchamianie i konser…
Jaki rodzaj wyłącznika przedstawiono na rysunku?

A. Różnicowoprądowy.
B. Silnikowy.
C. Nadprądowy.
D. Krańcowy.
Montaż, uruchamianie i konser…
Jaka jest objętość oleju w cylindrze siłownika o powierzchni roboczej 20,3 cm2 oraz skoku 200 mm?
A. 406,00 cm3
B. 4,06 cm3
C. 4060,00 cm3
D. 40,60 cm3
Montaż, uruchamianie i konser…
Na ilustracji przedstawiono

A. fotorezystor.
B. mostek prostowniczy.
C. tranzystor unipolarny.
D. transoptor szczelinowy.
ELM.06 Pytanie 1087
Eksploatacja i programowanie …
Obniżenie błędu statycznego, skrócenie czasu reakcji, pogorszenie jakości regulacji przy niższych częstotliwościach, wzmocnienie szumów przetwornika pomiarowego są cechami działania jakiego rodzaju regulatora?
A. I
B. P
C. PD
D. PID
Montaż, uruchamianie i konser…
Stal używana do wytwarzania zbiorników ciśnieniowych oznaczana jest w symbolu głównym literą
A. L
B. E
C. S
D. P
Montaż, uruchamianie i konser…
Do podłączenia przewodów do uzwojeń silnika przedstawionego na ilustracji należy użyć

A. wkrętaka krzyżowego.
B. klucza nasadowego.
C. wkrętaka płaskiego.
D. klucza imbusowego.
Montaż, uruchamianie i konser…
Pierścienie uszczelniające siłownika dwustronnego działania są oznaczone cyframi

A. 2 i 3
B. 5 i 8
C. 1 i 9
D. 4 i 7
Montaż, uruchamianie i konser…
Toczenie powierzchni czołowej przedstawia ilustracja

A. 2.
B. 4.
C. 3.
D. 1.
ELM.03 Pytanie 1092
Montaż, uruchamianie i konser…
Jakiego rodzaju cieczy hydraulicznej powinno się użyć w urządzeniu hydrauliczny, które może być narażone na kontakt z otwartym ogniem?
A. HT - ester syntetyczny, najlepiej ulegający biodegradacji
B. HV - dla urządzeń funkcjonujących w zmiennych warunkach temperatury
C. HTG - produkowana na bazie olejów roślinnych, rozpuszczalna w wodzie
D. HFA - emulsja olejowo-wodna, mająca w składzie ponad 80 % wody
Montaż, uruchamianie i konser…
Przedstawione na rysunkach elementy wykorzystuje się do łączenia przewodów

A. uziemiających.
B. światłowodowych.
C. wieloparowych.
D. koncentrycznych.
Eksploatacja i programowanie …
Który z literowych identyfikatorów powinien być wykorzystany w poleceniu odnoszącym się do analogowych wyjść?
A. AI
B. MW
C. SM
D. AQ
ELM.03 Pytanie 1095
Montaż, uruchamianie i konser…
Jaka jest maksymalna wartość podciśnienia, które może być doprowadzone do zaworu o danych znamionowych zamieszczonych w tabeli?
| MS-18-310/2-HN Zawory elektromagnetyczne 3/2 G1/8 Średnica nominalna : 1,4 mm Ciśnienie pracy : -0,95 bar...8 bar Czas zadziałania : 12 ms Temperatura pracy : -10°C...+70°C Zabezpieczenie : IP 65 EN 60529 Napięcie sterujące : 12V DC - 230V AC |
A. 0,95 bara.
B. 2 bary.
C. 0,75 bara.
D. 1 bar.
Montaż, uruchamianie i konser…
Jaką średnicę powinien mieć otwór, aby pomieścić nit o średnicy 2 mm?
A. 2,0 mm
B. 2,1 mm
C. 1,9 mm
D. 2,3 mm
Eksploatacja i programowanie …
Przedstawiony na rysunku symbol jest graficzną reprezentacją

A. przekładni ciernej.
B. hamulca.
C. sprzęgła.
D. przekładni zębatej.
ELM.06 Pytanie 1098
Eksploatacja i programowanie …
W dokumentacji dotyczączej prasy pneumatycznej jako kluczowy parametr eksploatacji określono ciśnienie zasilające na poziomie 0,6 MPa ± 5%. Który z podanych pomiarów nie mieści się w akceptowalnym zakresie?
A. 650 kPa
B. 600 kPa
C. 0,58 MPa
D. 630 000 Pa
Montaż, uruchamianie i konser…
Aby poprawić efektywność montażu połączeń gwintowych, wykorzystuje się klucze
A. oczko
B. uniwersalne
C. zapadkowe
D. płaskie
Montaż, uruchamianie i konser…
W wyniku działania strumienia wysoko ciśnieniowego dwutlenku węgla na rękę pracownika doszło do odmrożenia drugiego stopnia (zaczerwienienie skóry i pojawienie się pęcherzy). Jakie działania należy podjąć, udzielając pierwszej pomocy?
A. należy zdjąć biżuterię z palców poszkodowanego, rozgrzać dłoń i nałożyć jałowy opatrunek
B. należy posmarować odmrożone miejsce tłustym kremem i przewieźć pracownika do domu
C. należy polać dłoń wodą utlenioną oraz wykonać opatrunek
D. należy podać leki przeciwbólowe i przetransportować poszkodowanego do szpitala
ELM.03 Pytanie 1101
Montaż, uruchamianie i konser…
Silnik krokowy (skokowy) nie reaguje na próby zmiany prędkości obrotów. Możliwą przyczyną nieprawidłowego działania silnika może być
A. wysyłanie impulsów sterujących w błędnej kolejności
B. nadmierne obciążenie silnika
C. brak modyfikacji częstotliwości impulsów z kontrolera
D. zbyt wysokie napięcie zasilające
Montaż, uruchamianie i konser…
Jak należy skojarzyć w napędzie urządzenia mechatronicznego uzwojenie stojana silnika o przedstawionej tabliczce zaciskowej, obciążonego znamionowo i jak podłączyć do sieci 400 V 3/N/PE ~ 50 Hz, aby jego wał obracał się w lewo?

A. W gwiazdę i podłączyć U – L1, V – L3, W – L2
B. W gwiazdę i podłączyć U – L1, V – L2, W – L3
C. W trójkąt i podłączyć U – L1, V – L3, W – L2
D. W trójkąt i podłączyć U – L1, V – L2, W – L3
ELM.03 Pytanie 1103
Montaż, uruchamianie i konser…
Przedstawione na rysunku przebiegi czasowe są właściwe dla licznika o cyklu zliczania

A. 6
B. 4
C. 9
D. 7
Montaż, uruchamianie i konser…
Rysunek przedstawia symbol graficzny bramki

A. Ex-OR
B. NAND
C. Ex-NOR
D. NOR
Montaż, uruchamianie i konser…
Jak definiuje się natężenie przepływu Q cieczy w rurociągu?
A. stosunek objętości cieczy, która przechodzi przez przekrój do czasu, w jakim dokonuje się ten przepływ.
B. iloczyn ciśnienia cieczy oraz pola przekroju rurociągu.
C. iloczyn prędkości cieczy oraz czasu jej przepływu.
D. stosunek pola przekroju rurociągu do prędkości, z jaką ciecz przepływa.
Eksploatacja i programowanie …
Jaką czynność należy wykonać jako pierwszą przed rozpoczęciem instalacji oprogramowania dedykowanego do programowania sterowników PLC?
A. Usunąć starszą wersję oprogramowania, które ma być zainstalowane
B. Zweryfikować minimalne wymagania, które powinien spełniać komputer, na którym oprogramowanie będzie instalowane
C. Zaktualizować system operacyjny komputera, na którym będzie przeprowadzana instalacja oprogramowania
D. Przenieść z nośnika instalacyjnego wersję instalacyjną oprogramowania na dysk twardy komputera
Montaż, uruchamianie i konser…
W jakiej maksymalnej odległości od czoła czujnika powinien znajdować się przedmiot, aby został wykryty przez czujnik o parametrach podanych w tabeli?
| Napięcie zasilania: 12 ÷ 24V DC |
| Zasięg: 8 mm |
| Typ wyjścia: NPN N.O., NPN N.C., PNP N.O., PNP N.C. |
| Rodzaj czoła: odkryte |
| Obudowa czujnika: M18 |
| Przyłącze: przewód 2 m |
| Maksymalny prąd pracy: 100 mA |
| Czas odpowiedzi układu: max. 2 ms |
| Materiał korpusu: metal |
| Stopień ochrony: IP66 |
| Temperatura pracy: -20°C ÷ +60°C |
A. 8mm
B. 66mm
C. 12mm
D. 2mm
Montaż, uruchamianie i konser…
Uzwojenia silnika powinny być połączone w gwiazdę. Który rysunek przedstawia tabliczkę zaciskową silnika z poprawnie połączonymi uzwojeniami?

A. B.
B. A.
C. C.
D. D.
ELM.03 Pytanie 1109
Montaż, uruchamianie i konser…
Czy obniżenie temperatury czynnika w sprężarkach prowadzi do
A. powiększania objętości sprężonego powietrza
B. wzrostu ciśnienia sprężonego powietrza
C. skraplania pary wodnej oraz osuszania powietrza
D. osadzania zanieczyszczeń na dnie zbiornika
Eksploatacja i programowanie …
Którego symbolu należy użyć na schemacie elektrycznym w celu przedstawienia cewki przekaźnika czasowego z opóźnionym wyłączaniem?

A. B.
B. A.
C. D.
D. C.
Montaż, uruchamianie i konser…
Na podstawie zamieszczonych danych technicznych wybierz model zasilacza do układu elektropneumatycznego, w którym cewki elektrozaworów przystosowane są do zasilania napięciem stałym o wartości 24 V. Dane techniczne
Model MDR-40-5 MDR-40-12 MDR-40-24 MDR-40-48 Wyjście Napięcie wyjściowe DC 5V 12V 24V 48V Prąd znamionowy 6A 3,33A 1,7A 0,83A Zakres prądu 0-6A 0~3,33A 0-1,7A 0-0,83A Moc znamionowa 30W 40W 40W 40W Tętnienia i szumy (max.)2) 80mVp-p 120mVp-p 150mVp-p 200mVp-p Regulacja napięcia 5-6V 12-15V 24-30V 48-56V Tolerancja napięcia3) ±2,0% ±1,0% ±1,0% ±1,0% Tolerancja napięcia przy
zmianach zasilania ±1,0% ±1,0% ±1,0% ±1,0% Tolerancja napięcia przy
zmianach obciążenia ±5,0% ±3,0% ±3,0% ±2,0% Czas ustalania, narastania 500ms, 30ms/230VAC 500ms, 30ms/115VAC przy znamionowym obciążeniu Czas podtrzymania 50ms/230VAC 20ms/115VAC przy znamionowym obciążeniu Wejście Zakres napięcia 85-264VAC 120-370VDC Zakres częstotliwości 47-63 Hz Sprawność (typ.) 78% 86% 88% 88%
Dane techniczne
| Model | MDR-40-5 | MDR-40-12 | MDR-40-24 | MDR-40-48 | |
|---|---|---|---|---|---|
| Wyjście | Napięcie wyjściowe DC | 5V | 12V | 24V | 48V |
| Prąd znamionowy | 6A | 3,33A | 1,7A | 0,83A | |
| Zakres prądu | 0-6A | 0~3,33A | 0-1,7A | 0-0,83A | |
| Moc znamionowa | 30W | 40W | 40W | 40W | |
| Tętnienia i szumy (max.)2) | 80mVp-p | 120mVp-p | 150mVp-p | 200mVp-p | |
| Regulacja napięcia | 5-6V | 12-15V | 24-30V | 48-56V | |
| Tolerancja napięcia3) | ±2,0% | ±1,0% | ±1,0% | ±1,0% | |
| Tolerancja napięcia przy zmianach zasilania | ±1,0% | ±1,0% | ±1,0% | ±1,0% | |
| Tolerancja napięcia przy zmianach obciążenia | ±5,0% | ±3,0% | ±3,0% | ±2,0% | |
| Czas ustalania, narastania | 500ms, 30ms/230VAC | 500ms, 30ms/115VAC przy znamionowym obciążeniu | |||
| Czas podtrzymania | 50ms/230VAC | 20ms/115VAC przy znamionowym obciążeniu | |||
| Wejście | Zakres napięcia | 85-264VAC | 120-370VDC | ||
| Zakres częstotliwości | 47-63 Hz | ||||
| Sprawność (typ.) | 78% | 86% | 88% | 88% | |
A. MDR-40-5
B. MDR-40-48
C. MDR-40-24
D. MDR-40-12
ELM.06 Pytanie 1112
Eksploatacja i programowanie …
Jakie czynnościnie powinny być wykonywane przez osobę obsługującą prasę hydrauliczną?
A. Dostosowywać parametry pracy
B. Włączać urządzenie
C. Przeprowadzać inspekcję urządzenia
D. Modernizować urządzenie
Eksploatacja i programowanie …
Jaką z wymienionych czynności można przeprowadzić podczas pracy silnika prądu stałego?
A. Przeczyścić odpowiednimi środkami elementy wirujące silnika
B. Wyczyścić łopatki wentylatora
C. Wymienić szczotki komutatora
D. Dokręcić śruby mocujące silnik do podłoża
ELM.03 Pytanie 1114
Montaż, uruchamianie i konser…
Jakie jest przeznaczenie przedstawionego na rysunku zbiornika rozdzielonego elastyczną membraną, w którym jedna komora przeznaczona jest na ciecz pod ciśnieniem, a druga na gaz?

A. Gromadzenie oleju transformatorowego.
B. Magazynowanie energii hydraulicznej.
C. Naolejanie powietrza.
D. Chłodzenie cieczy.
Montaż, uruchamianie i konser…
Podczas instalacji systemu z kontrolerem PLC, przewody magistrali Profibus powinny
A. być układane jak najdalej od przewodów silnoprądowych
B. być kładzione w bezpośrednim sąsiedztwie kabli energetycznych
C. być wciągane do osłon jako pierwsze
D. być wciągane do osłon jako ostatnie
Eksploatacja i programowanie …
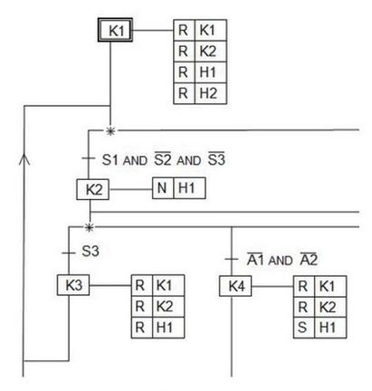
Na podstawie fragmentu algorytmu przedstawionego za pomocą sieci SFC określ, co jest realizowane w kroku 4.

A. Kasowany K1 i K2, pamiętany H1.
B. Pamiętany K1 i K2, kasowany H1.
C. Kasowany K1 i K2, nie pamiętany H1.
D. Niepamiętany K1 i K2 kasowany H1.
Montaż, uruchamianie i konser…
W przedstawionym na rysunku siłowniku dwustronnego działania ruch tłoka odbywa się w kierunku wskazanym strzałką. Jaka komora oznaczona została literą B?

A. Spływowa.
B. Tłoczna.
C. Nadtłokowa.
D. Podtłokowa.
Montaż, uruchamianie i konser…
Wskaź zasady, która stosowana jest wyłącznie przy demontażu urządzenia o złożonej konstrukcji?
A. Rozmontować kolejno każdą część urządzenia, nie uwzględniając ich przynależności do podzespołów urządzenia
B. Ustalić lokalizację poszczególnych zespołów i oddzielić je, pozostawiając w całości
C. Opracować plan demontażu i rozłożyć poszczególne zespoły urządzenia, a następnie zdemontować podzespoły na części
D. Przygotować plan demontażu i wymontować jedynie wybrane podzespoły
Montaż, uruchamianie i konser…
Symbol graficzny którego elementu przedstawiono na rysunku?

A. Transila.
B. Transoptora.
C. Tyrystora.
D. Tranzystora.
Eksploatacja i programowanie …
Stan wyjścia Q0.0

A. zależy wyłącznie od wartości iloczynu wejść I0.1, I2.1
B. jest równy 1
C. zależy od wartości sumy wejść I0.0, I0.1, I2.1
D. jest równy 0