Filtrowanie pytań
Obsługa, diagnozowanie oraz n…
A. 1240,00 zł
B. 1430,00 zł
C. 1470,00 zł
D. 1360,00 zł
Obsługa, diagnozowanie oraz n…
Do pomiaru prądu o wartości powyżej 20 A należy zastosować
A. mostek Thompsona.
B. elektroniczny miernik cęgowy.
C. multimetr cyfrowy DT 830 lub podobny.
D. mostek Wheatstone’a.
Obsługa, diagnozowanie oraz n…
Powierzchnię uszczelniającą głowicy, która uległa odkształceniu, naprawia się poprzez
A. napawanie.
B. galwanizację.
C. planowanie.
D. klejenie.
Obsługa, diagnozowanie oraz n…
Element zmieniający niskie napięcie na wyższe w układzie zapłonowym to
A. cewka zapłonowa
B. świeca zapłonowa
C. aparat zapłonowy
D. rozdzielacz zapłonu
MOT.02 Pytanie 405
Obsługa, diagnozowanie oraz n…
W tabeli wyszczególniono elementy, które zostały wymienione podczas naprawy rozrusznika oraz zamieszczono dane dotyczące związanej z tym robocizny. Jaki będzie koszt naprawy rozrusznika?
| Cena szczotek | 40,00 zł |
| Cena tulejek | 20,00 zł |
| Cena wirnika | 120,00 zł |
| Cena roboczogodziny | 60,00 zł |
| Czas trwania naprawy | 150 minut |
A. 240 zł
B. 330 zł
C. 180 zł
D. 300 zł
Obsługa, diagnozowanie oraz n…
Po wymianie końcówek drążka kierowniczego należy koniecznie zweryfikować oraz w razie potrzeby przeprowadzić regulację
A. wyważenia kół
B. ustawienia świateł
C. zbieżności kół przednich
D. zbieżności kół tylnych
Organizacja i prowadzenie pro…
Jakie jest prawidłowe napięcie podczas ładowania akumulatora?
A. 13,8 ÷ 14,5 V
B. 13,0 ÷ 13,5 A
C. 12,1 ÷ 12,9 A
D. 12,0 ÷ 13,0 V
Obsługa, diagnozowanie oraz n…
W przykładowym oznaczeniu opony 195/65R15 91H litera R oznacza
A. oponę radialną.
B. promień opony R.
C. indeks prędkości.
D. średnicę opony.
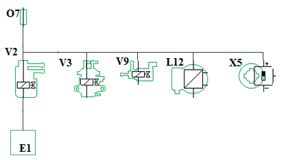
Obsługa, diagnozowanie oraz n…
Przedstawione na rysunku urządzenie służy do sprawdzania

A. stanu technicznego akumulatora.
B. sprawności świec zapłonowych.
C. prądu ładowania alternatora.
D. prądu pobieranego przez rozrusznik.
Organizacja i prowadzenie pro…
Kto ustala wymagania dotyczące wyposażenia specjalistycznego dla Stacji Kontroli Pojazdów?
A. Inspekcja Transportu Drogowego
B. starosta
C. minister właściwy do spraw transportu
D. Urząd Dozoru Technicznego
Obsługa, diagnozowanie oraz n…
Przedstawiony na zdjęciu przyrząd służy do

A. demontażu termostatu.
B. ustawiania zapłonu.
C. regulacji luzów zaworowych.
D. regulacji wolnych obrotów.
Obsługa, diagnozowanie oraz n…
Łożysko podtrzymujące wał może być stosowane w pojeździe
A. z przednim układem napędowym zblokowanym, z silnikiem ZS
B. z tylnym układem napędowym zblokowanym
C. z przednim układem napędowym zblokowanym, z silnikiem ZI
D. z klasycznym układem napędowym
Organizacja i prowadzenie pro…
W pojeździe, w którym właściciel zgłasza trudności z uruchomieniem zimnego silnika z powodu zbyt niskiej prędkości obrotowej rozrusznika, co należy zrobić w pierwszej kolejności?
A. sprawdzić kondycję akumulatora oraz napięcie ładowania akumulatora
B. wypiąć rozrusznik i ocenić stan łożysk wirnika
C. wymienić akumulator
D. skontrolować stacyjkę rozruchową
Obsługa, diagnozowanie oraz n…
Zniekształcenie powierzchni przylegania głowicy silnika następuje w wyniku
A. luźnych łożysk wału rozrządu
B. zużytych gniazd zaworów
C. nieprawidłowego dokręcenia śrub
D. niedostatecznego smarowania
Obsługa, diagnozowanie oraz n…
Jakie urządzenie służy do kontrolowania luzów w układzie kierowniczym?
A. szarpaka
B. listwy pomiarowej
C. rolek
D. shocktestera
Obsługa, diagnozowanie oraz n…
Część zawieszenia – kolumna McPhersona – pełni równocześnie rolę
A. wahacza wleczonego
B. drążka stabilizacyjnego
C. drążka reakcyjnego
D. zwrotnicy układu kierowniczego
Obsługa, diagnozowanie oraz n…
Układ stabilizujący tor jazdy samochodu podczas pokonywania zakrętu oznaczany jest jako system
A. EPP
B. ESP
C. ASR
D. EBD
Obsługa, diagnozowanie oraz n…
Na którym rysunku przedstawiony jest wtryskiwacz paliwa?
A. Rysunek 3

B. Rysunek 4

C. Rysunek 2

D. Rysunek 1

Obsługa, diagnozowanie oraz n…
Częstym symptomem wskazującym na poślizg sprzęgła jest
A. spadek prędkości pojazdu w trakcie jazdy pod górkę
B. nierównomierna praca silnika na biegu jałowym
C. niemożność zmiany biegów
D. drgania pojawiające się podczas hamowania
Obsługa, diagnozowanie oraz n…
Przedostanie się cieczy chłodzącej do komory spalania silnika objawia się emisją spalin koloru
A. szarego.
B. niebieskiego.
C. czarnego.
D. białego.
Obsługa, diagnozowanie oraz n…
Multimetrem nie jest możliwe dokonanie pomiaru
A. średnic biegunów akumulatora
B. rezystancji przewodów
C. napięcia w instalacji
D. natężenia prądu przepływającego przez żarówkę
Obsługa, diagnozowanie oraz n…
Usterka, której kod zaczyna się na literę B, odnosi się do komponentu
A. podwozia
B. systemu komunikacyjnego
C. układu napędowego
D. nadwozia
Obsługa, diagnozowanie oraz n…
Standardowe złącze OBD II/EOBD ma
A. 16 pinów.
B. 12 pinów.
C. 6 pinów.
D. 3 piny.
Obsługa, diagnozowanie oraz n…
Ciśnienie paliwa w silniku o zapłonie samoczynnym, w którym zastosowano system zasilania Common Rail trzeciej generacji, powinno wynosić w przybliżeniu
A. 18 MPa
B. 180 MPa
C. 1,8 MPa
D. 1800 MPa
Obsługa, diagnozowanie oraz n…
W celu pomiaru prądu pobieranego przez odbiornik w instalacji elektrycznej pojazdu samochodowego należy podłączyć
A. woltomierz równolegle do odbiornika.
B. woltomierz szeregowo do odbiornika.
C. amperomierz szeregowo do odbiornika.
D. amperomierz równolegle do odbiornika.
Obsługa, diagnozowanie oraz n…
Przy wymianie zużytej tulei ślizgowej rozrusznika należy zastosować tulejkę o nominalnej średnicy
A. wewnętrznej i zewnętrznej średnicy większej od nominalu.
B. zewnętrznej i wewnętrznej średnicy mniejszej od nominalu.
C. wewnętrznej i zewnętrznej średnicy mniejszej od nominalu.
D. zewnętrznej i wewnętrznej średnicy większej od nominalu.
Organizacja i prowadzenie pro…
Na podstawie danych zawartych w tabeli wskaż częstotliwość wymiany świec zapłonowych w pojeździe Chevrolet Cruz J300 wyposażonym w silnik 1,4 Turbo.
| Wyciąg z instrukcji obsługi samochodów Chewrolet | |||
|---|---|---|---|
| Opis | Spark M300 | Aveo T300 | Cruze J300 |
| Wymienić filtr przeciwpyłkowy | co 15 000 km / 1 rok | co 60 000 km / 2 lata | co 45 000 km / 2 lata |
| Wymienić filtr powietrza | co 60 000 km / 4 lata | co 60 000 km / 4 lata | co 60 000 km / 4 lata |
| Wymienić świece zapłonowe | co 30 000 km / 2 lata | co 60 000 km / 4 lata | 1,6 Euro IV – co 30 000 km / 2 lata 1,6 Euro V/1,8 – co 60 000 km / 4 lata 1,4 Turbo – co 60 000 km / 4 lata |
| Wymienić przewody zapłonowe | Exc ESC – co 45 000 km / 3 lata | Nie dotyczy | 1,6 Euro IV – co 45 000 km / 3 lata |
A. Co 60 000 km / 2 lata.
B. Co 30 000 km / 4 lata.
C. Co 30 000 km / 2 lata.
D. Co 60 000 km / 4 lata.
MOT.02 Pytanie 428
Obsługa, diagnozowanie oraz n…
Który z podzespołów układu zapłonowego wymaga okresowej kontroli lub wymiany?
A. Cewka wysokiego napięcia.
B. Moduł układu zapłonowego.
C. Świece zapłonowe.
D. Sterownik silnika.
Obsługa, diagnozowanie oraz n…
Aby zabezpieczyć dodatkowo zamontowane oświetlenie do jazdy dziennej o mocy 15W, należy zastosować standardowy bezpiecznik o wartości
A. 2 A
B. 4 A
C. 10 A
D. 5 A
MOT.02 Pytanie 430
Obsługa, diagnozowanie oraz n…
Sterownik silnika krokowego sterowania przepustnicą generuje impulsy jak na rysunku, a jego wirnik nie zmienia swojego położenia. Taki objaw działania świadczy o uszkodzeniu

A. cewki silnika.
B. sterownika.
C. w obwodzie zasilania.
D. w układzie chłodzenia.
Obsługa, diagnozowanie oraz n…
W mechanizmie tłokowo-korbowym silnika działają zmienne obciążenia, które powodują, że śruby korbowodowe ulegają zniszczeniu na skutek
A. zużycia mechanicznego.
B. zużycia erozyjnego.
C. zmęczenia materiału.
D. starzenia materiału.
Organizacja i prowadzenie pro…
Jakie urządzenie nie jest wymagane jako podstawowe wyposażenie Stacji Kontroli Pojazdów?
A. tester diagnostyczny
B. dymomierz
C. tester szczelności uszczelki pod głowicą
D. opóźnieniomierz
Organizacja i prowadzenie pro…
Z rysunku przedstawiającego fragment dowodu rejestracyjnego pojazdu wynika, że moc silnika oraz rodzaj paliwa, jakie należy zapisać w zleceniu serwisowym, to

A. 96 kW, olej napędowy.
B. 96 kW, benzyna.
C. 10,15 kN, olej napędowy.
D. 10,15 kN, benzyna.
Obsługa, diagnozowanie oraz n…
Zaświecenie się w czasie jazdy, przedstawionej na ilustracji, lampki kontrolnej informuje kierowcę o prawdopodobnej usterce w układzie

A. ABS.
B. sterowania silnika.
C. ESP.
D. tłumika końcowego.
Organizacja i prowadzenie pro…
Jakim symbolem oznacza się dowód wydania materiałów eksploatacyjnych z magazynu do celów wewnętrznych?
A. Mm
B. Rw
C. Wz
D. Pz
Obsługa, diagnozowanie oraz n…
Jakie jest zadanie gaźnika w pojeździe?
A. regulowanie strumienia wtrysku
B. pompowanie paliwa
C. podgrzewanie powietrza
D. dozowanie paliwa i powietrza
MOT.05 Pytanie 437
Obsługa, diagnozowanie oraz n…
Podejmując się głównej naprawy ciągnika siodłowego, na początku należy
A. rozłączyć naczepę z ciągnikiem
B. odprowadzić płyny eksploatacyjne
C. poddać cały pojazd czyszczeniu
D. zdemontować ciągnik na poszczególne części
Obsługa, diagnozowanie oraz n…
Glikol etylenowy stanowi kluczowy element
A. płynu do spryskiwaczy
B. płynu do wspomagania
C. oleju silnikowego
D. płynu chłodzącego
Obsługa, diagnozowanie oraz n…
Podczas kontroli systemu oświetlenia w pojeździe zauważono, że w prawej lampie zespolonej wszystkie światła zapalają się i gasną jednocześnie. Tego typu symptomy mogą sugerować
A. uszkodzone połączenie lampy zespolonej z masą pojazdu
B. uszkodzony przerywacz kierunkowskazu
C. zwarcie w żarówce kierunkowskazu
D. uszkodzone lustro lampy zespolonej
Organizacja i prowadzenie pro…
Odpady generowane w trakcie serwisowania pojazdów samochodowych powinny być
A. przekazywane klientowi po zakończeniu każdej naprawy oraz obsługi.
B. gromadzone w segregowanych pojemnikach.
C. systematycznie oddawane na wysypisko komunalne
D. sprzedawane w punktach zajmujących się skupem surowców wtórnych.