Filtrowanie pytań
Obsługa, diagnozowanie oraz n…
A. biciem opony
B. awarią amortyzatora
C. niewyważeniem koła
D. zgubą sztywności sprężyny śrubowej
Organizacja i prowadzenie pro…
Klient, który oddaje swój pojazd do naprawy w serwisie, nie może być zobowiązany do zostawienia
A. wszystkich zapasowych kluczyków
B. sterownika autoalarmu
C. dowodu rejestracyjnego
D. dowodu zawarcia ubezpieczenia OC pojazdu
Obsługa, diagnozowanie oraz n…
Podczas hamowania mogą wystąpić wibracje w kierownicy oraz na pedale hamulca. Takie objawy mogą być spowodowane
A. nieprawidłowym zestrojeniem geometrii kół
B. luzami w układzie kierowniczym
C. zapowietrzeniem systemu hamulcowego
D. zbyt dużym biciem przednich tarcz hamulcowych
Organizacja i prowadzenie pro…
Bezpośrednią obsługą klientów w Autoryzowanym Serwisie Obsługi zajmuje się
A. kierownik zmiany
B. mistrz brygadzista
C. pracownik BOK
D. kierownik serwisu
Obsługa, diagnozowanie oraz n…
Jakie typy pomp cieczy chłodzącej są wykorzystywane w systemach chłodzenia silnika?
A. Wirnikowe
B. Membranowe
C. Zębate
D. Tłoczkowe
Obsługa, diagnozowanie oraz n…
Na ilustracji przedstawiono silnik typu

A. dwusuwowego.
B. Wankla.
C. bokser.
D. rzędowego.
MOT.02 Pytanie 487
Obsługa, diagnozowanie oraz n…
Na rysunku przedstawiony jest

A. termostat układu chłodzenia.
B. czujnik ciśnienia doładowania.
C. regulator ciśnienia paliwa.
D. wtryskiwacz elektromagnetyczny.
Obsługa, diagnozowanie oraz n…
Pomiaru ciągłości połączeń dokonuje się
A. amperomierzem.
B. woltomierzem.
C. omomierzem.
D. watomierzem.
Obsługa, diagnozowanie oraz n…
Luz zmierzony w zamku pierścienia tłokowego umieszczonego w cylindrze wynosi 0,6 mm. Producent wskazuje, że luz ten powinien wynosić od 0,25 do 0,40 mm. Uzyskany wynik sugeruje, że
A. luz mieści się w podanych normach
B. luz jest zbyt mały
C. luz w zamku pierścienia powinien zostać zwiększony
D. luz jest zbyt duży
Obsługa, diagnozowanie oraz n…
Pirometr jest przyrządem umożliwiającym przeprowadzenie pomiaru
A. wilgotności.
B. temperatury.
C. hałasu.
D. ciśnienia.
Obsługa, diagnozowanie oraz n…
Podczas naprawy i diagnozowania układu chłodzenia temperaturę poszczególnych podzespołów ocenia się
A. termometrem alkoholowym.
B. organoleptycznie.
C. pirometrem.
D. odczytując wskazania na desce rozdzielczej.
Organizacja i prowadzenie pro…
Procedura polegająca na naprawieniu lub wymianie wszystkich zużytych elementów i zespołów maszyny używanej do serwisowania pojazdów mechanicznych, które na skutek długotrwałego użytkowania znacznie utraciły swoją funkcjonalność, nazywa się?
A. remontem kapitalnym
B. serwisowaniem sezonowym
C. serwisowaniem codziennym
D. remontem bieżącym
Obsługa, diagnozowanie oraz n…
Przedstawiony na rysunku element jest częścią układu

A. kierowniczego.
B. hamulcowego.
C. zawieszenia.
D. napędowego.
Obsługa, diagnozowanie oraz n…
Jakie elementy można naprawić stosując metodę lutowania?
A. nieszczelną chłodnicę
B. uszkodzoną końcówkę drążka kierowniczego
C. zużyte łożysko ślizgowe wału korbowego
D. pęknięty wał napędowy
Organizacja i prowadzenie pro…
Termin OHV dotyczy silnika z
A. jednym wałkiem rozrządu zamontowanym w głowicy silnika
B. wielopunktowym systemem wtrysku paliwa
C. jednopunktowym systemem wtrysku paliwa
D. jednym wałkiem rozrządu umieszczonym w korpusie silnika
Obsługa, diagnozowanie oraz n…
Aby zmierzyć luz w zamku pierścienia tłokowego, jakie narzędzie powinno się zastosować?
A. średnicówki mikrometrycznej
B. czujnika zegarowego
C. suwmiarki
D. szczelinomierza
Obsługa, diagnozowanie oraz n…
Którym z przedstawionych na ilustracjach przyrządów dokonuje się pomiaru rezystancji świecy żarowej?
A. Przyrządem IV.

B. Przyrządem I.

C. Przyrządem II.

D. Przyrządem III.

Obsługa, diagnozowanie oraz n…
Zadaniem gaźnika w pojeździe jest
A. regulowanie strumienia wtrysku.
B. podgrzewanie powietrza.
C. dozowanie paliwa i powietrza.
D. pompowanie paliwa.
Obsługa, diagnozowanie oraz n…
Aby określić stopień zużycia oleju silnikowego, należy przeprowadzić pomiar
A. pirometrem
B. refraktometrem
C. wiskozymetrem
D. multimetrem
Obsługa, diagnozowanie oraz n…
Aby zmierzyć bicie boczne tarczy sprzęgła, należy zastosować
A. średnicówkę mikrometryczną.
B. mikrometr.
C. diagnoskop.
D. czujnik zegarowy.
Organizacja i prowadzenie pro…
Numery pinów silnika regulacji przepustnicy z czujnikiem położenia określają na rysunku cyfry

A. 4, 2
B. 4, 1
C. 2, 6
D. 5, 3
Organizacja i prowadzenie pro…
Na rysunku przedstawiono urządzenie służące do wykonania kontroli

A. kąta wtrysku.
B. objętości wtryskiwanego paliwa.
C. liczby cetanowej paliwa.
D. ciśnienia początku wtrysku.
Obsługa, diagnozowanie oraz n…
Jaką rolę odgrywa synchronizator?
A. Utrzymuje stałą prędkość silnika
B. Włącza sprzęgło
C. Przekazuje moment obrotowy na koła napędowe
D. Płynnie łączy koło biegu z wałem
Obsługa, diagnozowanie oraz n…
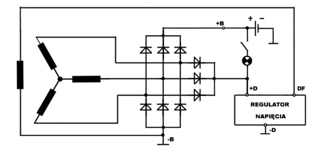
Tranzystory przedstawione na schemacie elektrycznym połączone są w układ

A. Thomsona.
B. Wheatstona.
C. Darlingtona.
D. Greatza.
Obsługa, diagnozowanie oraz n…
Który z wymienionych komponentów jest źródłem nadwyżki hałasu wydobywającego się z obszaru mostu napędowego, a nasila się podczas pokonywania zakrętu?
A. Łożysko piasty koła
B. Półoś napędowa
C. Przekładnia główna
D. Mechanizm różnicowy
Obsługa, diagnozowanie oraz n…
Który z elementów technologii regeneracji został opracowany najpóźniej?
A. Pompa wysokiego ciśnienia układu Common Rail
B. Wtryskiwacz elektromagnetyczny
C. Wtryskiwacz piezoelektryczny
D. Elektroniczna rozdzielaczowa pompa wtryskowa
Obsługa, diagnozowanie oraz n…
Podczas pomiaru diody prostowniczej z użyciem multimetru uzyskano wartość "∞" zarówno w kierunku przewodzenia, jak i zaporowym. Czego to dowodzi?
A. przebiegunowania diody
B. konieczności wymiany diody
C. nieodpowiedniego ustawienia zakresu multimetru
D. pełnej sprawności diody
Obsługa, diagnozowanie oraz n…
Po włączeniu świateł drogowych, żadna z żarówek H4 nie świeci. Stwierdzono, że przekaźnik świateł drogowych jest załączony, co wskazuje na uszkodzenie
A. cewki przekaźnika.
B. styku przekaźnika.
C. jednej z żarówek.
D. włącznika świateł drogowych.
MOT.02 Pytanie 509
Obsługa, diagnozowanie oraz n…
Który z wymienionych elementów nie może być regenerowany?
A. Kompresor klimatyzacji
B. Wtryskiwacz paliwa
C. Alternator
D. Poduszka powietrzna
Obsługa, diagnozowanie oraz n…
Jak nazywa się stosunek siły do powierzchni, na którą ona oddziałuje?
A. sprężanie
B. ciśnienie
C. objętość
D. nacisk
Obsługa, diagnozowanie oraz n…
Metoda ochrony przed korozją, która polega na nawalcowaniu na element cienkiej warstwy blachy z metalu odpornego na korozję, to
A. napawanie
B. platerowanie
C. galwanizacja
D. metalizacja
Obsługa, diagnozowanie oraz n…
Podstawowym dokumentem, który musi być wypełniony przez przyjmującego pojazd do serwisu samochodowego, jest
A. potwierdzenie przyjęcia kluczyków.
B. rejestr pojazdów w warsztacie.
C. notatka z opisem awarii.
D. protokół zlecenia.
Obsługa, diagnozowanie oraz n…
Do zestawu elementów układu kierowniczego nie należy
A. przekładnia ślimakowa
B. drążek reakcyjny
C. drążek kierowniczy
D. końcówka drążka kierowniczego
Obsługa, diagnozowanie oraz n…
Szeregowe połączenie dwóch akumulatorów 12V 75Ah umożliwia uzyskanie źródła z napięciem o parametrach
A. 24V 75Ah
B. 12V 150Ah
C. 12V 75Ah
D. 24V 150Ah
Obsługa, diagnozowanie oraz n…
Czarne zabarwienie spalin w silniku ZS może świadczyć
A. o uszkodzeniu cewki zapłonowej.
B. o zbyt ubogiej mieszance.
C. o przenikaniu płynu chłodzącego do komory spalania.
D. o silnie zanieczyszczonym filtrze powietrza.
Organizacja i prowadzenie pro…
Ocena elementów układu zawieszenia po wykonanej naprawie nie polega na
A. sprawdzaniu zachowania samochodu podczas testu drogowego
B. organoleptycznej ocenie luzów w układzie
C. badaniu amortyzatorów przy użyciu szarpaków
D. badaniu amortyzatorów na stanowisku wibracyjnym
MOT.02 Pytanie 517
Obsługa, diagnozowanie oraz n…
Wykorzystując informacje zapisane w tabeli oblicz, jaki będzie całkowity koszt usunięcia usterki w systemie parktronic, jeżeli do wymiany są trzy tylne czujniki oraz wiązka elektryczna w zderzaku, a naprawa zajmie 3 godziny.
| L.p. | Wartość jednostkowa części (podzespołu) | Wartość [PLN] |
|---|---|---|
| 1. | Czujnik parkowania | 30,00 |
| 2. | Wiązka elektryczna | 120,00 |
| L.p. | Wykonana usługa (czynność) | |
| 1. | Kasowanie błędów za pomocą testera | 50,00 |
| 2. | Roboczogodzina pracy mechanika | 50,00 |
A. 250,00 PLN
B. 200,00 PLN
C. 360,00 PLN
D. 410,00 PLN
Obsługa, diagnozowanie oraz n…
Który z wymienionych elementów nie podlega regeneracji?
A. Prądnica.
B. Wtryskiwacz paliwa.
C. Kurtyna powietrzna.
D. Turbosprężarka.
Obsługa, diagnozowanie oraz n…
Duża ilość węglowodorów w spalinach sugeruje
A. o niewłaściwym spalaniu paliwa
B. o samozapłonie paliwa
C. o efektywnym spalaniu paliwa
D. o wysokiej liczbie oktanowej paliwa
Obsługa, diagnozowanie oraz n…
Który z elementów mechanizmu tłokowo-korbowego silnika pojazdu jest odpowiedzialny za przenoszenie sił z tłoka na korbowód?
A. Sworzeń tłokowy.
B. Stopa korbowodu.
C. Główka korbowodu.
D. Pierścień tłokowy.