Filtrowanie pytań
Organizacja i prowadzenie pro…
A. świec żarowych
B. termostatu
C. cewki zapłonowej
D. regulatora ciśnienia
Obsługa, diagnozowanie oraz n…
Jeśli przekładnia w skrzyni biegów wynosi ib=1,0, a przekładnia tylnego mostu to it=4,1, jakie jest całkowite przełożenie układu napędowego?
A. 3,1
B. 5,1
C. 4,1
D. 1,0
MOT.02 Pytanie 963
Obsługa, diagnozowanie oraz n…
Wyniki przeglądu instalacji elektrycznej samochodu z silnikiem V6 TFSI 3,0 przedstawiono w tabeli. Który zestaw części i materiałów eksploatacyjnych jest niezbędny do wykonania usługi naprawy po wykonanym przeglądzie?
| Lp. | Przegląd instalacji elektrycznej | Wynik przeglądu |
|---|---|---|
| 1. | Stan akumulatora | U |
| 2. | Poduszki powietrzne | D |
| 3. | Włączniki, wskaźniki, wyświetlacze | D |
| 4. | Reflektory | Lewy – D; Prawy – W |
| 5. | Ustawienie reflektorów | D |
| 6. | Wycieraczki | *Lewa – uszkodzone pióro, Prawa – D |
| 7. | Spryskiwacze | D |
| 8. | Oświetlenie wnętrza | D |
| 9. | Świece zapłonowe | **Trzy z sześciu zużyte |
| 10. | Oświetlenie zewnętrzne | D |
| W – wymienić; U – uzupełnić; D – stan dobry; R – przeprowadzić regulację * w przypadku zużycia jednego pióra zaleca się wymianę kompletu piór ** w przypadku zużycia zaleca się wymianę kompletu świec | ||
A. Akumulator, lewy i prawy reflektory, pióra wycieraczek, sześć świec zapłonowych.
B. Akumulator, reflektor prawy, pióro lewej wycieraczki, trzy świece zapłonowe.
C. Woda destylowana, prawy reflektor, lewe pióro wycieraczki, trzy świece.
D. Woda destylowana, reflektor prawy, pióra wycieraczek, sześć świec zapłonowych.
Obsługa, diagnozowanie oraz n…
Jaką gęstość powinien mieć elektrolit w akumulatorze kwasowo-ołowiowym, który jest naładowany i sprawny?
A. 1,35 g/cm3
B. 1,18 g/cm3
C. 1,27 g/cm3
D. 1,10 g/cm3
Obsługa, diagnozowanie oraz n…
Jakim narzędziem dokonuje się pomiaru średnicy cylindrów po zakończonej naprawie silnika?
A. średnicówki mikrometrycznej
B. mikrometra
C. suwmiarki
D. średnicówki zegarowej
Obsługa, diagnozowanie oraz n…
Przepięcie na przekaźniku DC w instalacji może powstać w wyniku uszkodzenia
A. kondensatora.
B. warystora.
C. diody gaszącej.
D. dwójnika R-C.
Obsługa, diagnozowanie oraz n…
Pomiaru ciągłości połączeń dokonuje się
A. omomierzem.
B. woltomierzem.
C. amperomierzem.
D. watomierzem.
Obsługa, diagnozowanie oraz n…
Zakres wartości prądu wzbudzenia alternatora powinien mieścić się w granicach
A. 4 - 7 A
B. 7 - 11 A
C. 11 - 14 A
D. 0 - 4 A
Obsługa, diagnozowanie oraz n…
W celu zdiagnozowania czujnika hallotronowego w układzie sterowania silnika należy dokonać
A. pomiaru sygnału wyjściowego.
B. pomiaru napięcia wyjściowego.
C. wymiany czujnika na inny.
D. pomiaru zmiany rezystancji czujnika.
Obsługa, diagnozowanie oraz n…
Na korbowodowych czopach wałów korbowych silników czterosuwowych wykorzystuje się łożyska
A. kulowe
B. igłowe
C. stożkowe
D. ślizgowe
Obsługa, diagnozowanie oraz n…
Do zweryfikowania sprawności diody prostowniczej, która zamontowana jest w układzie sterowania służy
A. woltomierz.
B. multimetr uniwersalny.
C. skaner diagnostyczny OBD.
D. manometr.
Obsługa, diagnozowanie oraz n…
Szarpak płytowy pozwala na ocenę
A. luzu ruchu jałowego kierownicy
B. charakterystyki tłumienia drgań amortyzatora
C. charakterystyki kąta wyprzedzenia zwrotnicy
D. luzów w węzłach kulistych drążków kierowniczych
Obsługa, diagnozowanie oraz n…
W prawidłowo działającej instalacji elektrycznej w samochodzie (12 V), podczas pracy silnika, przy obrotach wynoszących około 2000 obr./min., napięcie na zaciskach akumulatora powinno wynosić
A. 12,6 V
B. 12,0 V
C. 13,6 V
D. 14,8 V
Organizacja i prowadzenie pro…
Kto jest odpowiedzialny za tworzenie oraz aktualizację bazy danych dotyczącej klientów oraz pojazdów?
A. Zespół ds. reklamy oraz promocji
B. Dział zajmujący się magazynowaniem
C. Pracownicy działu obsługi klienta
D. Cały personel zakładu
Obsługa, diagnozowanie oraz n…
Współczynnik absorpcji światła to parametr, który wskazuje na stopień
A. węglowodorów
B. nadużycia tlenu
C. poziomu tlenku węgla w spalinach
D. zadymienia spalin
Obsługa, diagnozowanie oraz n…
Weryfikacja poprawnego działania elektronicznego jednofunkcyjnego regulatora napięcia, który stanowi integralną część alternatora, polega na pomiarze
A. wartości prądu pobieranego z akumulatora przy wyłączonym silniku
B. wartości prądu wzbudzenia alternatora
C. rezystancji diod prostowniczych w obwodzie alternatora
D. wartości napięcia ładowania akumulatora pod obciążeniem
MOT.02 Pytanie 977
Obsługa, diagnozowanie oraz n…
Na rysunku przedstawiono

A. czujnik temperatury silnika.
B. regulator ciśnienia paliwa.
C. zawór recyrkulacji spalin.
D. wtryskiwacz elektromagnetyczny.
MOT.02 Pytanie 978
Obsługa, diagnozowanie oraz n…
Na podstawie danych przedstawionych w tabeli oceń całkowity koszt naprawy układu wtryskowego silnika ZS R4, jeżeli konieczna jest regeneracja wszystkich wtryskiwaczy, regeneracja pompy paliwa oraz czyszczenie układu paliwowego. Przewidziany czas naprawy wynosi 6 rbh.
| Lp. | Wartość jednostkowa części, materiałów. | Wartość [zł] |
|---|---|---|
| 1. | Regeneracja wtryskiwacza | 300,00 |
| 2. | Regeneracja pompy wysokiego ciśnienia | 460,00 |
| 3. | Zestaw uszczelek i oringów | 100,00 |
| 4. | Filtr paliwa | 40,00 |
| ------ | Wykonana usługa (czynność) | |
| 5. | Koszt 1 rbh pracy mechanika | 50,00 |
A. 2 000,00 zł
B. 2 100,00 zł
C. 1 850,00 zł
D. 950,00 zł
Obsługa, diagnozowanie oraz n…
W zakres diagnostyki układu zapłonowego nie wchodzi
A. inspekcja przewodów wysokiego napięcia
B. pomiar kąta wyprzedzenia zapłonu
C. wymiana cewki wysokiego napięcia
D. sprawdzenie stanu świec zapłonowych
Obsługa, diagnozowanie oraz n…
Maksymalna dopuszczalna różnica wskaźnika efektywności hamowania na jednej osi kół nie powinna być większa niż
A. 30 %
B. 10 %
C. 20 %
D. 25 %
Organizacja i prowadzenie pro…
Aby zweryfikować powłokę lakierniczą na nadwoziu z aluminium, powinno się zastosować warstwomierz
A. ultradźwiękowego
B. z magnesem trwałym
C. pojemnościowego
D. kulometrycznego
Obsługa, diagnozowanie oraz n…
Jakie są metody weryfikacji efektywności działania hamulca roboczego po dokonaniu naprawy?
A. podczas próby na drodze
B. na stanowisku do badania podwozi
C. przeprowadzając symulację
D. na płycie testowej
MOT.02 Pytanie 983
Obsługa, diagnozowanie oraz n…
Które narzędzia, przyrządy i płyny eksploatacyjne są niezbędne do wykonania czynności przeglądowych wymienionych w tabeli w pojeździe samochodowym z silnikiem typu 1,6 HDI DOHC 16V?
| L.p. | Przegląd instalacji elektrycznej |
|---|---|
| 1 | Akumulator¹⁾ |
| 2 | Oświetlenie wnętrza |
| 3 | Oświetlenie zewnętrzne |
| 4 | Poduszki powietrzne¹⁾ |
| 5 | Reflektory²⁾ |
| 6 | Spryskiwacze³⁾ |
| 7 | Świece¹⁾ |
| 8 | Włączniki, wskaźniki, wyświetlacze |
| 9 | Wycieraczki |
| ¹⁾- pełna diagnostyka ²⁾- bez regulacji ustawienia ³⁾- uzupełnić płyn | |
A. Klucz do świec, przyrząd do ustawiania świateł, tester diagnostyczny.
B. Akumulator, multimetr, tester do akumulatorów, tester diagnostyczny, woda destylowana.
C. Tester akumulatorów, tester diagnostyczny, multimetr, klucz do świec, szczelinomierz, płyn do spryskiwaczy, woda destylowana.
D. Aerometr, tester akumulatorów, tester diagnostyczny, klucz do świec, szczelinomierz, multimetr cyfrowy.
MOT.02 Pytanie 984
Obsługa, diagnozowanie oraz n…
Regulacja przesłony zaworu biegu jałowego odbywa się przez
A. podciśnienie w kolektorze dolotowym.
B. pracę bimetalu.
C. współczynnik wypełnienia impulsu.
D. zmienną wartość napięcia.
Organizacja i prowadzenie pro…
Sonda lambda umieszczona w układzie wydechowym silnika dokonuje pomiaru zawartości w spalinach
A. tlenu
B. azotu
C. dwutlenku węgla
D. tlenku węgla
Obsługa, diagnozowanie oraz n…
Przed przystąpieniem do naprawy systemu alarmowego w pojeździe, należy w pierwszej kolejności
A. zamknąć pojazd
B. zainstalować oprogramowanie systemu
C. wyjąć kluczyk ze stacyjki
D. odłączyć akumulator
Obsługa, diagnozowanie oraz n…
Ustawienie świateł mijania w pojazdach samochodowych przeprowadza się przy pomocy urządzenia, które funkcjonuje na zasadzie porównania granicy światła oraz cienia reflektora z
A. wartościami określonymi w tabelach naświetleń
B. liniami odcięcia według wzoru urządzenia
C. wartościami ustalonymi przez producenta auta
D. wartościami zdefiniowanymi dla pojazdów z maksymalną prędkością do 130 km/h
Obsługa, diagnozowanie oraz n…
Najczęstszym powodem usterki, przejawiającej się świeceniem wszystkich żarówek tylnej lampy po wciśnięciu pedału hamulca, jest
A. uszkodzenie izolacji jednego z przewodów
B. przepalenie jednej z żarówek
C. przerwanie jednego z przewodów prądowych
D. brak masy żarówek lampy
MOT.02 Pytanie 989
Obsługa, diagnozowanie oraz n…
Włączenie lampki PRS podczas jazdy oznacza awarię systemu
A. hamulcowego
B. stabilizacji toru jazdy
C. poduszek powietrznych
D. oczyszczania spalin
Obsługa, diagnozowanie oraz n…
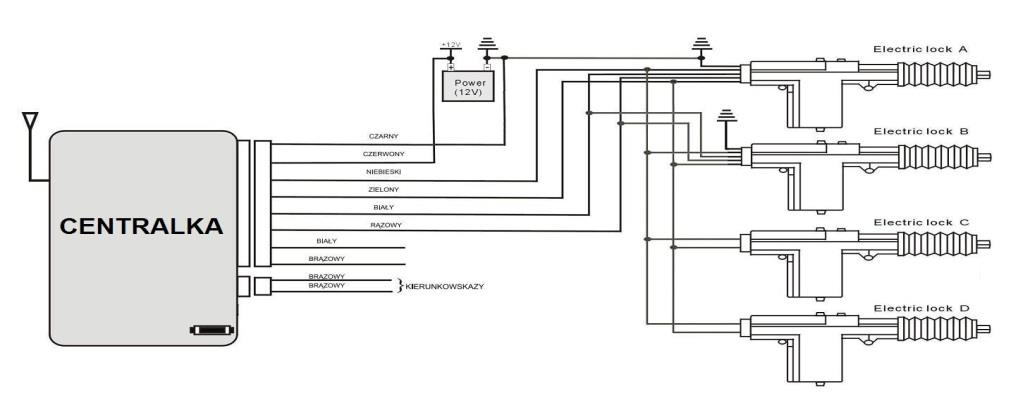
Na schemacie przedstawiono układ

A. wtryskowy silnika ZI.
B. zapłonowy.
C. zamka centralnego.
D. ABS.
Obsługa, diagnozowanie oraz n…
Aby wykonać kontrolę stanu połączenia rozrusznika z masą pojazdu, multimetr powinien być ustawiony na tryb
A. amperomierza i zmierzyć wartość prądu płynącego do masy pojazdu w trakcie rozruchu
B. woltomierza i zmierzyć spadek napięcia na połączeniu w trakcie rozruchu
C. omomierza i należy zmierzyć rezystancję samego przewodu łączącego rozrusznik z masą
D. omomierza i należy zmierzyć rezystancję połączenia rozrusznika z masą pojazdu
Obsługa, diagnozowanie oraz n…
Za pomocą przedstawionego na rysunku przyrządu pomiarowego można dokonać pomiaru

A. ugięcia sprężyny zaworowej.
B. grubości tarczy hamulcowej.
C. głębokości bieżnika opony.
D. naciągu paska rozrządu.
MOT.05 Pytanie 993
Obsługa, diagnozowanie oraz n…
Aby zamówić właściwe części do naprawy pojazdu,
A. wystarczy podać rok produkcji pojazdu.
B. wystarczy podać jego markę oraz model.
C. wystarczy podać numer VIN.
D. należy dostarczyć uszkodzony element do porównania z zamiennikiem.
Obsługa, diagnozowanie oraz n…
Usuwając awarię w panelu sterowania układem centralnego zamka w pojeździe samochodowym w celu sprawdzenia działania naprawionego modułu, uszkodzony rezystor typu SMD o wartości opisanej na schemacie ideowym jako R47 / ±10% można na czas rozruchu zastąpić dwoma rezystorami o wartości
A. 24 Ω / ±5% połączonymi szeregowo.
B. 0,24 Ω / ±5% połączonymi szeregowo.
C. 91 Ω / ±5% połączonymi równolegle.
D. 9,1 Ω / ±5% połączonymi równolegle.
Obsługa, diagnozowanie oraz n…
Przy pomiarze natężenia oświetlenia świateł mijania, wynikiem pomiaru jest jednostka wyrażana w
A. luksach
B. watach
C. lumenach
D. kandelach
Obsługa, diagnozowanie oraz n…
Część przegubu Cardana należy do
A. wału napędowego
B. skrzyni biegów
C. sprzęgła ciernego
D. koła dwumasowego
Obsługa, diagnozowanie oraz n…
System odpowiedzialny za stabilizację toru jazdy pojazdu w trakcie pokonywania zakrętów nazywany jest
A. EPP
B. ESP
C. ASR
D. EBD
MOT.02 Pytanie 998
Obsługa, diagnozowanie oraz n…
Podczas diagnostyki oświetlenia samochodu osobowego stwierdzono przepalenie żarówki świateł mijania, przepalenie żarówki kierunkowskazów w tylnej lampie i uszkodzenie włącznika świateł stop. Aby usunąć uszkodzenie należy zakupić
A. dwie żarówki świateł mijania, dwie żarówki świateł kierunkowskazów oraz włącznik świateł stop.
B. dwie żarówki świateł mijania, jedną żarówkę świateł kierunkowskazów oraz włącznik świateł stop.
C. dwie żarówki świateł mijania, dwie żarówki świateł kierunkowskazów, dwie żarówki świateł stop oraz włącznik świateł stop.
D. dwie żarówki świateł mijania, jedną żarówkę świateł kierunkowskazów, dwie żarówki świateł stop oraz włącznik świateł stop.
Obsługa, diagnozowanie oraz n…
Czarny wskaźnik na akumulatorze bezobsługowym oznacza, że akumulator jest
A. w pełni naładowany.
B. niedoładowany.
C. przeładowany.
D. sprawny technicznie.
Organizacja i prowadzenie pro…
Jak wykonuje się pomiar napięcia, jakie generuje sonda λ?
A. woltomierzem o zakresie pomiarowym 0÷200 mV
B. manometrem o zakresie pomiarowym 0÷1,0 MPa
C. amperomierzem o zakresie pomiarowym 0÷200 mA
D. omomierzem o zakresie pomiarowym 0÷200 Ω