Filtrowanie pytań
Obsługa, diagnozowanie oraz n…
A. Multimetrem uniwersalnym
B. Diagnoskopem systemu OBD
C. Amperomierzem cęgowym
D. Oscyloskopem elektronicznym
Obsługa, diagnozowanie oraz n…
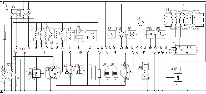
Aby dokonać kontrolnego pomiaru napięcia zasilania grzałki sondy lambda, woltomierz należy podłączyć pomiędzy masę a zacisk zasilania elementu oznaczonego na schemacie numerem

A. 49.
B. 37.
C. 31.
D. 40.
Obsługa, diagnozowanie oraz n…
Podczas testu po naprawie pojazdu zauważono samoczynny wzrost poziomu oleju w układzie smarowania silnika. Co może być przyczyną tej sytuacji?
A. nadmierne zabrudzenie filtra oleju
B. uszkodzenie pompy olejowej
C. uszkodzenie uszczelki pod głowicą
D. zużycie czopów wału korbowego
Obsługa, diagnozowanie oraz n…
Który z komponentów można poddać regeneracji?
A. Napinacz pirotechniczny
B. Czujnik indukcyjny
C. Aparat zapłonowy
D. Świecę zapłonową
Obsługa, diagnozowanie oraz n…
Układ rozrządu z górnymi zaworami, w którym wałek rozrządu znajduje się w obudowie, nazywa się oznaczeniem
A. OHC
B. DOHC
C. OHV
D. CIH
Obsługa, diagnozowanie oraz n…
Kontrolę pracy sondy lambda przeprowadza się
A. watomierzem.
B. manometrem.
C. komputerem diagnostycznym OBD.
D. dymomierzem.
MOT.02 Pytanie 1687
Obsługa, diagnozowanie oraz n…
Przed przystąpieniem do eksploatacji pojazdu po kilkuletniej przerwie należy
A. wymienić wszystkie żarówki na nowe.
B. wykonać przegląd układu paliwowego.
C. wykonać diagnostykę komputerową.
D. poddać rozrusznik i alternator regeneracji.
Obsługa, diagnozowanie oraz n…
Jak dokonuje się pomiaru mocy użytecznej silnika?
A. w przekładni głównej pojazdu
B. na kołach napędzanych pojazdu
C. na wale rozrządu silnika
D. na końcówce napędowej wału korbowego
MOT.06 Pytanie 1689
Organizacja i prowadzenie pro…
Co powinno się zrobić w sytuacji, gdy występuje potrzeba wydłużenia czasu naprawy pojazdu w ASO z powodu nieprzesłania przez hurtownię odpowiedniej części do naprawy?
A. Zamontować "starą" część, a klienta poinformować o tym podczas odbioru pojazdu
B. Poinformować klienta o przyczynie wydłużenia czasu naprawy
C. Zamówić część w innej hurtowni oraz zorganizować ekspresową dostawę do warsztatu
D. Odstawić samochód do innego serwisu, który ma część i poinformować o tym klienta
Organizacja i prowadzenie pro…
Wielkość zapasów magazynowych określa liczba
A. elementów w magazynie w odniesieniu do liczby zamawianych elementów
B. zamawianych elementów w stosunku do ilości wydanych elementów
C. zamawianych miesięcznie elementów w porównaniu do liczby mechaników
D. rotacji zapasów magazynowych
MOT.06 Pytanie 1691
Organizacja i prowadzenie pro…
Podczas jazdy próbnej po wyważeniu kół przednich pracownik zauważył drgania w układzie kierowniczym. W związku z tym powinien najpierw
A. usunąć wszystkie odważniki z kół
B. zamienić koła prawe z lewymi i przeprowadzić nową próbę drogową
C. wymienić opony na nowe
D. wykonać dynamiczne wyważanie kół
MOT.06 Pytanie 1692
Organizacja i prowadzenie pro…
Usunięcie wgniecenia z przedniego pasa pojazdu powinno być wykonane
A. na stanowisku z ramą prostowniczą
B. na stanowisku z podnośnikiem nożycowym
C. na stanowisku z kanałem najazdowym
D. w pomieszczeniu diagnostyki pojazdowej
Organizacja i prowadzenie pro…
Podczas dynamicznego manewru zawracania pojazdu, w przedniej części Z w rejonie koła wewnętrznego da się usłyszeć stuki oraz odczuwać wibracje. Powodem tego jest zużycie
A. wahacza
B. przegubu napędowego
C. amortyzatora
D. końcówki drążka kierowniczego
Obsługa, diagnozowanie oraz n…
Podczas serwisowania układu hamulcowego, mechanik zauważył, że okładzina jednego z klocków hamulcowych jest uszkodzona. Jaką decyzję powinien podjąć mechanik w tej sytuacji?
A. wymianę uszkodzonego klocka hamulcowego na używany o takiej samej grubości okładziny
B. wymianę wszystkich klocków hamulcowych na danej osi pojazdu
C. wymianę uszkodzonego klocka hamulcowego na nowy
D. wymianę klocków hamulcowych tego konkretnego koła pojazdu
Organizacja i prowadzenie pro…
Pedał hamulca wykazuje cechę "miękkości", a jego wielokrotne naciśnięcie powoduje podniesienie go, natomiast stały nacisk skutkuje jego opadaniem. Jakie mogą być przyczyny tego zjawiska?
A. zużycie elementów ciernych
B. nieszczelność w obrębie układu hamulcowego
C. zużycie tarcz lub bębnów hamulcowych
D. użycie niewłaściwego typu płynu hamulcowego
Obsługa, diagnozowanie oraz n…
Diagnostyka systemu hamulcowego na stanowisku rolkowym nie umożliwia
A. ustalenia różnic sił hamowania na wszystkich kołach pojazdu
B. wykrycia owalizacji bębnów hamulcowych
C. oceny stopnia zużycia elementów ciernych
D. wykrycia deformacji oraz bicia tarcz hamulcowych
Obsługa, diagnozowanie oraz n…
System ABS
A. zmniejsza długość drogi hamowania na nawierzchni o dużym współczynniku przyczepności
B. zapewnia zachowanie prostoliniowego kierunku podczas hamowania na nawierzchni o dużej przyczepności
C. zawsze skraca drogę hamowania
D. zapewnia zachowanie prostoliniowego kierunku podczas hamowania na nawierzchni o niskim współczynniku przyczepności
MOT.02 Pytanie 1698
Obsługa, diagnozowanie oraz n…
Podczas naprawy alternatora wymieniono szczotkotrzymacz wraz ze szczotkami, przednie łożysko oraz przeprowadzono pełną diagnostykę. Czas jaki poświęcono na prace diagnostyczno-naprawcze wyniósł 1,5 godziny, a koszt jednej roboczogodziny to 100 zł. Szczotko-trzymacz miał cenę 30 zł, a łożysko kosztowało 20 zł. Jaki jest łączny koszt usługi?
A. 150 zł
B. 200 zł
C. 120 zł
D. 130 zł
Obsługa, diagnozowanie oraz n…
Podczas wymiany oleju zauważono, że silnik jest wypełniony olejem mineralnym. Należy go napełnić olejem
A. dowolnym, który ma właściciel pojazdu
B. półsyntetycznym
C. mineralnym
D. syntetycznym
Obsługa, diagnozowanie oraz n…
Czym jest prąd elektryczny?
A. swobodny ruch ładunków ujemnych
B. chaotyczny ruch ładunków elementarnych
C. ukierunkowany przepływ ładunków neutralnych
D. uporządkowany ruch ładunków elektrycznych
Obsługa, diagnozowanie oraz n…
Podstawowym aspektem naprawy wiążącej się z wymianą uszczelki pod głowicą w silniku diesla jest odpowiedni jej wybór w odniesieniu do
A. elastyczności
B. twardości
C. długości
D. grubości
Organizacja i prowadzenie pro…
Mechanik, który zleca zmiennikowi podjęcie pracy nad montażem naprawionych części pojazdu, w celu ułatwienia mu pracy, powinien go poinformować
A. o zastosowanych standardowych procedurach i technologiach
B. o napotkanych komplikacjach przy demontażu
C. o kosztach wykonania usługi
D. o przewidywanych odstępstwach od obowiązującej technologii
MOT.02 Pytanie 1703
Obsługa, diagnozowanie oraz n…
Oscyloskop to urządzenie wykorzystywane do diagnostyki
A. katalizatora spalin
B. świecy zapłonowej
C. wtryskiwaczy paliwa
D. czujnika hallotronowego
Obsługa, diagnozowanie oraz n…
Metaliczny dźwięk pochodzący z górnej części silnika może świadczyć
A. o wyeksploatowaniu łańcucha rozrządu
B. o uszkodzeniu pierścieni tłokowych
C. o zbyt dużym luzie zaworów
D. o luzach w łożyskach wału korbowego
Obsługa, diagnozowanie oraz n…
Sprawdzenie poprawności działania kontaktronu polega na pomiarze wartości
A. natężenia prądu zasilania w trakcie załączenia kontaktronu.
B. rezystancji styków roboczych pod wpływem zmiany napięcia zasilania.
C. napięcia zasilania kontaktronu w trakcie jego przełączania.
D. rezystancji styków roboczych pod wpływem zmian pola magnetycznego.
Obsługa, diagnozowanie oraz n…
W specyfikacji rozmiaru opony 225/65R17 101H litera R wskazuje na
A. średnicę opony
B. maksymalne dopuszczalne obciążenie (nośność opony)
C. maksymalną prędkość jazdy
D. typ konstrukcji osnowy opony
Organizacja i prowadzenie pro…
Podczas przyjęcia auta do reperacji zawsze dokonuje się
A. próby jazdy bez obecności właściciela auta
B. obserwacji technicznej pojazdu samochodowego
C. dokładnej inspekcji zewnętrznej pojazdu
D. próby jazdy w obecności jego właściciela
Organizacja i prowadzenie pro…
Ile stanowisk powinien dysponować serwis, jeśli jeden przegląd trwa 2,5 godziny, a w czasie ośmiogodzinnej zmiany należy zrealizować co najmniej 12 przeglądów?
A. 4 stanowiska
B. 5 stanowisk
C. 6 stanowisk
D. 3 stanowiska
Obsługa, diagnozowanie oraz n…
Który z rodzajów paliw odznacza się wartością cetanową?
A. Olej napędowy
B. Olej silnikowy
C. Benzyna samochodowa
D. Gaz LPG
Obsługa, diagnozowanie oraz n…
Do diagnostyki układów elektrycznych i elektronicznych pojazdu samochodowego nie zalicza się
A. rejestracji wyników.
B. montażu.
C. pomiaru.
D. obliczeń parametrów.
Obsługa, diagnozowanie oraz n…
Jak ocenia się skuteczność działania katalizatora spalin?
A. miernikiem dymu
B. miernikiem decybeli
C. diagnostycznym spektrometrem
D. analizatorem spalin
Obsługa, diagnozowanie oraz n…
Do naprawy uszkodzonych pierścieni ślizgowych alternatora należy użyć
A. szlifierki.
B. honownicy.
C. tokarki.
D. wytaczarki.
MOT.06 Pytanie 1713
Organizacja i prowadzenie pro…
Materiałem odpadowym po zakończonej naprawie auta nie jest
A. szyba samochodowa
B. płyn hamulcowy
C. akumulator kwasowy
D. olej silnikowy
Obsługa, diagnozowanie oraz n…
Podczas wypełniania zlecenia serwisowego w miejsce opisane jako „Numer identyfikacyjny pojazdu” należy wpisać numer
A. VIN.
B. rejestracyjny.
C. karty pojazdu.
D. dowodu rejestracyjnego.
Obsługa, diagnozowanie oraz n…
W silnikach chłodzonych wykorzystuje się cylindry użebrowane oraz głowice
A. powietrzem
B. olejem
C. cieczą
D. płynem hamulcowym
Obsługa, diagnozowanie oraz n…
Jednym z powodów ślizgania się tarczy sprzęgła może być
A. uszkodzony tłumik drgań skrętnych tarczy sprzęgłowej
B. zbyt duży jałowy skok pedału sprzęgła
C. pęknięta sprężyna centralna
D. zatarte łożysko oporowe
Obsługa, diagnozowanie oraz n…
Kosztorys realizacji usługi serwisowej jest przygotowywany m.in. na podstawie
A. wartości rynkowej pojazdu
B. czasochłonności naprawy
C. szacunkowego poziomu zużycia pojazdu
D. liczby części wymienionych w ramach usługi
Obsługa, diagnozowanie oraz n…
Podczas naprawy układu hamulcowego pojazdu obowiązkowo należy
A. ustawić geometrię kół, jeśli to konieczne po naprawie zawieszenia
B. odpowietrzyć układ po wymianie płynu hamulcowego
C. zawsze wymieniać klocki hamulcowe na nowe
D. sprawdzić ciśnienie w oponach pod kątem bezpiecznej jazdy
Obsługa, diagnozowanie oraz n…
Napięcie znamionowe w instalacji elektrycznej ciężkiego ciągnika siodłowego wynosi
A. 6 V
B. 36 V
C. 12 V
D. 24 V
Obsługa, diagnozowanie oraz n…
Duża ilość białego dymu wydobywającego się z układu wydechowego może sugerować
A. zapchany filtr powietrza
B. uszkodzenie uszczelki głowicy silnika
C. przecieki płynu chłodzącego z chłodnicy
D. uszkodzony przewód wysokiego napięcia