Filtrowanie pytań
Obsługa, diagnozowanie oraz n…
A. rezonator
B. retarder
C. rekuperator
D. dyfuzor
Obsługa, diagnozowanie oraz n…
W celu sprawdzenia poprawności działania czujnika temperatury silnika należy przeprowadzić pomiar
A. generowanego sygnału wyjściowego.
B. impedancji uzwojeń czujnika.
C. rezystancji czujnika.
D. reaktancji indukcyjnej czujnika.
Obsługa, diagnozowanie oraz n…
Ciśnienie paliwa w silniku o zapłonie samoczynnym, w którym zastosowano system zasilania Common Rail trzeciej generacji, powinno wynosić w przybliżeniu
A. 1,8 MPa
B. 180 MPa
C. 1800 MPa
D. 18 MPa
Obsługa, diagnozowanie oraz n…
Do zestawu elementów układu kierowniczego nie należy
A. drążek reakcyjny
B. końcówka drążka kierowniczego
C. przekładnia ślimakowa
D. drążek kierowniczy
Obsługa, diagnozowanie oraz n…
Który z uszkodzonych komponentównie może być naprawiony?
A. Rozrusznik
B. Akumulator
C. Turbosprężarka
D. Alternator
Obsługa, diagnozowanie oraz n…
Jakie oznaczenie w klasyfikacji jakościowej API odnosi się do oleju do przekładni?
A. CF-4
B. SM
C. GL-5
D. PK
Organizacja i prowadzenie pro…
Podczas przeglądu systemu hamulcowego stwierdzono nadmierne zużycie tarcz hamulcowych. Jakie działanie należy podjąć?
A. Wymienić tarcze hamulcowe na nowe
B. Zastosować mocniejsze klocki hamulcowe
C. Dokręcić tarcze hamulcowe
D. Obrócić tarcze w celu wyrównania powierzchni
Obsługa, diagnozowanie oraz n…
System elektronicznej blokady mechanizmu różnicowego w pojazdach samochodowych zazwyczaj określa się jako
A. ESP
B. EBD
C. EPP
D. EDS
Obsługa, diagnozowanie oraz n…
Działanie stetoskopu opiera się na zjawisku
A. elektrycznym
B. hydraulicznych
C. akustycznym
D. grawitacyjnym
Organizacja i prowadzenie pro…
Wyznacz całkowity koszt (do zapłaty) za wymianę 4 opon samochodowych, jeśli cena jednej opony wynosi 230 zł/szt. Czas potrzebny do wymiany pojedynczej opony, łącznie z wyważeniem, to 15 minut, a koszt roboczo godziny wynosi 50 zł. Wskazane ceny są cenami netto, należy dodać podatek VAT w wysokości 23%.
A. 970,00 zł
B. 1 193,10 zł
C. 980,00 zł
D. 1 030,00 zł
Obsługa, diagnozowanie oraz n…
Do narzędzi warsztatowych nie wliczamy
A. podnośnika hydraulicznego.
B. kanału najazdowego.
C. miernika.
D. prasy.
MOT.02 Pytanie 2012
Obsługa, diagnozowanie oraz n…
W instalacji oświetlenia pojazdu często dochodzi do przepalenia się żarówki jednego z obwodów. Aby w przyszłości zapobiec usterce należy
A. wymienić bezpiecznik obwodu.
B. dokonać przeglądu obwodu i wykonać konserwację styków.
C. zastosować żarówkę o większej mocy.
D. sprawdzić napięcie ładowania akumulatora.
Obsługa, diagnozowanie oraz n…
W systemie wtrysku silnika ZI do kontroli składu mieszanki stosuje się sondę Lambda, która analizuje w spalinach stężenie
A. sadzy
B. tlenu
C. wody
D. węgla
Obsługa, diagnozowanie oraz n…
Zakres czynności związanych ze sprawdzeniem działania przekaźnika samochodowego ze stykami nie obejmuje
A. pomiaru ciągłości uzwojeń cewki przekaźnika.
B. pomiaru reaktancji indukcyjnej cewki sterującej przekaźnika.
C. sprawdzenia rezystancji między stykami roboczymi w stanie załączenia.
D. sprawdzenia rezystancji między stykami roboczymi w stanie rozłączenia.
Obsługa, diagnozowanie oraz n…
Ciecz chłodząca po użyciu należy
A. rozcieńczyć wodą i wlać do kanalizacji
B. wlać do kanalizacji
C. przekazać do utylizacji
D. zneutralizować i wlać do kanalizacji
Obsługa, diagnozowanie oraz n…
Siły oraz momenty bezwładności pierwszego i drugiego rzędu kompensują się w czterosuwowym silniku o budowie rzędowej
A. ośmiocylindrowym
B. sześciocylindrowym
C. czterocylindrowym
D. trzycylindrowym
Obsługa, diagnozowanie oraz n…
Podczas jazdy pojazdem pojawia się informacja o nieprawidłowym działaniu systemu ESP pomimo, że układ ABS działa poprawnie. Prawdopodobną przyczyną awarii jest
A. uszkodzenie czujnika położenia koła kierownicy.
B. nieprawidłowa praca pompy ABS.
C. uszkodzenie w układzie czujników ABS.
D. nieprawidłowa praca prędkościomierza.
MOT.02 Pytanie 2018
Obsługa, diagnozowanie oraz n…
Zgaśnięcie lampki sygnalizacyjnej ciśnienia oleju tylko przy wyższej prędkości obrotowej silnika oznacza
A. o zbyt małej ilości oleju w silniku
B. o użyciu niewłaściwego rodzaju oleju
C. o awarii czujnika lampki kontrolnej
D. o zużyciu pompy oleju
Obsługa, diagnozowanie oraz n…
Jaką informację zawartą w dowodzie rejestracyjnym pojazdu powinien wykorzystać mechanik przy zamawianiu części zamiennych do naprawy pojazdu?
A. Data ważności przeglądu technicznego
B. Data pierwszej rejestracji w kraju
C. Numer rejestracyjny
D. Numer identyfikacyjny pojazdu
Obsługa, diagnozowanie oraz n…
Po wymianie dolnego przedniego wahacza zawieszenia w samochodzie osobowym konieczne jest sprawdzenie
A. sił hamowania
B. oporów toczenia
C. geometrii kół
D. sił tłumienia
MOT.02 Pytanie 2021
Obsługa, diagnozowanie oraz n…
Na fotografii przedstawiono

A. wtryskiwacz instalacji LPG.
B. zawór sterowania podciśnieniem.
C. czujnik ciśnienia doładowania.
D. cewkę wysokiego napięcia.
Obsługa, diagnozowanie oraz n…
Po włączeniu świateł drogowych żadna żarówka H7 nie świeci. Stwierdzono, że przekaźnik świateł drogowych jest załączony, a próbnikiem potwierdzono napięcie na konektorach podłączenia żarówek. Opis wskazuje na uszkodzenie
A. obu żarówek.
B. przekaźnika.
C. włącznika świateł drogowych.
D. przewodów zasilających żarówki H7.
Obsługa, diagnozowanie oraz n…
Przedstawiony na ilustracjach element wchodzi w skład zespołu

A. zaworu biegu jałowego.
B. systemu SRS.
C. zaworu powietrza dodatkowego.
D. przepustnicy.
Obsługa, diagnozowanie oraz n…
W zakładzie regeneracji alternatorów pracującym sześć dni w tygodniu dziennie zużywa się średnio 5 regulatorów napięcia. Miesięczne zapotrzebowanie na regulatory wynosi około
A. 60 sztuk.
B. 120 sztuk.
C. 180 sztuk.
D. 30 sztuk.
Obsługa, diagnozowanie oraz n…
W przypadku awarii tranzystora w układzie zasilacza można zastosować
A. dwie diody oraz tyrystor
B. dwa tyrystory
C. wyłącznie identyczny typ tranzystora
D. dwie diody prostownicze
Obsługa, diagnozowanie oraz n…
Do kompleksowej kontroli obwodów elektrycznych sterowania silnikiem pojazdu samochodowego stosuje się
A. czytniki OBD – testery.
B. stroboskopy.
C. mierniki uniwersalne.
D. wskaźniki napięcia.
Obsługa, diagnozowanie oraz n…
Zanim przystąpisz do regulacji luzów zaworowych w silniku z zapłonem iskrowym, powinieneś
A. sprawdzić poziom naładowania akumulatora
B. wykonać pomiar ciśnienia sprężania
C. wykręcić wszystkie świece zapłonowe
D. zweryfikować szczelność silnika
Obsługa, diagnozowanie oraz n…
Zakres czynności związanych z obsługą serwisową układu zapłonowego we współczesnych samochodach nie obejmuje
A. wymiany cewek zapłonowych.
B. okresowej wymiany świec zapłonowych.
C. kontroli regularności cykli zapłonowych.
D. kontroli kąta wyprzedzenia zapłonu.
MOT.02 Pytanie 2029
Obsługa, diagnozowanie oraz n…
Który element konstrukcyjny pojazdu osobowego, w sytuacji uszkodzenia, może zostać przeznaczony do naprawy lub odnowienia?
A. Czujnik położenia wału
B. Sonda lambda
C. Napinacz pasa bezpieczeństwa
D. Panel klimatyzacji
Obsługa, diagnozowanie oraz n…
Na którym zdjęciu przedstawiono elektryczną pompę paliwa?
A. Zdjęcie 2

B. Zdjęcie 3

C. Zdjęcie 4

D. Zdjęcie 1

Organizacja i prowadzenie pro…
Po przeprowadzeniu naprawy, minimalny współczynnik skuteczności hamowania hamulca awaryjnego w samochodzie osobowym powinien wynosić
A. 10%
B. 20%
C. 15%
D. 25%
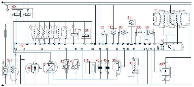
Obsługa, diagnozowanie oraz n…
Którym numerem oznaczono na schemacie elektrycznym czujnik Halla na wałku rozrządu?

A. 39.
B. 31.
C. 40.
D. 11.
Obsługa, diagnozowanie oraz n…
Którym z przedstawionych na rysunkach przyrządów można przeprowadzić pomiar rezystancji żarnika żarówki H1?
A. Przyrząd 2

B. Przyrząd 3

C. Przyrząd 1

D. Przyrząd 4

Organizacja i prowadzenie pro…
Oblicz wartość 23% VAT od usługi naprawy układu hamulcowego, której cena netto wynosi 700 zł?
A. 155,00 zł
B. 161,00 zł
C. 169,30 zł
D. 143,10 zł
Obsługa, diagnozowanie oraz n…
Aby zmierzyć napięcie ładowania w elektrycznej instalacji samochodowej, należy zastosować
A. amperomierz
B. watomierz
C. woltomierz
D. omomierz
Obsługa, diagnozowanie oraz n…
Przedstawiony na rysunku symbol elementu to

A. dławik.
B. termistor.
C. tyrystor.
D. termopara.
MOT.02 Pytanie 2037
Obsługa, diagnozowanie oraz n…
Oscylogram otrzymany w trakcie wykonywania diagnostyki układu sterowania potwierdza, że

A. okres badanego sygnału sterującego równy jest około 100 ms.
B. wartość średnia napięcia badanego sygnału równa jest około 5V.
C. współczynnik wypełnienia badanego sygnału wynosi około 10/100 x 100%
D. częstotliwość badanego sygnału wynosi około 50 Hz.
Obsługa, diagnozowanie oraz n…
Sprawny zawór elektromagnetyczny wysokiego ciśnienia pompowtryskiwacza o rezystancji 0,5 Ω, w instalacji 12 V, przy pomiarze natężenia prądu powinien wskazać
A. 24 A
B. 6 A
C. 36 A
D. 12 A
MOT.06 Pytanie 2039
Organizacja i prowadzenie pro…
Co zawiera dokumentacja konstrukcyjna?
A. normy czasu realizacji
B. wykaz wszystkich operacji w procesie technologicznym
C. rysunki złożeniowe komponentów i zespołów
D. wymagania techniczne dotyczące naprawy
Obsługa, diagnozowanie oraz n…
Wartość napięcia na zaciskach akumulatora przy uruchomionym silniku na biegu jałowym powinna wynosić około
A. 14,4 V
B. 12,0 V
C. 12,6 V
D. 13,4 V