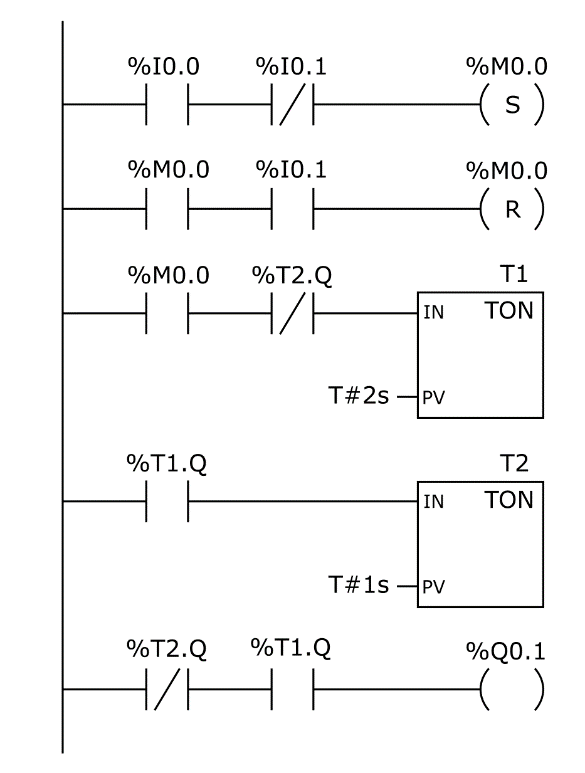
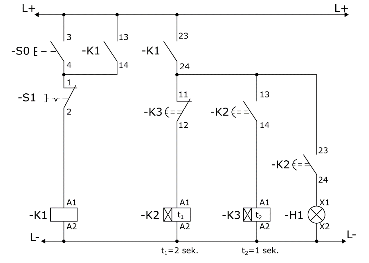
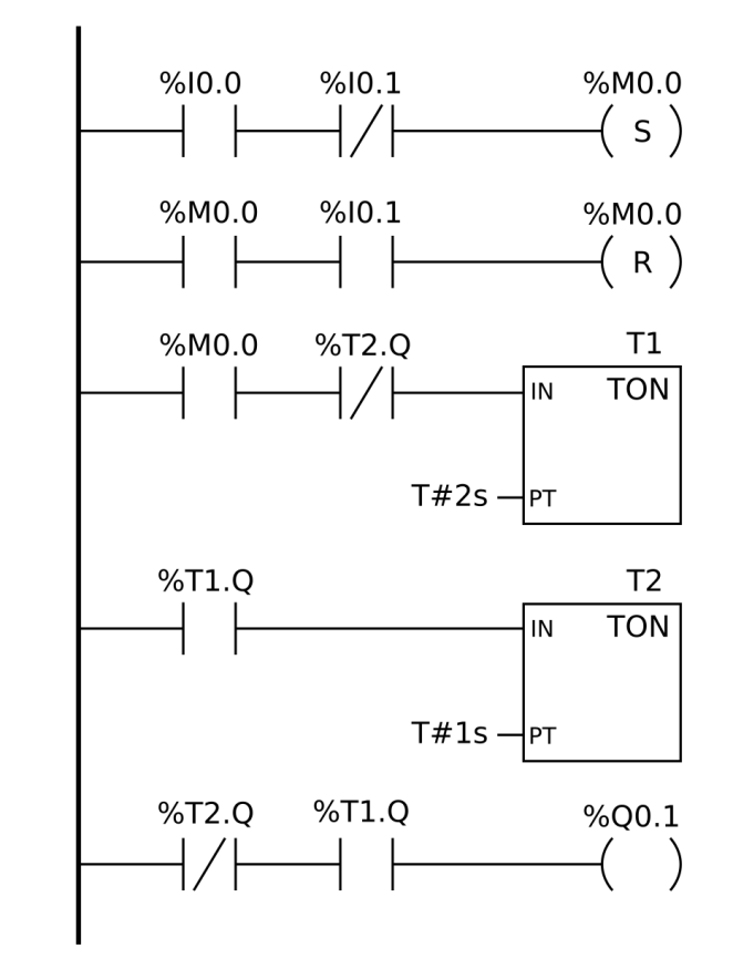
Którą z wymienionych korekt należy wprowadzić w układzie, aby sygnalizator H1 sygnalizujący pracę układu migał z częstotliwością 0,5 Hz?




| Rodzaj regulatora | Człon proporcjonalny | Człon całkujący | Człon różniczkujący |
|---|---|---|---|
| parametr KP | parametr TI | parametr TD | |
| PID | 0,60•Kkr | 0,50•Tosc | 0,12•Tosc |

| Rodzaj regulatora | Człon proporcjonalny | Człon całkujący | Człon różniczkujący |
|---|---|---|---|
| parametr KP | parametr TI | parametr TD | |
| PID | 0,60•Kkr | 0,50•Tosc | 0,12•Tosc |







| Tabela 7. Numeracja i opis listew zaciskowych regulatora | |
|---|---|
| Numery zacisków | Opis |
| 1-2-3 | Wejście Pt100 (2 i 3-przewodowe) |
| 2-3 | Wejście termoelektryczne TC (J, K, S, B, R, T, E, N) |
| 2-3-4 | Wejście dla cyfrowych sond temperatury AR182, AR183 |
| 5-6 | Wejście binarne (stykowe lub napięciowe < 24 V) |
| 12-13 | Wejście zasilania |
| 14-15-16 | Wyjście przekaźnika P1 lub sterowanie SSR1 (tranzystorowe NPN OC) |



