Filtrowanie pytań
Eksploatacja układów automaty…
A. sprawdzenie prawidłowego usytuowania elementów wykonawczych.
B. pomiar wielkości procesowych.
C. sprawdzenie mocowania aparatury pomiarowej.
D. kontrola dostępności do wyłączników awaryjnych.
ELM.04 Pytanie 2
Eksploatacja układów automaty…
W jakiej kolejności należy wykonać wymienione w tabeli działania naprawcze mające na celu usunięcie usterek w systemie sterowania, w którym użyto sterownik PLC?
| Nr czynności | Działania naprawcze / czynności |
|---|---|
| 1 | Przygotowanie przewodów elektrycznych i wykonanie połączeń elementów I/O ze sterownikiem. |
| 2 | Usunięcie uszkodzonych połączeń między elementami I/O a sterownikiem. |
| 3 | Sprawdzenie poprawności wykonania nowych połączeń elementów I/O ze sterownikiem. |
| 4 | Interpretacja otrzymanych przed naprawą wyników pomiarów rezystancji połączeń elementów I/O ze sterownikiem |
A. 1-2-3-4
B. 2-4-1-3
C. 4-2-1-3
D. 3-4-2-1
Eksploatacja układów automaty…
Na podstawie danych znamionowych prądnicy tachometrycznej określ, jaką wartość napięcia będzie wskazywał woltomierz na wyjściu prądnicy, jeżeli jej wirnik obraca się z prędkością 2400 obr/min.
| Dane znamionowe prądnicy tachometrycznej PZTK 51-18 | |
|---|---|
| kU = 12,5 V/1000 obr/min | |
| Robw min = 5 kΩ | |
| nmax = 8000 obr/min | |
A. 30 V
B. 18,5 V
C. 5 V
D. 12,5 V
Eksploatacja układów automaty…
W dokumentacji techniczno-ruchowej producent umieścił charakterystykę trwałości łączeniowej w funkcji prądu obciążenia przekaźnika czasowego. Wynika z niej, że

A. dla prądów łączeniowych wynoszących około 3 A, liczba łączeń będzie na poziomie 200 000.
B. liczba możliwych łączeń rośnie wykładniczo wraz ze wzrostem prądu łączeniowego.
C. im większy prąd łączeniowy, tym większa liczba łączeń, jaką może zrealizować przekaźnik.
D. dla prądów łączeniowych wynoszących około 6 A liczba łączeń będzie bliska 0.
Eksploatacja układów automaty…
Dla trzech czujników PT100, PT1000 i Ni100 wykonano sprawdzające pomiary rezystancji w różnych temperaturach. Które czujniki są uszkodzone?
| Temperatura °C | Rezystancja sprawdzanego rodzaju czujnika temperatury | ||
|---|---|---|---|
| Pt100 Ω | Pt1000 Ω | Ni100 Ω | |
| -20 | 92,13 | 870,14 | 100,00 |
| 0 | 100,00 | 981,00 | 114,21 |
| 60 | 123,24 | 1000,00 | 123,50 |
A. Pt100 i Ni100
B. Pt1000 i Ni100
C. Pt100 i Pt1000 i Ni 100
D. Pt100 i Pt1000
Eksploatacja układów automaty…
Czujnik indukcyjny zbliżeniowy był ustawiony w odległości 15 mm od zliczanych na taśmie elementów stalowych. O jaką minimalną odległość należy przybliżyć czujnik, aby skutecznie wykrywał elementy wykonane z miedzi?
| Rodzaj materiału | Strefa działania mm |
|---|---|
| Stal | 0 ÷ 16 |
| Chromomolibdelina | 0 ÷ 15 |
| Mosiądz | 0 ÷ 9 |
| Miedź | 0 ÷ 6 |
| Aluminium | 0 ÷ 8 |
A. 3 mm
B. 5 mm
C. 7 mm
D. 9 mm
Eksploatacja układów automaty…
Przetwornik pomiarowy C/A 12-bitowy o sygnale wyjściowym z zakresu 0÷10 V posiada dla pełnej skali tego sygnału rozdzielczość bezwzględną równą
A. 12,8 mV
B. 10 mV ± 0,15 mV
C. 2,44 mV
D. ±15 mV
Eksploatacja układów automaty…
Przetwornik pomiarowy C/A 10-bitowy o sygnale wyjściowym z zakresu 0÷20 mA posiada dla pełnej skali tego sygnału rozdzielczość bezwzględną równą
A. 4,88 μA
B. 12,8 μV
C. 19,5 μA
D. 2,44 μV
ELM.04 Pytanie 9
Eksploatacja układów automaty…
Który rysunek przedstawia przyrząd do pomiaru różnicy ciśnień?
A. Rysunek 3.

B. Rysunek 2.

C. Rysunek 4.

D. Rysunek 1.

ELM.04 Pytanie 10
Eksploatacja układów automaty…
Którą z wymienionych czynności wykonuje pracownik na przedstawionej ilustracji?

A. Mierzy napięcie na wyjściach cyfrowych sterownika PLC.
B. Dokonuje pomiaru natężenia sygnału w sieci bezprzewodowej.
C. Dokonuje kontroli sprawności elementów i połączeń w instalacji automatyki
D. Określa nastawy zabezpieczeń przepięciowych instalacji zasilającej.
Eksploatacja układów automaty…
Która z wymienionych metod pomiarowych pozwoli na wyznaczenie parametru przepływu cieczy, nie powodując spadku ciśnienia w instalacji?
A. Z wykorzystaniem elementów wirujących.
B. Z wykorzystaniem rurek spiętrzających.
C. Ultradźwiękowa.
D. Zwężkowa.
ELM.04 Pytanie 12
Eksploatacja układów automaty…
Podczas wykonywania diagnostyki elektronicznego przetwornika ciśnienia stwierdzono brak prądowego sygnału wyjściowego w zakresie pomiarowym 4 ÷ 20 mA. Wskaż, na podstawie Tabeli usterek, możliwą przyczynę nieprawidłowego działania przetwornika.
| Tabela usterek przetwornika p/I | ||
|---|---|---|
| Objawy | Przyczyny | Działania |
| Brak sygnału 4÷20 mA | Nieprawidłowe podłączenie zasilania |
|
| Brak zasilania |
| |
| Napięcie robocze zbyt niskie lub rezystancja obciążenia zbyt wysoka |
| |
| Sygnał 4÷20 mA niestabilny | Fluktuacje poziomu |
|
| Brak kompensacji ciśnienia |
| |
| Sygnał prądowy przekracza 22 mA lub jest poniżej 3,6 mA | Wadliwy moduł elektroniczny lub komora pomiarowa |
|

A. Wadliwy moduł elektroniczny.
B. Zbyt wysoka rezystancja obciążenia.
C. Brak kompensacji ciśnienia atmosferycznego.
D. Fluktuacje poziomu.
ELM.04 Pytanie 13
Eksploatacja układów automaty…
Stan techniczny którego z czujników wskazuje na jego uszkodzenie, jeżeli wszystkie pracują w pętli prądowej 4 - 20 mA, a stan techniczny połączeń między czujnikami a sterownikiem jest prawidłowy?
| Symbol czujnika w instalacji | Wartości prądu w pętli prądowej [mA] dla wielkości wejściowej | |
|---|---|---|
| minimalnej | maksymalnej | |
| B1 | 4,2 | 21,3 |
| B2 | 4,1 | 19,9 |
| B3 | 0,9 | 20,0 |
A. Tylko B2.
B. B2 i B3.
C. Tylko B1.
D. B1 i B3.
ELM.04 Pytanie 14
Eksploatacja układów automaty…
W jakiej kolejności należy wykonać wymienione w tabeli działania naprawcze mające na celu usunięcie usterek w systemie sterowania, w którym użyto sterownika PLC?
| Nr czynności | Czynność w działaniu naprawczym |
|---|---|
| 1 | Identyfikacja na podstawie pomiarów, wadliwych połączeń elementów I/O ze sterownikiem |
| 2 | Przygotowanie przewodów elektrycznych i wykonanie połączeń elementów I/O ze sterownikiem. |
| 3 | Usunięcie uszkodzonych połączeń między elementami I/O a sterownikiem. |
| 4 | Sprawdzenie poprawności wykonania nowych połączeń elementów I/O ze sterownikiem. |
| 5 | Pomiar rezystancji połączeń elektrycznych elementów I/O ze sterownikiem. |
A. 3-1-5-2-4
B. 1-2-3-4-5
C. 4-5-3-2-1
D. 5-1-3-2-4
Eksploatacja układów automaty…
Który rysunek przedstawia układ pomiarowy sygnału wyjściowego termopary?
A. Rysunek 4.

B. Rysunek 2.

C. Rysunek 3.

D. Rysunek 1.

ELM.04 Pytanie 16
Eksploatacja układów automaty…
Która z podanych metod pomiarowych umożliwia pomiar prędkości przepływu cieczy w rurociągu bez powodowania spadku ciśnienia?
A. Zwiężkowa.
B. Ultradźwiękowa.
C. Anemometryczna.
D. Spiętrzająca.
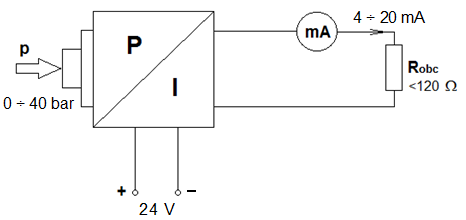
Eksploatacja układów automaty…
Która wielkość procesowa jest regulowana w układzie przedstawionym na rysunku?

A. Ciśnienie.
B. Strumień objętości.
C. Lepkość względna.
D. Temperatura.
Eksploatacja układów automaty…
Czujnik indukcyjny zbliżeniowy o strefie działania 15 mm dla stali miękkiej jest ustawiony w odległości 12 mm od elementów wykonanych z tej stali i zliczanych na taśmie produkcyjnej. O jaką minimalną odległość należy przybliżyć czujnik, aby skutecznie wykrywał elementy wykonane z mosiądzu?
| Rodzaj materiału | Współczynnik korekcji |
|---|---|
| Stal miękka | 1,0 |
| Stal nierdzewna | 0,7 |
| Mosiądz | 0,4 |
| Miedź | 0,2 |
| Aluminium | 0,3 |
A. 2 mm
B. 3 mm
C. 6 mm
D. 4 mm
Eksploatacja układów automaty…
Wskaż, na podstawie przedstawionej tabliczki silnika indukcyjnego klatkowego, znamionowe wartości napięcia i prądu, jeśli uzwojenia silnika skojarzone są w trójkąt a częstotliwość napięcia zasilania wynosi 50 Hz.

A. 400 V, 3,45 A
B. 230 V, 5,97 A
C. 265 V, 5,97 A
D. 460 V, 3,45 A
Eksploatacja układów automaty…
W dokumentacji technicznej przetwornika różnicy ciśnień, zobrazowano jeden z jego wariantów pracy w instalacji automatyki. Przedstawia on możliwość wykorzystania przetwornika do bezpośredniego pomiaru

A. temperatury przepływającej cieczy.
B. gęstości przepływającej cieczy.
C. strumienia objętościowego cieczy.
D. lepkości przepływającej cieczy.
Eksploatacja układów automaty…
Ile wynosi natężenie prądu przepływającego przez grzałkę pieca kalibracyjnego o mocy P=10 kW, której rezystancja wynosi R=100 Ω?
A. 1 A
B. 1000 A
C. 10 A
D. 100 A
ELM.04 Pytanie 22
Eksploatacja układów automaty…
Parametry przedstawione w tabeli dotyczą
| Stopień ochrony | IP65, IP67 | Parametr do wyboru |
| Średnica wałka | Ø6, Ø 10 mm | Parametr do wyboru |
| Typ wyjścia/zasilanie | TTL– RS422/5…30 VDC, HTL– Push-pull / 5…30 VDC, NPN – Open collector / 5…30 VDC | Parametr do wyboru |
| Typ połączenia | Konektor M12 8-pin (osiowo lub promieniowo) Kabel 1 m (osiowo lub promieniowo) | Parametr do wyboru |
| Liczba impulsów | 1, 2, 4, 5, 10, 12, 20, 25, 28, 30, 32, 36, 50, 60, 64, 80, 100, 120, 125, 150, 180, 200, 240, 250, 300, 360, 400, 500, 600, 720, 800, 900, 1000, 1200, 1500, 1800, 2000, 2500, 3000, 4000, 5000 imp./obr. | Parametr do wyboru |
| Temperatura pracy | – 40…+ 85 °C | – |
| Częstotliwość impulsów | Max. 300 kHz | – |
| Kanały wyjściowe | A, B, Z/A/B/Z | – |
A. zasilacza impulsowego.
B. czujnika temperatury.
C. enkodera cyfrowego.
D. silnika liniowego.
ELM.04 Pytanie 23
Eksploatacja układów automaty…
Podczas wykonywania diagnostyki elektronicznego przetwornika ciśnienia stwierdzono niestabilność jego prądowego sygnału wyjściowego w zakresie pomiarowym 4 ÷ 20 mA. Wskaż, na podstawie Tabeli usterek, możliwą przyczynę nieprawidłowego działania przetwornika.
| Tabela usterek przetwornika p/I | ||
|---|---|---|
| Objawy | Przyczyny | Działania |
| Brak sygnału 4÷20 mA | Nieprawidłowe podłączenie zasilania |
|
| Brak zasilania |
| |
| Napięcie robocze zbyt niskie lub rezystancja obciążenia zbyt wysoka |
| |
| Sygnał 4÷20 mA niestabilny | Fluktuacje poziomu |
|
| Brak kompensacji ciśnienia |
| |
| Sygnał prądowy przekracza 22 mA lub jest poniżej 3,6 mA | Wadliwy moduł elektroniczny lub komora pomiarowa |
|

A. Wadliwy moduł elektroniczny.
B. Nieprawidłowe podłączenie zasilania.
C. Brak kompensacji ciśnienia atmosferycznego.
D. Brak zasilania.
Eksploatacja układów automaty…
Miernik przedstawiony na rysunku służy do pomiaru parametrów w instalacji

A. hydraulicznej.
B. wentylacyjnej.
C. komunikacyjnej.
D. elektrycznej.
Eksploatacja układów automaty…
Który z wymienionych czujników pomiarowych umożliwi pomiar temperatury, podając bezpośrednio na swoim wyjściu wartość napięcia odpowiadającą wartości mierzonej wielkości?
A. Czujnik Ni1000
B. Czujnik typu J
C. Czujnik PTC
D. Czujnik Pt100
ELM.04 Pytanie 26
Eksploatacja układów automaty…
W tabeli przedstawiono wyniki pomiarów rezystancji uzwojeń i rezystancji izolacji silnika trójfazowego pompy hydraulicznej wykonane podczas jego przeglądu. Wyniki tych pomiarów wskazują na
| Wyniki pomiarów | ||
|---|---|---|
| Pomiar między zaciskami silnika | Wynik | |
| U1-U2 | 22 Ω | |
| V1-V2 | 21,5 Ω | |
| W1-W2 | 22,2 Ω | |
| U1-V1 | ∞ | |
| V1-W1 | ∞ | |
| U1-W1 | ∞ | |
| U1-PE | 52 MΩ | |
| V1-PE | 49 MΩ | |
| W1-PE | 30 Ω | |
A. zwarcie między uzwojeniem W1-W2, a obudową silnika.
B. przerwę w uzwojeniu V1-V2.
C. zwarcie między uzwojeniami U1-U2 oraz W1-W2.
D. przerwę w uzwojeniu U1-U2.
Eksploatacja układów automaty…
Do sterowania prędkością obrotową silnika prądu stałego zastosowano metodę modulacji szerokości impulsu. Pomiar wszystkich parametrów tego impulsu należy wykonać
A. mostkiem RLC.
B. multimetrem cyfrowym.
C. oscyloskopem elektronicznym.
D. reflektometrem cyfrowym.
Eksploatacja układów automaty…
Z przedstawionego fragmentu dokumentacji technicznej regulatora cyfrowego wynika, że czujniki termoelektryczne powinny zostać podłączone do zacisków o numerach

A. 2, 3
B. 4, 5, 6
C. 14, 15, 16
D. 5, 6
Eksploatacja układów automaty…
Do pomiaru zdalnego w instalacji automatyki użyto miernika z wyjściem pracującym w pętli prądowej 0 - 20 mA, którego parametry techniczne przedstawia tabela. Wynika z niej, że mierzoną w instalacji wielkością jest
| Nazwa parametru | Wartości parametrów |
|---|---|
| Zakres | 0 ÷ 100 % RH |
| Rozdzielczość | 0,1 % RH |
| Dokładność (± 1 cyfra) | 10 ÷ 90 % RH ±2 % poza tym zakresem ±4 % |
| Czas reakcji czujnika RH t90 | < 10 s |
| Histereza | < 1 % RH |
| Dryft długoterminowy | 0,5 % RH / rok |
| Parametry przekaźników | 2A/250VAC/30VDC |
| Klasa izolacji | wg PN-83/T-06500 |
| Zakłócenia radioelektryczne | poziom N |
| Zasilanie | zasilacz 12 V / 100 mA |
| Masa | 180 g |
| Wymiary (mm) | L=149, W=82, H=22 |
A. temperatura.
B. wilgotność.
C. ciśnienie.
D. stężenie pH.
Eksploatacja układów automaty…
Którego przyrządu pomiarowego należy użyć do pomiaru sygnału wyjściowego mostka tensometrycznego przedstawionego na rysunku?

A. Omomierza.
B. Watomierza.
C. Amperomierza.
D. Woltomierza.
ELM.04 Pytanie 31
Eksploatacja układów automaty…
Przycisk TEST urządzenia przedstawionego na rysunku umożliwia sprawdzenie

A. kolejności faz zasilających.
B. znamionowego prądu obciążenia odbiornika.
C. poprawności działania części różnicowej wyłącznika.
D. skuteczności podłączenia przewodu ochronnego.
Eksploatacja układów automaty…
Miernik przedstawiony na rysunku służy do pomiaru parametrów w instalacji

A. elektrochemicznej.
B. hydraulicznej.
C. elektrycznej.
D. wentylacyjnej.
Eksploatacja układów automaty…
Z przedstawionego fragmentu dokumentacji technicznej wynika, że wyznaczenie wartości przepływu w przypadku użycia tego przetwornika polega na pomiarze

A. prędkości obrotowej wiatraczka anemometru.
B. lepkości przepływającej cieczy.
C. różnicy ciśnień na kryzie.
D. temperatury przepływającego gazu.
Eksploatacja układów automaty…
Którą z wymienionych czynności wykonuje pracownik na przedstawionym zdjęciu?

A. Dokonuje pomiaru ciśnienia w gałęzi obwodu pneumatycznego.
B. Mierzy przepływ płynów w gałęzi obwodu hydraulicznego.
C. Wyszukuje miejsca uszkodzenia instalacji elektrycznej.
D. Wykrywa nieszczelności w instalacji sprężonego powietrza.
Eksploatacja układów automaty…
Do wejścia przetwornika pomiarowego R/I podłączono czujnik Pt1000. Który z wymienionych mierników umożliwi bezpośredni pomiar kontrolny sygnału wyjściowego z tego przetwornika?
A. Omomierz.
B. Watomierz.
C. Amperomierz.
D. Woltomierz.
ELM.04 Pytanie 36
Eksploatacja układów automaty…
Z przytoczonego fragmentu dokumentacji technicznej regulatora cyfrowego wynika, że czujniki termoelektryczne powinny zostać podłączone do zacisków o numerach

A. 5 i 6.
B. 1, 2, 3.
C. 2 i 3.
D. 2, 3, 4.
Eksploatacja układów automaty…
Który przyrząd powinien być użyty w celu dokładnego pomiaru rezystancji z przedziału od 109 do 1010 Ω?
A. Mostek Thomsona.
B. Mostek Wiena.
C. Galwanometr.
D. Gigaomomierz.
Eksploatacja układów automaty…
W instalacji do kontroli przepływu zastosowano pomiar różnicy ciśnienia na kryzie. Który z przedstawionych rysunków obrazuje zastosowaną metodę pomiarową?
A. Rysunek 3

B. Rysunek 2

C. Rysunek 1

D. Rysunek 4

Eksploatacja układów automaty…
Który z wymienionych mierników przeznaczony jest do bezpośredniego pomiaru sygnału wyjściowego czujnika termoelektrycznego?
A. Miliamperomierz.
B. Miliwoltomierz.
C. Watomierz.
D. Omomierz.
Eksploatacja układów automaty…
Na podstawie przedstawionych danych znamionowych określ, jaka wartość napięcia jest na wyjściu prądnicy, jeżeli jej wirnik obraca się z prędkością 2400 obr/min.
| Dane znamionowe prądnicy tachometrycznej | |
| kU = 15 V/1000 obr/min | |
| Rob. min = 5 kΩ | |
| nmax = 8000 obr/min |
A. 24 V
B. 15 V
C. 36 V
D. 42 V