Filtrowanie pytań
Eksploatacja układów automaty…
A. sprawdzenie mocowania aparatury pomiarowej.
B. pomiar wielkości procesowych.
C. kontrola dostępności do wyłączników awaryjnych.
D. sprawdzenie prawidłowego usytuowania elementów wykonawczych.
ELM.04 Pytanie 2
Eksploatacja układów automaty…
W jakiej kolejności należy wykonać wymienione w tabeli działania naprawcze mające na celu usunięcie usterek w systemie sterowania, w którym użyto sterownik PLC?
| Nr czynności | Działania naprawcze / czynności |
|---|---|
| 1 | Przygotowanie przewodów elektrycznych i wykonanie połączeń elementów I/O ze sterownikiem. |
| 2 | Usunięcie uszkodzonych połączeń między elementami I/O a sterownikiem. |
| 3 | Sprawdzenie poprawności wykonania nowych połączeń elementów I/O ze sterownikiem. |
| 4 | Interpretacja otrzymanych przed naprawą wyników pomiarów rezystancji połączeń elementów I/O ze sterownikiem |
A. 1-2-3-4
B. 4-2-1-3
C. 3-4-2-1
D. 2-4-1-3
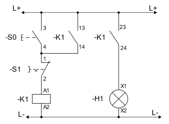
Eksploatacja układów automaty…
W układzie przedstawionym na rysunku, wciśnięcie przycisku S0 powoduje zapalenie się lampki sygnalizacyjnej H1, natomiast z chwilą wciśnięcia przycisku S1 lampka H1 nie gaśnie. Jedną z przyczyn wadliwego działania układu może być uszkodzenie

A. zestyku -S1:1-2.
B. lampki -H1.
C. zestyku -S0:3-4.
D. cewki -K1.
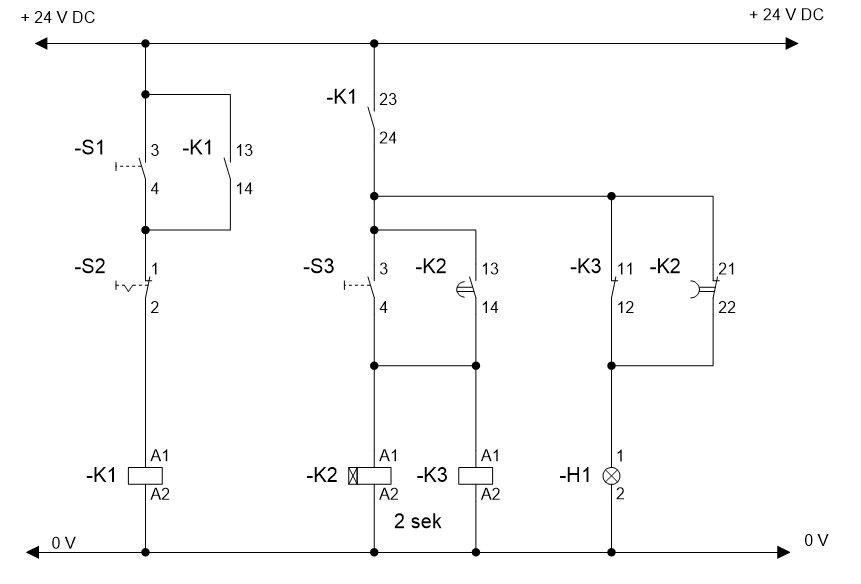
Eksploatacja układów automaty…
W układzie sterowania przedstawionym na rysunku, cewki przekaźników K2 i K3 nie zostały aktywowane, lampka H1 nie świeci, mimo iż jednocześnie naciśnięto sprawne technicznie przyciski S1 i S3. Taki objaw między innymi może wskazywać na uszkodzenie zestyku przekaźnika

A. -K1:23-24.
B. -K3:11-12.
C. -K1:13-14.
D. -K2:13-14.
Eksploatacja układów automaty…
Którego narzędzia należy użyć w celu zaciśnięcia na przewodzie elektrycznym przedstawionej na rysunku końcówki oczkowej?

A. Klucza płaskiego.
B. Szczypiec bocznych.
C. Wkrętaka dynamometrycznego.
D. Praski ręcznej.
Eksploatacja układów automaty…
W układzie sterowania przedstawionym na rysunku lampka H1 użyta do kontroli prawidłowości uruchomienia przekaźnika K2 nie zgasła, mimo że naciśnięto przycisk S1 oraz S3. Wskazywać to może na zły stan techniczny

A. przekaźnika -K2 lub -K3.
B. zestyku przekaźnika -K1:13-14.
C. przekaźnika -K1 i -K3.
D. zestyku przekaźnika -K1:23-24.
Eksploatacja układów automaty…
Jak często należy przeprowadzać kontrolę chłodnicy sprężonego powietrza na podstawie harmonogramu czynności serwisowych przedstawionych w tabeli?
| Harmonogram czynności serwisowych instalacji pneumatycznej (fragment) | ||
|---|---|---|
| Lp. | Czynność serwisowa | Okres wykonywania |
| 1. | Sprawdzanie temperatury pracy | Codziennie |
| 2. | Kontrola przewodu zasilającego | Codziennie |
| 3. | Sprawdzanie podciśnienia generowanego przez sprężarkę | Raz na 3 miesiące |
| 4. | Kontrola obiegu oleju w sprężarce | Raz na 3 miesiące |
| 5. | Sprawdzanie szczelności zaworów | Co 6 miesięcy |
| 6. | Kontrola działania zaworów bezpieczeństwa | Co 6 miesięcy |
| 7. | Kontrola ustawień zabezpieczenia przeciążeniowego silnika sprężarki | Co 6 miesięcy |
| 8. | Sprawdzanie rurociągu, skraplacza, części chłodniczych | Raz na rok |
| 9. | Sprawdzanie łączników i bezpieczników | Raz na rok |
A. Raz na rok.
B. Codziennie.
C. Co 6 miesięcy.
D. Raz na 3 miesiące.
Eksploatacja układów automaty…
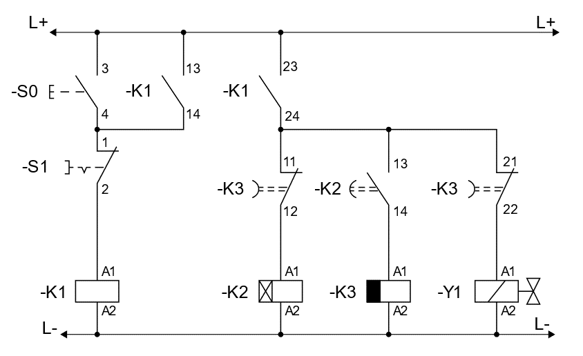
Układ sterowania po naciśnięciu przycisku S0 powinien cyklicznie włączać/wyłączać cewkę elektrozaworu Y1 w odstępach 30 sekundowych. Jedną z możliwych przyczyn niewyłączenia cewki Y1 po 30 sekundach od naciśnięcia przycisku S0 jest uszkodzenie

A. zestyk -K3:21-22
B. cewki -K1
C. zestyk -K1:13-14
D. przycisku -S1
Eksploatacja układów automaty…
Którą czynność naprawczą w instalacji automatyki można wykonać dzięki zestawowi narzędzi przedstawionemu na rysunku?

A. Spawanie.
B. Klejenie.
C. Lutowanie.
D. Nitowanie.
ELM.04 Pytanie 10
Eksploatacja układów automaty…
Podczas wykonywania diagnostyki elektronicznego przetwornika ciśnienia stwierdzono brak prądowego sygnału wyjściowego w zakresie pomiarowym 4 ÷ 20 mA. Wskaż, na podstawie Tabeli usterek, możliwą przyczynę nieprawidłowego działania przetwornika.
| Tabela usterek przetwornika p/I | ||
|---|---|---|
| Objawy | Przyczyny | Działania |
| Brak sygnału 4÷20 mA | Nieprawidłowe podłączenie zasilania |
|
| Brak zasilania |
| |
| Napięcie robocze zbyt niskie lub rezystancja obciążenia zbyt wysoka |
| |
| Sygnał 4÷20 mA niestabilny | Fluktuacje poziomu |
|
| Brak kompensacji ciśnienia |
| |
| Sygnał prądowy przekracza 22 mA lub jest poniżej 3,6 mA | Wadliwy moduł elektroniczny lub komora pomiarowa |
|

A. Zbyt wysoka rezystancja obciążenia.
B. Wadliwy moduł elektroniczny.
C. Fluktuacje poziomu.
D. Brak kompensacji ciśnienia atmosferycznego.
Eksploatacja układów automaty…
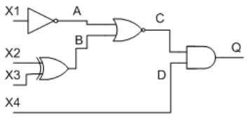
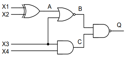
W układzie, którego schemat pokazano na rysunku, zmierzono poziom napięć na wejściach i wyjściach bramek logicznych. Wyniki pomiarów zapisano w tabeli. Która bramka logiczna jest uszkodzona?
| Pomiar punktu | Stan logiczny |
|---|---|
| X1 | wysoki |
| X2 | wysoki |
| X3 | wysoki |
| X4 | niski |
| A | niski |
| B | niski |
| C | wysoki |
| D | niski |
| Q | wysoki |

A. NOT
B. NOR
C. AND
D. XOR
Eksploatacja układów automaty…
Układ sterowania po naciśnięciu przycisku S0 powinien cyklicznie włączać/wyłączać w odstępach 30 sekundowych cewkę elektrozaworu Y1. Jedną z możliwych przyczyn niewyłączenia się cewki Y1 po 30 sekundach od naciśnięcia przycisku S0 może być uszkodzenie

A. cewki -K1.
B. zestyku -K3:21-22.
C. zestyku -K1:13-14.
D. przycisku -S1.
ELM.04 Pytanie 13
Eksploatacja układów automaty…
W jakiej kolejności należy wykonać wymienione w tabeli działania naprawcze mające na celu usunięcie usterek w systemie sterowania, w którym użyto sterownika PLC?
| Nr czynności | Czynność w działaniu naprawczym |
|---|---|
| 1 | Identyfikacja na podstawie pomiarów, wadliwych połączeń elementów I/O ze sterownikiem |
| 2 | Przygotowanie przewodów elektrycznych i wykonanie połączeń elementów I/O ze sterownikiem. |
| 3 | Usunięcie uszkodzonych połączeń między elementami I/O a sterownikiem. |
| 4 | Sprawdzenie poprawności wykonania nowych połączeń elementów I/O ze sterownikiem. |
| 5 | Pomiar rezystancji połączeń elektrycznych elementów I/O ze sterownikiem. |
A. 4-5-3-2-1
B. 3-1-5-2-4
C. 1-2-3-4-5
D. 5-1-3-2-4
Eksploatacja układów automaty…
Dla których napędów silosów w kolumnie Ocena stanu technicznego należy wpisać ocenę A, odpowiadającą dobremu stanowi technicznemu?

A. Wszystkim trzem napędom silosów
B. Silo1-M01 – 22kW oraz Silo2-M02 – 22kW
C. Tylko Silo1-M01 – 22kW
D. Tylko Silo2-M02 – 22kW
Eksploatacja układów automaty…
W której kolejności należy wykonać wymienione w tabeli działania mające na celu sprawdzenie działania systemu sterowania, w którym użyto sterownika PLC?
| Nr czynności | Czynności |
|---|---|
| 1 | Zaprogramowanie sterownika PLC |
| 2 | Symulacja programowa działania programu |
| 3 | Uruchomienie testowe w układzie rzeczywistym. |
| 4 | Uruchomienie testowe z wykorzystaniem stanowiska symulacyjnego. |
A. 1-2-4-3
B. 1-3-2-4
C. 1-4-2-3
D. 1-2-3-4
Eksploatacja układów automaty…
W układzie, którego schemat pokazano na rysunku, sprawdzono testerem stany logiczne na wejściach i wyjściach bramek, wyniki podano w tabeli. Z podanych stanów wynika, że uszkodzona jest bramka logiczna
| Sygnał | Stan logiczny |
|---|---|
| X1 | 1 |
| X2 | 0 |
| X3 | 0 |
| X4 | 1 |
| A | 1 |
| B | 0 |
| C | 0 |
| Q | 1 |

A. Ex-OR
B. NAND
C. AND
D. NOR
Eksploatacja układów automaty…
Których narzędzi należy użyć podczas usuwania usterek występujących w połączeniach elektrycznych w systemie sterowania przekaźnikowo-stycznikowego?
A.

B.

C.

D.

Eksploatacja układów automaty…
Z informacji zapisanej w DTR sterownika PLC w rozdziale „Konserwacja” wynika, że jednym z działań, których nie należy podejmować w ramach konserwacji sterownika, jest
| Rozdział 8. Konserwacja jednostki PLC. (fragment) |
|---|
| „Jednostka PLC nie posiada żadnych części, które mogłyby być serwisowane przez użytkownika. Wszystkie czynności mogą być przeprowadzone tylko przez profesjonalny personel. W przypadku wystąpienia usterki, należy najpierw spróbować ustalić przyczynę posługując się kodami błędów, które zostały opisane w dokumentacji oraz przeprowadzić konserwację całej jednostki na poziomie płyty. Jeżeli jednostka nadal nie będzie działać, należy przekazać ją lokalnemu dystrybutorowi". |
A. korekta połączeń elektrycznych między zasilaczem a sterownikiem.
B. przeprowadzenie testu uruchomieniowego jednostki.
C. wymiana przekaźnika w niedziałającym wyjściu sterownika.
D. sprawdzenie mocowania sterownika na szynie TH35.
Eksploatacja układów automaty…
W układzie elektropneumatycznym przedstawionym na rysunku po wciśnięciu przycisku S0 tłoczysko siłownika 1A1 wysuwa się, natomiast nie wraca, mimo iż przekaźnik czasowy K2 odliczył czas 10 sekund. Powodem wadliwej pracy układu może być usterka polegająca na

A. nieciągłości połączenia -Y2:A2/L-.
B. niesprawności czujnika B1.
C. nieciągłości połączenia -Y1:A2/L-.
D. niesprawności czujnika B2.
Eksploatacja układów automaty…
Podczas kontroli działania podgrzewacza technologicznego, którego schemat przedstawia rysunek, zanotowano w tabeli wskazania manometrów oraz ocenę ich wskazań.
| Lp. | Symbol | Mierzone ciśnienie | Wskazywana wartość ciśnienia | Ocena wskazań |
|---|---|---|---|---|
| 1. | PI 12 | ciśnienie w zbiorniku wymiennika | 0,8 MPa | Prawidłowa wartość |
| 2. | PI 11 | ciśnienie w układzie zasilania podgrzewacza | 0,0 MPa | Nieprawidłowa wartość |
Tak opisany stan techniczny układu wskazuje na

A. powstanie nieszczelności w zbiorniku podgrzewacza.
B. powstanie nieszczelności w wężownicy wymiennika ciepła.
C. brak sygnału otwarcia zaworu ręcznego dopływu zimnego roztworu soku.
D. zamknięcie zaworu ręcznego dopływu zimnego roztworu soku.
Eksploatacja układów automaty…
Jakiego rodzaju działań naprawczych nie wykonuje się w przypadku elektropneumatycznych układów sterowania?
A. Usuwania nieszczelności.
B. Naprawy połączeń elektrycznych.
C. Kontroli przecieków.
D. Sprawdzenia połączeń pneumatycznych.
Eksploatacja układów automaty…
W układzie elektropneumatycznym przedstawionym na rysunkach nie dochodzi do załączenia cewki K2 przekaźnika czasowego pomimo maksymalnego wysunięcia tłoczyska siłownika 1A1 i sprawnych wszystkich elementów elektrycznych. Przyczyną powstałej usterki w działaniu układu może być

A. zbyt niskie ciśnienie robocze w układzie.
B. całkowite otwarcie zaworu 1V2.
C. brak napięcia zasilania układu elektropneumatycznego.
D. błędne/niewłaściwe umiejscowienie czujnika B2.
Eksploatacja układów automaty…
W oparciu o informację zapisaną w przedstawionym fragmencie dokumentacji sterownika PLC jednym z działań, których nie należy podejmować w ramach konserwacji sterownika jest
| Rozdział 8. Konserwacja jednostki PLC. (fragment) |
| „Jednostka PLC nie posiada żadnych części, które mogłyby być serwisowane przez użytkownika. Wszystkie czynności naprawcze mogą być przeprowadzone tylko przez profesjonalny personel. W przypadku wystąpienia usterki, należy najpierw spróbować ustalić przyczynę posługując się kodami błędów, które zostały opisane w dokumentacji oraz przeprowadzić konserwację sterownika PLC. Jeżeli sterownik PLC nadal nie będzie działał, należy przekazać go do lokalnego serwisu producenta." |
A. przeprowadzenie testu uruchomieniowego jednostki.
B. sprawdzenie mocowania sterownika na szynie TH35.
C. wymiana przekaźnika w niedziałającym wyjściu sterownika.
D. poprawa jakości połączeń elektrycznych między zasilaczem a sterownikiem.
ELM.04 Pytanie 24
Eksploatacja układów automaty…
Podczas wykonywania diagnostyki elektronicznego przetwornika ciśnienia stwierdzono niestabilność jego prądowego sygnału wyjściowego w zakresie pomiarowym 4 ÷ 20 mA. Wskaż, na podstawie Tabeli usterek, możliwą przyczynę nieprawidłowego działania przetwornika.
| Tabela usterek przetwornika p/I | ||
|---|---|---|
| Objawy | Przyczyny | Działania |
| Brak sygnału 4÷20 mA | Nieprawidłowe podłączenie zasilania |
|
| Brak zasilania |
| |
| Napięcie robocze zbyt niskie lub rezystancja obciążenia zbyt wysoka |
| |
| Sygnał 4÷20 mA niestabilny | Fluktuacje poziomu |
|
| Brak kompensacji ciśnienia |
| |
| Sygnał prądowy przekracza 22 mA lub jest poniżej 3,6 mA | Wadliwy moduł elektroniczny lub komora pomiarowa |
|

A. Nieprawidłowe podłączenie zasilania.
B. Brak zasilania.
C. Brak kompensacji ciśnienia atmosferycznego.
D. Wadliwy moduł elektroniczny.
ELM.04 Pytanie 25
Eksploatacja układów automaty…
W tabeli przedstawiono wyniki pomiarów rezystancji uzwojeń i rezystancji izolacji silnika trójfazowego pompy hydraulicznej wykonane podczas jego przeglądu. Wyniki tych pomiarów wskazują na
| Wyniki pomiarów | ||
|---|---|---|
| Pomiar między zaciskami silnika | Wynik | |
| U1-U2 | 22 Ω | |
| V1-V2 | 21,5 Ω | |
| W1-W2 | 22,2 Ω | |
| U1-V1 | ∞ | |
| V1-W1 | ∞ | |
| U1-W1 | ∞ | |
| U1-PE | 52 MΩ | |
| V1-PE | 49 MΩ | |
| W1-PE | 30 Ω | |
A. zwarcie między uzwojeniami U1-U2 oraz W1-W2.
B. przerwę w uzwojeniu U1-U2.
C. zwarcie między uzwojeniem W1-W2, a obudową silnika.
D. przerwę w uzwojeniu V1-V2.
Eksploatacja układów automaty…
Którego narzędzia należy użyć w celu zaciśnięcia końcówek tulejkowych przedstawionych na rysunku?

A. Praski ręcznej.
B. Klucza płaskiego.
C. Szczypiec okrągłych.
D. Szczypiec bocznych.
Eksploatacja układów automaty…
Oględziny instalacji hydraulicznej obejmują
A. wymianę rozdzielacza.
B. pomiar natężenia prądu obciążenia pompy.
C. sprawdzenie stanu przewodów.
D. wymianę filtra oleju w układzie.
ELM.04 Pytanie 28
Eksploatacja układów automaty…
W instalacji pneumatycznej przy znamionowych warunkach zasilania, nastąpił spadek prędkości obrotowej silnika pneumatycznego przy jego obciążeniu znamionowym co świadczy o obniżeniu sprawności silnika. Co należy zrobić w pierwszej kolejności, aby usunąć usterkę?
A. Odpowietrzyć układ zasilający.
B. Wymienić silnik kompresora.
C. Zmniejszyć nastawę zaworu bezpieczeństwa.
D. Uzupełnić brakujący olej w smarownicy.
Eksploatacja układów automaty…
Klucz dynamometryczny należy do grupy narzędzi, które podczas naprawy można wykorzystać m.in. do
A. pomiaru twardości materiału, z którego wykonane są śruby.
B. dokręcenia z odpowiednim momentem siły śrub łączących elementy.
C. odkręcania z odpowiednim momentem siły wkrętów łączących elementy.
D. wbijania z odpowiednią siłą gwoździ lub innych elementów mocujących.
Eksploatacja układów automaty…
Wykonano okresową kontrolę stanu technicznego dwóch optycznych czujników zbliżeniowych, których wyniki pomiarów zanotowano w tabeli. Na podstawie wyników można stwierdzić, że stan techniczny
| Kod czujnika | Parametry katalogowe | Zmierzone wartości odległości (odległość przy której następuje zmiana stanu na wyjściu czujnika) | ||
|---|---|---|---|---|
| Strefa zadziałania | Histereza w zakresie | z 1 na 0 przy oddalaniu od próbki pomiarowej | z 0 na 1 przy zbliżaniu do próbki pomiarowej | |
| B1-14A1 | 60 mm | ±10 % | 66 mm | 52 mm |
| B2-14A1 | 80 mm | ±10 % | 87 mm | 72 mm |
A. tylko czujnika B1-14A1 wyklucza jego ponowny montaż w układzie.
B. obu czujników wyklucza ich ponowny montaż w układzie.
C. tylko czujnika B2-14A1 wyklucza jego ponowny montaż w układzie.
D. obu czujników jest prawidłowy.
Eksploatacja układów automaty…
Wykonano okresową kontrolę stanu technicznego dwóch optycznych czujników zbliżeniowych, których wyniki pomiarów zanotowano w tabeli. Na podstawie wyników można stwierdzić, że stan techniczny
| Kod czujnika | Parametry katalogowe | Zmierzone wartości odległości (odległość przy której następuje zmiana stanu wyjścia czujnika) mm | |||
|---|---|---|---|---|---|
| Strefa zadziałania mm | Histereza w zakresie % | z 1 na 0 przy oddalaniu od próbki pomiarowej | z 0 na 1 przy zbliżaniu do próbki pomiarowej | ||
| B1-14A1 | 60 | ±10% | 66 | 52 | |
| B2-14A1 | 90 | ±10% | 96 | 88 | |
A. obu czujników wyklucza ich ponowny montaż w układzie.
B. obu czujników jest prawidłowy.
C. czujnika B1-14A1 wyklucza jego ponowny montaż w układzie.
D. czujnika B2-14A1 wyklucza jego ponowny montaż w układzie.
Eksploatacja układów automaty…
Jakiego rodzaju działań naprawczych nie wykonuje się w układach sterowania elektropneumatycznego?
A. Wymiana połączeń pneumatycznych.
B. Identyfikacja miejsc przecieków.
C. Naprawa połączeń elektrycznych.
D. Usuwanie nieszczelności.
Eksploatacja układów automaty…
Na podstawie przedstawionych w tabeli wyników pomiarów parametrów wyłączników różnicowoprądowych wskaż, które z wyłączników nie mogą być dalej eksploatowane w instalacji automatyki.
| Lp. | Typ wyłącznika różnicowoprądowego | Działanie TEST | IΔn mA | Iw mA | tw ms | tz ms |
|---|---|---|---|---|---|---|
| 1. | P 304 80-300-S | Nie | 300 | 315 | 252 | 500 |
| 2. | P 304 25-100-AC | Tak | 100 | 68 | 75 | 200 |
| 3. | P 304 25-30-AC | Tak | 30 | 47 | 126 | 200 |
| 4. | P 312 B-20-30-AC | Tak | 30 | 28 | 47 | 200 |
| 5. | P 312 B-20-30-AC | Tak | 30 | 22 | 25 | 200 |
| 6. | P 312 B-20-30-AC | Tak | 30 | 20 | 180 | 200 |
| IΔn – prąd różnicowy znamionowy, mA Iw – zmierzony prąd różnicowy zadziałania, mA tw – zmierzony czas zadziałania, ms tz – największy dopuszczalny czas zadziałania, ms | ||||||
A. 2 i 4
B. 2 i 5
C. 1 i 3
D. 3 i 6
Eksploatacja układów automaty…
W celu oceny stanu technicznego indukcyjnych czujników zbliżeniowych wykonano pomiary ich częstotliwości przełączeń. Wyniki pomiarów zapisanych w tabeli wskazują, że stan techniczny

A. czujników B1, B2 i B3 pozwala na ich dalszą eksploatację.
B. czujników B1, B2 i B3 wymaga bezwzględnego ich wycofania z dalszej eksploatacji.
C. czujnika B2 wskazuje konieczność jego wycofania z eksploatacji.
D. czujnika B1 nie pozwala na dalszą eksploatację i konieczność wymiany.
Eksploatacja układów automaty…
Na wyświetlaczu przemiennika częstotliwości został wyświetlony błąd o kodzie E.SER. Oznacza to, że działania naprawcze powinny być ukierunkowane na sprawdzenie i ewentualną naprawę w obwodzie
| Klasyfikacja błędów | Kod błędu na wyświetlaczu | Znaczenie |
|---|---|---|
| Błąd mniejszy | FN | Uszkodzenie wentylatora przetwornicу |
| Błąd krytyczny | E.FIN | Przegrzanie radiatora |
| E.IPF | Chwilowe zaniki napięcia zasilania | |
| E.ILF | Brak fazy wejściowej | |
| E.OLF | Brak fazy wyjściowej | |
| E.SER | Błąd komunikacji | |
| E.P24 | Zwarcie wyjścia zasilacza 24 V DC |
A. zasilania silnika z przemiennika.
B. zasilania przemiennika z sieci.
C. zasilania układu sterowania.
D. komunikacji szeregowej przemiennika.
Eksploatacja układów automaty…
W układzie sterowania przedstawionym na rysunku, cewki przekaźników K2 i K3 nie zostały aktywowane, lampka H1 nie świeci, mimo iż jednocześnie naciśnięto sprawne technicznie przyciski S1 i S3. Taki objaw może wskazywać na uszkodzenie zestyku przekaźnika

A. -K2:13-14
B. -K1:23-24
C. -K3:11-12
D. -K1:13-14
Eksploatacja układów automaty…
Który rysunek przedstawia narzędzie służące do profesjonalnego ucinania przewodów pneumatycznych tworzywowych?
A. Rysunek 3.

B. Rysunek 4.

C. Rysunek 1.

D. Rysunek 2.

Eksploatacja układów automaty…
Na podstawie przedstawionych w tabeli wyników pomiarów parametrów wyłączników różnicowoprądowych wskaż, które z wyłączników mogą być dalej eksploatowane w instalacji automatyki.
| Lp. | Typ urządzenia różnicowoprądowego | Test | IDn mA | Iw mA | tw ms | tz ms |
|---|---|---|---|---|---|---|
| 1. | P 304 80-500-S | T | 500 | 315 | 252 | 500 |
| 2. | P 304 25-100-AC | N | 100 | 68 | 45 | 200 |
| 3. | P 304 25-30-AC | T | 30 | 33 | 26 | 200 |
| 4. | P 312 B-20-30-AC | T | 30 | 11 | 47 | 200 |
| 5. | P 312 B-20-30-AC | T | 30 | 22 | 25 | 200 |
| 6. | P 312 B-20-30-AC | T | 30 | 22 | 215 | 200 |
| IDn – prąd różnicowy urządzenia różnicowoprądowego, mA Iw – zmierzony prąd różnicowy zadziałania, mA tw– zmierzony czas zadziałania, ms | ||||||
A. 2, 3 i 6
B. 1, 2 i 3
C. 3, 5 i 6
D. 1, 4 i 5
Eksploatacja układów automaty…
Dla którego napędu w kolumnie „Ocena stanu technicznego” należy wpisać literę A odpowiadającą jego dobremu stanu technicznemu?

A. Sil01-M01 – 22kW i Sil02-M02 – 22kW
B. Tylko Sil01-M01 – 22kW
C. Tylko Sil02-M02 – 22kW
D. Sil01-M01 – 22kW i Sil03-M03 – 37kW
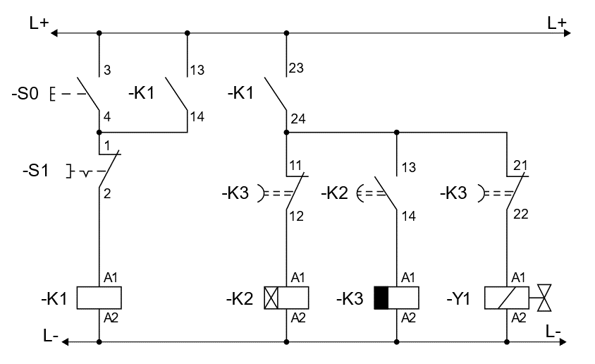
Eksploatacja układów automaty…
W układzie przedstawionym na rysunku, wciśnięcie przycisku S0 powoduje załączenie cewek K1 i K2 przekaźników, a następnie po odliczeniu 30 sekund nie następuje załączenie cewki Y1 elektrozaworu. Jedną z przyczyn wadliwego działania układu może być uszkodzenie

A. cewki -K1.
B. zestyku -K1:13-14.
C. przycisku -S1.
D. zestyku -K2:13-14.