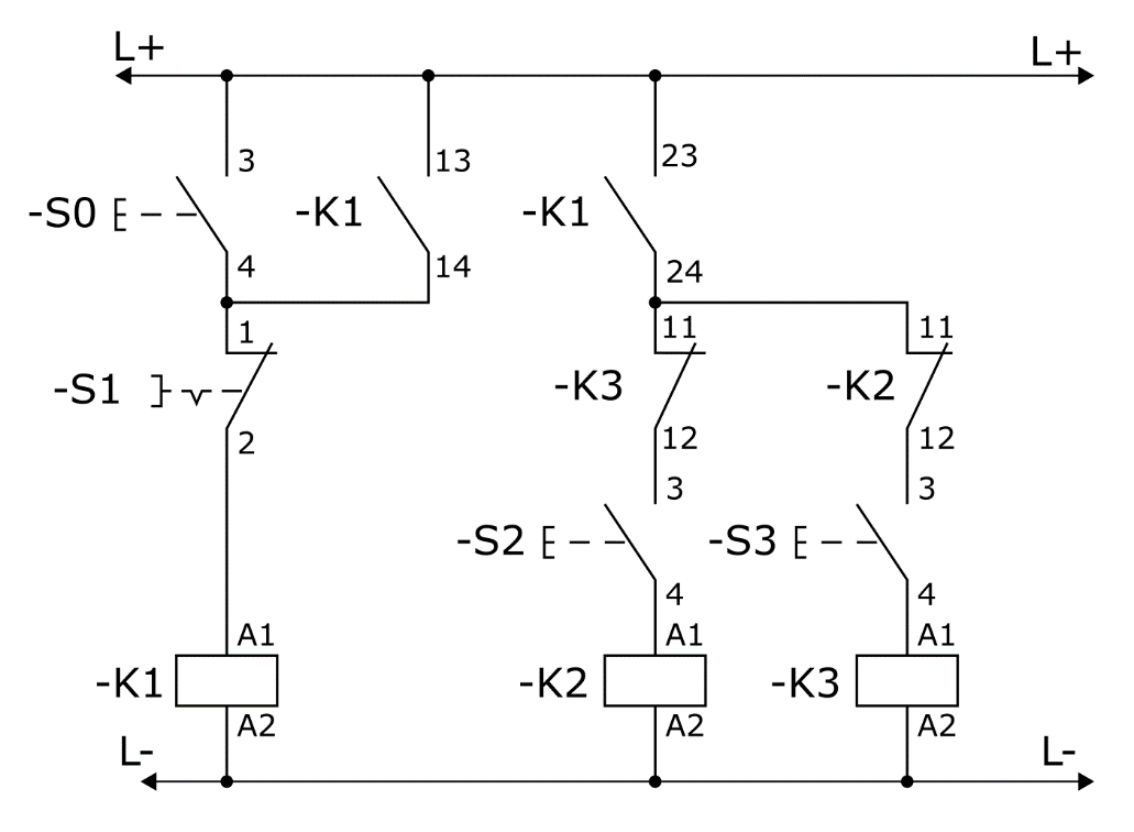
Które z wymienionych czynności pozwolą na sprawdzenie skuteczności blokady przed jednoczesnym włączeniem styczników K2 i K3 w układzie sterowania przedstawionym na rysunku?









| L.p. | Nazwa | Opis |
|---|---|---|
| 1 | Panel sterowania | Szczegółowe informacje w rozdziale „Programowanie z użyciem panelu sterowania". |
| 2 | Osłona | Chroni wewnętrzne elementy przemiennika. |
| 3 | Wskaźnik zasilania | Wskaźnik zasilania. |
| 4 | Przysłona | Chroni wewnętrzne elementy przemiennika. |
| 5 | Tabliczka znamionowa | Szczegółowe informacje w rozdziale 2.4. |
| 6 | Złącze panelu sterowania | Złącza do podłączania panelu sterowania. Złącze „6" służy podłączenia panelu oddalonego.. |
| 7 | ||
| 8 | Terminal obwodów mocy | Szczegółowe informacje w rozdziale „Instalacja elektryczna". |
| 9 | Terminal obwodów sterowania | Szczegółowe informacje w rozdziale „Instalacja elektryczna". |
| 10 | Oznaczenie produktu | Szczegółowe informacje w rozdziale „Parametry techniczne". |

| Dane znamionowe | |
|---|---|
| Napięcie zasilające | 230 V, 50 Hz |
| Maksymalny prąd obciążenia | 55 A |
| Napięcie wyjściowe | 12 V |
| Prąd w stanie jałowym | 105 mA |
| Straty mocy w rdzeniu | 43 W |
| Temperatura otoczenia | 35 °C |
| Wymiary | 180/70/98 mm |
| Masa | 8,2 kg |

| Czujnik pojemnościowy | |
|---|---|
| Obudowa | cylindryczna gwintowana |
| Rozmiar obudowy | M12 |
| Zasięg | 13 mm |
| Rodzaj czoła | zabudowane (zakryte) |
| Materiał obudowy | tworzywo sztuczne |
| Rodzaj wyjścia | PNP |
| Funkcja wyjścia | NO |
| Zasilanie (wejście) | 10-30 V DC |
| Obciążalność styku | 200 mA |
| Podłączenie elektryczne | przewód |

| Dane znamionowe | |
|---|---|
| Napięcie zasilające | 230 V, 50 Hz |
| Maksymalny prąd obciążenia | 55 A |
| Napięcie wyjściowe | 12 V |
| Prąd w stanie jałowym | 105 mA |
| Pobór mocy w rdzeniu | 43 W |
| Temperatura otoczenia | 35 °C |
| Wymiary | 180/70/98 mm |
| Masa | 8,2 kg |

| Lp. | Typ wyłącznika różnicowoprądowego | Działanie TEST | IΔn mA | Iw mA | tw ms | tz ms |
|---|---|---|---|---|---|---|
| 1. | P 304 80-300-S | Nie | 300 | 315 | 252 | 500 |
| 2. | P 304 25-100-AC | Tak | 100 | 68 | 75 | 200 |
| 3. | P 304 25-30-AC | Tak | 30 | 47 | 126 | 200 |
| 4. | P 312 B-20-30-AC | Tak | 30 | 28 | 47 | 200 |
| 5. | P 312 B-20-30-AC | Tak | 30 | 22 | 25 | 200 |
| 6. | P 312 B-20-30-AC | Tak | 30 | 20 | 180 | 200 |
| IΔn – prąd różnicowy znamionowy, mA Iw – zmierzony prąd różnicowy zadziałania, mA tw – zmierzony czas zadziałania, ms tz – największy dopuszczalny czas zadziałania, ms | ||||||
| Klasyfikacja błędów | Kod błędu na wyświetlaczu | Znaczenie |
|---|---|---|
| Błąd mniejszy | FN | Uszkodzenie wentylatora przetwornicу |
| Błąd krytyczny | E.FIN | Przegrzanie radiatora |
| E.IPF | Chwilowe zaniki napięcia zasilania | |
| E.ILF | Brak fazy wejściowej | |
| E.OLF | Brak fazy wyjściowej | |
| E.SER | Błąd komunikacji | |
| E.P24 | Zwarcie wyjścia zasilacza 24 V DC |
| Lp. | Typ urządzenia różnicowoprądowego | Test | IDn mA | Iw mA | tw ms | tz ms |
|---|---|---|---|---|---|---|
| 1. | P 304 80-500-S | T | 500 | 315 | 252 | 500 |
| 2. | P 304 25-100-AC | N | 100 | 68 | 45 | 200 |
| 3. | P 304 25-30-AC | T | 30 | 33 | 26 | 200 |
| 4. | P 312 B-20-30-AC | T | 30 | 11 | 47 | 200 |
| 5. | P 312 B-20-30-AC | T | 30 | 22 | 25 | 200 |
| 6. | P 312 B-20-30-AC | T | 30 | 22 | 215 | 200 |
| IDn – prąd różnicowy urządzenia różnicowoprądowego, mA Iw – zmierzony prąd różnicowy zadziałania, mA tw– zmierzony czas zadziałania, ms | ||||||
| Wyniki pomiarów kontrolnych silnika | |
|---|---|
| Pomiar między zaciskami | Wynik pomiaru |
| U1 - U2 | 22,0 Ω |
| V1 - V2 | 21,5 Ω |
| W1 - W2 | 22,2 Ω |
| U1 - V1 | ∞ Ω |
| V1 - W1 | ∞ Ω |
| U1 - W1 | ∞ Ω |
| U1 - PE | 52 MΩ |
| V1 - PE | 30 Ω |
| W1 - PE | 49 MΩ |
| Lp. | Czynność | Częstotliwość |
|---|---|---|
| 1 | Sprawdzenie mocowania detektora do podłoża | 1 raz dziennie |
| 2 | Kontrola obwodu zasilania i połączeń elektrycznych | 1 raz dziennie |
| 3 | Kontrola połączeń sygnałowych według wytycznych zapisanych w dokumencie „Sprawdzanie wszystkich połączeń zewnętrznych (elektrycznych i mechanicznych) na elementy systemu detekcji" | co 7 dni |
| 4 | Sprawdzanie detekcji z pomocą wzorców kalibracyjnych zgodnie z wewnątrz zakładowymi normami bezpieczeństwa | co 14 dni |
| 5 | Dostrojenie detektora | co 30 dni |
| 6 | Gruntowne czyszczenie detektora | co 30 dni |
| Lp. | Czynność | Częstotliwość |
|---|---|---|
| 1 | Sprawdzenie mocowania detektora do podłoża | 1 raz dziennie |
| 2 | Kontrola obwodu zasilania i połączeń elektrycznych | 1 raz dziennie |
| 3 | Kontrola połączeń sygnałowych wg. wytycznych zapisanych w dokumencie „Sprawdzanie wpływu zakłóceń zewnętrznych (elektrycznych i mechanicznych) na elementy systemu detekcji" | co 7 dni |
| 4 | Sprawdzanie detekcji z pomocą wzorców kalibracyjnych zgodnie z wewnątrzzakładowymi normami bezpieczeństwa | co 14 dni |
| 5 | Dostrojenie detektora | co 30 dni |
| 6 | Gruntowne czyszczenie detektora | co 30 dni |






