Filtrowanie pytań

Wybierz zawód, aby zobaczyć dostępne kwalifikacje

Wykonywanie robót związanych …

Czyszcząc mechanicznie kanał wentylacyjny należy z jednej jego strony wprowadzić urządzenie ze szczotką obrotową przedstawione na ilustracji, a z drugiej zamontować

Ilustracja do pytania 1
A. pokrywę uszczelniającą.
B. sprężarkę z reduktorem ciśnienia.
C. odsysacz z filtrami.
D. powietrzną klapę zwrotną.
Wykonywanie robót związanych …

Podczas prac montażowych urządzeń chłodniczych z wykorzystaniem palników gazowych konieczne jest zapewnienie

A. dostępu do wody ciepłej.
B. wentylacji maski tlenowej.
C. dostępu do wody zimnej.
D. wentylacji pomieszczenia.
Wykonywanie robót związanych …

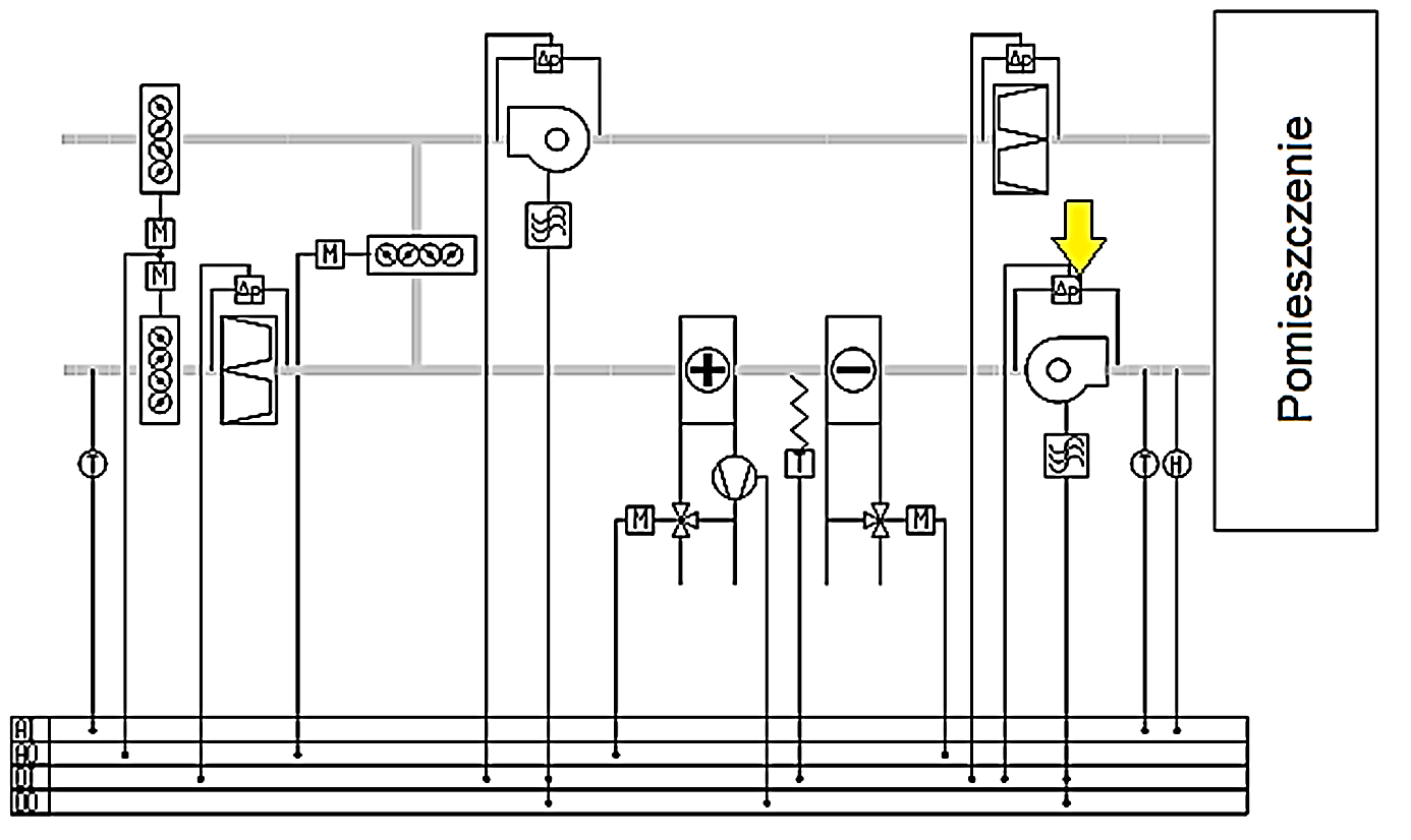
Na przedstawionym schemacie automatyki instalacji klimatyzacyjnej strzałką oznaczono presostat

Ilustracja do pytania 4
A. wentylatora nawiewu powietrza.
B. filtra na nawiewie powietrza.
C. filtra na wywiewie powietrza.
D. wentylatora wywiewu powietrza.
Wykonywanie robót związanych …

Ile wynosi sezonowy współczynnik efektywności energetycznej w trybie chłodzenia dla klimatyzatora oznaczonego w tabeli Dane techniczne klimatyzatorów symbolem A12LL?

Dane techniczne klimatyzatorów
WYDAJNOŚĆjednostka miaryA09LLA12LLA18RL
chłodzeniekW0,89-3,70,89-4,040,9-6
grzaniekW0,89-50,89-60,9-9
Zasilanie[V/Hz/Ø]220~240 / 50 / 1220~240 / 50 / 1220~240 / 50 / 1
SEER[W/W]4,553,983,47
SCOP[W/W]4,604,173,82
Przepływ powietrza jednostek wew./zew.[m3/min]210-720/1980210-720/1980510-1170/3000
Poziom hałasu jednostek wew./zew.[dB(A),odl.1m]19 - 38 / 4519 - 38 / 4529-42/51

A. 3,47 W/W
B. 4,17 W/W
C. 4,60 W/W
D. 3,98 W/W
Wykonywanie robót związanych …

Który z wymienionych zestawów czynności należy wykonać podczas czyszczenia i dezynfekcji jednostki wewnętrznej klimatyzatora?

A. Wymienić filtr siatkowy na nowy, parownik i wentylator przedmuchać strumieniem z wytwornicy ozonowej, rurkę odprowadzającą skropliny i tackę ociekową przepłukać roztworem denaturatu z wodą.
B. Odłączyć przewody elektryczne i rurki czynnika chłodniczego, całą jednostkę wewnętrzną zdjąć z uchwytów i umyć w wannience ciepłą wodą z mydłem, osuszyć w strudze ciepłego powietrza, podłączyć rurki czynnika chłodniczego.
C. Wyjąć i wyczyścić filtr siatkowy, parownik i wentylator spłukać preparatem chemicznym od góry po tackę ociekową, następnie całość opłukać ciepłą wodą, osuszyć i spryskać środkiem grzybobójczym.
D. Wymyć filtr siatkowy w ciepłej wodzie ze środkami pieniącymi, parownik i wentylator spryskać środkiem dezynfekującym w aerozolu, następnie przedmuchać sprężonym powietrzem, wymienić rurkę odprowadzającą skropliny.
Wykonywanie robót związanych …

Jak należy ustawić wentylator W, grzałkę G oraz zawory elektromagnetyczne Z1 i Z2, aby w przedstawionym na schemacie urządzeniu chłodniczym mroźni, przeprowadzić proces odtajania parownika gorącymi parami czynnika.

Ilustracja do pytania 11
A. W – włączony, G – wyłączona, Z1 – otwarty, Z2 – zamknięty.
B. W – wyłączony, G – włączona, Z1 – zamknięty, Z2 – otwarty.
C. W – włączony, G – włączona, Z1 – zamknięty, Z2 – otwarty.
D. W – wyłączony, G – włączona, Z1 – otwarty, Z2 – zamknięty.
Wykonywanie robót związanych …

Na której ilustracji przedstawiono prawidłowe wykonanie odprowadzenia skroplin z jednostki wewnętrznej klimatyzatora?

A. Na ilustracji 4.
Ilustracja do odpowiedzi A
B. Na ilustracji 3.
Ilustracja do odpowiedzi B
C. Na ilustracji 2.
Ilustracja do odpowiedzi C
D. Na ilustracji 1.
Ilustracja do odpowiedzi D
Wykonywanie robót związanych …

Któremu procesowi, oprócz ogrzewania, podlega powietrze w centrali klimatyzacyjnej, przechodząc najpierw przez nagrzewnicę, a następnie przez chłodnicę i nagrzewnicę wtórną?

A. Nawilżania.
B. Osuszania.
C. Filtrowania.
D. Sprężania.
Wykonywanie robót związanych …

Określ natężenie wypływu powietrza z anemostatu o przekroju 10×10 cm, jeżeli prędkość powietrza zmierzona anemometrem skrzydełkowym wynosi 2 m/s.

A. 72 m³/h
B. 36 m³/h
C. 20 m³/h
D. 94 m³/h
Wykonywanie robót związanych …

Podczas czyszczenia odcinka kanału wentylacyjnego, pozostałe nieczyszczone kanały należy zabezpieczyć

A. balonami ograniczającymi czyszczony odcinek kanału.
B. demontując ich połączenia z odcinkiem czyszczonym.
C. filtrami klasy HP montowanymi na łącznikach rurociągów.
D. wytwarzając nadciśnienie w kanałach niepodlegających czyszczeniu.