Filtrowanie pytań
Wykonywanie robót związanych …
A. uniemożliwić ucieczkę czynnika chłodniczego z układu do atmosfery.
B. usunąć olej chłodniczy z układu i napełnić układ azotem.
C. zdemontować również skraplacz i napełnić układ azotem.
D. umożliwić odparowanie czynnika chłodniczego z układu do atmosfery.
ELE.04 Pytanie 82
Eksploatacja i organizacja ro…
Karty obsługi technicznej i naprawy urządzenia zawierającego powyżej 3 kg czynnika chłodniczego będącego substancją kontrolowaną nie trzeba zakładać dla urządzenia klimatyzacyjnego, w którym zastosowano czynnik chłodniczy
A. R 600a
B. R 410A
C. R 134a
D. R 407A
Wykonywanie robót związanych …
Pomiary ciśnienia parowania wykonuje się
A. po stronie niskiego ciśnienia układu chłodniczego.
B. między sprężarką a skraplaczem chłodzonym powietrzem.
C. po stronie wysokiego ciśnienia układu chłodniczego.
D. między skraplaczem a termostatycznym zaworem rozprężnym.
Wykonywanie robót związanych …
Czynnik chłodniczy w sprężarkowym układzie chłodniczym pobiera ciepło podczas
A. kondensacji.
B. odparowania.
C. skraplania.
D. sprężania.
Wykonywanie robót związanych …
Przedstawiony na rysunku element sprężarki tłokowej to

A. sworzeń.
B. wodzik.
C. cylinder.
D. tłok.
Wykonywanie robót związanych …
Jakiego rodzaju zawory zastosowano w przedstawionej na rysunku płycie zaworowej sprężarki tłokowej?

A. Listwowe.
B. Pierścieniowe.
C. Grzybkowe.
D. Języczkowe.
Wykonywanie robót związanych …
Określ wymiary maty z wełny mineralnej przeznaczonej na izolację prostego odcinka rurociągu o średnicy zewnętrznej 250 mm i długości 3 m.
A. 3,0 m × 0,25 m
B. 3,0 m × 0,785 m
C. 2,5 m × 0,25 m
D. 0,25 m × 0,785 m
Wykonywanie robót związanych …
Na rysunku elementy służące do regulacji natężenia przepływu wody grzewczej w poszczególnych pętlach ogrzewania podłogowego oznaczono cyfrą

A. 3
B. 4
C. 6
D. 5
Wykonywanie robót związanych …
Podczas napełniania instalacji chłodniczych zagrożenie pożarem może spowodować wyciek czynnika chłodniczego o symbolu
A. R 744
B. R 502
C. R 401A
D. R 600a
Wykonywanie robót związanych …
Uszkodzony element sprężarki chłodniczej, oznaczony na rysunku cyfrą 1, to

A. cylinder.
B. korbowód.
C. tłok.
D. wodzik.
Wykonywanie robót związanych …
Po napełnieniu układu chłodzenia wodnego skraplacza należy
A. odpowietrzyć układ chłodzenia.
B. uzupełnić czynnik chłodniczy w układzie chłodzenia.
C. wymienić filtr siatkowy.
D. uzupełnić olej w układzie chłodzenia.
Wykonywanie robót związanych …
Którym przewodem należy wykonać połączenie pomiędzy przetwornikiem częstotliwości a silnikiem elektrycznym?
A. Światłowodowym.
B. Koncentrycznym.
C. Ekranowanym.
D. Jednożyłowym.
Wykonywanie robót związanych …
Który przekrój kanału wentylacyjnego ma najmniejsze jednostkowe opory przepływu powietrza, jeżeli pola przekroju poprzecznego i wydatki powietrza w każdym wariancie są takie same?
A. IV.

B. I.

C. II.

D. III.

Wykonywanie robót związanych …
Rurociągi klimatyzacyjne typu Spiro należy łączyć ze sobą,
A. owijając styk rurociągów samoprzylepną taśmą aluminiową.
B. stosując łączniki o wymiarze nominalnym rurociągów.
C. spawając czołowo oba rurociągi.
D. nakładając na oba rurociągi laminat z żywicy epoksydowej.
Wykonywanie robót związanych …
Miejsce montowania w urządzeniu chłodniczym czujnika termostatycznego zaworu rozprężnego oznaczono na schemacie cyfrą

A. 2
B. 3
C. 1
D. 4
Wykonywanie robót związanych …
Ile wynoszą ciśnienie i temperatura zakończenia sprężania na przedstawionym obiegu agregatu chłodniczego?

A. 0,2 MPa, −37°C
B. 1,0 MPa, +30°C
C. 1,0 MPa, +8°C
D. 0,2 MPa, −30°C
Wykonywanie robót związanych …
Jaki jest cel stosowania topnika podczas lutowania twardego elementów instalacji chłodniczej?
A. Ochrona powierzchni przed działaniem powietrza, usunięcie istniejących tlenków i zapobieganie ich tworzeniu się.
B. Doprowadzenie powietrza do łączonych powierzchni, nadanie tym powierzchniom gładkości i ich natłuszczenie.
C. Ochrona powierzchni elementów przed zanieczyszczeniami i utworzenie cienkiej warstwy tlenków na powierzchni.
D. Doprowadzenie powietrza do łączonych powierzchni, ich natlenienie oraz wytworzenie tlenków na tych powierzchniach.
Wykonywanie robót związanych …
Przyrząd przedstawiony na rysunku przeznaczony jest do

A. gratowania krawędzi rury.
B. pomiaru głębokości.
C. kielichowania rur miedzianych.
D. kalibrowania średnicy wewnętrznej rury.
Wykonywanie robót związanych …
Fragment instrukcji obsługi agregatu chłodniczego
Podczas próby szczelności wymagane jest napełnienie instalacji azotem i sprawdzenie utrzymywania się stałego ciśnienia. Ciśnienie podczas próby szczelności powinno wynosić 110% maksymalnego ciśnienia pracy i po 24 godzinach spadek tego ciśnienia nie powinien być większy niż 1% w tej samej temperaturze.
Maksymalne ciśnienie pracy dla badanej instalacji wynosi 24 bar. Na podstawie podanej instrukcji wskaż prawidłowe wartości ciśnienia p w instalacji podczas próby szczelności oraz dopuszczalnego ciśnienia p₂₄ₕ dla 1% spadku ciśnienia po 1 dobie.
A. p = 24,00 bar, p₂₄ₕ < 0,26 bar
B. p = 26,40 bar, p₂₄ₕ < 2,61 bar
C. p = 24,00 bar, p₂₄ₕ < 26,40 bar
D. p = 26,40 bar, p₂₄ₕ < 0,26 bar
Wykonywanie robót związanych …
W układzie chłodniczym, w którym agregat jest zamontowany zdecydowanie powyżej parownika (np. 5 m) w przypadku występujących problemów z powrotem oleju do sprężarki, należy
A. wykonać syfon olejowy na rurociągu cieczowym za agregatem.
B. zamontować separator oleju za jednostką wewnętrzną.
C. zamontować separator oleju na rurociągu cieczowym za agregatem.
D. wykonać syfon olejowy na rurociągu gazowym pomiędzy sprężarką a parownikiem.
Wykonywanie robót związanych …
Ile ciepła wydzieli się w komorze chłodniczej o temperaturze -10°C w ciągu doby, jeżeli w komorze wykonują ciężką pracę dwie osoby codziennie przez 4 godziny?

A. 8 000 kJ
B. 12 000 kJ
C. 16 000 kJ
D. 6 000 kJ
Wykonywanie robót związanych …
Na schemacie przedstawiono zasadę funkcjonowania

A. centrali klimatyzacyjnej.
B. powietrznej pompa ciepła.
C. klimatyzatora przypodłogowego.
D. zasobnika ciepłej wody.
Wykonywanie robót związanych …
Który z wymienionych czynników jest bezpośrednim skutkiem zanieczyszczenia skraplacza?
A. Wzrost temperatury ssania.
B. Nadmierne oszronienie parownika.
C. Wzrost temperatury skraplania.
D. Obniżenie temperatury skraplania.
Wykonywanie robót związanych …
Na podstawie wykresu przedstawiającego zmiany temperatury parowania w funkcji czasu podczas pracy układu chłodniczego określ, który element został zastosowany w tym układzie.

A. Termostatyczny zawór rozprężny.
B. Automatyczny zawór rozprężny.
C. Rurka kapilarna.
D. Zawór pływakowy niskiego ciśnienia.
ELE.04 Pytanie 105
Eksploatacja i organizacja ro…
W przypadku instalacji chłodniczych i klimatyzacyjnych oraz pomp ciepła, które zawierają co najmniej 3 kg substancji kontrolowanej lub co najmniej 5 ton ekwiwalentu CO₂ fluorowanych gazów cieplarnianych, wymagane jest
A. prowadzenie dokumentacji oraz rejestracja w Centralnym Rejestrze Operatorów.
B. stworzenie instrukcji serwisowej oraz rejestracja w Krajowym Rejestrze Sądowym.
C. stworzenie instrukcji obsługi oraz rejestracja w Centralnym Rejestrze Ubezpieczonych.
D. prowadzenie dokumentacji oraz rejestracja w Krajowym Forum Chłodnictwa.
Wykonywanie robót związanych …
Klucz dynamometryczny przeznaczony jest do
A. dokręcania śrub w miejscach trudno dostępnych.
B. odkręcania śrub skorodowanych.
C. odkręcania śrub rzymskich.
D. dokręcania śrub z określonym momentem siły.
Wykonywanie robót związanych …
Na ilustracji przedstawiono

A. sprężarkę łopatkową.
B. dmuchawę Rootsa.
C. wentylator promieniowy.
D. wentylator osiowy.
ELE.04 Pytanie 108
Eksploatacja i organizacja ro…
W celu usunięcia niesprawności polegającej na tym, że w nawilżaczu parowym centrali klimatyzacyjnej część dysz nie pracuje lub generuje zbyt mały strumień pary, należy
A. zwiększyć ciśnienie wody zasilającej podgrzewacz.
B. spryskać komorę parową środkiem dezynfekującym.
C. wywiercić w dyszach otwory o większej średnicy.
D. przeczyścić dysze drucikiem kalibrowanym.
Wykonywanie robót związanych …
Który czynnik chłodniczy jest łatwopalny?
A. R134a
B. R744
C. R227
D. R600a
Wykonywanie robót związanych …
Na której ilustracji przedstawiono narzędzie używane do wykonywania kielicha w rurze miedzianej?
A. Na ilustracji 1.

B. Na ilustracji 2.

C. Na ilustracji 4.

D. Na ilustracji 3.

Wykonywanie robót związanych …
W przypadku rozszczelnienia układu zawierającego czynnik chłodniczy oznaczony symbolem R744 w pomieszczeniu, w którym miał miejsce wyciek, wystąpi
A. wzrost stężenia amoniaku.
B. zapłon lub pożar.
C. spadek stężenia tlenu.
D. wzrost temperatury.
Wykonywanie robót związanych …
Element przedstawiony na rysunku w instalacji klimatyzacji spełnia funkcję

A. czerpni powietrza.
B. miejscowego nawilżacza powietrza.
C. kanałowego osuszacza powietrza.
D. zasuwy przeciwpożarowej.
Wykonywanie robót związanych …
Na rysunku agregatu chłodniczego strzałką wskazano

A. sprężarkę.
B. zbiornik oleju.
C. skraplacz.
D. parownik (parowacz).
Wykonywanie robót związanych …
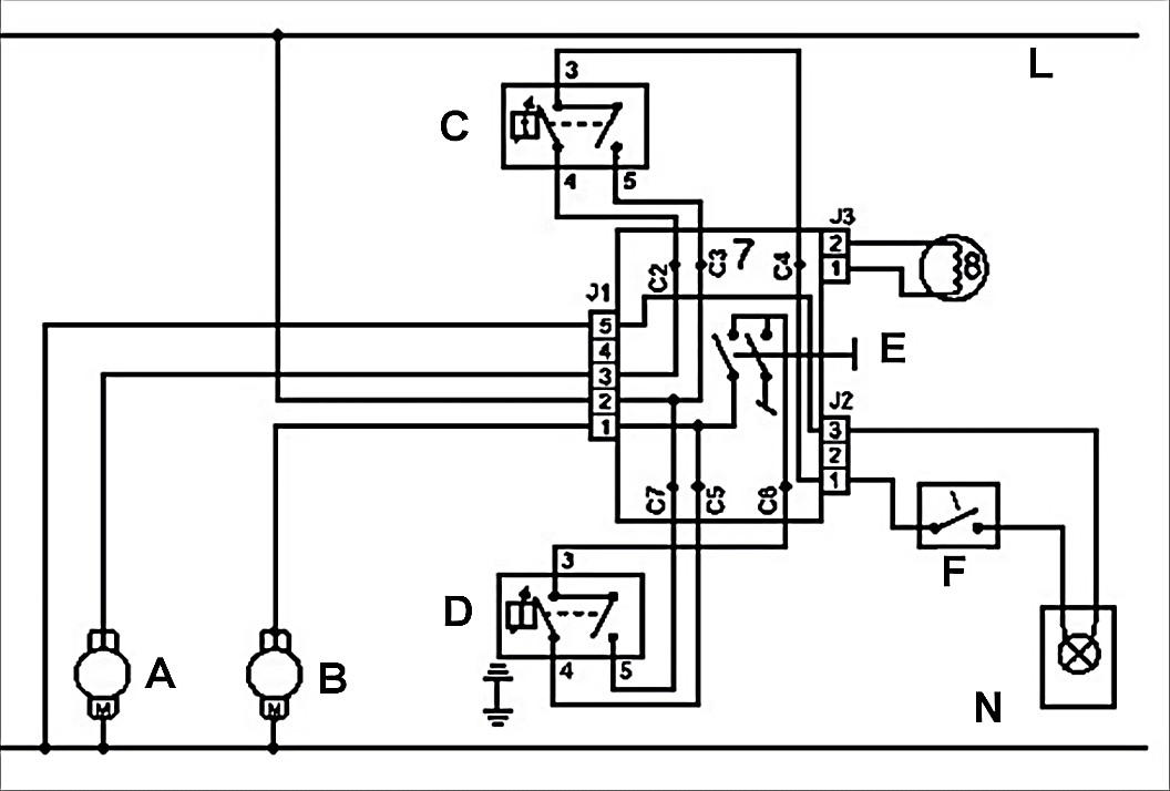
Określ na podstawie schematu, do których zacisków złącza J1 należy podłączyć termostat komory mroźniczej.

A. 3 i 5
B. 2 i 3
C. 2 i 5
D. 1 i 2
Wykonywanie robót związanych …
Otwory rewizyjne w kanałach instalacji klimatyzacyjno-wentylacyjnej wykorzystuje się do
A. czyszczenia kanałów, dokonywania pomiarów i ich przeglądów.
B. doraźnego poprowadzenia przewodów niskonapięciowych.
C. montowania czujników pożarowych.
D. zabezpieczenia rurociągów przed nagłym wzrostem ciśnienia powietrza.
Wykonywanie robót związanych …
Pomiary ciśnienia parowania wykonuje się
A. między sprężarką a skraplaczem chłodzonym powietrzem.
B. po stronie wysokiego ciśnienia układu chłodniczego.
C. po stronie niskiego ciśnienia układu chłodniczego.
D. między skraplaczem a termostatycznym zaworem rozprężnym.
Wykonywanie robót związanych …
Na którym rysunku przedstawiono łącznik redukcyjny nyplowy?
A. Rysunek I.

B. Rysunek IV.

C. Rysunek III.

D. Rysunek II.

Wykonywanie robót związanych …
Na podstawie zamieszczonych w tabeli wyników 5 wykonanych pomiarów oblicz średnią wartość temperatury parowania.
| Nr pomiaru | Pomiar 1 | Pomiar 2 | Pomiar 3 | Pomiar 4 | Pomiar 5 |
|---|---|---|---|---|---|
| Temperatura [°C] | -36 | -34 | -33 | -35 | -37 |
A. -34℃
B. -35℃
C. -36℃
D. -37℃
Wykonywanie robót związanych …
W urządzeniu chłodniczym ciśnienie czynnika R290 na ssaniu wynosi 2,91 bara przy temperaturze na wypływie z parownika równej -7ºC. Na podstawie zamieszczonych w tabeli właściwości termodynamicznych czynnika R290, określ temperaturę przegrzania tego czynnika.
| Tabela własności termodynamicznych R290 | |
|---|---|
| Temperatura | Ciśnienie nasycenia |
| °C | bar |
| -25 | 2,03 |
| -20 | 2,44 |
| -15 | 2,91 |
| -10 | 3,45 |
| -5 | 4,06 |
A. 8ºC
B. -15ºC
C. -8ºC
D. 7ºC
Wykonywanie robót związanych …
Zgodnie z obowiązującym w Polsce prawem podczas demontażu instalacji klimatyzacyjnej należy pamiętać o dokonaniu odzysku
A. aluminium z wymienników ciepła.
B. elementów elektrotechnicznych.
C. czynnika chłodniczego.
D. miedzi z silnika elektrycznego.