Filtrowanie pytań
Wykonywanie robót związanych …
A. szczelność układu.
B. zawartość czynnika w układzie.
C. średnicę rurki kapilarnej.
D. napięcie w sieci zasilającej.
Wykonywanie robót związanych …
Którego gazu używa się do wykonania próby szczelności instalacji chłodniczej?
A. Tlenu.
B. Fluoru.
C. Azotu.
D. Chloru.
Wykonywanie robót związanych …
W przedstawionej tabeli zamieszczono dane techniczne

A. przewodowego termo-barometru.
B. bezprzewodowego termo-barometru.
C. bezprzewodowego termo-higrometru.
D. przewodowego termo-higrometru.
Wykonywanie robót związanych …
Na rysunku przedstawiono wirnik sprężarki

A. wielopłatkowej.
B. wielotoczkowej.
C. spiralnej.
D. śrubowej.
ELE.03 Pytanie 325
Wykonywanie robót związanych …
Którą cyfrą oznaczona jest na wykresie przemiana nawilżania parowego powietrza?

A. 4
B. 3
C. 2
D. 1
Wykonywanie robót związanych …
Którego przyrządu należy użyć w celu określenia ilości czynnika wprowadzonego do układu chłodniczego podczas jego napełniania?
A. Tachometru indukcyjnego.
B. Wagi elektronicznej.
C. Manometru membranowego.
D. Manometru różnicowego.
Wykonywanie robót związanych …
Na schemacie przedstawiono system z elektronicznym czujnikiem poziomu i z zaworem elektromagnetycznym. Który zawór należy zamontować w miejscu oznaczonym literami ZR?

A. Zawór pływakowy wysokiego ciśnienia.
B. Zawór pływakowy niskiego ciśnienia.
C. Termostatyczny zawór rozprężny.
D. Ręczny zawór regulacyjny.
ELE.03 Pytanie 328
Wykonywanie robót związanych …
Na schemacie przedstawiono pompę ciepła

A. z rozdziałem ciepła.
B. z odzyskiem ciepła z kilku źródeł.
C. w układzie z wymiennikiem ciepła krzyżowym.
D. w układzie odwracalnym.
Wykonywanie robót związanych …
Na której ilustracji umieszczono narzędzie do ściągania łożysk z silnika elektrycznego sprężarki chłodniczej?
A. Na ilustracji 1.

B. Na ilustracji 2.

C. Na ilustracji 4.

D. Na ilustracji 3.

Wykonywanie robót związanych …
Czym należy wypełnić swobodną przestrzeń między sondą gruntowej pompy ciepła a ścianami odwiertu?
A. Mieszaniną żwirowo-gipsowo-wapienną.
B. Zaprawą cementowo-wapienną.
C. Rozdrobnionym materiałem wypłukanym z odwiertu.
D. Granulowanym żużlem paleniskowym.
Wykonywanie robót związanych …
Wskaż przyczynę mokrej pracy sprężarki, w przypadku układu chłodniczego z termostatycznym zaworem rozprężnym.
A. Nastawienie zbyt dużego przegrzania.
B. Czujnik nie przylega do parownika.
C. Za mała wydajność zaworu.
D. Zbyt mała ilość czynnika w urządzeniu chłodniczym.
Wykonywanie robót związanych …
Pomiary ciśnienia parowania wykonuje się
A. po stronie niskiego ciśnienia układu chłodniczego.
B. między skraplaczem a termostatycznym zaworem rozprężnym.
C. po stronie wysokiego ciśnienia układu chłodniczego.
D. między sprężarką a skraplaczem chłodzonym powietrzem.
Eksploatacja i organizacja ro…
Na podstawie zamieszczonego fragmentu instrukcji obsługi określ, po jakim przebiegu eksploatacji samochodowego agregatu chłodniczego należy wymienić łożyska koła napinacza.

A. 36 000 km
B. 90 000 km
C. 36 000 mi
D. 60 000 mi
Wykonywanie robót związanych …
Na rysunku przedstawiono zawory

A. termostatyczne rozprężne.
B. automatyczne rozprężne.
C. serwisowe: gazowy i cieczowy.
D. bezpieczeństwa: gazowy i cieczowy.
Wykonywanie robót związanych …
Na którym rysunku zilustrowano prawidłowy sposób posługiwania się palnikiem podczas montażu zaworu rozprężnego w technologii lutowania?
A. Rysunek III.

B. Rysunek IV.

C. Rysunek I.

D. Rysunek II.

Wykonywanie robót związanych …
Który z wymienionych czynników jest bezpośrednim skutkiem zanieczyszczenia skraplacza?
A. Obniżenie temperatury skraplania.
B. Wzrost temperatury skraplania.
C. Wzrost temperatury ssania.
D. Nadmierne oszronienie parownika.
Wykonywanie robót związanych …
Którego narzędzia należy użyć do kielichowania rur miedzianych?
A. Narzędzie 3

B. Narzędzie 4

C. Narzędzie 2

D. Narzędzie 1

Wykonywanie robót związanych …
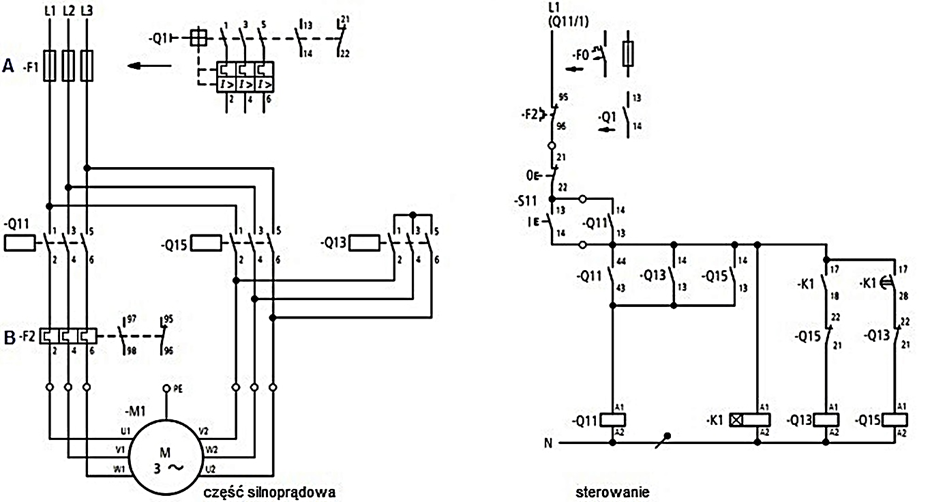
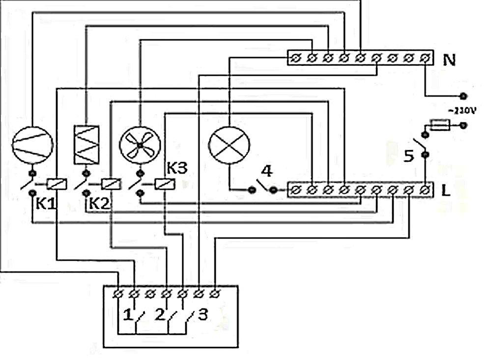
Określ na podstawie schematu, do których zacisków złącza J1 należy podłączyć termostat komory mroźniczej.

A. 2 i 3
B. 1 i 2
C. 2 i 5
D. 3 i 5
Wykonywanie robót związanych …
Na podstawie zamieszczonego w tabeli fragmentu instrukcji montażu klimatyzatora określ ilość czynnika chłodniczego, o którą należy uzupełnić układ chłodniczy o długości rurociągów 10 m.

A. 100 g
B. 150 g
C. 50 g
D. 250 g
Wykonywanie robót związanych …
Na której ilustracji przedstawiono wyłącznik różnicowoprądowy?
A. Na ilustracji 1.

B. Na ilustracji 3.

C. Na ilustracji 4.

D. Na ilustracji 2.

Wykonywanie robót związanych …
Na którym rysunku przedstawiono demontaż łożyska tocznego z wału sprężarki chłodniczej?
A. Rysunek I.

B. Rysunek IV.

C. Rysunek II.

D. Rysunek III.

Wykonywanie robót związanych …
Czynnik chłodniczy R22 odzyskany z klimatyzatora przeznaczonego do utylizacji należy umieścić w
A. butli częściowo już wypełnionej odzyskanym innym czynnikiem chłodniczym.
B. specjalnej butli przeznaczonej tylko do odzysku danego czynnika.
C. butli będącej własnością dystrybutora czynników chłodniczych.
D. dowolnej butli użytkownika urządzenia na czynniki chłodnicze.
Wykonywanie robót związanych …
Na rysunku przedstawiono sprężarkę

A. rotacyjną.
B. tłokową.
C. śrubową.
D. odśrodkową.
Wykonywanie robót związanych …
Presostat niskiego ciśnienia wyłączy sprężarkę w przypadku nadmiernego
A. spadku ciśnienia ssania.
B. wzrostu ciśnienia skraplania.
C. spadku ciśnienia skraplania.
D. wzrostu ciśnienia parowania.
Wykonywanie robót związanych …
Miejsce, w którym w urządzeniu chłodniczym należy zamontować odwadniacz, oznaczono na schemacie cyfrą

A. 2
B. 4
C. 1
D. 3
Wykonywanie robót związanych …
Na podstawie schematu instalacji wykonanego podczas obmiaru określ, w której kolumnie tabeli podano właściwą liczbę wybranych elementów użytych podczas montażu instalacji klimatyzacyjnej.
| Rodzaj elementu | Liczba [szt.] | |||
|---|---|---|---|---|
| A. | B. | C. | D. | |
| Jednostka zewnętrzna | 2 | 1 | 1 | 2 |
| Jednostka wewnętrzna | 4 | 5 | 4 | 5 |
| Trójnik 19,05/15,88x2 | 1 | - | 2 | - |
| Trójnik 28,58/15,88x2 | - | 2 | - | 1 |

A. Kolumna B
B. Kolumna D
C. Kolumna A
D. Kolumna C
Wykonywanie robót związanych …
Na którym rysunku przedstawiono łącznik redukcyjny nyplowy?
A. Rysunek I.

B. Rysunek II.

C. Rysunek III.

D. Rysunek IV.

Wykonywanie robót związanych …
Wpisu w karcie urządzenia chłodniczego obowiązkowo należy dokonać w przypadku
A. czyszczenia filtrów obiegu wodnego.
B. uzupełnienia układu czynnikiem chłodniczym.
C. dopuszczenia wody do obiegu układu pośredniego.
D. wymiany pompy obiegu wody.
Wykonywanie robót związanych …
Zgodnie z obowiązującym w Polsce prawem podczas demontażu instalacji klimatyzacyjnej należy pamiętać o dokonaniu odzysku
A. miedzi z silnika elektrycznego.
B. czynnika chłodniczego.
C. aluminium z wymienników ciepła.
D. elementów elektrotechnicznych.
Eksploatacja i organizacja ro…
W gruntowej pompie ciepła nastąpiło zatarcie sprężarki układu chłodniczego. Wskaż najbardziej prawdopodobną przyczynę awarii, jeżeli stwierdzono w sprężarce obecność czynnika z dolnego źródła ciepła.
A. Rozszczelnienie wewnętrznego wymiennika ciepła.
B. Zapowietrzenie kolektora dolnego źródła ciepła.
C. Zatrzymanie pompy obiegowej czynnika w dolnym źródle ciepła.
D. Zassanie ciekłego czynnika chłodniczego z karteru sprężarki.
Wykonywanie robót związanych …
Elektroniczny anemometr skrzydełkowy przedstawiono
A. na ilustracji 1.

B. na ilustracji 2.

C. na ilustracji 3.

D. na ilustracji 4.

ELE.04 Pytanie 352
Eksploatacja i organizacja ro…
W przypadku instalacji chłodniczych i klimatyzacyjnych oraz pomp ciepła, które zawierają co najmniej 3 kg substancji kontrolowanej lub co najmniej 5 ton ekwiwalentu CO₂ fluorowanych gazów cieplarnianych, wymagane jest
A. stworzenie instrukcji obsługi oraz rejestracja w Centralnym Rejestrze Ubezpieczonych.
B. prowadzenie dokumentacji oraz rejestracja w Krajowym Forum Chłodnictwa.
C. stworzenie instrukcji serwisowej oraz rejestracja w Krajowym Rejestrze Sądowym.
D. prowadzenie dokumentacji oraz rejestracja w Centralnym Rejestrze Operatorów.
Eksploatacja i organizacja ro…
Po wymianie uszczelnień szczotkowych obrotowego wymiennika ciepła należy uruchomić wymiennik na 30 minut, aby szczotki się dotarły. Którą wielkość na pracującym wymienniku należy zmierzyć w pierwszej kolejności, aby ocenić proces docierania?
A. Pobór prądu przez silnik w celu porównania z prądem znamionowym.
B. Temperaturę powietrza na dolocie do wymiennika.
C. Moment obrotowy rotora wymiennika.
D. Napięcie zasilania silnika w celu porównania z napięciem znamionowym.
Wykonywanie robót związanych …
W układzie chłodniczym pompy ciepła odolejacz należy zamontować za
A. skraplaczem przed zaworem rozprężnym.
B. parownikiem przed sprężarką.
C. sprężarką przed skraplaczem.
D. zaworem rozprężnym przed parownikiem.
Wykonywanie robót związanych …
Którego przyrządu należy użyć w celu określenia ilości czynnika wprowadzonego do układu chłodniczego podczas jego napełniania?
A. Wagi elektronicznej.
B. Manometru membranowego.
C. Tachometru indukcyjnego.
D. Manometru różnicowego.
Wykonywanie robót związanych …
Presostat niskiego ciśnienia LP wyłączy sprężarkę przy
A. zbyt niskim ciśnieniu w parowniku.
B. zbyt niskim ciśnieniu oleju.
C. zbyt niskim ciśnieniu tłoczenia.
D. zbyt niskim ciśnieniu skraplania.
Wykonywanie robót związanych …
Który czynnik chłodniczy jest łatwopalny?
A. R600a
B. R744
C. R134a
D. R227
Wykonywanie robót związanych …
Klucz dynamometryczny przeznaczony jest do
A. odkręcania śrub skorodowanych.
B. dokręcania śrub z określonym momentem siły.
C. dokręcania śrub w miejscach trudno dostępnych.
D. odkręcania śrub rzymskich.
Wykonywanie robót związanych …
W przypadku rozszczelnienia układu zawierającego czynnik chłodniczy oznaczony symbolem R744 w pomieszczeniu, w którym miał miejsce wyciek, wystąpi
A. wzrost temperatury.
B. spadek stężenia tlenu.
C. zapłon lub pożar.
D. wzrost stężenia amoniaku.
Eksploatacja i organizacja ro…
Na podstawie podanego cennika oblicz całkowity koszt ekspresowej naprawy (z wymianą sprężarki) lodówki wolnostojącej, jeżeli odległość do miejsca wykonania usługi wynosiła 3 km, ilość czynnika zużyta podczas napełniania lodówki jest równa 0,15 kg, a po wykonaniu naprawy dokonano gruntownego czyszczenia lodówki. Uwzględnij 23% podatek VAT.

A. 503,07 zł
B. 571,00 zł
C. 712,17 zł
D. 702,33 zł