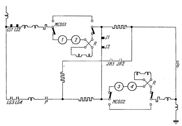
Na rysunku przedstawiono




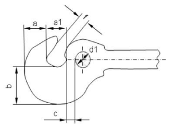
| zestaw 1 - 37MN003P | |||||||||
| Ow | Og | qR | OgL+OgP | D | Az | ||||
| 25÷36 | 22÷33 | 6,5÷11 | 48÷66 | 780÷852 |D-D`| na osi ≤1 |D-D`| w wózku ≤ 2 |D-D`| na ezt ≤ 5 | 1357÷1363 | ||||
| L | P | L | P | L | P | L | P | ||
| 30,2 | 29,4 | 32,9 | 32,5 | 11,8 | 11,3 | 65,4 | 837 | 838,4 | 1359,9 |
| 28,1 | 28,1 | 32 | 32 | 10,6 | 10,8 | 64 | 824,6 | 824,6 | 1360,0 |
| 28,8 | 28,9 | 32,2 | 32,1 | 10,9 | 10,9 | 64,3 | 823 | 823,2 | 1360,2 |
| 28,3 | 28,3 | 31,1 | 31,1 | 10,1 | 10,4 | 62,2 | 820 | 819,8 | 1360,5 |



| Śruba/ nakrętka | Połączenie elektryczne [Nm] | Połączenie mechaniczne [Nm] | |
|---|---|---|---|
| Stal | Mosiądz | ||
| M 6 | 10-15 | 5-10 | 20 |
| M 8 | 30-40 | 10-15 | 35 |
| M 10 | 50-60 | 20-30 | 45 |
| M 12 | 60-70 | 40-50 | 60 |
| M 14 | 90-100 | 60-70 | 100 |
| M 16 | 120-130 | 80-90 | 170 |







| Dane techniczne transformatora rozdzielczego | |
| Typ | TNOSCT |
| Moc | 2500 kVA |
| Napięcie górne | 21000 V |
| Napięcie dolne | 400 V |
| Regulacja napięcia | +2,5%-3x2,5% |
| Układ połączeń | Dyn5 |
| Napięcie zwarcia | 6% |
| Straty jałowe | 2500 W |
| Straty obciążeniowe | 26500W |

