Filtrowanie pytań
Montaż i eksploatacja środków…
A. hydrauliczny.
B. pneumatyczny.
C. magnetyczny.
D. elektro-mechaniczny lub ręczny.
Montaż i eksploatacja sieci z…
Która z poniższych czynności nie jest konieczna do wykonania podczas konserwacji wyłącznika szybkiego z kabiny sekcyjnej, który jest wyposażony w system ochrony przeciwporażeniowej przez uszynienie, w sytuacji, gdy wyłącznik został zamontowany na ruchomym wózku pozwalającym na wysprzęglenie z toru głównego oraz wyprowadzenie z pola celki do konserwacji?
A. Kontrola stanu połączeń kabli uszyniających kabinę z torami
B. Zdejmowanie odłączników kabli zasilających przy sieci trakcyjnej
C. Weryfikacja stanu połączeń uszyniających w obrębie kabiny
D. Uszynienie kabli zasilających przy sieci trakcyjnej
Montaż i eksploatacja sieci z…
Zastąpienie przewodu jezdnego w miejscu, gdzie nastąpiło jego nadmierne zużycie, wymaga użycia pociągu
A. gospodarczego
B. sieciowego
C. montażowego
D. betoniarki
Montaż i eksploatacja sieci z…
Jednym z zadań eksploatacyjnych w stacjach transformacyjnych jest regularna kontrola wentylacji transformatora. Niedostateczny napływ powietrza chłodzącego doprowadzi do
A. zwarcia w przewodach uziemienia
B. zadziałania przekaźnika kontroli temperatury
C. spadku efektywności transformatora
D. zwarcia w uzwojeniach transformatora
TKO.06 Pytanie 205
Montaż i eksploatacja środków…
Hamowanie elektrodynamiczne silnikiem (nie rekuperacyjne) polega na wytracaniu energii elektrycznej
A. na elementach oporowych.
B. poprzez oddawanie jej do sieci powrotnej.
C. w przetwornicach energii elektrycznej.
D. i oddawaniu jej do sieci trakcyjnej.
Montaż i eksploatacja sieci z…
Oznaczenie NHXMH sugeruje, że mamy do czynienia z kablem
A. sterowniczym
B. samochodowym
C. ognioodpornym
D. sygnalizacyjnym
Montaż i eksploatacja sieci z…
Zgodnie z wytycznymi dotyczących konserwacji sieci trakcyjnej (Iet-2) przeglądy regularne sieci trakcyjnej torów szlakowych na trasie o prędkości jazdy v = 160 km/h powinny być przeprowadzane nie rzadziej niż co
A. 6 miesięcy
B. 3 miesiące
C. 24 miesiące
D. 12 miesięcy
Montaż i eksploatacja sieci z…
Czym jest pantograf w kontekście sieci trakcyjnych?
A. Rodzajem izolatora stosowanego w sieciach
B. Urządzeniem do pobierania prądu z przewodu jezdnego
C. Urządzeniem do podtrzymywania przewodów
D. Systemem sterowania ruchem pociągów
Montaż i eksploatacja środków…
Który z poniższych systemów zarządza sygnalizacją świetlną na przejazdach kolejowych?
A. system ERTMS
B. system GSM-R
C. system SRK
D. system ETCS
Montaż i eksploatacja sieci z…
Na tabliczce znamionowej silników prądu stałego oznaczenie D1-D2 odnosi się do uzwojenia
A. nabiegunnika.
B. wirnika (twornika).
C. opóźniającego.
D. wzbudzenia szeregowego.
Montaż i eksploatacja sieci z…
Czym należy się kierować przy doborze przekroju przewodów w sieci trakcyjnej?
A. Tylko długością przewodu
B. Prądem obciążenia i dopuszczalnym spadkiem napięcia
C. Tylko materiałem przewodnika
D. Wyłącznie dopuszczalną temperaturą pracy
Montaż i eksploatacja środków…
Bocznikowanie uzwojenia wzbudzenia w silniku trakcyjnym prądu stałego ma na celu
A. zmianę kierunku obrotów silnika trakcyjnego
B. dezaktywację silnika w razie jego awarii
C. realizację samoczynnego uruchomienia pojazdu
D. sterowanie prędkością obrotową silnika trakcyjnego
Montaż i eksploatacja sieci z…
Podczas przeprowadzania przeglądu sieci trakcyjnej przedstawionej na rysunku stwierdzono

A. zerwanie izolatora.
B. zerwanie wieszaka drutu jezdnego.
C. kradzież górnych lin nośnych.
D. kradzież liny uszynnienia grupowego.
Montaż i eksploatacja sieci z…
Wskaźnik przedstawiony na rysunku odnoszący się do prawego skrajnego toru i kierunku jazdy na wprost informuje o tym, że

A. należy podnieść pantograf.
B. wystąpi chwilowy zanik napięcia przy jeździe na tor boczny.
C. należy opuścić pantograf.
D. nie można przekraczać tego wskaźnika elektrycznym pojazdem trakcyjnym.
Montaż i eksploatacja środków…
Które z poniższych urządzeń jest używane do zmiany kierunku jazdy pojazdu szynowego poprzez odwrócenie biegunowości prądu w silnikach trakcyjnych?
A. nastawnik kierunkowy
B. przekaźnik czasowy
C. wyłącznik szybki
D. bocznik oporowy
Montaż i eksploatacja sieci z…
Przycisk TEST w wyłącznikach różnicowo-prądowych pozwala na weryfikację prawidłowego działania urządzenia poprzez
A. spowodowanie zwarcia dwóch sąsiadujących faz
B. symulację uszkodzenia obwodu
C. wywołanie przepięcia
D. zwarcie przewodu fazowego z neutralnym
Montaż i eksploatacja środków…
Na ilustracji przedstawiono schemat kinetyczny przekładni

A. ślimakowej.
B. łańcuchowej.
C. zębatej.
D. pasowej.
Montaż i eksploatacja sieci z…
Na rysunku zamieszczono kabel oznaczany symbolem literowym

A. YKY
B. YAKY
C. YDY
D. YALY
Montaż i eksploatacja środków…
Jakie urządzenie zabezpiecza przed niekontrolowanym ruchem pociągu na stromym zboczu?
A. przekaźnik bezpieczeństwa
B. hamulec postojowy
C. odłącznik nożowy
D. zawór przelewowy
Montaż i eksploatacja środków…
Na ilustracji przedstawiono łożysko

A. kulkowe.
B. walcowe.
C. ślizgowe.
D. igiełkowe.
Montaż i eksploatacja środków…
Na ilustracji przedstawiono lokomotywę o układzie osi

A. Co’Co’
B. Bo’Bo’
C. C’C’
D. B’B’
Montaż i eksploatacja środków…
Układ pneumatyczny pojazdu szynowego służy do zaopatrywania w sprężone powietrze
A. przetwornicy oświetleniowej.
B. urządzeń pneumatycznych pojazdu, w tym układu hamulcowego.
C. tylko układu otwierania drzwi bocznych.
D. urządzeń hydraulicznych.
Montaż i eksploatacja sieci z…
Wskaż na podstawie tabeli prąd znamionowy możliwy do przesłania przewodem elektrycznym YDY o przekroju 16 mm2 bez jego uszkodzenia, przy instalacji elektrycznej prowadzonej w powietrzu.
| Przekrój znamionowy mm² | Obciążalność prądowa długotrwała [A] | |||
|---|---|---|---|---|
| kabel ułożony w ziemi | kabel prowadzony w powietrzu | |||
| Cu | Al | Cu | Al | |
| 1 | 22 | -- | 15 | -- |
| 1,5 | 28 | -- | 19 | -- |
| 2,5 | 37 | 29 | 27 | 21 |
| 4 | 50 | 38 | 33 | 28 |
| 6 | 61 | 48 | 46 | 36 |
| 10 | 82 | 65 | 62 | 49 |
| 16 | 110 | 85 | 84 | 66 |
| 25 | 145 | 110 | 110 | 87 |
| 35 | 175 | 135 | 136 | 107 |
| 50 | 210 | 165 | 170 | 134 |
| 70 | 260 | 205 | 209 | 165 |
| 95 | 305 | 240 | 253 | 199 |
| 120 | 355 | 275 | 289 | 228 |
| 150 | 405 | 315 | 325 | 265 |
| 185 | 455 | 355 | 382 | 302 |
| 240 | 535 | 415 | 448 | 354 |
| 300 | 605 | 470 | 515 | 407 |
| 400 | 715 | 550 | 615 | 485 |
A. 289 A
B. 165 A
C. 136 A
D. 84 A
Montaż i eksploatacja środków…
Wskazana na rysunku strzałką liczba w oznaczeniu wagonu pasażerskiego informuje o

A. maksymalnej liczbie miejsc siedzących w wagonie.
B. pojemności zbiornika wody w litrach.
C. maksymalnej dopuszczalnej prędkości eksploatacyjnej wagonu.
D. mocy ogrzewania elektrycznego wagonu w kW.
Montaż i eksploatacja sieci z…
Który z wymienionych przyrządów pozwala na bezpośrednie ustalenie braku ciągłości przewodu ochronnego?
A. Wskaźnik neonowy
B. Woltomierz
C. Omomierz
D. Amperomierz cęgowy
Montaż i eksploatacja środków…
Na rysunku czerwoną ramką zaznaczono

A. cięgło trakcyjne.
B. tłumik wężykowania.
C. regulator ugięcia sprężyn.
D. cylinder hamulcowy.
TKO.06 Pytanie 227
Montaż i eksploatacja środków…
Na ilustracji uwidoczniono

A. przesuniętą obręcz zestawu kołowego.
B. pękniętą sprężynę w I stopniu usprężynowania.
C. uszkodzony układ smarowania obrzeży.
D. przegrzane łożysko osi zestawu kołowego
Montaż i eksploatacja sieci z…
Uszkodzenia łączników międzytokowych mają negatywny wpływ na
A. nierównomierny rozkład prądów w sieci jezdnej
B. zakłócenia sygnału zmiennego w sieci powrotnej
C. działanie transformatora w podstacji trakcyjnej
D. równomierny rozkład prądów powrotnych
Montaż i eksploatacja sieci z…
Zanim rozpocznie się prace konserwacyjne na sieci zasilającej z całkowicie odciętym napięciem, aby zapewnić ochronę przed porażeniem, po wyłączeniu konkretnego urządzenia, należy wykonać następujący krok:
A. sprawdzenie, czy w wyłączonym urządzeniu nie ma napięcia
B. powiadomienie osób zajmujących się konserwacją sieci o niebezpiecznym miejscu
C. zabezpieczenie oraz oznaczenie obszaru roboczego
D. uziemienie odłączonego urządzenia
Montaż i eksploatacja sieci z…
Na rysunku widoczna jest słupowa stacja transformatorowa LPN 15/0,4 kV. Element zaznaczony czerwoną obwódką to

A. ochronnik przepięciowy.
B. bezpiecznik rozłącznikowy na napięcie 15 kV.
C. bezpiecznik na napięcie 0,4 kV.
D. wyłącznik z zewnętrzną komorą gaszenia łuku.
Montaż i eksploatacja środków…
Przewóz tłucznia kolejowego powinien być realizowany przy użyciu wagonu
A. cysterny
B. ponadgabarytowego
C. samowyładowczego
D. teleskopowego
Montaż i eksploatacja sieci z…
Elektryczne oddzielenie prądów w torach dla sygnału w obwodach torowych, umożliwiając jednocześnie przepływ prądu powrotnego trakcji, jest osiągalne dzięki zastosowaniu
A. elementu do sekcjonowania sieci.
B. ogranicznika niskonapięciowego typu TZD.
C. izolatora sekcyjnego.
D. dławika torowego.
Montaż i eksploatacja środków…
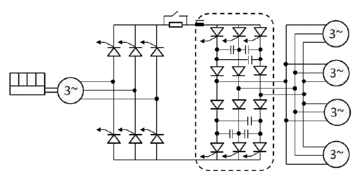
Linią przerywaną na schemacie zaznaczono

A. prostownik sterowany.
B. falownik.
C. prądnicę główną.
D. silnik trakcyjny.
Montaż i eksploatacja środków…
Do regulacji prędkości obrotowej szeregowych silników trakcyjnych prądu stałego przy jeździe bezoporowej stosuje się
A. bocznikowanie uzwojenia wzbudzenia.
B. bocznikowanie uzwojenia twornika.
C. przekaźniki samoczynnego rozruchu.
D. oporniki włączane między uzwojenia twornika i stojana.
TKO.06 Pytanie 235
Montaż i eksploatacja środków…
Malowane znaczniki na czołowych powierzchniach obręczy i kół bosych służą do
A. rejestracji zestawu kołowego przez urządzenia DSAT.
B. diagnozowania przesunięć obręczy względem koła bosego.
C. określania punktów pomiaru profilu geometrycznego.
D. centrowania obręczy podczas jej osadzania na kole bosym.
Montaż i eksploatacja środków…
Nakładki odbieraków prądu w pojazdach szynowych użytkowanych na obszarze Unii Europejskiej produkuje się
A. z materiału węglowego (grafitowe) z domieszką miedzi
B. z miedzi konwertorowej
C. ze stali miękkiej odpornej na ścieranie
D. z miedzi pokrytej smarem grafitowym
Montaż i eksploatacja sieci z…
Łuk elektryczny pojawiający się w miejscu kontaktu nakładki ślizgacza odbieraka prądu z torami jezdnymi w zimowych warunkach zazwyczaj wskazuje na
A. niedostatek smarowania nakładki ślizgacza
B. graniczne zużycie przewodów jezdnych
C. oblodzenie przewodów jezdnych
D. zbyt niski pobór prądu przez odbierak
Montaż i eksploatacja sieci z…
Inspekcje sieci trakcyjnej torów głównych na linii z prędkością 160 km/h powinny być przeprowadzane nie rzadziej niż co
A. 2 miesiące
B. 1 miesiąc
C. 12 miesięcy
D. 6 miesięcy
Montaż i eksploatacja sieci z…
Na przewodzie znajduje się izolacja w kolorze żółto-zielonym.
A. ochronnym WN.
B. neutralnym N.
C. liniowym L.
D. ochronnym PE.
TKO.06 Pytanie 240
Montaż i eksploatacja środków…
Na schemacie jest przedstawiony cykl przeglądowo-naprawczy spalinowego zespołu trakcyjnego. Jeżeli przebieg jednego z pojazdów od momentu wyprodukowania wynosi 562 000 km, to następne czynności przeglądowe na tym pojeździe wykonywane będą według wytycznych dla poziomu

A. PU4
B. PU2
C. PU3-1
D. PU3-2