Filtrowanie pytań
Montaż oraz instalowanie ukła…
A. 2 anteny satelitarne z konwerterami quatro i 8 odbiorników
B. 1 antenę satelitarną z konwerterem quatro i 8 odbiorników
C. 1 antenę satelitarną z konwerterem single oraz 8 odbiorników
D. 2 anteny satelitarne z konwerterami single oraz 8 odbiorników
Montaż oraz instalowanie ukła…
Multiswitch zainstalowany w systemie antenowym, mający 5 wejść, w tym jedno dla telewizji naziemnej, umożliwia odbiór wszystkich kanałów u każdego abonenta?
A. z 4 satelitów
B. z 2 satelitów
C. z 1 satelity
D. z 5 satelitów
Montaż oraz instalowanie ukła…
Podczas serwisowania konkretnego urządzenia elektronicznego, technik zauważył, że można usunąć usterkę poprzez wymianę modułu (koszt zakupu nowego modułu - 230 zł, czas trwania naprawy - 0,5 godziny) lub poprzez naprawę uszkodzonego modułu (koszt zakupu uszkodzonych elementów - 57 zł, czas trwania naprawy - 3 godziny). Koszt jednej roboczogodziny wynosi 68 zł. Koszt dostarczenia naprawionego urządzenia do klienta to 50 zł. Technik zaproponował klientowi najtańsze rozwiązanie, polegające na
A. wymianie całego modułu bez dostarczania naprawionego urządzenia do klienta.
B. naprawie uszkodzonego modułu z dowozem urządzenia do klienta.
C. naprawie uszkodzonego modułu bez dostarczenia naprawionego urządzenia do klienta.
D. wymianie całego modułu z dowozem urządzenia do klienta.
ELM.02 Pytanie 604
Montaż oraz instalowanie ukła…
Wskaż właściwą kolejność wykonywania czynności związanych ze sprawdzeniem przewodu instalacji sieci komputerowej.
| Lista czynności: 1. Podpięcie przewodu do testera LAN. 2. Odpięcie przewodu od łączonych elementów sieci. 3. Podłączenie przewodu do urządzeń sieciowych. 4. Testowanie okablowania. |
A. 2,4,3,1
B. 2,1,4, 3
C. 1,4,2,3
D. 4,2,1,3
Montaż oraz instalowanie ukła…
Zanim przystąpimy do wymiany uszkodzonej fotokomórki szlabanu wjazdowego na posesję, najpierw należy
A. skonfigurować piloty do sterowania szlabanem
B. zdjąć napęd szlabanu
C. usunąć obudowę fotokomórki
D. odłączyć napięcie zasilające szlaban
ELM.02 Pytanie 606
Montaż oraz instalowanie ukła…
W tabeli przedstawiono fragment danych technicznych kamery IP. W jakim maksymalnym zakresie temperatur może ona pracować?
| Dane techniczne | |
| Przetwornik | 1/3" 2 MP PS CMOS |
| Rozdzielczość | 2 Mpx, 1920 x 1080 pikseli |
| Czułość | 0,01 lux/F 1,2, 0 lux (IR LED ON) |
| Obiektyw | 3,6 mm |
| Oświetlacz | 35 diod ⌀5 IR LED (zasięg 20 m) |
| Stosunek sygnału do szumu | >50 dB (AGC OFF) |
| Kompresja wideo | H.264/MJPEG/MPEG4 |
| Prędkość i rozdzielczość przetwarzania | 25 kl/s @ 1920×1080 (2 Mpx) |
| Strumienie | transmisja strumienia głównego: 2 Mpx / 720 p (25 kl/s) transmisja strumienia pomocniczego: D1/CIF (25 kl/s) |
| Bitrate | 32 K ~ 8192 Kbps (H.264), 32 K ~ 12288 Kbps (MJPEG) |
| Ustawienia | AWB, ATW, AGC, BLC, DWDR, 3DNR, HLC, MIR |
| Dzień / Noc | ICR |
| Ethernet | 10/100 Base-T PoE 802.3af |
| Wsparcie dla protokołów | Onvif, PSIA, CGI |
| Obsługiwane protokoły | IPv4/IPv6, HTTP, HTTPS, SSL, TCP/IP, UDP, UPnP, ICMP, IGMP, SNMP, RTSP, RTP, SMTP, NTP, DHCP, DNS, PPPOE, DDNS, FTP, IP Filter, QoS, Bonjour |
| Klasa szczelności | IP66 |
| Zacisk przewodu ochronnego | TAK |
| Zasilanie | DC 12 V (gniazdo 5,5/2,1) lub PoE 48 V (802.3af) |
| Wilgotność | 0 ~ 95% |
| Temperatura pracy | -20°C ~ 60°C |
| Waga | 650 g |
| Wymiary | 70x66x160 mm |
A. Od 0°C do +40°C
B. Od -10°C do +40°C
C. Od -30°C do +80°C
D. Od -20°C do +60°C
Montaż oraz instalowanie ukła…
Przedstawiony na rysunku element łączący dwa światłowody oraz pozwalający na trwałe ustawienie włókien względem siebie tak, aby sygnał przechodził między ich czołami przy zachowaniu minimalnego tłumienia, to

A. splot elektryczny.
B. spaw optyczny.
C. spaw mechaniczny.
D. splot magnetyczny.
Montaż oraz instalowanie ukła…
Na fotografii przedstawiono czujkę

A. ruchu.
B. dymu.
C. wilgoci.
D. zmierzchu.
Montaż oraz instalowanie ukła…
Licznik modulo 10 jest uszkodzony i zlicza do 16. Jaka jest przyczyna wadliwej pracy licznika?

A. Przerwa w obwodzie C - wy.
B. Przerwa w obwodzie QB - we 1.
C. Przerwa w obwodzie QD - we 2.
D. Zwarcie wyjścia bramki do masy.
Montaż oraz instalowanie ukła…
Jakie środki należy wykorzystać do ugaszenia ubrania palącego się na ciele?
A. koc gaśniczy
B. gaśnicę proszkową
C. gaśnicę śniegową
D. gaśnicę pianową
ELM.02 Pytanie 611
Montaż oraz instalowanie ukła…
Podstawowe działania serwisowe realizowane w ramach konserwacji systemu monitoringu wizyjnego nie dotyczą
A. zamiany kamery na nowocześniejszy model
B. weryfikacji zasilania kamer
C. definiowania pola widzenia kamer
D. diagnostyki uszkodzeń
Montaż oraz instalowanie ukła…
Czym jest multiplekser w kontekście układów kombinacyjnych?
A. sterowanie wskaźnikiem 7-segmentowym
B. przekazywanie sygnału cyfrowego "1 z n" wybranego adresem na wyjście
C. liczenie oraz przechowywanie impulsów
D. konwersja kodu pierścieniowego "1 z n" na sygnał wyjściowy
Montaż oraz instalowanie ukła…
Rysunek przedstawia przewód przygotowany do wykonania złącza

A. SCART
B. BNC
C. RJ45
D. HDMI
Montaż oraz instalowanie ukła…
Na fotografii widoczny jest tylny panel kamery CCTV. Cyfrą 1 oznaczono gniazdo

A. USB
B. BNC
C. D.CINCH
D. JACK
Montaż oraz instalowanie ukła…
Urządzenie, które może być używane na zewnątrz i cechuje się wysoką odpornością na negatywne działanie warunków atmosferycznych, to
A. głowica w.cz.
B. konwerter satelitarny.
C. multiswitch.
D. tuner telewizji satelitarnej.
Montaż oraz instalowanie ukła…
Przedstawiony na schemacie układ pomiarowy służy do pomiaru rezystancji metodą

A. bezpośrednią.
B. mostkową.
C. porównawczą.
D. techniczną.
Montaż oraz instalowanie ukła…
W jakim celu nosi się opaskę antyelektrostatyczną na ręku podczas wymiany podzespołów lub układów scalonych w nowoczesnych urządzeniach elektronicznych?
A. Aby chronić układy scalone CMOS przed szkodliwym działaniem ładunków elektrostatycznych gromadzących się na ciele montera
B. Aby chronić montera przed porażeniem prądem elektrycznym z zasilenia urządzenia elektronicznego
C. Aby chronić układy scalone TTL przed niekorzystnym wpływem ładunków elektrostatycznych nagromadzonych na ciele montera
D. Aby zabezpieczyć montera przed szkodliwym działaniem ładunków elektrostatycznych nagromadzonych w urządzeniu
Montaż oraz instalowanie ukła…
W systemie automatyki uległ awarii przekaźnik. Napięcie zasilające cewkę tego przekaźnika wynosi 12 V DC. Prąd przepływający przez styki robocze przekaźnika osiąga maksymalnie 20 A DC. Napięcie na stykach roboczych może wynosić nawet 100 V DC. Jakie parametry powinien posiadać przekaźnik, który ma zastąpić uszkodzony?
A. Napięcie cewki – 12 V DC Prąd styków – 20 A DC Napięcie styków – 50 V DC
B. Napięcie cewki – 12 V DC Prąd styków – 25 A DC Napięcie styków – 50 V DC
C. Napięcie cewki – 12 V DC Prąd styków – 15 A DC Napięcie styków – 300 V DC
D. Napięcie cewki – 12 V DC Prąd styków – 25 A DC Napięcie styków – 300 V DC
Montaż oraz instalowanie ukła…
Ile żył powinien mieć kabel łączący komputer z modemem, zakończony na obu końcach wtykami RJ-45?
A. 4
B. 9
C. 8
D. 2
Montaż oraz instalowanie ukła…
Miernik przedstawiony na zdjęciu służy do pomiaru sygnału w telewizji

A. kablowej.
B. satelitarnej.
C. analogowej naziemnej.
D. cyfrowej naziemnej.
Montaż oraz instalowanie ukła…
Ile przewodów potrzeba do standardowego podłączenia czujnika ruchu z antysabotażowym wejściem?
A. 8
B. 4
C. 6
D. 2
Montaż oraz instalowanie ukła…
W jaką końcówkę powinien być zaopatrzony wkrętak, umożliwiający odkręcenie obudowy centralki alarmowej, jeśli producent zastosował wkręty z łbem oznaczonym jako PH2?

A. Torx
B. Philips
C. Pozidriv
D. Tri-Wing
Montaż oraz instalowanie ukła…
Przy regulacji urządzeń elektronicznych zasilanych energią należy korzystać z narzędzi
A. izolowanych
B. zasilanych akumulatorowo
C. wykonanych z elastycznych tworzyw sztucznych
D. odpornych na wysoką temperaturę
ELM.02 Pytanie 624
Montaż oraz instalowanie ukła…
Urządzenie służące do pomiaru bitowej stopy błędów (BER) stosuje się do analizy parametrów
A. telewizji dozorowej
B. systemu alarmowego
C. instalacji antenowej
D. sieci komputerowej
Montaż oraz instalowanie ukła…
Aby uzyskać najlepszą precyzję pomiaru napięcia wynoszącego około 110 mV, należy ustawić woltomierz na zakres
A. 300 mV
B. 1000 mV
C. 150 mV
D. 100 mV
Montaż oraz instalowanie ukła…
Jaki czujnik pozwala na pomiar naprężeń mechanicznych w konstrukcjach?
A. Czujnik hallotronowy
B. Czujnik tensometryczny
C. Czujnik pojemnościowy
D. Czujnik magnetyczny
Montaż oraz instalowanie ukła…
W każdej linii kodu, oprócz mnemonika instrukcji, można dodać po średniku sekwencję znaków, która zostanie zignorowana przez asembler. Co to jest?
A. instrukcja.
B. komentarz.
C. znamie.
D. argumenty.
Montaż oraz instalowanie ukła…
Jakie rodzaje sił stanowią zagrożenie dla mechanicznych połączeń światłowodowych?
A. Poprzeczne
B. Wzdłużne
C. Ukośne
D. Skrośne
Montaż oraz instalowanie ukła…
Aby zarchiwizować materiał wideo w rejestratorze, należy podłączyć go do gniazda na wewnętrznym dysku twardym
A. USB
B. SATA
C. HDMI
D. LAN
Montaż oraz instalowanie ukła…
Który z parametrów odnosi się do wartości 20 Mpx, podanej w specyfikacji cyfrowego aparatu fotograficznego?
A. Rozdzielczość matrycy światłoczułej
B. Czas reakcji migawki
C. Optyczne powiększenie obrazu
D. Cyfrowe powiększenie obrazu
ELM.02 Pytanie 631
Montaż oraz instalowanie ukła…
PAL B/G, PAL, SECAM, NTSC - jakie skróty dotyczą?
A. metod kodowania kolorów w sygnale telewizyjnym
B. metod kodowania sygnału AUDIO
C. nazwa szyn systemowych mikrokontrolera 8051
D. nazwa obszarów w półprzewodnikach
Montaż oraz instalowanie ukła…
Który z symboli graficznych przedstawia multiplekser?

A. A.
B. D.
C. C.
D. B.
Montaż oraz instalowanie ukła…
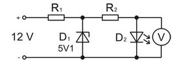
Jakie napięcie wskaże woltomierz, jeżeli uszkodzona (przerwa) jest czerwona dioda LED w układzie przedstawionym na schemacie?

A. 10,1 V
B. 5,1 V
C. 7,5 V
D. 2,5 V
Montaż oraz instalowanie ukła…
Przedstawiony na ilustracji znak ostrzega przed

A. substancjami o właściwościach utleniających.
B. materiałami wybuchowymi.
C. materiałami toksycznymi.
D. butlami pod ciśnieniem.
Montaż oraz instalowanie ukła…
Jakiego typu złącza mogą być zaciskane przy pomocy narzędzia przedstawionego na zdjęciu?

A. TNC
B. BNC
C. HDMI
D. RJ-45
Montaż oraz instalowanie ukła…
Mostek Graetza stanowi przykład
A. zasilacza
B. stabilizatora
C. generatora
D. prostownika
Montaż oraz instalowanie ukła…
Która metoda instalacji podstaw koryt kablowych jest niewłaściwa?
A. Mocowanie przy pomocy stalowych gwoździ
B. Gipsowanie w bruzdach
C. Przyklejanie do podłoża
D. Mocowanie przy użyciu kołków rozporowych oraz wkrętów
ELM.02 Pytanie 638
Montaż oraz instalowanie ukła…
Czujnik kontaktronowy, często wykorzystywany w systemach alarmowych, zmienia swój stan pod wpływem
A. zmiany temperatury
B. pola elektrycznego
C. pola magnetycznego
D. zmiany natężenia dźwięku
ELM.02 Pytanie 639
Montaż oraz instalowanie ukła…
Jak monitoruje się jakość sygnału telewizyjnego u poszczególnych abonentów telewizji kablowej?
A. poziom sygnału wizyjnego w gniazdach abonenckich różnych użytkowników
B. poziom sygnału przesyłanego przez stację czołową do abonentów
C. współczynnik szumów w kanale zwrotnym poszczególnych abonentów
D. współczynnik szumów w sygnale dostarczanym przez stację czołową do abonentów
Montaż oraz instalowanie ukła…
Jaką liczbę wyjść ma konwerter TWIN?
A. cztery wyjścia
B. dwa wyjścia
C. jedno wyjście
D. osiem wyjść