Filtrowanie pytań
Montaż oraz instalowanie ukła…
A. ustawieniu "0 Ohm" przy zwartych zaciskach pomiarowych
B. do wyboru odpowiedniego zakresu do przewidywanej wartości pomiarowej
C. ustawieniu "0 Ohm" przy rozwartych zaciskach pomiarowych
D. dostosowaniu rezystancji bocznika
ELM.02 Pytanie 642
Montaż oraz instalowanie ukła…
Operatorzy kablowych sieci telewizyjnych sprawdzają jakość sygnału u poszczególnych subskrybentów, wykonując pomiary parametrów sygnału
A. nadanego przez stację czołową
B. w kanale zwrotnym
C. w poszczególnych gniazdach abonenckich
D. na wyjściach poszczególnych węzłów optycznych
Montaż oraz instalowanie ukła…
Jaki typ wyświetlacza przedstawiono na rysunku?

A. Plazmowy.
B. Fluorescencyjny.
C. Alfanumeryczny LCD.
D. Alfanumeryczny LED.
Montaż oraz instalowanie ukła…
Na fotografii przedstawiony jest multiswitch

A. 4-wejściowy i 4-wyjściowy.
B. 5-wejściowy i 4-wyjściowy.
C. 5-wejściowy i 8-wyjściowy.
D. 4-wejściowy i 9-wyjściowy.
Montaż oraz instalowanie ukła…
Urządzenie przedstawione na rysunku umożliwia

A. rozdział sygnału TV na kilka odbiorników.
B. rozdział napięcia zasilania do kilku kamer.
C. podłączenie kilku kamer do jednego wejścia rejestratora.
D. podłączenie kilku czujek do jednego wejścia centrali alarmowej.
Montaż oraz instalowanie ukła…
Generator funkcyjny został skonfigurowany na sygnał o częstotliwości 1 kHz oraz maksymalnej wartości szczytowej wynoszącej 1 V. Po podłączeniu woltomierza AC, jego wskazanie wyniosło 0,707 V. Jaki kształt ma badany sygnał?
A. impulsowy
B. trójkątny
C. prostokątny
D. sinusoidalny
Montaż oraz instalowanie ukła…
Przedstawione w tabeli parametry techniczne dotyczą
| Pasmo częstotliwości pracy | 868,0 MHz ÷ 868,6 MHz |
| Zasięg komunikacji radiowej (w terenie otwartym) | do 500 m |
| Bateria | CR123A3V |
| Czas pracy na baterii | do 3 lat |
| Pobór prądu w stanie gotowości | 50 μA |
| Maksymalny pobór prądu | 16 mA |
| Zakres temperatur pracy | -10°C ÷ +55°C |
| Maksymalna wilgotność | 93±3% |
| Wymiary obudowy czujki | 26 x 112 x 29 mm |
| Wymiary obudowy magnesu do montażu powierzchniowego | 26 x 13 x 19 mm |
| Wymiary podkładki pod magnes do montażu powierzchniowego | 26 x 13 x 3,5 mm |
| Wymiary obudowy magnesu do montażu wpuszczanego | 28 x 10 x 10 mm |
| Masa | 56 g |
A. czujki zalania.
B. czujki kontaktronowej.
C. bariery podczerwieni.
D. czujki dymu.
Montaż oraz instalowanie ukła…
Przedstawiony wtyk RJ11 stosuje się do podłączenia

A. drukarki.
B. telefonu.
C. karty sieciowej.
D. plotera.
Montaż oraz instalowanie ukła…
Urządzenie przedstawione na zdjęciu to

A. czujka liniowa.
B. czujka kontaktronowa.
C. przekaźnik pomocniczy.
D. listwa zaciskowa.
Montaż oraz instalowanie ukła…
Jakie urządzenie pozwala na podłączenie anteny o impedancji falowej 300 Ω do odbiornika, który ma gniazdo antenowe o impedancji 75 Ω?
A. symetryzator
B. rozdzielacz
C. zwrotnica
D. konwerter
Montaż oraz instalowanie ukła…
Jakie urządzenie jest odpowiedzialne za rozdzielanie tonów niskich, średnich i wysokich do głośników?
A. equalizer
B. komparator głośnikowy
C. zwrotnica głośnikowa
D. limiter
Montaż oraz instalowanie ukła…
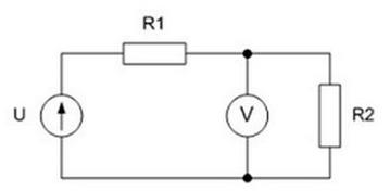
W przedstawionym na rysunku obwodzie woltomierz wskazuje wartość napięcia 10 V. Tranzystor T1

A. ma zwarcie emiter - kolektor.
B. jest w stanie przewodzenia.
C. ma przerwę.
D. jest w stanie zaporowym.
Montaż oraz instalowanie ukła…
Jakie z poniższych symptomów może wystąpić w momencie, gdy w niezabezpieczonej sieci energetycznej dojdzie do przepięcia?
A. Włączenie wyłącznika różnicowoprądowego, zamontowanego w tej sieci
B. Uszkodzenie urządzeń elektronicznych zasilanych z tej sieci
C. Włączenie wyłącznika nadprądowego, chroniącego urządzenia zasilane z tej sieci
D. Wzrost poboru prądu przez urządzenia elektroniczne zasilane z tej sieci
Montaż oraz instalowanie ukła…
Jaką kamerę można rozpoznać na zdjęciu na podstawie złącz, w które jest wyposażona?

A. Zasilaną napięciem przemiennym.
B. Z oświetlaczem IR.
C. Internetową monitoringu IP.
D. Monitoringu przemysłowego CCTV.
Montaż oraz instalowanie ukła…
Jakiego rodzaju diodą jest dioda o oznaczeniu BZV49-C7V5?
A. Pojemnościowa
B. Zenera
C. Prostownicza
D. Tunelowa
ELM.02 Pytanie 656
Montaż oraz instalowanie ukła…
Przedstawiony na rysunku zestaw podzespołów stosuje się w

A. instalacjach telewizji satelitarnej.
B. rozległych sieciach komputerowych.
C. sieciach automatyki przemysłowej.
D. systemach kontroli dostępu.
Montaż oraz instalowanie ukła…
Jakie urządzenie wchodzące w skład instalacji odbiornika satelitarnego przedstawiono na fotografii?

A. Transponder.
B. Konwerter.
C. Tuner.
D. Expander.
Montaż oraz instalowanie ukła…
Jaką funkcję pełni czasza w antenie satelitarnej?
A. umożliwienie zamontowania konwertera pod właściwym kątem
B. skierowanie konwertera w stronę wybranego satelity
C. odbicie fal i skierowanie ich do konwertera
D. umożliwienie odbioru konkretnych częstotliwości sygnału
Montaż oraz instalowanie ukła…
Analogowy woltomierz ma skalę od 0 do 100 działek. Jaka jest wartość napięcia, jeżeli pomiar był wykonany w zakresie 200 V, a wskaźnik wskazuje 80 działek?
A. 160 V
B. 40 V
C. 120 V
D. 80 V
ELM.02 Pytanie 660
Montaż oraz instalowanie ukła…
Aby zakończyć instalację telewizyjną wykonaną przy użyciu kabla koncentrycznego, konieczne jest zastosowanie rezystora o oporności
A. 300 Ω
B. 50 Ω
C. 75 Ω
D. 500 Ω
Montaż oraz instalowanie ukła…
Jakie oznaczenie literowe ma przewód wykorzystywany w połączeniach elementów systemów alarmowych?
A. SMY
B. YTDY
C. LGY
D. F/UTP
Montaż oraz instalowanie ukła…
Bezpiecznik topikowy stanowi komponent, który chroni przed efektami
A. zwarć w obwodzie elektrycznym
B. spadku napięcia zasilającego
C. nagromadzenia ładunku elektrostatycznego
D. przepięć w instalacji elektrycznej
ELM.02 Pytanie 663
Montaż oraz instalowanie ukła…
Każdą funkcję logiczną da się zrealizować jedynie przy wykorzystaniu bramek
A. NAND
B. OR
C. EX-OR
D. NOT
ELM.02 Pytanie 664
Montaż oraz instalowanie ukła…
Zadaniem systemu jest ochrona przed dostępem osób nieupoważnionych do wyznaczonych stref w obiekcie oraz identyfikacja osób wchodzących i przebywających na terenie tych stref?
A. systemu alarmowego w razie włamania i napadu
B. monitoringu wizyjnego
C. przeciwpożarowego
D. kontroli dostępu
ELM.02 Pytanie 665
Montaż oraz instalowanie ukła…
W jakim urządzeniu stosuje się zjawisko defleksji elektronów w polu elektromagnetycznym?
A. Dysku twardym
B. Nośniku optycznym
C. Ekranie LCD
D. Monitorze CRT
Montaż oraz instalowanie ukła…
Najlepiej połączyć bierne kolumny głośnikowe z akustycznym wzmacniaczem przy użyciu przewodu
A. symetrycznym o małym przekroju żył
B. koncentrycznym nieekranowanym
C. symetrycznym o dużym przekroju żył
D. koncentrycznym ekranowanym
Montaż oraz instalowanie ukła…
Aby połączyć dwa styki alarmowe z dwóch czujników PIR typu NC w jedno wejście centrali, należy je podłączyć
A. równolegle
B. w trójkąt
C. szeregowo
D. w gwiazdę
Montaż oraz instalowanie ukła…
Do połączenia jakich urządzeń nie nadaje się przedstawiony na fotografii kabel zakończony z obu stron złączem RJ-45?

A. Modemu z gniazdem telefonicznym
B. Komputera z modemem.
C. Telewizora z routerem.
D. Komputera z routerem.
Montaż oraz instalowanie ukła…
Przyrząd przedstawiony na rysunku służy do przytrzymywania

A. szkła powiększającego podczas lutowania.
B. stopu lutowniczego podczas lutowania.
C. elementów elektronicznych podczas lutowania.
D. płytek drukowanych podczas lutowania.
Montaż oraz instalowanie ukła…
Jaką rolę odgrywa urządzenie kontrolno-pomiarowe w systemie automatyki przemysłowej?
A. zawór elektromagnetyczny
B. zawór regulacyjny
C. kontroler
D. przetwornik
Montaż oraz instalowanie ukła…
Aby zlokalizować uszkodzenie tranzystora bipolarnego bez jego wylutowywania z płyty głównej systemu alarmowego, powinno się zmierzyć
A. natężenie prądu kolektora tranzystora
B. rezystancję złącz pomiędzy B, E, C przy włączonym systemie
C. rezystancję złącz pomiędzy B, E, C przy wyłączonym systemie
D. napięcia pomiędzy końcówkami E, B, C przy włączonym systemie
Montaż oraz instalowanie ukła…
Czas potrzebny na naprawę magnetowidu to 0,5 godziny. Koszt materiałów wynosi 80 zł, a stawka godzinowa technika to 40 zł. Jaki będzie całkowity koszt naprawy, uwzględniając 22% podatek VAT?
A. 100,00 zł
B. 117,60 zł
C. 146,40 zł
D. 122,00 zł
Montaż oraz instalowanie ukła…
Dokładne umycie i odtłuszczenie powierzchni płytki przed instalacją elementów elektronicznych jest wykonywane w celu
A. zapobiegania pękaniu lutu
B. zapobiegania utlenianiu lutu
C. zwiększenia adhezji lutowia do pola lutowniczego
D. zwiększenia temperatury topnienia lutu
ELM.02 Pytanie 674
Montaż oraz instalowanie ukła…
Podwyższenie dobroci Q filtru RLC w selektywnym wzmacniaczu doprowadzi do
A. wzrostu częstotliwości środkowej fo
B. spadku współczynnika prostokątności
C. spadku częstotliwości środkowej fo
D. wzrostu współczynnika prostokątności
Montaż oraz instalowanie ukła…
Metalowe urządzenie elektroniczne dysponuje 3 stykami oznaczonymi jako L, N, PE. W jaki sposób należy podłączyć elektryczny kabel zasilający, który składa się z 3 żył (czarny, niebieski, żółto-zielony)?
A. L - niebieski, N - żółto-zielony, PE - czarny
B. L - żółto-zielony, N - niebieski, PE - czarny
C. L - czarny, N - niebieski, PE - żółto-zielony
D. L - żółto-zielony, N - czarny, PE - niebieski
Montaż oraz instalowanie ukła…
Przedstawiony na ilustracji przerzutnik JK ma wejście zegarowe wyzwalane

A. poziomem wysokim.
B. poziomem niskim.
C. zboczem narastającym.
D. zboczem opadającym.
Montaż oraz instalowanie ukła…
Element elektroniczny, którego symbol graficzny przedstawiono na rysunku to

A. diak.
B. triak.
C. tyrystor.
D. warystor.
Montaż oraz instalowanie ukła…
Aby zarchiwizować materiał wideo w rejestratorze, należy podłączyć go do gniazda na wewnętrznym dysku twardym
A. USB
B. HDMI
C. SATA
D. LAN
Montaż oraz instalowanie ukła…
Opis przewodu U/UTP 4×2×0,5 oznacza przewód
A. nieekranowany o czterech żyłach w podwójnej izolacji o długości 0,5 m
B. ekranowany o czterech żyłach w podwójnej izolacji o długości 0,5 m
C. nieekranowany czterożyłowy o przekroju 0,5 mm2
D. ekranowany czterożyłowy o przekroju 0,5 mm2
Montaż oraz instalowanie ukła…
Podaj właściwą sekwencję przejścia sygnału satelitarnego do telewizora.
A. Konwerter, antena satelitarna, odbiornik satelitarny, odbiornik telewizyjny
B. Antena satelitarna, odbiornik satelitarny, konwerter, odbiornik telewizyjny
C. Antena satelitarna, konwerter, odbiornik satelitarny, odbiornik telewizyjny
D. Odbiornik satelitarny, antena satelitarna, konwerter, odbiornik telewizyjny