Filtrowanie pytań
Eksploatacja urządzeń elektro…
A. 11001100
B. 01100110
C. 11101110
D. 10101010
Eksploatacja urządzeń elektro…
W przypadku wzmacniaczy prądu stałego pomiędzy kolejnymi stopniami nie wykorzystuje się sprzężenia pojemnościowego, ponieważ kondensator
A. nie przekazuje składowej stałej sygnału
B. tworzy przerwę dla sygnału o wysokiej częstotliwości
C. jest zworą dla sygnału stałego
D. tak jak dioda, przewodzi sygnał w jednym kierunku
Eksploatacja urządzeń elektro…
Który człon nie występuje w strukturze idealnego regulatora PID?

A. Różniczkujący.
B. Proporcjonalny.
C. Całkujący.
D. Pamiętający.
Eksploatacja urządzeń elektro…
Wtórnik emiterowy to wzmacniacz z tranzystorem w układzie
A. wspólnego źródła
B. wspólnej bazy
C. wspólnego emitera
D. wspólnego kolektora
Eksploatacja urządzeń elektro…
Jakie rodzaje pamięci tracą zawartość po ustaniu zasilania?
A. EEPROM
B. EPROM
C. RAM
D. PROM
Eksploatacja urządzeń elektro…
Układ cyfrowy sekwencyjny wyróżnia się tym, że sygnał na wyjściu
A. jest uzależniony od aktualnej informacji wejściowej, ale nie jest uzależniony od uprzednich informacji wyjściowych
B. jest uzależniony od aktualnej informacji wejściowej oraz od uprzednich informacji wyjściowych
C. nie jest uzależniony od aktualnej informacji wejściowej, natomiast zależy od uprzednich informacji wyjściowych
D. nie jest uzależniony od aktualnej informacji wejściowej ani od uprzednich informacji wyjściowych
Eksploatacja urządzeń elektro…
W układzie filtru górnoprzepustowego pulsację graniczną ωgr wyznacza się korzystając z warunku R=Xc. Dobierz wartość rezystancji R aby pulsacja graniczna była równa 106 rad/s.

A. 10 Ω
B. 1 MΩ
C. 1 kΩ
D. 100 kΩ
Eksploatacja urządzeń elektro…
Kiedy impedancja falowa linii Zf oraz impedancja obciążenia Zobc są równe, to linia długa
A. nie jest dostosowana falowo
B. stanowi dla sygnału wejściowego przerwę
C. stanowi dla sygnału wejściowego zwarcie
D. jest dostosowana falowo
Eksploatacja urządzeń elektro…
Port USB stanowi uniwersalną magistralę
A. równoległo-szeregowa
B. równoległa
C. szeregowo-równoległa
D. szeregowa
Eksploatacja urządzeń elektro…
Schemat blokowy którego układu pokazano na rysunku?

A. Filtru aktywnego.
B. Generatora sterowanego napięciem VCO.
C. Pętli synchronizacji fazy PLL.
D. Generatora sterowanego prądem CCO.
Eksploatacja urządzeń elektro…
Który element oznacza się symbolem pokazanym na rysunku?

A. Tyrystor.
B. Tranzystor.
C. Diodę.
D. Diak.
Eksploatacja urządzeń elektro…
Ile wejść adresowych posiada multiplekser 8-wejściowy?
A. 2 wejścia adresowe
B. 5 wejść adresowych
C. 3 wejścia adresowe
D. 4 wejścia adresowe
ELM.05 Pytanie 93
Eksploatacja urządzeń elektro…
Częścią odpowiedzialną za przekształcenie energii fal elektromagnetycznych na napięcie w radiowym odbiorniku jest
A. heterodyna
B. demodulator
C. antenna odbiorcza
D. wzmacniacz w.cz.
Eksploatacja urządzeń elektro…
W regulatorze PID wystąpiła awaria, która powoduje, że uchyb ustalony nie zmierza do 0. Przyczyną problemu może być uszkodzenie w elemencie
A. różniczkującym
B. inercyjnym
C. całkującym
D. proporcjonalnym
Eksploatacja urządzeń elektro…
Na rysunku pokazano zależność tłumienia od częstotliwości A=f(f) pewnego filtru. Jaki to rodzaj filtru?

A. Pasmowo-przepustowy.
B. Pasmowo-zaporowy.
C. Dolnoprzepustowy.
D. Górnoprzepustowy.
Eksploatacja urządzeń elektro…
W wzmacniaczu mocy działającym w klasie A prąd przez element aktywny tego wzmacniacza (tranzystor) przepływa przez czas
A. wynoszący pełen okres sygnału sterującego
B. krótszy niż pełen okres, lecz dłuższy niż pół okresu sygnału sterującego
C. wynoszący połowę okresu sygnału sterującego
D. krótszy od pół okresu sygnału sterującego
Eksploatacja urządzeń elektro…
Liczba (0001 0010 0100) BCD przedstawiona w kodzie BCD (ang. Binary-Coded Decimal) po przekształceniu na system dziesiętny będzie miała wartość
A. 124
B. 123
C. 321
D. 111
Eksploatacja urządzeń elektro…
Przestawione na rysunku elementy to

A. fotorezystory.
B. potencjometry.
C. kondensatory.
D. dławiki.
ELM.05 Pytanie 99
Eksploatacja urządzeń elektro…
Na podstawie analizy instalacji telewizyjnej nie jest możliwe określenie
A. zniekształceń lustra czaszy anteny
B. korozji czaszy anteny
C. uszkodzenia powłoki kabla
D. uszkodzeń elektroniki konwertera
Eksploatacja urządzeń elektro…
W wielostopniowych wzmacniaczach prądu stałego pomiędzy poszczególnymi stopniami stosowane są różne rodzaje sprzężeń
A. pojemnościowe
B. galwaniczne
C. transformatorowe
D. mieszane
Eksploatacja urządzeń elektro…
W jaki sposób należy połączyć wyjście układu TTL z wejściem układu CMOS, gdy oba układy są zasilane napięciem +5 V?
A. Rozdzielić wejście-wyjście trymerem
B. Rozdzielić wejście-wyjście kondensatorem
C. Zastosować diodę separującą
D. Zastosować rezystor podciągający
Eksploatacja urządzeń elektro…
Z uwagi na efektywność połączenia wzmacniacza z głośnikiem, konieczne jest, aby impedancja wyjściowa wzmacniacza była
A. jak najniższa
B. zgodna z impedancją głośnika
C. niższa od impedancji głośnika
D. wyższa od impedancji głośnika
Eksploatacja urządzeń elektro…
W jakim układzie pracuje wzmacniacz operacyjny oznaczony na schemacie literą B?

A. Nieodwracającym.
B. Całkującym.
C. Różniczkującym.
D. Odwracającym.
Eksploatacja urządzeń elektro…
Rodzaj metody pomiarowej, w której wartość mierzonej wielkości uzyskuje się na podstawie pomiarów innych, powiązanych z nią wielkości, zgodnie z zależnością funkcyjną teoretyczną lub doświadczalną, to metoda
A. pośrednia
B. względna
C. bezpośrednia
D. bezwzględna
Eksploatacja urządzeń elektro…
Który typ pamięci nieulotnej w urządzeniach elektronicznych pozwala na aktualizację firmware bez konieczności użycia dedykowanego programatora?
A. EEPROM
B. EPROM
C. OTP ROM
D. FLASH ROM
Eksploatacja urządzeń elektro…
W trakcie profesjonalnej wymiany uszkodzonego układu scalonego SMD - kontrolera przetwornicy impulsowej w odbiorniku TV - powinno się zastosować
A. stacji lutowniczej grzałkowej
B. stacji na gorące powietrze
C. lutownicy transformatorowej
D. lutownicy gazowej
Eksploatacja urządzeń elektro…
Element, którego napięcie na wyjściu jest uzależnione od porównania dwóch napięć na wejściu, to
A. układ całkujący.
B. sumator.
C. układ różniczkujący.
D. komparator.
Eksploatacja urządzeń elektro…
Jaką kluczową rolę w tunerze satelitarnym pełni moduł CI (Common Interface)?
A. Funkcjonuje jako czytnik kart dostępu.
B. Pozwala na podłączenie pamięci zewnętrznej.
C. Daje możliwość aktualizacji oprogramowania tunera.
D. Służy do łączenia urządzeń audio-video.
Eksploatacja urządzeń elektro…
Urządzenie, które automatycznie przerywa zasilanie, gdy prąd elektryczny wypływający z obwodu różni się od prądu wpływającego, to
A. ochronnik przeciwprzepięciowy
B. bezpiecznik wymienny
C. wyłącznik różnicowoprądowy
D. wyłącznik nadmiarowoprądowy
Eksploatacja urządzeń elektro…
Na rysunku przedstawiono podstawowy schemat blokowy układu automatycznej regulacji. Znakiem X oznaczono

A. obwód wejściowy.
B. układ korekcyjny.
C. obiekt regulacji.
D. wzmacniacz w. cz.
Eksploatacja urządzeń elektro…
W jakim typie pamięci przechowywane są indywidualne preferencje użytkownika podczas programowania cyfrowego odbiornika satelitarnego z opcją nagrywania wybranego kanału telewizyjnego?
A. EEPROM
B. RAM
C. EPROM
D. ROM
Eksploatacja urządzeń elektro…
Tranzystor pracuje w układzie wspólnego emitera. Podstawowym zadaniem zaznaczonego na rysunku kondensatora C w tym układzie jest

A. ograniczenie od góry pasma przenoszenia układu.
B. minimalizacja wpływu tętnień napięcia zasilającego.
C. realizacja pętli ujemnego sprzężenia zwrotnego.
D. odseparowanie składowej stałej napięcia wyjściowego.
Eksploatacja urządzeń elektro…
Do dokumentacji konstrukcyjnej nie zalicza się
A. rysunek techniczny mechaniczny
B. rysunek techniczny elektryczny
C. karta kalkulacyjna
D. dokumentacja opisowa
Eksploatacja urządzeń elektro…
Jaki układ wzmacniający z użyciem tranzystora bipolarnego odznacza się względnie wysokim wzmocnieniem napięciowym oraz znacznym wzmocnieniem prądowym?
A. OG
B. OB
C. OC
D. OE
ELM.05 Pytanie 115
Eksploatacja urządzeń elektro…
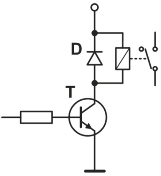
W jakim celu w obwodzie sterowania przekaźnika dołącza się dodatkową diodę D?

A. Zwiększenia szybkości zadziałania przekaźnika.
B. Obniżenia napięcia zasilającego cewkę przekaźnika.
C. Zabezpieczenia tranzystora T przed uszkodzeniem wysokimi napięciami indukowanymi w cewce przekaźnika w chwili wyłączenia cewki.
D. Zabezpieczenia cewki przekaźnika przed odwrotnym podłączeniem zasilania.
Eksploatacja urządzeń elektro…
Urządzenie, które sumuje sygnały o odmiennych częstotliwościach (pochodzące z różnych MUX’ów) z dwóch lub więcej anten odbiorczych, aby przesłać je do odbiornika przy pomocy jednego przewodu, to
A. konwerter
B. multiswitch
C. głowica antenowa
D. zwrotnica antenowa
Eksploatacja urządzeń elektro…
Komputerowa jednostka centralna przestaje działać przy dużym obciążeniu procesora. Jakie może być tego przyczyną?
A. Przegrzewanie procesora
B. Uszkodzona karta graficzna
C. Brak wolnego miejsca na dysku twardym
D. Niedobór pamięci
Eksploatacja urządzeń elektro…
Na rysunku pokazano schemat ideowy zasilacza stabilizowanego, w którym uszkodzeniu uległ stabilizator napięcia zaznaczony symbolem X. Ze względu na uszkodzenie obudowy stabilizatora nie jest możliwa identyfikacja jego oznaczeń. Zgodnie z instrukcją serwisową zasilacza wartości zaznaczonych na rysunku napięć i prądów są następujące: U1 = 20 V, U2= 15 V, I = 1,8 A. W tabeli wymieniono listę dostępnych zamienników stabilizatora wraz z wartościami wybranych parametrów elektrycznych. Jako zamiennik należy użyć stabilizatora oznaczonego symbolem
| Symbol | Maks. napięcie wejściowe | Napięcie wyjściowe | Maks. prąd wyjściowy | Typ obudowy |
|---|---|---|---|---|
| LM78M15 | 35 V | 15 V | 500 mA | TO-220 |
| LM78S15 | 35 V | 15 V | 2 A | TO-220 |
| LM7805 | 35 V | 5 V | 1 A | TO-220 |
| LM79L15 | -35 V | -15 V | 100 mA | TO-92 |

A. LM79L15
B. LM78M15
C. LM78S15
D. LM7805
Eksploatacja urządzeń elektro…
W układzie prostownika pokazanym na rysunku przeprowadzono pomiary czasowych przebiegów napięcia u1(t) oraz u2(t). Na tej podstawie można stwierdzić uszkodzenie polegające na

A. zwarciu diody D3
B. rozwarciu diody Di
C. rozwarciu diody D3
D. zwarciu diody D2
ELM.05 Pytanie 120
Eksploatacja urządzeń elektro…
Na rysunku przedstawiono symbol graficzny

A. mostu.
B. routera.
C. modemu.
D. przełącznika.