Filtrowanie pytań
Montaż oraz instalowanie ukła…
A. drogą radiową
B. skretkami telefonicznymi
C. kablami koncentrycznymi
D. łączami światłowodowymi
Montaż oraz instalowanie ukła…
Przedstawiony na rysunku element to czujka

A. optyczna.
B. dymu.
C. kontaktronowa.
D. podczerwieni.
Montaż oraz instalowanie ukła…
Przedstawiona płytka przygotowana jest do montażu

A. powierzchniowego.
B. mieszanego.
C. przewlekanego.
D. BGA.
Montaż oraz instalowanie ukła…
Złącze SCART, używane do przesyłania sygnałów AV, przedstawia fotografia

A. D.
B. C.
C. A.
D. B.
Montaż oraz instalowanie ukła…
W jakiej kolejności należy wykonać czynności związane z wymianą kamery w systemie telewizji dozorowej?
| A. | B. |
| archiwizacja nagrań, odłączenie rejestratora od zasilania, odłączenie przewodów od kamery, wymiana kamery, podłączenie przewodów do kamery, podłączenie rejestratora do zasilania, rozpoczęcie rejestracji. | odłączenie rejestratora od zasilania, archiwizacja nagrań, odłączenie przewodów od kamery, wymiana kamery, podłączenie przewodów do kamery, podłączenie rejestratora do zasilania, rozpoczęcie rejestracji. |
| C. | D. |
| archiwizacja nagrań, odłączenie przewodów od kamery, odłączenie rejestratora od zasilania, wymiana kamery, podłączenie przewodów do kamery, rozpoczęcie rejestracji, podłączenie rejestratora do zasilania. | archiwizacja nagrań, odłączenie rejestratora od zasilania, odłączenie przewodów od kamery, wymiana kamery, podłączenie rejestratora do zasilania, podłączenie przewodów do kamery, rozpoczęcie rejestracji. |
A. A.
B. B.
C. C.
D. D.
Montaż oraz instalowanie ukła…
W instrukcji uruchomienia urządzenia znalazło się polecenie: "....dostroić obwód rezonansowy trymerem do częstotliwości....". Jakie jest inne określenie na trymer?
A. filtru z regulowaną indukcyjnością
B. kondensatora dostrojczego
C. cewki regulowanej
D. potencjometru
Montaż oraz instalowanie ukła…
Do jakiego złącza podłącza się sygnał: wizji zespolony, kolor R, kolor G, kolor B, luminancji i chrominancji oraz sygnał audio kanału lewego i prawego?
A. DIN 5
B. S-VHS
C. JACK
D. EUROSCART
Eksploatacja urządzeń elektro…
Aby przeprowadzić demontaż uszkodzonego regulatora PID zamontowanego na szynie DIN, należy postępować zgodnie z poniższą kolejnością:
A. odkręcić przewody, odpiąć regulator z szyny, odłączyć zasilanie
B. odłączyć zasilanie, odkręcić przewody, odpiąć regulator z szyny
C. odłączyć zasilanie, odpiąć regulator z szyny, odkręcić przewody
D. odpiąć regulator z szyny, odłączyć zasilanie, odkręcić przewody
Montaż oraz instalowanie ukła…
Po uruchomieniu regulowanego zasilacza laboratoryjnego zauważono, że urządzenie nie funkcjonuje, a wskaźnik (dioda LED) nie jest aktywowany. Sprawdzono stan gniazda, do którego podłączono zasilacz i nie wykryto w nim uszkodzeń. Proces lokalizacji awarii w zasilaczu należy rozpocząć od weryfikacji
A. prostownika
B. bezpiecznika aparatowego
C. dioda elektroluminescencyjna
D. podzespołów pasywnych
Montaż oraz instalowanie ukła…
Przedstawiony na ilustracji znak ostrzega przed

A. materiałami wybuchowymi.
B. substancjami o właściwościach utleniających.
C. materiałami toksycznymi.
D. butlami pod ciśnieniem.
ELM.05 Pytanie 571
Eksploatacja urządzeń elektro…
W specyfikacji technicznej zasilacza podano, że współczynnik tętnień kt < 2%. Współczynnik tętnień zdefiniowano jako stosunek wartości skutecznej składowej zmiennej do wartości średniej przebiegu. Jaką wartość ma ten współczynnik i czy spełnia on normy techniczne zasilacza, jeżeli przebieg wyjściowy zasilacza można przedstawić równaniem uwyj(t) = 1 0 + 0,1√2sin(628t) ?
A. 3%, nie
B. 3%, tak
C. 1%, nie
D. 1%, tak
ELM.02 Pytanie 572
Montaż oraz instalowanie ukła…
Do przygotowania końcówek kabla przedstawionego na rysunku (stosowanego w połączeniach sieci komputerowych) należy użyć

A. zaciskarki RJ45
B. kleszczy.
C. zaciskarki RJ11
D. kombinerek.
Montaż oraz instalowanie ukła…
Przedstawione na fotografii narzędzie służy do

A. zarabiania wtyków RCA
B. zaciskania gniazd BNC
C. zaciskania gniazd LAN
D. zarabiania złączy DIN
ELM.02 Pytanie 574
Montaż oraz instalowanie ukła…
Przedstawiona specyfikacja techniczna dotyczy
| Specyfikacja techniczna | |
|---|---|
| Tryb pracy | pentaplex |
| Liczba wejść video | 8 BNC |
| Liczba wyjść video | 1x BNC, 1x VGA, 1x HDMI |
| Liczba wejść/wyjść audio | 1/1 RCA |
| Prędkość zapisu | 200kl/s (D1), 200kl/s (CIF/QCIF) |
| Rozdzielczość | 1920x1080, 1280x1024, 1024x768 |
| Kompresja video | H.264 |
| Kompresja audio | G.711 |
| Sterowanie | RS485 |
| Archiwizacja | 1x HDD Sata III max. 4TB |
| Tryb zapisu | manualny, ciągły, alarmowy, detekcja |
| Obudowa | wolnostojąca |
| Wymiary | 325x245x45 mm (1U) |
A. rejestratora.
B. modulatora.
C. sterownika.
D. manipulatora.
Montaż oraz instalowanie ukła…
Przedstawione na zdjęciu narzędzie stosuje się do zaciskania

A. złączy konektorowych.
B. końcówek cinch.
C. złączy RJ45.
D. wtyków BNC.
Eksploatacja urządzeń elektro…
Na rysunku przedstawiono złącze interfejsu

A. FireWire
B. DVI-A
C. HDMI
D. S-Video
ELM.02 Pytanie 577
Montaż oraz instalowanie ukła…
Sygnał z wewnętrznej anteny osiąga wartość 40 dBμV. Aby na wejściu antenowym telewizora uzyskać sygnał o poziomie 60 dBμV, jaki wzmacniacz o określonym wzmocnieniu powinien być zastosowany?
A. 100 dB
B. 20 dB
C. 60 dB
D. 40 dB
Montaż oraz instalowanie ukła…
Ile otworów należy wykonać w podstawie obudowy urządzenia elektronicznego, aby prawidłowo przymocować do niej transformator przedstawiony na rysunku?

A. 2 otwory.
B. 4 otwory.
C. 6 otworów.
D. 8 otworów.
Montaż oraz instalowanie ukła…
Ile wynosi wskazanie przedstawionego woltomierza, jeśli wiadomo, że pomiaru dokonano na zakresie 150 V?

A. 55 V
B. 22 V
C. 110 V
D. 50 V
Montaż oraz instalowanie ukła…
Jakie zjawisko napięć związane jest z pojęciem rezonansu?
A. stabilizatorze napięcia o działaniu ciągłym
B. stabilizatorze napięcia o działaniu impulsowym
C. obwodzie równoległym R, L, C
D. obwodzie szeregowym R, L, C
Montaż oraz instalowanie ukła…
Przyrząd, który pozwala na pomiar wartości międzyszczytowej szumów na wyjściu wzmacniacza, to
A. oscyloskop jednokanałowy
B. woltomierz cyfrowy
C. analyzer widma
D. miernik zniekształceń
Eksploatacja urządzeń elektro…
Jakie wielkości powinny być zmierzone, aby określić zakres liniowości wzmacniacza?
A. Napięcie wejściowe i wyjściowe
B. Napięcie wyjściowe oraz napięcie zasilania
C. Napięcie wyjściowe oraz częstotliwość
D. Napięcie wejściowe oraz moc wyjściowa
Montaż oraz instalowanie ukła…
Dla jakich systemów telewizyjnych zaprojektowano kamerę pokazaną na rysunku?

A. Dozorowych.
B. Kablowych.
C. Naziemnych.
D. Satelitarnych.
Montaż oraz instalowanie ukła…
Przedstawiony interfejs umożliwiający przesyłanie sygnałów: video, RGB, S-Video nazywa się

A. DVI-A
B. HDMI
C. EURO SCART
D. S-Video
Montaż oraz instalowanie ukła…
Do połączenia jakich urządzeń nie nadaje się przedstawiony na fotografii kabel zakończony z obu stron złączem RJ-45?

A. Modemu z gniazdem telefonicznym
B. Komputera z modemem.
C. Telewizora z routerem.
D. Komputera z routerem.
Montaż oraz instalowanie ukła…
Instrukcja CLR P1.7 wskazuje na
A. wczytanie komórki znajdującej się pod adresem 1.7
B. zerowanie linii 7 w porcie P1
C. wymazanie komórki o adresie 1.7
D. konfigurację linii 7 w porcie P1
Montaż oraz instalowanie ukła…
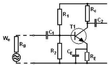
Na rysunku przedstawiono schemat zastępczy dla składowej zmiennej generatora

A. z mostkiem RC
B. Meissnera
C. Colpittsa
D. Hartleya
Eksploatacja urządzeń elektro…
Przyrząd przedstawiony na rysunku służy do pomiaru

A. pojemności.
B. ciśnienia.
C. napięcia.
D. temperatury.
Montaż oraz instalowanie ukła…
Jakie urządzenie wchodzące w skład instalacji odbiornika satelitarnego przedstawiono na fotografii?

A. Konwerter.
B. Transponder.
C. Tuner.
D. Expander.
Montaż oraz instalowanie ukła…
Jakie z poniższych symptomów może wystąpić w momencie, gdy w niezabezpieczonej sieci energetycznej dojdzie do przepięcia?
A. Włączenie wyłącznika nadprądowego, chroniącego urządzenia zasilane z tej sieci
B. Wzrost poboru prądu przez urządzenia elektroniczne zasilane z tej sieci
C. Włączenie wyłącznika różnicowoprądowego, zamontowanego w tej sieci
D. Uszkodzenie urządzeń elektronicznych zasilanych z tej sieci
Montaż oraz instalowanie ukła…
Jakie działania powinny być podjęte jako pierwsze, gdy przystępuje się do naprawy telewizyjnego odbiornika?
A. Odłączenie kabla antenowego od odbiornika, a następnie wyłączenie zasilania odbiornika
B. Wyłączenie odbiornika pilotem, a następnie zdemontowanie tylnej obudowy
C. Wyłączenie odbiornika, a następnie odłączenie go od zasilania przez wyjęcie wtyczki z gniazda sieci elektrycznej
D. Wyłączenie napięcia w budynku, a następnie odłączenie kabla antenowego od odbiornika
Eksploatacja urządzeń elektro…
Do podwajacza napięcia podłączono napięcie sinusoidalne u(t) o wartości skutecznej URMS = 10 V. Jaka będzie wartość maksymalna napięcia UX w tym układzie?

A. Około 20 V
B. Około 14 V
C. Około 28 V
D. Około 40 V
Eksploatacja urządzeń elektro…
Która czynność może zostać pominięta podczas oceny stanu technicznego systemu alarmowego?
A. Ocena działania sygnalizatorów
B. Kontrola montażu czujek PIR
C. Weryfikacja działania czujek PIR
D. Analiza historii alarmów
Montaż oraz instalowanie ukła…
Poziomy jasny pas na ekranie odbiornika telewizyjnego wskazuje na uszkodzenie układu

A. synchronizacji.
B. odchylania pionowego.
C. wysokiego napięcia.
D. odchylania poziomego.
Montaż oraz instalowanie ukła…
Przyrząd przedstawiony na zdjęciu przeznaczony jest do

A. pomiaru indukcyjności.
B. wykrywania zwarć.
C. pomiaru pojemności.
D. wykrywania przewodów.
Eksploatacja urządzeń elektro…
Komputerowa jednostka centralna przestaje działać przy dużym obciążeniu procesora. Jakie może być tego przyczyną?
A. Przegrzewanie procesora
B. Uszkodzona karta graficzna
C. Niedobór pamięci
D. Brak wolnego miejsca na dysku twardym
Montaż oraz instalowanie ukła…
Przedstawiony element stosowany jest do kontroli

A. położenia okien, drzwi.
B. obecności dymu.
C. zmian promieniowania podczerwonego.
D. stężenia tlenku węgla.
Montaż oraz instalowanie ukła…
Zwiększenie histerezy w regulatorze dwustawnym w systemie regulacji
A. spowoduje przesunięcie wykresu w górę o wartość pętli histerezy
B. nie wpłynie na kształt sygnału
C. spowoduje zmniejszenie amplitudy zmian sygnału kontrolowanego
D. spowoduje powiększenie amplitudy zmian sygnału kontrolowanego
ELM.05 Pytanie 599
Eksploatacja urządzeń elektro…
Karta pomiarowa przedstawia parametry katalogowe i zmierzone zasilacza stabilizowanego. Który parametr nie spełnia wymagania katalogowego?
| Parametry katalogowe | Wartości zmierzone | |
|---|---|---|
| Napięcie wejściowe | 24 V ±10% | 22 V |
| Maksymalny prąd wyjścia | 1,5 A ±10% | 1,4 A |
| Napięcie wyjściowe | 14 V ±5% | 14,5 V |
| Maksymalne napięcie tętnień | 200 mVpp ±5% | 215 mVpp |
| Sprawność energetyczna | 55%÷85% | 85% |
| Zakres temperatury pracy | 0÷40°C | 35°C |
A. Sprawność energetyczna.
B. Maksymalne napięcie tętnień.
C. Napięcie wejściowe.
D. Maksymalny prąd wyjścia.
Eksploatacja urządzeń elektro…
HbbTV to skrót oznaczający standard telewizji
A. dozorowej
B. hybrydowej
C. kablowej
D. analogowej