Filtrowanie pytań
Montaż oraz instalowanie ukła…
A. układa się go w ustalonej pozycji bocznej i obserwuje
B. układa się go na plecach i unosi nogi
C. należy udrożnić jego górne drogi oddechowe
D. przystępuje się do natychmiastowego zewnętrznego masażu serca
Montaż oraz instalowanie ukła…
Jakie narzędzie jest niezbędne do zainstalowania wtyku kompresyjnego typu F na kablu koncentrycznym?
A. śrubokręt.
B. zaciskarkę.
C. obcęgi.
D. nóż montażowy.
Montaż oraz instalowanie ukła…
Którego narzędzia należy użyć do zdemontowania gniazda wskazanego strzałką na ilustracji?

A. Rozlutownicy.
B. Wkrętaka.
C. Młotka.
D. Kombinerek.
Montaż oraz instalowanie ukła…
Wyładowania elektryczne w atmosferze mogą prowadzić do powstawania niepożądanych napięć, które oddziałują na parametry anteny, skutkując
A. zmianą długości oraz powierzchni efektywnej
B. zniekształceniem charakterystyki kierunkowej
C. zmniejszeniem impedancji wejściowej
D. obniżeniem rezystancji promieniowania
Montaż oraz instalowanie ukła…
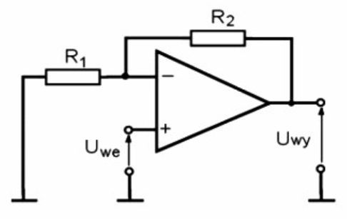
Minimalna znormalizowana moc znamionowa rezystora R1 w dwustopniowym wzmacniaczu zasilanym napięciem 12 V wynosi

A. 0,1 W
B. 0,25 W
C. 2 W
D. 0,2 W
Eksploatacja urządzeń elektro…
Wymiana uszkodzonego gniazda zasilania przedstawionego na zdjęciu powinna być wykonana za pomocą

A. lutownicy.
B. noża monterskiego.
C. wkrętarki.
D. klucza płaskiego.
Montaż oraz instalowanie ukła…
Aby prawidłowo wykonać zakładanie wtyku RJ45, należy użyć
A. narzędzia LSA typu KRONE
B. zaciskarki do złączy
C. nóż monterskiego
D. płaskiego śrubokręta
Eksploatacja urządzeń elektro…
Urządzenie, które sumuje sygnały o odmiennych częstotliwościach (pochodzące z różnych MUX’ów) z dwóch lub więcej anten odbiorczych, aby przesłać je do odbiornika przy pomocy jednego przewodu, to
A. konwerter
B. głowica antenowa
C. zwrotnica antenowa
D. multiswitch
Montaż oraz instalowanie ukła…
Ochrona podstawowa (przed bezpośrednim kontaktem) w urządzeniach elektrycznych polega na użyciu
A. bezpieczników topikowych
B. transformatora separującego
C. wyłączników nadprądowych
D. izolowania części czynnych
Eksploatacja urządzeń elektro…
Na zdjęciu przedstawiono

A. manipulator LCD.
B. regulator PID.
C. termometr elektroniczny.
D. sterownik programowalny.
Eksploatacja urządzeń elektro…
W dokumentacji technicznej zasilacza impulsowego wartość rezystora R32 opisano jako R32 = 1R5. Ze względu na jego uszkodzenie (zwęglenie), nie można zidentyfikować jego oznaczenia za pomocą kodu barwnego. Do wymiany uszkodzonego elementu należy użyć rezystora oznaczonego następującymi kolorami:

A. brązowy, zielony, srebrny, złoty.
B. brązowy, zielony, złoty, srebrny.
C. brązowy, zielony, brązowy, srebrny.
D. brązowy, zielony, czarny, złoty.
Montaż oraz instalowanie ukła…
Na rysunku przedstawiono schemat układu przerzutnika Schmitta. Rezystancja RE w tym układzie zapewnia

A. zmniejszenie napięciowego poziomu wyzwalania.
B. usunięcie składowej stałej w sygnale wyjściowym.
C. sprzężenie zwrotne, dzięki któremu układ wykazuje histerezę.
D. zmniejszenie stromości zbocza sygnału wyjściowego.
ELM.02 Pytanie 813
Montaż oraz instalowanie ukła…
Jakich bramek TTL należy użyć do bezpośredniego sterowania przekaźnika elektromechanicznego?
Przekaźnik zasilany jest napięciem stałym.
| Dane cewki przekaźnika | ||||
|---|---|---|---|---|
| Napięcie znamionowe V DC | Rezystancja cewki ±10% przy 20°C Ω | Roboczy zakres napięcia zasilania przy 20 °C V DC | Moc znamionowa mW | |
| 12 | 960 | 9 | 18 | 0,15 |
A. Z otwartym kolektorem.
B. Z układem Schmitta.
C. Z tranzystorami Schottky'ego.
D. Trójstanowych.
Eksploatacja urządzeń elektro…
Przyrząd przedstawiony na rysunku to

A. pirometr.
B. luksometr.
C. galwanometr.
D. barometr.
Montaż oraz instalowanie ukła…
Do przykręcenia przewodów w przedstawionym na rysunku urządzeniu należy wykorzystać

A. klucz oczkowy.
B. wkrętak krzyżakowy.
C. klucz imbusowy.
D. wkrętak płaski.
Montaż oraz instalowanie ukła…
Podczas instalacji kabla krosowego w przyłączach gniazd nie można pozwolić na rozkręcenie par przewodów na odcinku większym niż 13 mm, ponieważ
A. kabel stanie się źródłem intensywniejszego pola elektromagnetycznego
B. nastąpi wzrost jego impedancji
C. może to prowadzić do obniżenia odporności na zakłócenia
D. zredukowana zostanie jego impedancja
ELM.02 Pytanie 817
Montaż oraz instalowanie ukła…
Aby ocenić sprawność kabla krosowego, należy zastosować
A. wobulatora, gdy kabel jest podłączony do sieci komputerowej
B. testera kabli sieciowych, gdy kabel jest podłączony do sieci komputerowej
C. testera kabli sieciowych, gdy kabel jest odłączony od wszystkich urządzeń
D. wobulatora, gdy kabel jest odłączony od wszystkich urządzeń
Eksploatacja urządzeń elektro…
Jaką funkcję pełni soczewka Fresnela w czujkach ruchu typu PIR?
A. ma za zadanie skupiać wiązki detekcji na pyroelemencie
B. jest komponentem wyłącznie dekoracyjnym
C. emituje promieniowanie podczerwone w stronę intruza
D. gwarantuje efektywne działanie systemu przeciwsabotażowego
Montaż oraz instalowanie ukła…
Wybrany na skali multimetru zakres pomiarowy jest prawidłowo dobranym zakresem do dokładnego odczytu zmierzonego napięcia

A. zmiennego o wartości 0,178 V
B. zmiennego o wartości 1,78 V
C. stałego o wartości 0,178 V
D. stałego o wartości 1,78 V
Eksploatacja urządzeń elektro…
Sprzęt DVR w technologii 960H pozwala na rejestrację obrazu o maksymalnej rozdzielczości
A. 960 x 582 px
B. 360 x 240 px
C. 1280 x 720 px
D. 720 x 480 px
Montaż oraz instalowanie ukła…
Na rysunku przedstawiono fragment instrukcji użytkownika

A. czujki ruchu.
B. detektora gazu.
C. czujki zbicia szyby.
D. czujki zalania.
Eksploatacja urządzeń elektro…
Czujnik pojemnościowy PNP-NO przedstawiony na rysunku znajduje zastosowanie w

A. automatyce przemysłowej.
B. instalacjach antenowych.
C. systemach alarmowych.
D. sieciach komputerowych.
Eksploatacja urządzeń elektro…
Na rysunku pokazano widok układu scalonego w obudowie DIP-8. Zgodnie z zasadą numeracji wyprowadzeń tego układu na rysunku strzałką zaznaczono wyprowadzenie numer

A. 8
B. 4
C. 1
D. 5
ELM.02 Pytanie 824
Montaż oraz instalowanie ukła…
W tabeli wymieniono dane techniczne
| Przetwornik | 2 Mpx high-performance CMOS |
| Rozdzielczość | 1920 × 1080 (2 Mpx) |
| Czułość | 0 lux z IR |
| Obiektyw | 2,8 mm |
| Kąt widzenia | 103° |
| Funkcje | AGC, BLC, DWDR |
| Zasilanie | 12 V DC |
| Zastosowanie | Zewnętrzne, IP66 |
A. czujki PIR.
B. kamery CCTV.
C. dekodera DVB-T.
D. odbiornika telewizyjnego.
ELM.02 Pytanie 825
Montaż oraz instalowanie ukła…
Którego z narzędzi należy użyć do zaciskania złączy typu F, wykorzystywanych do łączenia kabli koncentrycznych w instalacjach telewizji kablowych, modemach kablowych oraz telewizji satelitarnej?

A. C.
B. D.
C. A.
D. B.
Montaż oraz instalowanie ukła…
Narzędzie przedstawione na rysunku to

A. zaciskarka pneumatyczna.
B. prasa hydrauliczna.
C. stacja rozlutowująca.
D. spawarka światłowodowa.
ELM.05 Pytanie 827
Eksploatacja urządzeń elektro…
Zawarte w tabeli dane techniczne dotyczą czujki
| Typ czujki | NC |
| Dwa tory detekcji | PIR+MW |
| Wymiary obudowy | 65 x 138 x 58 mm |
| Zakres temperatur pracy | -40°C...+55°C |
| Zalecana wysokość montażu | 2,4 m |
| Maksymalny pobór prądu | 20 mA |
| Zasięg działania | 15 m |
A. akustycznej.
B. zalania.
C. ruchu.
D. czadu.
Montaż oraz instalowanie ukła…
Za pomocą przyrządu przedstawionego na fotografii można zmierzyć

A. wartość skuteczną napięcia sinusoidalnego o częstotliwości 100 kHz
B. wartość skuteczną napięcia sinusoidalnego o częstotliwości 50 Hz
C. wartość skuteczną prądu sinusoidalnego o częstotliwości 100 kHz
D. wartość skuteczną prądu sinusoidalnego o częstotliwości 50 Hz
Montaż oraz instalowanie ukła…
Elementy podłączone do końcówek wzmacniacza operacyjnego zabezpieczają wzmacniacz przed

A. zbyt wysokim napięciem wejściowym.
B. odwróconym podłączeniem napięcia zasilania.
C. zbyt niskim napięciem wejściowym.
D. zbyt wysokim napięciem różnicowym.
Montaż oraz instalowanie ukła…
Jakie urządzenie stosuje się do podziału sygnału z anteny w systemie telewizyjnym?
A. spliter
B. symetryzator
C. switch
D. zwrotnicę
ELM.02 Pytanie 831
Montaż oraz instalowanie ukła…
Podczas regularnego przeglądu systemu telewizyjnego należy między innymi
A. zmierzyć poziom sygnału w gniazdku abonenckim oraz ocenić jakość połączeń wtyków F
B. określić rezystancję falową kabla i w razie potrzeby ją skorygować
C. zmierzyć impedancję falową kabla koncentrycznego
D. oczyścić oraz pomalować antenę, a następnie ją ustawić
Montaż oraz instalowanie ukła…
Aby prawidłowo uziemić system antenowy, nie powinno się używać
A. ciągłych rur z instalacji grzewczej
B. ciągłych rur z instalacji wodociągowej
C. gołych przewodów miedzianych
D. przewodu zerowego z sieci zasilającej
Montaż oraz instalowanie ukła…
Przedstawiony wtyk RJ11 stosuje się do podłączenia

A. telefonu.
B. drukarki.
C. karty sieciowej.
D. plotera.
Montaż oraz instalowanie ukła…
Jaki rodzaj kabla przedstawiono na rysunku?

A. Koncentryczny.
B. Skrętkę ekranowaną.
C. Światłowodowy.
D. Skrętka nieekranowaną.
Montaż oraz instalowanie ukła…
Jaki typ wyświetlacza przedstawiono na rysunku?

A. Alfanumeryczny LCD.
B. Alfanumeryczny LED.
C. Plazmowy.
D. Fluorescencyjny.
Eksploatacja urządzeń elektro…
Elementem systemu antenowego, który pozwala na połączenie dwóch źródeł sygnału antenowego, aby przesłać je do telewizora za pomocą jednego przewodu antenowego, jest
A. konwerter
B. zwrotnica
C. rozgałęźnik
D. symetryzator
Montaż oraz instalowanie ukła…
Na rysunku przedstawiono element służący do elektrycznego łączenia przewodów w instalacjach elektronicznych. Jest to złączka instalacyjna

A. śrubowa 4-polowa.
B. bezśrubowa wciskowa 4-polowa.
C. śrubowa 5-polowa.
D. bezśrubowa wciskowa 5-polowa.
Eksploatacja urządzeń elektro…
Przedstawiony na rysunku symbol oznacza

A. router.
B. hub.
C. przełącznik.
D. modem.
ELM.02 Pytanie 839
Montaż oraz instalowanie ukła…
Które narzędzie służy do zaciskania wtyków typu F na końcach przewodów antenowych?

A. D.
B. B.
C. C.
D. A.
Montaż oraz instalowanie ukła…
Które wiertło należy wykorzystać do wiercenia otworów w ścianie z cegły, w celu zamocowania korytek kablowych, podczas wykonywania instalacji antenowej?

A. B.
B. A.
C. C.
D. D.