Filtrowanie pytań

Wybierz zawód, aby zobaczyć dostępne kwalifikacje

Montaż oraz instalowanie ukła…

Podczas wymiany uszkodzonego kondensatora filtrującego w zasilaczu sieciowym, tak aby uniknąć zwiększenia tętnień na wyjściu oraz ryzyka uszkodzenia kondensatora z powodu przebicia, można wybrać element o

A. mniejszej pojemności i większym napięciu znamionowym
B. mniejszej pojemności i mniejszym napięciu znamionowym
C. większej pojemności i mniejszym napięciu znamionowym
D. większej pojemności i większym napięciu znamionowym
Montaż oraz instalowanie ukła…

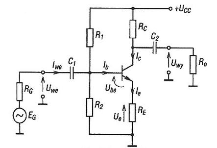
Jak nazywa się układ elektroniczny określany jako wtórnik emiterowy?

A. Wzmacniacz z tranzystorem bipolarnym w układzie OC
B. Wzmacniacz z tranzystorem bipolarnym w układzie OB
C. Ogranicznik prądowy zrealizowany w technologii bipolarnej
D. Źródło prądowe oparte na tranzystorze bipolarnym
Montaż oraz instalowanie ukła…

Aby zlokalizować uszkodzenie tranzystora bipolarnego bez jego wylutowywania z płyty głównej systemu alarmowego, powinno się zmierzyć

A. rezystancję złącz pomiędzy B, E, C przy wyłączonym systemie
B. napięcia pomiędzy końcówkami E, B, C przy włączonym systemie
C. rezystancję złącz pomiędzy B, E, C przy włączonym systemie
D. natężenie prądu kolektora tranzystora
Montaż oraz instalowanie ukła…

Aby zrealizować instalację telewizyjną podtynkową, należy

A. układać przewody tylko w kierunku pionowym i poziomym, uwzględniając kąt zgięcia kabla
B. układać przewody w pionie i poziomie, dociskając je do ściany
C. układać przewody w dowolny sposób, pamiętając, aby trasy przewodów się nie krzyżowały
D. układać przewody wyłącznie po najkrótszej trasie
Eksploatacja urządzeń elektro…

W trakcie profesjonalnej wymiany uszkodzonego układu scalonego SMD - kontrolera przetwornicy impulsowej w odbiorniku TV - powinno się zastosować

A. stacji lutowniczej grzałkowej
B. lutownicy gazowej
C. stacji na gorące powietrze
D. lutownicy transformatorowej
ELM.05 Pytanie 1026
Eksploatacja urządzeń elektro…

W urządzeniu elektronicznym uszkodzeniu uległ warystor MYG 10K-431 o napięciu znamionowym 275 V AC, 350 V DC, energii tłumienia 55 J/2 ms i rastrze 7,5 mm. Wykorzystując tabelę zamienników wskaż oznaczenie warystora, który można zastosować w zamian za uszkodzony?

Tabela zamienników
Oznaczenie warystoraNapięcie znamionoweEnergia tłumieniaRaster
TSV07D471300 V AC
375 V DC
40 J/2 ms5 mm
JVR07N431K275 V AC
350 V DC
33 J/2 ms5 mm
JVR14N431K275 V AC
350 V DC
132 J/2 ms7,5 mm
B72210S0301K101300 V AC
385 V DC
47 J/2 ms7,5 mm

A. B72210S0301K101
B. TSV07D471
C. JVRO7N431K
D. JVR14N431K
ELM.02 Pytanie 1027
Montaż oraz instalowanie ukła…

Jakim przyrządem dokonuje się pomiaru ciągłości połączeń w instalacjach urządzeń elektronicznych?

A. omomierzem przy wyłączonym zasilaniu elektrycznym
B. woltomierzem przy aktywnym zasilaniu elektrycznym
C. amperomierzem przy aktywnym zasilaniu elektrycznym
D. omomierzem przy aktywnym zasilaniu elektrycznym
ELM.02 Pytanie 1028
Montaż oraz instalowanie ukła…

Jakie urządzenie należy zastosować do gaszenia pożarów w miejscach, gdzie działają urządzenia elektryczne?

A. gaśnicy proszkowej
B. hydronetki wodnej
C. gaśnicy pianowej
D. koca azbestowego
Montaż oraz instalowanie ukła…

W instalacji antenowej, która ma być używana w warunkach podwyższonej wilgotności oraz zmiennych temperaturach, powinny być zastosowane kable

A. z linką nośną
B. w płaszczu polietylenowym (PE)
C. w płaszczu PCV
D. z oplotem miedzianym
ELM.02 Pytanie 1034
Montaż oraz instalowanie ukła…

Podaj właściwą sekwencję działań podczas instalacji tranzystora z radiatorem na płytce PCB?

A. Zamocować radiator na PCB, przylutować tranzystor, przykręcić radiator do tranzystora
B. Przykręcić radiator do tranzystora, zamocować radiator na PCB, przylutować tranzystor
C. Przykręcić radiator do tranzystora, przylutować tranzystor, zamocować radiator na PCB
D. Przylutować tranzystor, przykręcić radiator do tranzystora, zamocować radiator na PCB
Montaż oraz instalowanie ukła…

Firma zajmująca się konserwacją oraz serwisowaniem instalacji domofonowych nalicza administratorowi budynku rocznie sumę 1 800 zł. Jaką kwotą miesięcznie trzeba obciążyć każdego z 30 mieszkańców?

A. 10 zł
B. 3 zł
C. 15 zł
D. 5 zł
Montaż oraz instalowanie ukła…

Multiswitch to urządzenie, które pozwala na

A. zapisywanie na twardym dysku sygnałów wideo pochodzących z różnych kamer
B. rozgałęzienie sygnału wideo, aby móc wyświetlić obraz na wielu monitorach
C. dystrybucję sygnału telewizyjnego satelitarnego i naziemnego do wielu odbiorników
D. łączenie odmiennych sieci komputerowych