Filtrowanie pytań
Montaż oraz instalowanie ukła…
A. wykonanych z elastycznych tworzyw sztucznych
B. izolowanych
C. odpornych na wysoką temperaturę
D. zasilanych akumulatorowo
Montaż oraz instalowanie ukła…
Który z parametrów odnosi się do wartości 20 Mpx, podanej w specyfikacji cyfrowego aparatu fotograficznego?
A. Cyfrowe powiększenie obrazu
B. Czas reakcji migawki
C. Rozdzielczość matrycy światłoczułej
D. Optyczne powiększenie obrazu
Montaż oraz instalowanie ukła…
W trakcie serwisowania, dotyczącego wylutowywania komponentów elektronicznych w wzmacniaczu dźwiękowym, pracownik powinien mieć
A. rękawice ochronne
B. fartuch bawełniany
C. buty na izolowanej podeszwie
D. okulary ochronne
Eksploatacja urządzeń elektro…
Długość adresu IPv4 wynosi ile bitów?
A. 4 bity
B. 32 bity
C. 16 bitów
D. 8 bitów
Eksploatacja urządzeń elektro…
Która z poniższych liczb stanowi przedstawienie w kodzie BCD 8421?
A. 11101110
B. 10101010
C. 11001100
D. 01100110
Eksploatacja urządzeń elektro…
Co oznacza skrót EPG w telewizorach cyfrowych?
A. moduł poprawiający czułość odbiornika
B. przewodnik programowy wyświetlany na ekranie
C. system kontroli rodzicielskiej dla wybranych programów
D. mechanizm eliminacji błędów w odbieranym sygnale
ELM.05 Pytanie 127
Eksploatacja urządzeń elektro…
Na podstawie analizy instalacji telewizyjnej nie jest możliwe określenie
A. uszkodzeń elektroniki konwertera
B. korozji czaszy anteny
C. zniekształceń lustra czaszy anteny
D. uszkodzenia powłoki kabla
ELM.02 Pytanie 128
Montaż oraz instalowanie ukła…
Na przedstawionym fragmencie instalacji monitoringu sygnał z kamery B? można lokalnie oglądać na komputerze. Rejestrator jednak sygnalizuje brak takiego sygnału. Wskaż prawdopodobnie uszkodzone połączenie kablowe.

A. 3
B. 1
C. 2
D. 4
Eksploatacja urządzeń elektro…
W obwodowych systemach zabezpieczeń wykorzystuje się detektory
A. magnetyczne
B. dymu i ciepła
C. zalania
D. gazów usypiających
Eksploatacja urządzeń elektro…
Określ maksymalny czas realizacji prac związanych z montażem uchwytu ściennego anteny, jeśli wiercenie
4 otworów w ścianie trwa 20 min ±15%, a zamocowanie uchwytu przy użyciu 4 kołków rozporowych
12 min ±10%.
A. 35,0 min
B. 32,0 min
C. 36,2 min
D. 33,2 min
ELM.02 Pytanie 131
Montaż oraz instalowanie ukła…
Który z niżej wymienionych elementów nie wpływa na jakość odbioru sygnału telewizji cyfrowej?
A. Stan kabla antenowego
B. Odległość od stacji nadawczej
C. Temperatura otoczenia
D. Zjawisko burzy
Montaż oraz instalowanie ukła…
Poniżej przedstawiono schemat montażowy domofonu. Jakim kolorem opisana jest żyła zasilająca?

A. Żółtym.
B. Niebieskim.
C. Czerwonym.
D. Czarnym.
ELM.02 Pytanie 133
Montaż oraz instalowanie ukła…
Na schemacie przedstawiono układ

A. zasilacza.
B. wzmacniacza.
C. generatora.
D. przetwornika A/C.
ELM.05 Pytanie 134
Eksploatacja urządzeń elektro…
Na podstawie danych technicznych regulatora temperatury zawartych w tabeli określ, jakiego typu pamięć zastosowana jest w tym urządzeniu?
| Napięcie zasilające | 230 V AC; 50 Hz |
| Wejście pomiarowe | Pt100/Pt500/Pt1000 |
| Zakres pomiarowy | -100 °C ÷ 600 °C |
| Rezystancja przewodów pomiarowych | maksymalnie 20 Ω w każdym przewodzie |
| Wyjścia przekaźnikowe | 2 styki zwierne; 2 A/250 V AC (cosφ=1) |
| Pamięć danych | EEPROM |
| Stopień ochrony frontu urządzenia | IP65 |
| Stopień ochrony zacisków | IP20 |
A. Kasowana elektrycznie.
B. Kasowana promieniowaniem UV.
C. Tylko do odczytu.
D. Przechowująca dane do utraty zasilania.
Montaż oraz instalowanie ukła…
Które z urządzeń stosuje się w instalacjach antenowych w celu dopasowania impedancji wejściowej 300 Ω do kabla 75 Ω?

A. B.
B. C.
C. A.
D. D.
Montaż oraz instalowanie ukła…
Jakiego środka używa się do oczyszczania płytek drukowanych po zamontowaniu elementów elektronicznych?
A. Kwasu
B. Wody
C. Alkoholu
D. Benzyny
Montaż oraz instalowanie ukła…
Który z wymienionych standardów nie opiera się na komunikacji radiowej?
A. NFC
B. IrDA
C. Bluetooth
D. WiFi
Eksploatacja urządzeń elektro…
Który z regulatorów, spośród wymienionych, wyróżnia się zerowym uchybem ustalonym?
A. PD
B. PI
C. Regulator dwustawny
D. Regulator trójstawny
Montaż oraz instalowanie ukła…
Ile wynosi przesunięcie fazowe sygnałów sinusoidalnych o tej samej częstotliwości na przedstawionym rysunku?

A. 90 stopni
B. 60 stopni
C. 270 stopni
D. 120 stopni
Montaż oraz instalowanie ukła…
Narzędzie pokazane na rysunku służy do wykonywania połączeń

A. lutowanych.
B. zgrzewanych.
C. klejonych.
D. spawanych.
ELM.02 Pytanie 141
Montaż oraz instalowanie ukła…
Na przedstawionym fragmencie instalacji monitoringu sygnał z kamery IP można lokalnie oglądać na komputerze PC. Rejestrator jednak sygnalizuje brak takiego sygnału. Wskaż prawdopodobnie uszkodzone połączenie kablowe.

A. 3
B. 1
C. 2
D. 4
Montaż oraz instalowanie ukła…
Urządzenie wykorzystywane do podziału lub łączenia sygnałów telewizyjnych i radiowych w systemach antenowych to
A. spliter
B. modulator
C. dekoder
D. generator
Eksploatacja urządzeń elektro…
Który rodzaj pamięci pokazano na rysunku?

A. EPROM
B. FLASH
C. PROM
D. EEPROM
Eksploatacja urządzeń elektro…
Jaką magistralą sterowany jest układ 24C01 przedstawiony na schemacie?

A. I2C
B. Serial ATA
C. USB
D. M-Bus
Eksploatacja urządzeń elektro…
Który element oznacza się symbolem pokazanym na rysunku?

A. Diodę.
B. Tranzystor.
C. Diak.
D. Tyrystor.
Eksploatacja urządzeń elektro…
Na rysunku pokazano wtyk w standardzie

A. XLR
B. Jack
C. BNC
D. RCA
Montaż oraz instalowanie ukła…
Podczas wykonywania prac istnieje ryzyko niedotlenienia organizmu z powodu spadku zawartości tlenu w atmosferze. Jakie środki ochrony dróg oddechowych należy zastosować?
A. filtr krótkoczasowy
B. maskę pełną
C. aparat oddechowy zasilany powietrzem
D. półmaskę
Montaż oraz instalowanie ukła…
Które urządzenie przedstawiono na rysunku?

A. Statyw do wiertarki.
B. Ściągacz do łożysk.
C. Uchwyt ślusarski.
D. Prasę mechaniczną.
ELM.02 Pytanie 149
Montaż oraz instalowanie ukła…
Na środku wyświetlacza odbiornika OTV pojawia się bardzo jasna pozioma linia, podczas gdy reszta ekranu jest ciemna. Gdzie doszło do awarii w odbiorniku?
A. W bloku odchylania pionowego
B. We wzmacniaczu p.cz. różnicowej fonii
C. W bloku odchylania poziomego
D. W dekoderze kolorów
ELM.02 Pytanie 150
Montaż oraz instalowanie ukła…
Jaką czynność należy wykonać najpierw, gdy podczas serwisowania instalacji antenowej telewizji naziemnej zauważono obniżenie poziomu sygnału antenowego?
A. Oczyścić wszystkie złącza
B. Wyregulować ustawienie anteny
C. Zamienić przewód antenowy
D. Wyregulować odbiornik
Montaż oraz instalowanie ukła…
Aby oczyścić soczewkę lasera w napędzie CD, należy zastosować
A. benzynę ekstrakcyjną
B. wodę destylowaną
C. denaturat
D. izopropanol
Montaż oraz instalowanie ukła…
Jaki element elektroniczny przedstawiony jest na zdjęciu?

A. Jednostka ALU.
B. Komparator.
C. Pamięć RAM.
D. Procesor.
Montaż oraz instalowanie ukła…
Jaką funkcję pełni PTY w radiu?
A. Odbiór informacji drogowych
B. Wybieranie i przeszukiwanie typu programu
C. Odbiór wiadomości tekstowych
D. Automatyczną "regulację głośności"
Montaż oraz instalowanie ukła…
Zastosowanie uszkodzonych bezpieczników, zastępując je bezpiecznikami o większej wartości prądu znamionowego, może prowadzić do
A. przeciążenia oraz zniszczenia instalacji
B. większego zużycia energii
C. wzrostu napięcia źródła zasilania
D. większego zużycia mocy
Montaż oraz instalowanie ukła…
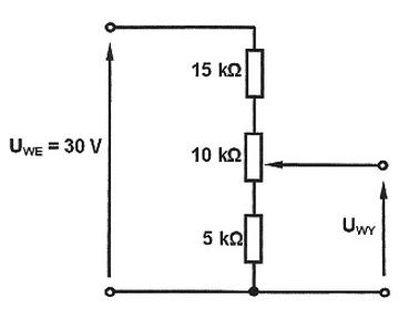
Na którym z przedstawionych schematów układów ze wzmacniaczem operacyjnym, pracującym z wejściem nieodwracającym, sposób włączenia woltomierza do układu, pozwala zmierzyć napięcie wejściowe Uwe?

A. B.
B. A.
C. C.
D. D.
Montaż oraz instalowanie ukła…
Jaki element anteny satelitarnej oznaczono na rysunku cyfrą 1?

A. Siłownik.
B. Reflektor.
C. Wspornik.
D. Konwerter.
Montaż oraz instalowanie ukła…
Przedstawiony na ilustracji symbol oznacza

A. produkt wykonany z aluminium.
B. punkt recyclingu aluminium.
C. silnik trójfazowy z uzwojeniem aluminiowym o mocy 4,1 kW.
D. ekran elektromagnetyczny wykonany z blachy aluminiowej.
Eksploatacja urządzeń elektro…
Język LD do tworzenia schematów drabinkowych pozwala na
A. komunikowanie z procesorem GPU
B. zaprogramowanie pamięci EPROM
C. programowanie sterowników PLC
D. wizualizację pracy układów GAL
Eksploatacja urządzeń elektro…
Przedstawione na rysunku urządzenie to

A. modem.
B. router.
C. brouter.
D. przełącznik.
Montaż oraz instalowanie ukła…
Które urządzenie wchodzące w skład instalacji odbiornika satelitarnego przedstawiono na rysunku?

A. Konwerter.
B. Expander.
C. Transponder.
D. Tuner.