Filtrowanie pytań
Obsługa, diagnozowanie oraz n…
A. metoda obróbki chemicznej
B. metoda obróbki plastycznej
C. metoda obróbki wygładzającej
D. metoda obróbki cieplnej
Obsługa, diagnozowanie oraz n…
Działanie stetoskopu opiera się na zjawisku
A. grawitacyjnym
B. elektrycznym
C. hydraulicznych
D. akustycznym
Obsługa, diagnozowanie oraz n…
Rysunek przedstawia schemat wyprowadzeń przekaźnika typu

A. NC.
B. kontaktronowego.
C. przełączającego.
D. NO.
Obsługa, diagnozowanie oraz n…
Dokonano pomiarów czujnika temperatury płynu chłodzącego. Wyniki pomiarów zamieszczono w tabeli. Określ, na podstawie danych z pomiarów, jakiego typu jest ten czujnik.
| Lp. | Temperatura | Rezystancja | Napięcie |
|---|---|---|---|
| 1. | 0°C | 5700 Ω | 4,25 V |
| 2. | 10°C | 4000 Ω | 3,87 V |
| 3. | 20°C | 2500 Ω | 3,45 V |
| 4. | 30°C | 1300 Ω | 3,05 V |
| 5. | 40°C | 1100 Ω | 2,75 V |
| 6. | 50°C | 1000 Ω | 2,50 V |
| 7. | 60°C | 800 Ω | 2,25 V |
| 8. | 80°C | 325 Ω | 1,15 V |
A. Termopara FeCo
B. Termistor CTR
C. Termistor NTC
D. Termistor PTC
Organizacja i prowadzenie pro…
Dokumentem prawnym, który ustala minimalną grubość bieżnika opon w samochodzie, jest
A. Rozporządzenie Ministra Przedsiębiorczości i Technologii
B. Europejska Norma
C. Polska Norma
D. rozporządzenie właściwego ministra
Obsługa, diagnozowanie oraz n…
Posługując się danymi przedstawionymi w tabeli oblicz, jaki jest koszt wymiany sygnału dźwiękowego.
| Cena sygnału dźwiękowego | 70,00 zł |
| Cena roboczogodziny | 70,00 zł |
| Czas wymiany sygnału dźwiękowego | 1,5 godziny |
A. 70 zł
B. 210 zł
C. 175 zł
D. 140 zł
MOT.02 Pytanie 7
Obsługa, diagnozowanie oraz n…
W silniku V6 Common Rail 2,3 18V Turbo stwierdzono uszkodzenie połowy wtryskiwaczy oraz wszystkich świec żarowych. Na podstawie cennika określ, jaką kwotę zapłaci klient za zakup części i wymianę uszkodzonych elementów?
| Lp. | Część/usługa | Wartość [zł] |
|---|---|---|
| 1. | Świeca żarowa | 100,00 |
| 2. | Wtryskiwacz | 200,00 |
| 3. | Wymiana wtryskiwacza | 20,00 |
| 4. | Wymiana świecy żarowej | 40,00 |
| 5. | Kasowanie błędów za pomocą testera | 50,00 |
| 6. | Jazda próbna | 20,00 |
A. 2 230,00 zł.
B. 1 570,00 zł.
C. 1 450,00 zł.
D. 2 170,00 zł.
MOT.06 Pytanie 8
Organizacja i prowadzenie pro…
Na rysunku przedstawiono wymagane przepisami usytuowanie pojazdu i urządzenia pomiarowego w obszarze pomiarowym. Przeprowadzenie tego pomiaru należy zlecić

A. diagnoście na stacji kontroli pojazdów.
B. lakiernikowi.
C. kierownikowi stacji kontroli pojazdów.
D. blacharzowi.
MOT.02 Pytanie 9
Obsługa, diagnozowanie oraz n…
Oscylogram otrzymany w trakcie wykonywania diagnostyki układu sterowania potwierdza, że

A. współczynnik wypełnienia badanego sygnału wynosi około 10/100 x 100%
B. wartość średnia napięcia badanego sygnału równa jest około 5V.
C. częstotliwość badanego sygnału wynosi około 50 Hz.
D. okres badanego sygnału sterującego równy jest około 100 ms.
Obsługa, diagnozowanie oraz n…
W jakiej sekwencji powinno się dokręcać śruby trzymające głowicę silnika?
A. Od lewej do prawej
B. Kolejno, zaczynając od strony rozrządu
C. W dowolnej sekwencji
D. Zgodnie z instrukcjami producenta silnika
Obsługa, diagnozowanie oraz n…
Numer VIN (Vehicle Identification Number) pojazdu jest zbudowany
A. z 10 znaków
B. z 18 znaków
C. z 14 znaków
D. z 17 znaków
Obsługa, diagnozowanie oraz n…
Jakim urządzeniem dokonuje się pomiaru temperatury zamarzania cieczy chłodzącej?
A. multimetrem
B. wakuometrem
C. refraktometrem
D. pirometrem
MOT.02 Pytanie 13
Obsługa, diagnozowanie oraz n…
Skrupulatna analiza okoliczności wystąpienia błędu w systemie elektronicznego sterowania silnikiem pozwala na zbadanie
A. sygnału sterującego
B. współczynnika wypełnienia
C. sygnału EPB
D. ramki zamrożonej
MOT.02 Pytanie 14
Obsługa, diagnozowanie oraz n…
W celu kompleksowej analizy obwodów elektrycznych odpowiedzialnych za sterowanie silnikiem w samochodzie wykorzystuje się
A. mierniki uniwersalne
B. stroboskopy
C. czytniki OBD - testery
D. wskaźniki napięcia
Obsługa, diagnozowanie oraz n…
Zaświecenie na desce rozdzielczej, przedstawionej na ilustracji, lampki kontrolnej informuje kierowcę o

A. usterce w układzie oświetlenia kabiny.
B. podłączeniu dodatkowego oświetlenia, np. przyczepy.
C. włączeniu świateł mijania.
D. usterce w układzie oświetlenia pojazdu.
Obsługa, diagnozowanie oraz n…
Po regeneracji przepustnicy silnika spalinowego, w celu zapewnienia prawidłowej pracy jednostki napędowej należy wykonać kalibrację przepustnicy, posługując się
A. oprogramowaniem diagnostycznym.
B. szczelinomierzem.
C. lampą stroboskopową.
D. multimetrem uniwersalnym.
Obsługa, diagnozowanie oraz n…
Jeśli przełożenie w skrzyni biegów wynosi ib=1,0, a przełożenie tylnego mostu to it=4,1, to całkowite przełożenie układu napędowego jest równe
A. 3,1
B. 5,1
C. 1,0
D. 4,1
Obsługa, diagnozowanie oraz n…
Na rysunku jest przedstawiony sposób regulacji

A. zbieżności kół przednich.
B. kąta pochylenia koła.
C. kąta pochylenia sworznia zwrotnicy.
D. zbieżności kół tylnych.
MOT.02 Pytanie 19
Obsługa, diagnozowanie oraz n…
Jaki będzie całkowity koszt naprawy w silniku R4 1,4 16V, po zerwaniu paska rozrządu, jeżeli stwierdzono uszkodzenie połowy zaworów, a naprawa zajmie 4 godziny pracy.
| Lp. | Wartość jednostkowa części (podzespołu) | Wartość [PLN] |
|---|---|---|
| 1. | Zawór głowicy | 20,00 |
| 2. | Zestaw rozrządu | 260,00 |
| 3. | Zestaw uszczelek | 160,00 |
| 4. | Zestaw świec zapłonowych | 100,00 |
| Lp. | Wykonana usługa (czynność) | Wartość [PLN] |
| 1. | Koszt 1 rbh pracy mechanika | 50,00 |
| 2. | Jazda testowa | 20,00 |
A. 720,00 PLN
B. 780,00 PLN
C. 570,00 PLN
D. 820,00 PLN
Obsługa, diagnozowanie oraz n…
Jakie metody nie mogą być stosowane do oceny sprawności czujnika indukcyjnego?
A. oglądanie wizualne
B. pomiar oporu
C. pomiar wytwarzanego napięcia
D. analiza sygnału na wyjściu
Organizacja i prowadzenie pro…
Która kontrolka dotyczy systemu bezpieczeństwa biernego?

A. A.
B. B.
C. C.
D. D.
Obsługa, diagnozowanie oraz n…
Który z wymienionych komponentów jest źródłem nadwyżki hałasu wydobywającego się z obszaru mostu napędowego, a nasila się podczas pokonywania zakrętu?
A. Przekładnia główna
B. Półoś napędowa
C. Mechanizm różnicowy
D. Łożysko piasty koła
Obsługa, diagnozowanie oraz n…
Wskaż przyrząd służący do pomiaru poboru prądu przez rozrusznik podczas uruchamiania silnika.
A. Przyrząd IV.

B. Przyrząd II.

C. Przyrząd I.

D. Przyrząd III.

Organizacja i prowadzenie pro…
Przedstawiony na rysunku schemat układu pojazdu dotyczy

A. określania prędkości jazdy.
B. kontroli zużycia bieżnika opon.
C. pomiaru prędkości obrotowej kół.
D. kontroli ciśnienia w oponach.
Obsługa, diagnozowanie oraz n…
Wzmożone zużycie wewnętrznych pasów rzeźby bieżnika jednej z opon, może być wynikiem
A. nadmiernego luzu w układzie kierowniczym
B. zbyt niskiego ciśnienia w ogumieniu
C. nieprawidłowego ustawienia zbieżności kół
D. niewłaściwego ustawienia kąta pochylenia koła
MOT.02 Pytanie 26
Obsługa, diagnozowanie oraz n…
W dokumentacji technicznej zamontowanego w pojeździe samochodowym dodatkowego elektronicznego obrotomierza rezystor R₂ opisano jako R₂ = 43R. Ze względu na jego uszkodzenie (zwęglenie) przypadkowym zwarciem nie można zidentyfikować jego oznaczenia za pomocą kodu barwnego. Do wymiany uszkodzonego elementu należy użyć rezystora oznaczonego następującymi kolorami:

A. żółty, pomarańczowy, czerwony, złoty.
B. żółty, pomarańczowy, srebrny, brązowy.
C. żółty, pomarańczowy, brązowy, złoty.
D. żółty, pomarańczowy, czarny, srebrny.
MOT.02 Pytanie 27
Obsługa, diagnozowanie oraz n…
Sterownik silnika krokowego sterowania przepustnicą generuje impulsy jak na rysunku, a jego wirnik nie zmienia swojego położenia. Taki objaw działania świadczy o uszkodzeniu

A. sterownika.
B. cewki silnika.
C. w obwodzie zasilania.
D. w układzie chłodzenia.
Organizacja i prowadzenie pro…
Podstawowym warunkiem, który należy spełnić przed wykonaniem pomiaru ciśnienia sprężania w cylindrach silnika ZI, jest
A. wykręcenie świec zapłonowych
B. sprawdzenie stanu świec zapłonowych
C. całkowite zamknięcie przepustnicy
D. ustawienie tłoka w pierwszym cylindrze w pozycji GMP
Obsługa, diagnozowanie oraz n…
Aby naprawić uszkodzoną cewkę w przekaźniku świateł drogowych, należy wymienić
A. cewkę przekaźnika
B. rdzeń cewki
C. cały przekaźnik
D. uzwojenie cewki
Obsługa, diagnozowanie oraz n…
Rysunek przedstawia układ napędowy. Koła zaczernione oznaczają osie napędzane. Jaki to rodzaj układu przeniesienia napędu?

A. 2x4
B. 6x4
C. 4x6
D. 4x4
Obsługa, diagnozowanie oraz n…
Areometr służy do oceny
A. poprawności funkcjonowania katalizatora.
B. higroskopijności płynu hamulcowego.
C. poziomu naładowania akumulatora.
D. stopnia zanieczyszczenia oleju silnikowego.
Obsługa, diagnozowanie oraz n…
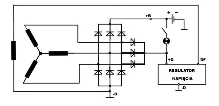
Na schemacie przedstawiono

A. mostek prostowniczy alternatora.
B. ogniwa prądu stałego połączone równolegle.
C. uzwojenie wirnika alternatora.
D. ogniwa prądu stałego połączone szeregowo.
Obsługa, diagnozowanie oraz n…
Podczas wymiany oświetlenia na desce rozdzielczej konieczne jest użycie żarówek typu
A. HB5
B. BAX
C. PY5
D. T4W
Obsługa, diagnozowanie oraz n…
Przedstawiony na rysunku element jest częścią układu

A. napędowego.
B. zawieszenia.
C. kierowniczego.
D. hamulcowego.
Obsługa, diagnozowanie oraz n…
Silnik wyposażony w układ EDC to silnik
A. ze zmiennymi fazami rozrządu
B. o zapłonie samoczynnym z elektronicznie sterowanym układem doładowania
C. o zapłonie samoczynnym z elektronicznie sterowanym układem zasilania
D. o zapłonie iskrowym ze zmiennymi fazami rozrządu
Obsługa, diagnozowanie oraz n…
Jakim symbolem oznacza się olej przeznaczony do smarowania przekładni głównej?
A. GL5 SAE 75W90
B. SG/CC SAE 10W/40
C. DOT-4
D. L-DAA
Obsługa, diagnozowanie oraz n…
W trakcie sprawdzania instalacji oświetlenia pojazdu w prawej lampie zespolonej zaobserwowano równoczesne zapalanie się i przygasanie wszystkich świateł. Objawy te wskazują na
A. zwarcie w żarówce kierunkowskazu.
B. uszkodzony przerywacz kierunkowskazu.
C. uszkodzone połączenie lampy zespolonej z masą pojazdu.
D. uszkodzone lustro lampy zespolonej.
Obsługa, diagnozowanie oraz n…
Trudności w włączeniu jednego z biegów w synchronizowanej skrzyni biegów zazwyczaj są spowodowane uszkodzeniem
A. łożyskowania synchronizatora tego biegu
B. koła zębatego tego biegu
C. łożyskowania koła zębatego tego biegu na wałku
D. synchronizatora tego biegu
Organizacja i prowadzenie pro…
Wynik przeprowadzonego testu uznaje się za niewystarczający, jeśli jasność przynajmniej jednej pary sygnalizatorów świetlnych nie osiąga wymaganego poziomu, który wynosi
A. 50 kcd
B. 20 kcd
C. 40 kcd
D. 30 kcd
Obsługa, diagnozowanie oraz n…
Aby rozmontować końcówkę drążka kierowniczego z ramienia zwrotnicy, jaki sprzęt powinno się zastosować?
A. ściągacza do przegubów kulowych
B. prasy hydraulicznej
C. szczypiec uniwersalnych
D. młotka bezwładnościowego