Filtrowanie pytań
Obsługa, diagnozowanie oraz n…
A. z silnika umiejscowionego z tyłu pojazdu, napędzane są koła przednie
B. z silnika umiejscowionego z tyłu pojazdu, napędzane są koła tylne
C. z silnika umiejscowionego z przodu pojazdu, napędzane są koła tylne
D. z silnika umiejscowionego z przodu pojazdu, napędzane są koła przednie
Organizacja i prowadzenie pro…
Jakie urządzenie pomiarowe jest niezbędnym elementem wyposażenia stacji kontroli pojazdów i podlega okresowej legalizacji w odpowiednim laboratorium?
A. urządzenie do pomiaru sił hamowania
B. przyrząd do pomiaru świateł
C. manometr do kół
D. płyta do wstępnej kontroli zbieżności
Obsługa, diagnozowanie oraz n…
Po włączeniu świateł drogowych żadna żarówka H7 się nie zaświeca. Ustalono, że przekaźnik świateł drogowych działa, a próbnikiem potwierdzono obecność napięcia na złączach żarówek. Opis sugeruje uszkodzenie
A. przekaźnika
B. włącznika świateł drogowych
C. przewodów zasilających żarówki H7
D. obu żarówek
Obsługa, diagnozowanie oraz n…
Wartość stopnia sprężania silników z zapłonem iskrowym w stosunku do silników z zapłonem samoczynnym jest
A. mniejsza.
B. zawsze większa.
C. porównywalna.
D. zawsze równa.
Organizacja i prowadzenie pro…
Przedstawiony na rysunku przyrząd służy do

A. montażu opasek zaciskowych.
B. zaciskania tulejek kablowych.
C. zaciskania konektorów.
D. ściągania izolacji.
Obsługa, diagnozowanie oraz n…
Osoba będąca właścicielem pojazdu, który został wycofany z użytku, oddając go do stacji demontażu, nie ma obowiązku przedstawienia
A. książki gwarancyjnej pojazdu
B. dowodu rejestracyjnego
C. dowodu osobistego
D. karty pojazdu
Obsługa, diagnozowanie oraz n…
Podczas inspekcji układu zawieszenia zauważono odkształcenie wahacza koła. W tej sytuacji mechanik powinien
A. wygięty wahacz naprawić na zimno
B. wykonać kompleksową regulację geometrii zawieszenia
C. uszkodzony wahacz wymienić na nowy
D. wygięty wahacz naprawić na gorąco
Obsługa, diagnozowanie oraz n…
Na rysunku przedstawiono zestaw do kontroli szczelności

A. klimatyzacji.
B. układu chłodzenia.
C. układu smarowania.
D. cylindrów.
Obsługa, diagnozowanie oraz n…
Po przeprowadzeniu regeneracji kompresora klimatyzacji w dokumencie gwarancyjnym powinno się zapisać
A. datę regeneracji oraz przebieg pojazdu
B. wymienione elementy
C. zakres wykonanych prac
D. koszty usługi
Obsługa, diagnozowanie oraz n…
Na rysunku przedstawiono przyrząd używany do

A. zablokowania mechanizmu rozrządu.
B. montażu i demontaż tłoczków hamulcowych.
C. demontażu łożysk alternatora.
D. demontażu zaworów.
Obsługa, diagnozowanie oraz n…
Urządzenie do określania ciśnienia sprężania w silniku ZS powinno mieć zakres pomiarowy pozwalający na odczyt wyników do wartości minimalnej
A. 10,0 MPa
B. 1,0 MPa
C. 2,5 MPa
D. 5,0 MPa
MOT.02 Pytanie 692
Obsługa, diagnozowanie oraz n…
Skrupulatna analiza okoliczności wystąpienia błędu w systemie elektronicznego sterowania silnikiem pozwala na zbadanie
A. sygnału sterującego
B. ramki zamrożonej
C. współczynnika wypełnienia
D. sygnału EPB
Obsługa, diagnozowanie oraz n…
Uzwojenie stojana w rozłożonym na części rozruszniku oznaczone jest numerem

A. 5
B. 4
C. 7
D. 3
Obsługa, diagnozowanie oraz n…
Którym kolorem na wykresie zaznaczono przebieg napięcia tętniającego?

A. Czarnym.
B. Czerwonym.
C. Niebieskim.
D. Zielonym.
Obsługa, diagnozowanie oraz n…
Jaką jednostką mierzy się indukcyjność cewki?
A. henrach [H]
B. faradach [F]
C. weberach [Wb]
D. omach [Ω]
Obsługa, diagnozowanie oraz n…
Częstym symptomem wskazującym na poślizg sprzęgła jest
A. spadek prędkości pojazdu w trakcie jazdy pod górkę
B. nierównomierna praca silnika na biegu jałowym
C. niemożność zmiany biegów
D. drgania pojawiające się podczas hamowania
Obsługa, diagnozowanie oraz n…
Podczas przyjmowania pojazdu do naprawy mechanik zauważył uszkodzenie układu wydechowego. W protokole zdawczo-odbiorczym powinien również zanotować informację uzyskaną od właściciela pojazdu na temat
A. numeru kontaktowego do przedstawiciela ubezpieczalni pojazdu
B. zakresu prac do wykonania w trakcie naprawy pojazdu
C. najdłuższego czasu realizacji naprawy
D. innych uszkodzeń wykrytych w pojeździe
Obsługa, diagnozowanie oraz n…
Luz zmierzony w zamku pierścienia tłokowego, umieszczonego w cylindrze silnika po przeprowadzonej naprawie, wynosi 0,6 mm. Producent wskazuje, że ten luz powinien wynosić od 0,25 do 0,40 mm. Uzyskany wynik wskazuje, że
A. luz jest zbyt duży
B. luz jest zbyt mały
C. luz mieści się w podanych zaleceniach
D. luz zamka pierścienia należy powiększyć
Obsługa, diagnozowanie oraz n…
Pojawiające się w zbiorniczku wyrównawczym systemu chłodzenia pęcherzyki powietrza mogą być efektem uszkodzenia
A. głowicy silnika
B. termostatu
C. pompy wody
D. nagrzewnicy
Obsługa, diagnozowanie oraz n…
System SCR (Selective Catalytic Reduction) w pojeździe jest układem
A. diagnostyki pokładowej.
B. zapobiegającym blokowanie kół pojazdu.
C. niedopuszczającym do nadmiernego poślizgu kół pojazdu podczas przyspieszania.
D. oczyszczania spalin.
Obsługa, diagnozowanie oraz n…
W dokumencie odbioru, sporządzanym w momencie przyjęcia pojazdu do serwisu, powinny być zawarte informacje dotyczące
A. masy całkowitej pojazdu
B. widocznych uszkodzeń nadwozia pojazdu
C. liczby osi pojazdu
D. daty ważności ubezpieczenia pojazdu
Organizacja i prowadzenie pro…
Pojazd został dostarczony do serwisu po kolizji, w wyniku której zauważono uszkodzenie przedniego pasa, chłodnicy oraz reflektorów. Jak powinien być właściwie zaplanowany proces naprawy?
A. czyszczenie pojazdu, demontaż uszkodzonych elementów, naprawa blacharsko-lakiernicza, kontrola, montaż nowych komponentów, kontrola, jazda próbna
B. czyszczenie pojazdu, demontaż uszkodzonych elementów, montaż nowych komponentów, naprawa blacharsko-lakiernicza, jazda próbna
C. czyszczenie pojazdu, naprawa blacharsko-lakiernicza, demontaż uszkodzonych elementów, montaż nowych komponentów, jazda próbna
D. demontaż uszkodzonych elementów, montaż nowych komponentów, naprawa blacharsko-lakiernicza, kontrola, jazda próbna
Organizacja i prowadzenie pro…
Przy wydawaniu części do naprawy pojazdu mechanikowi, pracownik magazynu zobowiązany jest do sporządzenia
A. zlecenia serwisowego
B. dokumentu rozchodu wewnętrznego części serwisowych
C. dokumentu rozchodu międzymagazynowego
D. arkusza spisowego
Obsługa, diagnozowanie oraz n…
Na ilustracji przedstawiono element

A. rozrusznika.
B. skrzyni biegów.
C. mechanizmu różnicowego.
D. silnika.
Obsługa, diagnozowanie oraz n…
Reperacja tarcz hamulcowych w sytuacji, gdy nie są nadmiernie zdeformowane oraz mają właściwą grubość, polega na ich
A. przetoczeniu
B. metalizacji
C. galwanizacji
D. napawaniu
Organizacja i prowadzenie pro…
W jakiej formie otrzyma pomoc przedsiębiorca funkcjonujący w sieci ASO?
A. Rekrutacji pracowników
B. Szkolenia kadry
C. Udzielania porad prawnych
D. Organizacji nowych warsztatów
Obsługa, diagnozowanie oraz n…
Luz pomiędzy popychaczem a trzonkiem zaworu ma na celu
A. poprawę odprowadzania ciepła z głowicy.
B. wyciszenie pracy silnika.
C. zapewnienie optymalnego smarowania elementów układu rozrządu.
D. kompensację rozszerzalności cieplnej.
Obsługa, diagnozowanie oraz n…
Diagnosta po wykonaniu kilku energicznych ruchów kołem w płaszczyźnie pionowej nie może ocenić luzów

A. w sworzniach zwrotnicy.
B. w łożyskach kół.
C. na końcówkach drążków kierowniczych.
D. w tulei metalowo-gumowej wahacza.
Obsługa, diagnozowanie oraz n…
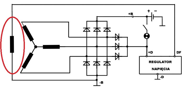
Na schemacie alternatora elipsą zaznaczono

A. układ Graetza.
B. mostek prostowniczy alternatora.
C. szczotki regulatora napięcia.
D. diody obwodu wzbudzenia.
Organizacja i prowadzenie pro…
Jakie pismo potwierdza realizację naprawy danego pojazdu?
A. faktura VAT za zakup części
B. formularz dotyczący oceny wzrokowej samochodu
C. paragon za nabycie części
D. rachunek za wykonanie usługi
Organizacja i prowadzenie pro…
Badania diagnostyczne alternatora oraz jego potencjalną naprawę powinien przeprowadzić
A. elektromechanik
B. mechanik
C. diagnosta samochodowy
D. dekarz
MOT.02 Pytanie 712
Obsługa, diagnozowanie oraz n…
W czasie przeglądu instalacji elektrycznej samochodu z silnikiem spalinowym czterocylindrowym o zapłonie iskrowym stwierdzono konieczność wymiany świec oraz akumulatora. Na podstawie danych przedstawionych w tabeli określ, jaką kwotę zapłaci klient za wykonanie usługi?
| Cennik | ||
|---|---|---|
| Lp. | Wykonane czynności | Cena [zł] |
| 1 | Przegląd instalacji elektrycznej samochodu | 150,00 |
| 2 | Wymiana akumulatora | 50,00 |
| 3 | Wymiana świecy żarowej | 8,00 |
| 4 | Wymiana świecy zapłonowej | 10,00 |
| Lp. | Części | Cena [zł] |
| 1 | Akumulator | 250,00 |
| 2 | Świeca żarowa | 60,00 |
| 3 | Świeca zapłonowa | 50,00 |
| 4 | Alternator | 300,00 |
A. 540,00 zł.
B. 690,00 zł.
C. 722,00 zł.
D. 460,00 zł.
Obsługa, diagnozowanie oraz n…
Proporcja objętości cylindra powyżej tłoka w pozycjach DMP oraz GMP definiuje
A. objętość jednego skoku silnika
B. długość skoku tłoka
C. ciśnienie sprężonego powietrza
D. stopień sprężania
Obsługa, diagnozowanie oraz n…
Obróbkę końcową kół zębatych przekładni głównej tylnego mostu wykonuje się metodą
A. szlifowania.
B. ugniatania.
C. toczenia.
D. honowania.
Organizacja i prowadzenie pro…
Do standardowych obowiązków kierownika serwisu, który zatrudnia od 5 do 10 pracowników, należy
A. prowadzenie dokumentacji finansowej
B. przygotowywanie kosztorysów
C. utrzymywanie relacji z klientami
D. opracowywanie wynagrodzeń dla pracowników
Obsługa, diagnozowanie oraz n…
Pomiar zbieżności kół przednich polega na pomiarze różnicy
A. przesunięcia kół tylnych w stosunku do kół przednich.
B. między rozstawem kół z lewej i prawej strony.
C. kątów pochylenia kół jezdnych osi napędzanej.
D. odległości między obręczami obręczy kół za i przed osią koła.
Organizacja i prowadzenie pro…
Aby ustalić przyczynę przegrzewania się silnika, należy zbadać
A. zakres temperatury działania termostatu
B. zakres obrotów silnika
C. efektywność układu rozrządu
D. typ płynu chłodniczego
Organizacja i prowadzenie pro…
Producent określił przeglądy okresowe pojazdu co 20 000±500 km oraz nie rzadziej niż raz na rok. Klient udał się do warsztatu, aby ustalić termin następnego przeglądu okresowego, a jego pojazd ma przebieg 38 300 km i ostatni przegląd został wykonany dokładnie 7 miesięcy temu. Kiedy powinien odbyć się kolejny przegląd?
A. za trzy miesiące
B. po przejechaniu dodatkowych 2 700 km
C. na 3 lata od daty zakupu auta
D. za pięć miesięcy lub przy przebiegu 40 000±500 km
Obsługa, diagnozowanie oraz n…
Karta gwarancyjna zamontowanego w pojeździe nowego rozrusznika powinna zawierać informację dotyczącą
A. daty pierwszej rejestracji pojazdu.
B. mocy silnika pojazdu.
C. daty zamontowania rozrusznika.
D. danych teleadresowych właściciela pojazdu.
Obsługa, diagnozowanie oraz n…
Które urządzenie umożliwia wykonanie diagnostyki układu stabilizacji toru jazdy?
A. Decybelomierz.
B. Tester diagnostyczny.
C. Multimetr.
D. Tester drgań wymuszonych.