Filtrowanie pytań
Organizacja i prowadzenie pro…
A. W trakcie obsługi OT-2
B. Przed sprzedażą pojazdu
C. Po odbyciu jazdy próbnej
D. Podczas pierwszej wizyty klienta w ASO
Obsługa, diagnozowanie oraz n…
W trakcie sprawdzania instalacji oświetlenia pojazdu w prawej lampie zespolonej zaobserwowano równoczesne zapalanie się i przygasanie wszystkich świateł. Objawy te wskazują na
A. uszkodzony przerywacz kierunkowskazu.
B. uszkodzone połączenie lampy zespolonej z masą pojazdu.
C. uszkodzone lustro lampy zespolonej.
D. zwarcie w żarówce kierunkowskazu.
Obsługa, diagnozowanie oraz n…
Po rozmontowaniu i naprawie alternatora należy zweryfikować jego działanie
A. na stole warsztatowym
B. na stole probierczym pod obciążeniem
C. pod obciążeniem w pojeździe
D. podczas jazdy testowej
Obsługa, diagnozowanie oraz n…
Do dokręcenia nakrętki koła pasowego alternatora z określonym momentem należy użyć klucza
A. płasko-oczkowego.
B. oczkowego.
C. dynamometrycznego.
D. imbusowego.
Obsługa, diagnozowanie oraz n…
Jakie jest zastosowanie użebrowania cylindrów w silniku, który jest chłodzony bezpośrednio?
A. odprowadzanie ciepła z cylindrów, które są chłodzone powietrzem
B. odprowadzanie ciepła z cylindrów, które są chłodzone cieczą
C. wzmocnienie struktury cylindra, który jest chłodzony cieczą
D. wzmocnienie struktury cylindra, który jest chłodzony powietrzem
Obsługa, diagnozowanie oraz n…
Który rodzaj oleju silnikowego charakteryzuje się najniższą lepkością podczas sezonu zimowego?
A. SAE 10W/40
B. SAE 15W/40
C. SAE 0W/40
D. SAE 80W/90
Organizacja i prowadzenie pro…
Do warsztatu został przywieziony samochód, który wykazuje drgania przekazywane na karoserię przy prędkości 100-120 km/h. Może to być spowodowane
A. nadmiernym zużyciem bieżnika kół
B. zużyciem klocków hamulcowych
C. zbyt niskim ciśnieniem w ogumieniu
D. niewyważeniem koła
Obsługa, diagnozowanie oraz n…
W systemie chłodzenia silnika, ilość płynu krążącego w obiegu kontrolowana jest przez
A. pompę cieczy
B. wentylator chłodnicy
C. czujnik temperatury cieczy
D. termostat
Obsługa, diagnozowanie oraz n…
Wysokie zadymienie spalin w silniku o zapłonie samoczynnym może wynikać z
A. wadliwości świecy żarowej
B. nadmiaru podawanego powietrza
C. zamykania filtra DPF
D. niewystarczającego ciśnienia wtrysku
Obsługa, diagnozowanie oraz n…
Na podstawie tabeli zawierającej wyniki pomiarów układu ABS określ, który czujnik prędkości koła jest sprawny technicznie?

A. 4
B. 1
C. 2
D. 3
Obsługa, diagnozowanie oraz n…
Z układu wydechowego samochodu wydobywa się znaczna ilość białego dymu. Możliwą przyczyną tego zjawiska może być
A. uszkodzenie uszczelki głowicy silnika
B. zbyt duża ilość paliwa wtryskiwanego.
C. zablokowany filtr powietrza.
D. nieprawidłowe ustawienie zapłonu.
Obsługa, diagnozowanie oraz n…
Gdzie stosowany jest odśrodkowy regulator prędkości obrotowej?
A. w paliwowej pompie wysokiego ciśnienia w systemie Common Rail
B. w przeponowej pompie paliwowej silnika z zapłonem iskrowym
C. w pompie tłoczkowej o niskim ciśnieniu
D. w rzędowej pompie wtryskowej
MOT.02 Pytanie 893
Obsługa, diagnozowanie oraz n…
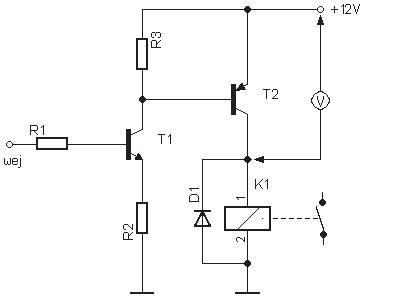
Po podaniu na wejście układu elektronicznego widocznego na rysunku sygnału sterującego o wartości 3 V względem masy układu, woltomierz wskazuje wartość napięcia 11,95 V. Oznacza to, że

A. układ jest uszkodzony.
B. układ działa prawidłowo.
C. dioda D1 jest zwarta.
D. przez cewkę przepływa prąd sterowania.
Obsługa, diagnozowanie oraz n…
Jakie kroki powinny być podjęte w przypadku wystąpienia poparzenia?
A. Warto oczyścić miejsce poparzenia z przylegających elementów odzieży
B. Zaleca się przemyć poparzone miejsce ciepłą wodą z mydłem
C. Należy przemyć poparzone miejsce spirytusem lub co najmniej wodą utlenioną
D. Oparzone miejsce schłodzić dużą ilością zimnej wody a następnie przykryć opatrunkiem z gazy jałowej i skierować do lekarza
Organizacja i prowadzenie pro…
Podział zużytych elementów polega na
A. przechowywaniu ich w stosach o maksymalnej wysokości 2 m
B. ich oddaniu - jako części zapasowe
C. umieszczaniu ich w odpowiednich pojemnikach
D. wydobywaniu z nich metali szlachetnych
Obsługa, diagnozowanie oraz n…
Na podstawie przedstawionych na rysunku charakterystyk rezystancyjno-temperaturowych podzespołów elektronicznych stwierdzono, że sprawny technicznie termistor typu PTC w temperaturze 20°C posiada rezystancję około

A. 1 kΩ
B. 100 Ω
C. 100 kΩ
D. 10 kΩ
Organizacja i prowadzenie pro…
Podczas diagnozowania sprzęgła mechanik zauważył szarpanie przy puszczaniu pedału sprzęgła. Możliwą przyczyną tej usterki może być
A. wyciek płynu z układu wysprzęglnika
B. odkształcona tarcza dociskowa
C. zaolejona tarcza sprzęgła
D. zużycie łożyska oporowego sprzęgła
MOT.06 Pytanie 898
Organizacja i prowadzenie pro…
Każda osoba uprawniona do przeprowadzania obowiązkowego badania technicznego na stacji kontroli pojazdów to
A. elektromechanik
B. mechanik
C. pracownik Biura Obsługi Klienta
D. diagnosta
Obsługa, diagnozowanie oraz n…
Oblicz pojemność skokową silnika trzycylindrowego, mając na uwadze, że pojemność skokowa jednego cylindra wynosi 173,4 cm3?
A. 173,4 cm3
B. 520,2 cm3
C. 693,6 cm3
D. 346,8 cm3
Organizacja i prowadzenie pro…
Po przeprowadzeniu naprawy systemu hamulcowego diagnosta zweryfikował hamulec roboczy pojazdu przy użyciu urządzenia rolkowego. Jaka jest minimalna wartość procentowa wskaźnika efektywności hamowania, która potwierdzi prawidłowość wykonanego serwisu?
A. 50%
B. 70%
C. 30%
D. 10%
Obsługa, diagnozowanie oraz n…
Jaką jednostkę stosuje się do określenia momentu obrotowego silnika?
A. Nm
B. N
C. kW
D. KM
Obsługa, diagnozowanie oraz n…
Multimetrem nie można wykonać pomiaru
A. rezystancji przewodów.
B. średnic biegunów akumulatora.
C. natężenia prądu płynącego przez żarówkę.
D. napięcia w instalacji.
Obsługa, diagnozowanie oraz n…
Projektując wykonanie dodatkowej instalacji car audio, wartość prądu znamionowego bezpiecznika zabezpieczającego instalację należy dobrać na podstawie
A. maksymalnej mocy całego zestawu.
B. wielkości całego zestawu.
C. przekroju przewodu zasilania.
D. posiadanego gniazda bezpiecznika.
Organizacja i prowadzenie pro…
Po przeprowadzeniu naprawy układu hamulcowego w samochodzie osobowym, zmierzono siły hamowania kół na tej samej osi. Maksymalna różnica sił hamowania pomiędzy kołami powinno być zgodna z przepisami i nie może przekraczać
A. 25%
B. 20%
C. 30%
D. 35%
Obsługa, diagnozowanie oraz n…
Przed dokonaniem pomiaru geometrii kół przednich w samochodzie osobowym, pojazd powinien być ustawiony tak, aby koła
A. przedniej i tylnej osi znajdowały się na obrotnicach
B. przedniej i tylnej osi spoczywały na płytach odciążających
C. przedniej osi były na płytach odciążających, a tylnej na obrotnicach
D. przedniej osi były na obrotnicach, a tylnej na płytach odciążających
Obsługa, diagnozowanie oraz n…
Kontrolę pracy turbosprężarki przeprowadza się
A. wakuometrem.
B. komputerem diagnostycznym OBD.
C. multimetrem uniwersalnym.
D. analizatorem spalin.
Organizacja i prowadzenie pro…
Kto ma prawo przeprowadzić obowiązkowe badanie techniczne pojazdu w Stacji Kontroli Pojazdów?
A. mechanik samochodowy
B. pracownik Urzędu Dozoru Technicznego
C. diagnoza
D. pracownik biura obsługi klienta
Obsługa, diagnozowanie oraz n…
Rola stabilizatora w systemie zawieszenia samochodu
A. redukuje wibracje przenoszone z kół na nadwozie
B. ogranicza obrót kół podczas jazdy po zakrętach
C. zmniejsza przechyły pojazdu w trakcie pokonywania zakrętów
D. łączy układ kierowniczy z karoserią
Obsługa, diagnozowanie oraz n…
W celu zabezpieczenia przed przeciążeniem w obwodzie zasilania zamontowanego w pojeździe aktywnego subwoofera o mocy znamionowej 50 W (RMS) i sprawności energetycznej 50% należy zastosować bezpiecznik samochodowy koloru

A. różowego.
B. brązowego.
C. czerwonego.
D. beżowego.
Obsługa, diagnozowanie oraz n…
W jakich jednostkach mierzy się pojemność akumulatora?
A. omach [Ohm]
B. amperogodzinach [Ah]
C. amperach [A]
D. woltach [V]
Obsługa, diagnozowanie oraz n…
Zanim przystąpisz do badania spalin, powinieneś podgrzać silnik, aby temperatura oleju w misie olejowej wyniosła około
A. 30 °C
B. 50 °C
C. 90 °C
D. 70 °C
Organizacja i prowadzenie pro…
Koszt regeneracji wału napędowego wynosi 250 zł netto, czas potrzebny na wymianę to 2 h. Stawka za roboczogodzinę to 100 zł netto. Podatek na części zamienne i usługi wynosi 23%. Jaki będzie łączny koszt (brutto) wymiany uszkodzonego wału napędowego?
A. 250,00 zł
B. 450,00 zł
C. 553,50 zł
D. 103,50 zł
Obsługa, diagnozowanie oraz n…
Podczas eliminacji usterki w panelu kontrolnym systemu klimatyzacji w samochodzie, w celu zweryfikowania funkcjonowania naprawionego modułu, uszkodzony kondensator bipolarny oznaczony jako 2μ4/50V ±5% może być tymczasowo zastąpiony dwoma kondensatorami połączonymi w szereg.
A. 1μ2/25V ±5% szeregowo
B. 4μ7/50V ±5% równolegle
C. 2μ4/25V ±5% szeregowo
D. 1μ2/50V ±5% równolegle
MOT.05 Pytanie 914
Obsługa, diagnozowanie oraz n…
Podczas wizyty w ASO wykonano obsługę okresową w pojeździe. Łączny czas pracy został określony jako 3,5 roboczogodziny. Uwzględniając zawarte w tabeli ceny wykorzystanych części i materiałów eksploatacyjnych oraz koszt wykonanych czynności, wskaż ile klient zapłaci za wykonanie obsługi.
| Nazwa części/materiału | Wymagana ilość | Cena jednostkowa [zł] |
|---|---|---|
| Filtr oleju | 1 szt. | 19,00 |
| Olej silnikowy | 4,0 l* | 30,00 |
| Płyn hamulcowy | 0,5 l* | 18,00 |
| Płyn chłodniczy | 5,5 l* | 20,00 |
| Koszt jednej roboczogodziny 1,0 rbg = 125,00 zł *płyny eksploatacyjne są pobierane z opakowań zbiorczych z dokładnością do 0,5 l | ||
A. 705,50 zł
B. 695,50 zł
C. 685,50 zł
D. 704,50 zł
Obsługa, diagnozowanie oraz n…
CNG to symbol paliwa wykorzystywanego w silnikach tłokowych na paliwa kopalne, co oznacza
A. mieszaninę benzyny i metanolu
B. sprężony gaz ziemny
C. sprężony propan-butan
D. biopaliwo
Obsługa, diagnozowanie oraz n…
Wymiana klocków hamulcowych na tylnej osi w pojazdach z systemem Electronic Power Board lub Sensotronic Brake Control wiąże się z
A. dezaktywacją zacisków hamulcowych
B. odpowietrzeniem układu hamulcowego
C. jednoczesną wymianą tarcz i klocków hamulcowych
D. wymianą płynu hamulcowego
Obsługa, diagnozowanie oraz n…
Do oceny poprawności działania sondy lambda należy wykorzystać
A. anemometr.
B. decibelomierz.
C. scanner OBD.
D. pirometr.
Obsługa, diagnozowanie oraz n…
Wskaż wtyczkę USB typu B.
A. Wtyczka 4

B. Wtyczka 3

C. Wtyczka 1

D. Wtyczka 2

Obsługa, diagnozowanie oraz n…
Ile wyniesie koszt kompletnej naprawy zawieszenia, jeżeli wykona ją mechanik w czasie 4 godzin według specyfikacji części i cen zawartych w tabeli?
| Asortyment | Cena zł |
|---|---|
| 1. Amortyzator | 160,00 |
| 2. Resor | 340,00 |
| 3. Strzemię mocujące resor | 30,00 |
| Koszt roboczogodziny | 20,00 |
A. 670 zł
B. 610 zł
C. 570 zł
D. 530 zł
Obsługa, diagnozowanie oraz n…
Silnik spalinowy chłodzony cieczą nie osiąga odpowiedniej temperatury. Jakie uszkodzenie w układzie chłodzenia może powodować takie symptomy?
A. Chłodnicy
B. Nagrzewnicy
C. Wentylatora
D. SCS Termostatu