Filtrowanie pytań
Obsługa, diagnozowanie oraz n…
A. fakturze.
B. dowodzie kasowym.
C. zleceniu naprawy.
D. asygnacie.
Obsługa, diagnozowanie oraz n…
Którego narzędzia należy użyć do demontażu łożysk alternatora?
A.

B.

C.

D.

Obsługa, diagnozowanie oraz n…
Przeprowadzono naprawę rozdzielacza zapłonu silnika spalinowego. Aby ustawić kąt wyprzedzenia zapłonu, należy użyć
A. multimetru uniwersalnego.
B. lampy stroboskopowej.
C. testera diagnostycznego.
D. szczelinomierza.
Obsługa, diagnozowanie oraz n…
Kiedy wał korbowy silnika czterosuwowego obraca się z prędkością 4000 obr/min, to prędkość obrotowa wałka rozrządu wynosi jaką wartość?
A. 2000 obr/min
B. 1000 obr/min
C. 8000 obr/min
D. 4000 obr/min
Obsługa, diagnozowanie oraz n…
Do jakich pomiarów stosuje się wakuometry?
A. podciśnienia w układzie dolotowym
B. ciśnienia paliwa
C. wydajności pompy paliwowej
D. ciśnienia atmosferycznego
Organizacja i prowadzenie pro…
Mechanicy potrzebują 2,5 godziny na jeden przegląd. Ile minimalnie stanowisk musi być w serwisie, aby wykonać przynajmniej 12 przeglądów w czasie ośmiogodzinnej zmiany?
A. 6
B. 5
C. 3
D. 4
Obsługa, diagnozowanie oraz n…
Jasnobeżowy osad na elektrodach świecy zapłonowej wskazuje na
A. spalanie mieszanki o niskiej zawartości paliwa
B. intensywne zanieczyszczenie filtra powietrza
C. prawidłowe spalanie
D. spalanie mieszanki o dużej zawartości paliwa
Obsługa, diagnozowanie oraz n…
Filtr cząstek stałych jest zazwyczaj wykorzystywany w systemach wydechowych silników o zapłonie
A. iskrowym z wtryskiem bezpośrednim
B. iskrowym z wtryskiem pośrednim
C. samoczynnym z wtryskiem bezpośrednim
D. samoczynnym z wtryskiem pośrednim
Obsługa, diagnozowanie oraz n…
Po włączeniu świateł do jazdy dziennej żadna z żarówek H15 nie świeci, pomimo załączonego przekaźnika tych świateł. Wskazuje to na uszkodzenie
A. włącznika świateł do jazdy dziennej.
B. styku jednej z żarówek.
C. cewki przekaźnika.
D. żarnika jednej z żarówek.
Organizacja i prowadzenie pro…
Użycie układu OBD II w pojeździe umożliwia pracownikowi zyskanie dostępu do informacji
A. z tachografu pojazdu
B. z archiwum wizyt serwisowych oraz rodzajów przeprowadzanych napraw
C. z pokładowego systemu diagnostycznego pojazdu
D. z analizatora spalin na stacji diagnostycznej
Obsługa, diagnozowanie oraz n…
Zółty sygnał optycznego wskaźnika naładowania ("magiczne oko") w akumulatorze bezobsługowym informuje, że
A. trzeba uzupełnić poziom elektrolitu
B. klemy w akumulatorze wymagają oczyszczenia
C. akumulator wymaga doładowania
D. akumulator jest uszkodzony i powinien zostać wymieniony
Obsługa, diagnozowanie oraz n…
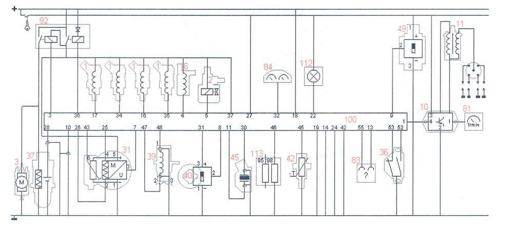
W celu dokonania kontrolnego pomiaru napięcia zasilania w obwodzie czujnika Halla, woltomierz należ] podłączyć pomiędzy masę, a zaciskiem zasilania elementu oznaczonego na schemacie numerem

A. 40.
B. 31.
C. 10.
D. 37.
Obsługa, diagnozowanie oraz n…
Wykonanie próby przelewowej pozwala na ocenę stanu
A. pompy wysokiego ciśnienia.
B. wtryskiwaczy.
C. filtra układu paliwowego.
D. zaworu regulacji ciśnienia paliwa.
Obsługa, diagnozowanie oraz n…
Wartość mocy żarówki sygnalizacyjnej wynosi P = 21 W, gdy jest zasilana z akumulatora o napięciu U=12 V. Jaką rezystancję ma włókno żarówki?
A. 9,5 Ω
B. 7,0 Ω
C. 1,8 Ω
D. 0,6 Ω
Obsługa, diagnozowanie oraz n…
Stopień sprężania w silnikach spalinowych definiujemy jako stosunek objętości
A. komory spalania do objętości całkowitej cylindra
B. całkowitej cylindra do objętości skokowej
C. skokowej do objętości całkowitej cylindra
D. całkowitej cylindra do objętości komory spalania
Obsługa, diagnozowanie oraz n…
Aby ocenić użyteczność eksploatacyjną oleju silnikowego, co należy zastosować?
A. pirometr.
B. mikrometr.
C. wiskozymetr.
D. sonometr.
Obsługa, diagnozowanie oraz n…
Kontrolę przeprowadza się przy użyciu lampy stroboskopowej
A. ustawień oświetlenia
B. kąta wyprzedzenia zapłonu
C. zbiegłości kół
D. ciśnienia sprężania
Obsługa, diagnozowanie oraz n…
Po uruchomieniu świateł mijania jeden z reflektorów nie działa. W obwodzie świateł mijania znajdują się przekaźnik oraz oddzielne bezpieczniki dla lewej i prawej strony pojazdu. Ustalono, że żarówka w reflektorze jest sprawna, co sugeruje uszkodzenie
A. włącznika świateł mijania
B. styków roboczych przekaźnika
C. cewki przekaźnika
D. bezpiecznika
MOT.06 Pytanie 939
Organizacja i prowadzenie pro…
Podczas przeprowadzania codziennej obsługi auta, zwykle pomija się kontrolę
A. estetyki karoserii samochodu
B. zawartości toksycznych składników spalin
C. funkcjonowania świateł zewnętrznych pojazdu
D. stanu poziomu paliwa w zbiorniku
Obsługa, diagnozowanie oraz n…
Jaka wartość ciśnienia oleju w systemie smarowania silnika, mierzona przy prędkości obrotowej w przedziale 2000 do 3000 obr/min, wskazuje na poprawne działanie układu?
A. 0,4 MPa
B. 2,0 MPa
C. 0,1 MPa
D. 4,0 MPa
Obsługa, diagnozowanie oraz n…
W układzie jak na rysunku wartość prądu I przepływającego przez rezystor R1 wynosi

A. 20 [mA].
B. 200 [mA].
C. 50 [mA].
D. 5 [mA].
MOT.02 Pytanie 942
Obsługa, diagnozowanie oraz n…
Serwis działa od poniedziałku do piątku w dwóch zmianach, a w soboty w jednej. Na każdej zmianie pracują dwaj pracownicy. W czasie zmiany jeden mechanik wymienia olej w trzech silnikach, stosując 4 litry oleju do każdego z nich. Ile litrów oleju silnikowego oraz filtrów oleju wymienia serwis samochodowy w ciągu tygodnia?
A. 142 litry oleju i 33 filtry
B. 264 litry oleju i 33 filtry
C. 142 litry oleju i 66 filtrów
D. 264 litry oleju i 66 filtrów
Obsługa, diagnozowanie oraz n…
Zużyte styki przerywacza zapłonu bezpośrednio wpływają na
A. zmniejszenie zużycia paliwa w silniku.
B. zmianę kąta zapłonu.
C. osłabienie iskry na świecy.
D. powstanie dodatkowych przeskoków iskry.
Obsługa, diagnozowanie oraz n…
W wyniku kontroli zawieszenia tylnego pojazdu stwierdzono pęknięcie sprężyny zawieszenia i wyciek płynu hydraulicznego jednego z amortyzatorów. Pozostałe elementy nie wykazują uszkodzeń, należy jednak wymienić nakrętki samokontrujące (2 szt. na amortyzator). Szacunkowy koszt części zamiennych wyniesie
| Nazwa części | Cena jednostkowa [zł] |
|---|---|
| Amortyzator | 220,00 |
| Sprężyna | 145,00 |
| Nakrętka samokontruąca | 1,00 |
A. 590 zł
B. 366 zł
C. 734 zł
D. 369 zł
Obsługa, diagnozowanie oraz n…
Jakie narzędzie należy wykorzystać do pomiaru prądu o natężeniu przekraczającym 20 A?
A. mostek Thompsona
B. mostek Wheatstone'a
C. multimetr cyfrowy DT 830 lub jego odpowiednik
D. elektroniczny miernik cęgowy
Organizacja i prowadzenie pro…
Dokumentem wymaganym do przygotowania zlecenia serwisowego jest
A. dowód tożsamości
B. polisa OC
C. dowód rejestracyjny
D. polisa AC
Obsługa, diagnozowanie oraz n…
Usuwając awarię w panelu sterowania układem komfortu w pojeździe samochodowym w celu sprawdzenia działania naprawionego modułu, uszkodzony rezystor typu SMD o wartości opisanej na schemacie ideowym jako 4R7 / ±10% można na czas rozruchu zastąpić dwoma rezystorami o wartości
A. 2,4 Ω / ±5% połączonymi równolegle.
B. 10 kΩ / ±5% połączonymi równolegle.
C. 2,4 kΩ / ±5% połączonymi szeregowo.
D. 10 Ω / ±5% połączonymi równolegle.
MOT.02 Pytanie 948
Obsługa, diagnozowanie oraz n…
W czterocylindrowym silniku z zapłonem iskrowym wymagane jest wymienienie całego zestawu świec zapłonowych. Koszt jednej świecy wynosi 25 zł, a koszt demontażu starej oraz montażu nowej to 15 zł. Jaki jest całkowity koszt wykonania usługi?
A. 40 zł
B. 80 zł
C. 160 zł
D. 200 zł
Obsługa, diagnozowanie oraz n…
Wypełniając kartę gwarancyjną zamontowanego w pojeździe samochodowym alternatora ze zintegrowanym układem regulatora napięcia należy podać
A. datę pierwszej rejestracji pojazdu.
B. model akumulatora zamontowanego w pojeździe.
C. datę montażu alternatora.
D. pojemność skokową i moc silnika pojazdu.
Obsługa, diagnozowanie oraz n…
Przedstawiona na rysunku kontrolka umieszczana na desce rozdzielczej pojazdu

A. dotyczy wyłącznie samochodów z napędem elektrycznym.
B. jest stosowana tylko w pojazdach z silnikiem Diesla.
C. oznacza awarię układu ładowania.
D. informuje o przegrzaniu silnika.
Organizacja i prowadzenie pro…
W nowoczesnych samochodach proces naprawy szczęk hamulcowych obejmuje
A. wymianę szczęk hamulcowych
B. wyrównanie okładzin ciernych
C. klejenie nowej okładziny ciernej
D. nitowanie nowej okładziny ciernej
Obsługa, diagnozowanie oraz n…
Okresowe oczyszczenie gwarantuje poprawną pracę i zapobiega uszkodzeniu
A. zaworu recyrkulacji spalin.
B. pompy paliwa.
C. wtryskiwaczy paliwa.
D. czujnika indukcyjnego.
Organizacja i prowadzenie pro…
Po wymianie łożysk ślizgowych oraz zainstalowaniu pełnego silnika w pojeździe, mechanik ma możliwość sprawdzenia prawidłowości przeprowadzonej naprawy poprzez
A. osłuchiwanie silnika
B. pomiar ciśnienia sprężania
C. wykonanie charakterystyki silnika na hamowni
D. badanie refraktometrem
Obsługa, diagnozowanie oraz n…
Symbol umieszczony na oponie 145/50 wskazuje na szerokość opony w
A. calach oraz wskaźnik profilu w milimetrach
B. calach oraz wskaźnik profilu w %
C. milimetrach oraz wskaźnik profilu w %
D. milimetrach oraz wskaźnik profilu w milimetrach
Obsługa, diagnozowanie oraz n…
Wydłużenie materiału w sposób proporcjonalny na skutek działania statycznej siły rozciągającej określa
A. prawo Newtona
B. prawo Pascala
C. prawo Joule'a
D. prawo Hooke'a
Obsługa, diagnozowanie oraz n…
Co jest wskazane przy wymianie płynu hamulcowego w pojeździe?
A. Stosowanie płynu dowolnej marki
B. Zamiana płynu hamulcowego na wodę destylowaną
C. Wymiana płynu co 100 000 km
D. Użycie płynu zgodnego ze specyfikacją producenta
Organizacja i prowadzenie pro…
Zalecono regulację zaworów w pojeździe wyposażonym w silnik w układzie V6 z trzema zaworami na cylinder. Korzystając z tabeli, oblicz czas potrzebny na wykonanie zlecenia.
| Nazwa czynności | Czas |
|---|---|
| Demontaż pokrywy zaworów | 10 min |
| Regulacja luzu zaworowego | 5 min |
| Wymiana uszczelki pokrywy | 10 min |
| Montaż pokrywy | 10 min |
A. 3,6 godziny.
B. 3,2 godziny.
C. 2,5 godziny.
D. 4,8 godziny.
Organizacja i prowadzenie pro…
Przygotowując serwis na sezon jesienno-zimowy, należy na początku wziąć pod uwagę zwiększenie zapasów
A. w olej do silników
B. w płyn chłodzący
C. w materiały czyszczące
D. w filtry
Organizacja i prowadzenie pro…
Mechanik podczas odbioru pojazdu do kasacji zauważył, że masa tego pojazdu jest o 15% mniejsza niż masa nowego pojazdu. W związku z tym może sklasyfikować pojazd jako
A. powypadkowy
B. uszkodzony
C. niekompletny
D. kompletny
Obsługa, diagnozowanie oraz n…
Który z kątów parametrów diagnostycznych ustawienia kół przednich oceniany i regulowany jest jako ostatni?
A. Kąt pochylenia osi zwrotnicy
B. Zbieżność połówkowa
C. Kąt pochylenia koła
D. Wyprzedzenie osi zwrotnicy