Filtrowanie pytań
Obsługa, diagnozowanie oraz n…
A. przekaźnik zasilania pompy paliwa
B. przewód w układzie zapłonowym
C. układ wydechowy
D. silnik krokowy
Organizacja i prowadzenie pro…
Program lojalnościowy dotyczy jedynie klientów
A. niezadowolonych
B. strategicznych
C. niewypłacalnych
D. sporadycznych
Obsługa, diagnozowanie oraz n…
Diagnozując działanie układu klimatyzacji, należy sprawdzić
A. temperaturę czynnika chłodzącego.
B. pojemność układu chłodzenia.
C. maksymalne obroty sprężarki.
D. ciśnienie tłoczenia sprężarki.
MOT.02 Pytanie 1084
Obsługa, diagnozowanie oraz n…
Czujnik temperatury typu PTC w swoim zakresie działania zmienia wraz z rosnącą temperaturą
A. oporność na niższą
B. pojemność elektryczną na niższą
C. oporność na wyższą
D. częstotliwość na wyższą
Obsługa, diagnozowanie oraz n…
Najczęściej używanym materiałem do wytwarzania odlewów wałów korbowych jest
A. żeliwo sferoidalne
B. silumin
C. stal stopowa
D. żeliwo białe
MOT.02 Pytanie 1086
Obsługa, diagnozowanie oraz n…
Który zestaw narzędzi, przyrządów i płynów eksploatacyjnych jest niezbędny do wykonania czynności przeglądowych wymienionych w tabeli?
| Lp. | Przegląd instalacji elektrycznej |
|---|---|
| 1 | Akumulator bezobsługowy |
| 2 | Oświetlenie wnętrza |
| 3 | Oświetlenie zewnętrzne |
| 4 | Poduszki powietrzne |
| 5 | Reflektory* |
| 6 | Spryskiwacze** |
| 7 | Świece zapłonowe |
| 8 | Włączniki, wskaźniki, wyświetlacze |
| 9 | Wycieraczki |
A. Płyn do spryskiwaczy, przyrząd do ustawiania świateł, szczelinomierz, tester diagnostyczny.
B. Klucz do świec, płyn do spryskiwaczy, szczelinomierz, tester diagnostyczny.
C. Aerometr, multimetr, płyn do spryskiwaczy, tester do akumulatorów.
D. Aerometr, multimetr, płyn do spryskiwaczy, szczelinomierz.
Obsługa, diagnozowanie oraz n…
Tempomat to system, który pozwala na utrzymanie stałej prędkości pojazdu. Który element pełni rolę jego części roboczej?
A. Modulator hydrauliczny
B. Pompa hamulcowa
C. Nastawnik przepustnicy
D. Siłownik sprzęgła
Obsługa, diagnozowanie oraz n…
Mierzenie suwmiarką uniwersalną z noniuszem nie pozwala na osiągnięcie precyzji pomiaru do
A. 0,10 mm
B. 0,01 mm
C. 0,02 mm
D. 0,05 mm
Obsługa, diagnozowanie oraz n…
Na podstawie rysunku opisującego standard magistrali High Speed - ISO11898 (szybka transmisja danych do 1Mb/s) wynika, że w trakcie transmisji danych pomiędzy poszczególnymi węzłami układu

A. napięcie różnicowe na magistrali wynosi około 0 V.
B. napięcie różnicowe na magistrali wynosi około 2 V.
C. napięcie średnie na magistrali wynosi około 3,5 V.
D. napięcie średnie na magistrali wynosi około 1,5 V.
Obsługa, diagnozowanie oraz n…
Jaka powinna być długość linki giętkiej podczas holowania pojazdów?
A. od 4 do 6 metrów
B. od 3 do 5 metrów
C. od 2 do 4 metrów
D. od 5 do 7 metrów
Obsługa, diagnozowanie oraz n…
Jasnobłękitny kolor spalin wydobywających się z układu wydechowego wskazuje
A. na zbyt niską temperaturę pracy silnika
B. na nieszczelność przylgni zaworowych
C. na zbyt duży luz między tłokiem a cylindrem
D. na przedostawanie się cieczy chłodzącej do cylindrów
Obsługa, diagnozowanie oraz n…
Na ilustracji przedstawiono przyrząd stosowany przy naprawie/wymianie

A. przegubów napędowych.
B. zacisków hamulcowych.
C. tarczy sprzęgła.
D. napędu rozrządu.
Obsługa, diagnozowanie oraz n…
Który z elementów w samochodzie odpowiada za ogrzewanie wnętrza kabiny?
A. Immobilizer
B. Turbosprężarka
C. Chłodnica
D. Nagrzewnica
Organizacja i prowadzenie pro…
Po przeprowadzonej naprawie systemu zawieszenia należy zrealizować czynności kontrolne
A. metodą drgań wymuszonych
B. na stanowisku rolkowym
C. urządzeniem typu szarpak
D. na płycie najazdowej
Obsługa, diagnozowanie oraz n…
Proces odpowietrzania hamulców w pojeździe, który nie jest wyposażony w system ABS, powinien być realizowany
A. rozpoczynając od najbliższego koła do pompy hamulcowej
B. w przeciwnym kierunku do ruchu wskazówek zegara
C. rozpoczynając od najdalszego koła od pompy hamulcowej
D. zgodnie z ruchem wskazówek zegara
Obsługa, diagnozowanie oraz n…
Urządzenie służące do analizy silnika, przy użyciu metody określania ciśnienia sprężania, funkcjonuje na podstawie zmiany odczytów w zależności od wartości
A. kąta wyprzedzenia zapłonu
B. podciśnienia w cylindrze
C. ciśnienia w cylindrze
D. kąta zwarcia styków przerywacza
Organizacja i prowadzenie pro…
Na tabliczce identyfikacyjnej pojazdu brakuje
A. model
B. numer VIN
C. numer świadectwa homologacji
D. dopuszczalna masa całkowita
Obsługa, diagnozowanie oraz n…
Największa dopuszczalna różnica w sile hamowania pomiędzy kołami tej samej osi wynosi
A. 20%
B. 40%
C. 10%
D. 30%
Obsługa, diagnozowanie oraz n…
System EBD w samochodzie jest układem
A. automatycznie regulującym siłę hamowania na poszczególne koła w zależności od obciążenia pojazdu.
B. niedopuszczającym do nadmiernego poślizgu kół pojazdu podczas przyspieszania.
C. stabilizującym tor jazdy samochodu podczas pokonywania zakrętu.
D. zapobiegającym blokowanie kół pojazdu.
Obsługa, diagnozowanie oraz n…
Zakres działań związanych z serwisowaniem układu zapłonowego w nowoczesnych pojazdach nie obejmuje
A. sprawdzania kąta wyprzedzenia zapłonu
B. wymiany cewek zapłonowych
C. kontroli regularności cykli zapłonowych
D. okresowej wymiany świec zapłonowych
Organizacja i prowadzenie pro…
Podczas przyjmowania samochodu do serwisu, klient zgłasza drżenie kierownicy występujące przy określonych prędkościach. Aby przeprowadzić diagnozę, należy przede wszystkim sprawdzić
A. luzy w układzie kierowniczym
B. sprawność amortyzatorów
C. wyrównoważenie kół
D. sprawność układu hamulcowego
Obsługa, diagnozowanie oraz n…
Najczęstszą przyczyną usterki objawiającej się świeceniem wszystkich żarówek tylnej lampy po naciśnięciu pedału hamulca jest
A. brak masy żarówek lampy.
B. przerwanie jednego z przewodów prądowych.
C. uszkodzenie izolacji jednego z przewodów.
D. przepalenie jednej z żarówek.
Organizacja i prowadzenie pro…
Hybrydowy napęd w pojeździe oznacza użycie silnika
A. elektrycznego
B. spalinowego oraz elektrycznego
C. z zapłonem iskrowym
D. z zapłonem samoczynnym
Organizacja i prowadzenie pro…
Wskaż osobę bądź instytucję, która ma prawo do przeprowadzania badań technicznych podnośników samochodowych?
A. Właściciel serwisu.
B. Mechanik samochodowy.
C. Burmistrz miejscowości lub wójt gminy.
D. Urząd Dozoru Technicznego.
Obsługa, diagnozowanie oraz n…
Jak odbywa się identyfikacja pojazdu?
A. dokumentacji OC
B. dokumentacji AC
C. prawa jazdy
D. tabliczki znamionowej
Obsługa, diagnozowanie oraz n…
Aby ocenić efektywność działania hamulców poprzez pomiar siły hamowania, należy wykorzystać
A. płytę najazdową
B. drogomierz
C. opóźnieniomierz
D. urządzenie rolkowe
Obsługa, diagnozowanie oraz n…
Numer VIN (Vehicle Identification Number) pojazdu jest zbudowany
A. z 10 znaków
B. z 14 znaków
C. z 18 znaków
D. z 17 znaków
Obsługa, diagnozowanie oraz n…
O jakim oznaczeniu mowa, gdy chodzi o oponę przeznaczoną do pojazdu dostawczego?
A. M/C
B. 3MPSF
C. C
D. M+S
Obsługa, diagnozowanie oraz n…
Jakim urządzeniem dokonuje się pomiaru temperatury zamarzania cieczy chłodzącej?
A. pirometrem
B. multimetrem
C. refraktometrem
D. wakuometrem
Obsługa, diagnozowanie oraz n…
Specyfikacja techniczna elementu wchodzącego w skład instalacji elektrycznej informuje, że rezystancja uzwojenia pierwotnego wynosi 3 Ohm, natomiast uzwojenia wtórnego 70 Ohm. Co to za element?
A. Czujnik temperatury
B. Cewka zapłonowa
C. Świeca zapłonowa
D. Czujnik ciśnienia paliwa
Obsługa, diagnozowanie oraz n…
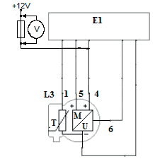
W trakcie pomiaru napięcia na zaciskach bezpiecznika odczytano wartość 12,1 V, co potwierdza, że

A. przez moduł M/U przepływa prąd znamionowy.
B. bezpiecznik jest uszkodzony.
C. bezpiecznik jest zwarty.
D. blok układowy E1 zasilany jest napięciem 12,1 V.
Obsługa, diagnozowanie oraz n…
Podczas diagnostyki układu chłodzenia zaobserwowano ciągły wzrost temperatury silnika. Jaka może być tego przyczyna?
A. Uszkodzony alternator
B. Zbyt wysokie ciśnienie w oponach
C. Niedziałający wentylator chłodnicy
D. Niski poziom oleju w silniku
Obsługa, diagnozowanie oraz n…
Po włączeniu lewego kierunkowskazu lub światła hamowania wszystkie świecące się żarówki w zespolonej tylnej lewej lampie zaczynają przygasać. Najbardziej prawdopodobna przyczyna awarii to
A. uszkodzone lustro lampy zespolonej.
B. uszkodzony przerywacz kierunkowskazu.
C. zwarcie w żarówce kierunkowskazu.
D. uszkodzone połączenie lampy zespolonej z masą pojazdu.
Organizacja i prowadzenie pro…
Kto sprawuje kontrolę nad właściwym przebiegiem naprawy pojazdu przyjętego do serwisu?
A. pracownik biura obsługi klienta
B. brygadzista
C. doradca ds. napraw
D. wyłącznie kierownik serwisu
Obsługa, diagnozowanie oraz n…
W trakcie wypełniania karty zlecenia naprawy dla przyjmowanego auta, oprócz wskazania zakresu naprawy, należy również podać
A. dodatkowe wyposażenie
B. barwę nadwozia
C. pojemność silnika
D. numer rejestracyjny pojazdu
Organizacja i prowadzenie pro…
Po podłączeniu testerem diagnostycznym do gniazda OBD II w pojeździe zarejestrowano kod błędu P0113. Wyświetlany symbol sugeruje, że problem dotyczy
A. komunikacji sieciowej
B. podwozia pojazdu
C. układu napędowego
D. nadwozia pojazdu
Obsługa, diagnozowanie oraz n…
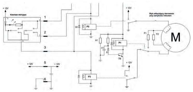
Na schemacie ideowym przedstawiono fragment układu sterowania szyberdachem, w którym uszkodzony jest przekaźnik P1 oraz tranzystor T3. Zidentyfikuj elementy do wymiany.

A. P1 – przekaźnik rozwierny T3 – tranzystor Darlington n-p-n
B. P1 – przekaźnik przełączający T3 – tranzystor Darlington p-n-p
C. P1 – przekaźnik przełączający T3 –tranzystory w układzie Darlingtona n-p-n
D. P1 – przekaźnik zwierny T3 – tranzystor typu Darlington n-p-n
Obsługa, diagnozowanie oraz n…
Po wykonaniu próby olejowej i ponownym zmierzeniu ciśnienia sprężania zauważono, że ciśnienie w jednym z cylindrów pozostało bez zmian. Co najprawdopodobniej jest uszkodzone w tym cylindrze?
A. Uszczelka głowicy.
B. Gniazdo zaworowe.
C. Gładź cylindra.
D. Pierścień tłokowy.
Obsługa, diagnozowanie oraz n…
Poprawność pracy pompy wysokiego ciśnienia układu commonrail ocenia się za pomocą
A. oscyloskopu diagnostycznego.
B. manometru.
C. odczytów testera diagnostycznego OBD.
D. analizatora spalin.
MOT.06 Pytanie 1120
Organizacja i prowadzenie pro…
Pracownik BOK, który przyjmuje samochód na przegląd gwarancyjny nie rejestruje w formularzu zlecenia
A. występowania uszkodzeń karoserii
B. przebiegu
C. numeru rejestracyjnego
D. stopnia zużycia klocków hamulcowych