Filtrowanie pytań
Obsługa, diagnozowanie oraz n…
A. nasmarować olejem powierzchnie styku tulei z kadłubem.
B. założyć uszczelki między dolną częścią tulei a kadłubem.
C. równomiernie wbijać tuleję młotkiem gumowym.
D. wciskać tuleję za pomocą prasy lub specjalnym przyrządem.
MOT.05 Pytanie 162
Obsługa, diagnozowanie oraz n…
Łączny koszt wymiany dwóch zderzaków wymienionych w tabeli (uwzględniający koszt części i pracy mechanika przy wymianie), przy cenie 1 rg. wynoszącej 80 zł i rabacie 5% na całą naprawę, wynosi
| Opis czynności | Miejsce | Rodzaj | rg | Cena |
|---|---|---|---|---|
| Zderzak | P | WY | 1 | 500 |
| Zderzak | T | WY | 0.5 | 300 |
A. 836 zł
B. 798 zł
C. 920 zł
D. 874 zł
Obsługa, diagnozowanie oraz n…
Czarny wskaźnik na akumulatorze bezobsługowym sugeruje, że akumulator jest
A. przeładowany
B. technicznie sprawny
C. w pełni naładowany
D. niedoładowany
Obsługa, diagnozowanie oraz n…
Moc żarówki kierunkowskazu wynosi P = 21 W przy zasilaniu z akumulatora o napięciu U=12 V. Rezystancja włókna żarówki ma wartość około
A. 1,8 Ω
B. 9,5 Ω
C. 0,6 Ω
D. 7,0 Ω
Obsługa, diagnozowanie oraz n…
Zanim przystąpimy do analizy geometrii kół kierowanych, należy przede wszystkim
A. zablokować koło kierownicy
B. zablokować pedał hamulca
C. sprawdzić stopień tłumienia amortyzatorów
D. sprawdzić ciśnienie w ogumieniu
Organizacja i prowadzenie pro…
Na zamieszczonym schemacie przedstawiono badanie

A. układu hamulcowego.
B. układu zawieszenia (szarpaki).
C. amortyzatorów metodą EUSAMA.
D. wytrzymałości opony.
Obsługa, diagnozowanie oraz n…
Który z elementów układu kierowniczego jest najbardziej podatny na zużycie?
A. Drążek kierowniczy
B. Przekładnia kierownicza
C. Sworzeń kulisty
D. Kolumna kierownicza
Obsługa, diagnozowanie oraz n…
Jakie narzędzie stosuje się do pomiaru wewnętrznych średnic cylindra?
A. suwmiarki uniwersalnej
B. średnicówki mikrometrycznej
C. średnicówki czujnikowej
D. sprawdzianu do otworów
Organizacja i prowadzenie pro…
Osoba nabywająca nowy pojazd powinna również otrzymać
A. listę czynności konserwacyjnych
B. podręcznik naprawy samochodu
C. broszurę z częściami zamiennymi
D. instrukcję obsługi pojazdu
Obsługa, diagnozowanie oraz n…
Który z kątów parametrów diagnostycznych ustawienia kół przednich oceniany i regulowany jest jako ostatni?
A. Kąt pochylenia osi zwrotnicy
B. Kąt pochylenia koła
C. Wyprzedzenie osi zwrotnicy
D. Zbieżność połówkowa
Obsługa, diagnozowanie oraz n…
Aby prawidłowo ocenić działanie katalizatora spalin, należy wykorzystać
A. analizator spalin
B. wielofunkcyjny miernik
C. urządzenie diagnostyczne
D. czytnik OBD
MOT.02 Pytanie 172
Obsługa, diagnozowanie oraz n…
Wyniki przeglądu instalacji elektrycznej samochodu z silnikiem V6 TFSI 3,0 przedstawiono w tabeli. Który zestaw części i materiałów eksploatacyjnych jest niezbędny do wykonania usługi naprawy po wykonanym przeglądzie?
| Lp. | Przegląd instalacji elektrycznej | Wynik przeglądu |
|---|---|---|
| 1. | Stan akumulatora | U |
| 2. | Poduszki powietrzne | D |
| 3. | Włączniki, wskaźniki, wyświetlacze | D |
| 4. | Reflektory | Lewy – D; Prawy – W |
| 5. | Ustawienie reflektorów | D |
| 6. | Wycieraczki | *Lewa – uszkodzone pióro, Prawa – D |
| 7. | Spryskiwacze | D |
| 8. | Oświetlenie wnętrza | D |
| 9. | Świece zapłonowe | **Trzy z sześciu zużyte |
| 10. | Oświetlenie zewnętrzne | D |
| W – wymienić; U – uzupełnić; D – stan dobry; R – przeprowadzić regulację * w przypadku zużycia jednego pióra zaleca się wymianę kompletu piór ** w przypadku zużycia zaleca się wymianę kompletu świec | ||
A. Woda destylowana, prawy reflektor, lewe pióro wycieraczki, trzy świece.
B. Akumulator, lewy i prawy reflektory, pióra wycieraczek, sześć świec zapłonowych.
C. Woda destylowana, reflektor prawy, pióra wycieraczek, sześć świec zapłonowych.
D. Akumulator, reflektor prawy, pióro lewej wycieraczki, trzy świece zapłonowe.
Obsługa, diagnozowanie oraz n…
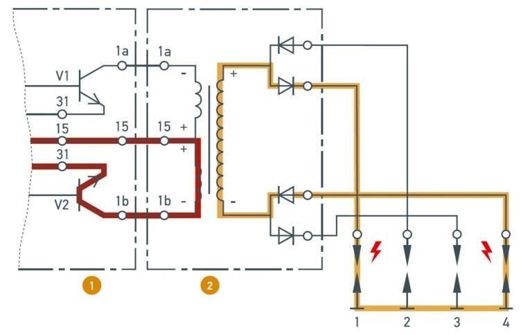
Wykonując pomiar napięcia w punkcie „A” względem masy w sprawnym technicznie układzie sterowania, woltomierz wskazuje wartość napięcia 12,0 V, co potwierdza, że

A. tranzystor T2 jest w stanie zatkania.
B. przez cewkę przekaźnika płynie prąd sterowania.
C. dioda D1 jest w stanie przewodzenia.
D. tranzystor T1 jest uszkodzony.
Obsługa, diagnozowanie oraz n…
Przedstawione na ilustracji narzędzie służy do

A. odkręcania filtra oleju.
B. blokowania rozrządu przy wymianie paska zębatego.
C. ustawiania naciągu paska wielorowkowego.
D. zdejmowania przegubu z półosi.
Obsługa, diagnozowanie oraz n…
Po wymianie przerywacza w klasycznym układzie zapłonowym niezbędna jest regulacja
A. kąta zwarcia styków przerywacza.
B. kąta zwarcia i rozwarcia styków przerywacza.
C. odstępu między stykami przerywacza i kąta wyprzedzenia zapłonu.
D. kąta rozwarcia styków przerywacza.
Obsługa, diagnozowanie oraz n…
Siłą hamowania hamulca zasadniczego określamy
A. suma sił hamowania wszystkich kół pojazdu względem jego masy dopuszczalnej
B. różnicę siły hamowania pomiędzy kołami tylnej osi
C. suma sił hamowania w jednej sekcji
D. różnicę siły hamowania pomiędzy kołami przedniej osi
Obsługa, diagnozowanie oraz n…
Amperomierz jest miernikiem, który służy do pomiaru
A. rezystancji cewki przekaźnika.
B. natężenia prądu ładowania.
C. pojemności kondensatora.
D. napięcia na biegunach akumulatora.
Obsługa, diagnozowanie oraz n…
Napięcie zasilające czujnik ciśnienia w kolektorze dolotowym silnika, które generuje sygnał napięciowy, powinno wynosić
A. 2V
B. 12V
C. 1V
D. 5V
Obsługa, diagnozowanie oraz n…
Wzrastający opór pedału hamulca po ponownym naciśnięciu, wskazuje na
A. zapchanie tłoczków w zaciskach hamulcowych
B. nieszczelność w układzie uruchamiającym hamulec
C. zużycie okładzin ciernych klocków hamulcowych
D. zapowietrzenie układu hamulcowego
Obsługa, diagnozowanie oraz n…
W karcie gwarancyjnej oraz książce serwisowej nowego pojazdu należy wpisać
A. datę sprzedaży pojazdu.
B. datę pierwszego przeglądu.
C. datę zakończenia okresu gwarancyjnego.
D. moc pojazdu.
Obsługa, diagnozowanie oraz n…
Podczas próby olejowej, kiedy mierzono ciśnienie sprężania w silniku z zapłonem iskrowym, zaobserwowano wzrost ciśnienia w cylindrze o 0,4 MPa w porównaniu do pomiaru bez oleju. Najbardziej prawdopodobnym zakresem uszkodzeń silnika jest nieszczelność
A. uszczelki pod głowicą
B. zaworu wylotowego
C. zaworu dolotowego
D. układu tłok-cylinder
Obsługa, diagnozowanie oraz n…
Na oponę przeznaczoną do samochodu dostawczego wskazuje oznaczenie
A. M+S
B. 3MPSF
C. M/C
D. C
Obsługa, diagnozowanie oraz n…
Układ stabilizujący tor jazdy samochodu podczas pokonywania zakrętu oznaczany jest jako system
A. EBD
B. EPP
C. ESP
D. ASR
Obsługa, diagnozowanie oraz n…
Hamulec parkingowy musi zapewnić zatrzymanie pojazdu (w pełni załadowanego) na nachyleniu lub zboczu wynoszącym co najmniej
A. 20%
B. 24%
C. 16%
D. 12%
Obsługa, diagnozowanie oraz n…
Zanim przeprowadzisz pomiar ciśnienia sprężania w silniku wysokoprężnym czterocylindrowym, należy najpierw usunąć
A. świecę zapłonową z analizowanego cylindra
B. wtryskiwacz z analizowanego cylindra
C. wszystkie świece zapłonowe
D. wszystkie świec żarowych
Organizacja i prowadzenie pro…
Proces naprawy opony metodą szorstkowania polega na
A. wulkanizacji powierzchni gumowej.
B. połączeniu powierzchni gumy z materiałem używanym do naprawy.
C. usunięciu gładkiej zewnętrznej warstwy oraz nadaniu powierzchni gumy odpowiedniej porowatości.
D. ujawnianiu uszkodzeń poprzez zanurzenie lekko napompowanej dętki w wodzie.
Obsługa, diagnozowanie oraz n…
Instalację świec zapłonowych w silniku przeprowadza się za pomocą klucza
A. płaskiego
B. imbusowego
C. nasadowego
D. oczkowego
Obsługa, diagnozowanie oraz n…
Proces oczyszczenia myjką ultradźwiękową wykorzystywany jest przy regeneracji
A. akumulatora.
B. wtryskiwaczy paliwa.
C. podzespołów elektronicznych.
D. katalizatora.
Obsługa, diagnozowanie oraz n…
W celu dokręcenia nakrętek lub śrub kół samochodu z właściwym momentem należy użyć klucza
A. do kół.
B. oczkowego.
C. płaskiego.
D. dynamometrycznego.
Obsługa, diagnozowanie oraz n…
Aby zdjąć końcówkę drążka kierowniczego z ramienia zwrotnicy, jakie narzędzie powinno się zastosować?
A. zestawu szczypiec uniwersalnych
B. prasy warsztatowej
C. ściągacza sworzni kulowych
D. klucza samozaciskowego
Obsługa, diagnozowanie oraz n…
Identyfikację pojazdu przeprowadza się na podstawie
A. numeru dowodu rejestracyjnego pojazdu.
B. numeru karty pojazdu.
C. numeru VIN nadwozia.
D. numeru silnika.
Obsługa, diagnozowanie oraz n…
Pojazd nie może być zaopatrzony w opony na jednej osi
A. w opony radialne
B. w opony o różnej konstrukcji
C. w opony diagonalne
D. w opony zimowe
Organizacja i prowadzenie pro…
Na dziesiątej pozycji numeru VIN pojazdu zazwyczaj zakodowana jest informacja o
A. mocy jednostki napędowej
B. dacie wyprodukowania pojazdu
C. pojemności silnika
D. typie nadwozia
Obsługa, diagnozowanie oraz n…
Do oceny poprawności działania układu ładowania akumulatora wykorzystuje się
A. skaner diagnostyczny OBD.
B. pirometr.
C. manometr.
D. multimetr.
Obsługa, diagnozowanie oraz n…
Jakie natężenie prądu powinien mieć standardowy bezpiecznik do ochrony dodatkowo zainstalowanego systemu podgrzewania dysz spryskiwacza o maksymalnej mocy 50W w instalacji elektrycznej 12V pojazdu?
A. 10 A
B. 20 A
C. 5 A
D. 30 A
Obsługa, diagnozowanie oraz n…
Nadwozie samochodowe przedstawione na rysunku zalicza się do grupy nadwozi

A. 3-bryłowych.
B. 1-bryłowych.
C. 2-bryłowych.
D. 2,5-bryłowych.
Obsługa, diagnozowanie oraz n…
Przekładnia ślimakowo-kulkowa wykorzystywana jest w systemie
A. hamulcowym
B. napędowym
C. kierowniczym
D. zawieszenia
MOT.02 Pytanie 198
Obsługa, diagnozowanie oraz n…
Program komputerowy ESI [tronie] został stworzony w celu
A. ustawiania parametrów geometrii układu jezdnego
B. przeprowadzania diagnostyki pojazdu
C. wyceny wartości elementów samochodowych
D. przygotowywania kosztorysu wartości samochodu
Obsługa, diagnozowanie oraz n…
W produkcji odlewów głowic cylindrów dla silników spalinowych wykorzystuje się stopy, w których dominującym składnikiem jest
A. żelazo
B. cynk
C. aluminium
D. nikiel
Obsługa, diagnozowanie oraz n…
Urządzenie do wyważania kół samochodowych jest wyposażeniem stanowiska do
A. badania układu hamulcowego samochodu.
B. badania ustawienia kół i osi samochodu.
C. demontażu i montażu ogumienia.
D. sprawdzania zawieszenia samochodu.