Filtrowanie pytań
Obsługa, diagnozowanie oraz n…
A. kół łańcuchowych
B. obudowy napędu łańcuchowego
C. oleju silnikowego
D. napinaczy rolkowych
Obsługa, diagnozowanie oraz n…
Podejmując się zlecenia serwisowego, należy zanotować
A. zakres prac objętych zleceniem
B. koszty związane z serwisem
C. elementy do wymiany
D. informacje o właścicielu
Obsługa, diagnozowanie oraz n…
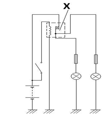
Na rysunku przedstawiono schemat

A. układu prostowniczego.
B. regulatora napięcia.
C. prądnicy prądu przemiennego.
D. przekaźnika typu NO.
Obsługa, diagnozowanie oraz n…
Na rysunku przedstawiono sposób

A. regulacji wydajności pompy oleju.
B. demontażu koła pasowego.
C. wymiany filtra oleju.
D. blokowania wału korbowego.
Organizacja i prowadzenie pro…
Jaką metodą realizuje się diagnostykę amortyzatorów?
A. Vickersa
B. Eusama
C. inercyjną
D. Weissmana
Obsługa, diagnozowanie oraz n…
Do demontażu łożysk z piast kół pojazdu należy użyć
A. szczypiec uniwersalnych.
B. zbijaka.
C. rozpieraka.
D. prasy hydraulicznej.
Obsługa, diagnozowanie oraz n…
W trakcie diagnostyki czujnika temperatury wody typu NTC wraz ze wzrostem temperatury
A. będzie zmieniać się częstotliwość sygnału wyjściowego z czujnika.
B. rezystancja wewnętrzna czujnika będzie rosła.
C. rezystancja wewnętrzna czujnika będzie maleć.
D. będzie zmieniać się współczynnik wypełnienia sygnału wyjściowego z czujnika.
MOT.02 Pytanie 1968
Obsługa, diagnozowanie oraz n…
Który z uszkodzonych elementów nie podlega regeneracji?
A. Rozrusznik.
B. Cewka zapłonowa.
C. Alternator z zintegrowanym regulatorem napięcia.
D. Sprężarka do układu klimatyzacji.
MOT.02 Pytanie 1969
Obsługa, diagnozowanie oraz n…
Jaki będzie koszt naprawy samochodu o przebiegu 60 000 km, jeśli stwierdzono wyciek oleju z amortyzatorów po jednej stronie pojazdu? Czas wymiany amortyzatora przedniego wynosi 40 minut, a amortyzatora tylnego 20 minut.
| CZĘŚCI | CENA |
|---|---|
| amortyzator przedni | 150 zł |
| amortyzator tylny | 80 zł |
| roboczogodzina | 100 zł |
A. B.
B. C.
C. A.
D. D.
MOT.02 Pytanie 1970
Obsługa, diagnozowanie oraz n…
Przeprowadzenie próby przelewowej umożliwia ocenę kondycji
A. filtra w układzie paliwowym
B. pompy o wysokim ciśnieniu
C. zaworu regulacyjnego ciśnienia paliwa
D. wtryskiwaczy
Obsługa, diagnozowanie oraz n…
Substancja eksploatacyjna oznaczona symbolem 10W/40 to
A. ciecz chłodząca silnik.
B. olej silnikowy
C. ciecz do spryskiwaczy.
D. ciecz hamulcowa.
Obsługa, diagnozowanie oraz n…
Czym są elementy wałka rozrządu?
A. gniazda
B. łożyska
C. pierścienie
D. krzywki
Organizacja i prowadzenie pro…
Przy wydawaniu części do naprawy pojazdu mechanikowi, pracownik magazynu zobowiązany jest do sporządzenia
A. dokumentu rozchodu wewnętrznego części serwisowych
B. arkusza spisowego
C. zlecenia serwisowego
D. dokumentu rozchodu międzymagazynowego
Obsługa, diagnozowanie oraz n…
Rysunek przedstawia układ napędowy. Koła zaczernione oznaczają osie napędzane. Jaki to rodzaj układu przeniesienia napędu?

A. 4x6
B. 2x4
C. 6x4
D. 4x4
MOT.02 Pytanie 1975
Obsługa, diagnozowanie oraz n…
Podczas diagnostyki silnika spalinowego z zapłonem samoczynnym ZS za pomocą skanera diagnostycznego stwierdzono nierównomierną pracę cylindrów. Prawdopodobną przyczyną jest usterka w układzie
A. ładowania.
B. zapłonowym.
C. doładowania.
D. paliwowym.
Obsługa, diagnozowanie oraz n…
W celu przeprowadzenia pomiaru zadymienia spalin samochodu nie powinno się
A. podgrzewać silnika do temperatury 80°C
B. kontrolować szczelność układu wydechowego
C. przymocowywać sond do końca rury wydechowej
D. podłączać analizatora spalin
MOT.02 Pytanie 1977
Obsługa, diagnozowanie oraz n…
Na podstawie danych przedstawionych w tabeli oceń całkowity koszt naprawy układu wtryskowego silnika ZS R4, jeżeli konieczna jest regeneracja wszystkich wtryskiwaczy, regeneracja pompy paliwa oraz czyszczenie układu paliwowego. Przewidziany czas naprawy wynosi 6 rbh.
| Lp. | Wartość jednostkowa części, materiałów. | Wartość [zł] |
|---|---|---|
| 1. | Regeneracja wtryskiwacza | 300,00 |
| 2. | Regeneracja pompy wysokiego ciśnienia | 460,00 |
| 3. | Zestaw uszczelek i oringów | 100,00 |
| 4. | Filtr paliwa | 40,00 |
| ------ | Wykonana usługa (czynność) | |
| 5. | Koszt 1 rbh pracy mechanika | 50,00 |
A. 950,00 zł
B. 2 000,00 zł
C. 1 850,00 zł
D. 2 100,00 zł
Obsługa, diagnozowanie oraz n…
W obwodzie oświetlenia wnętrza samochodu światło nie gaśnie pomimo zamkniętych wszystkich drzwi. Przyczyną usterki jest
A. przerwany przewód masy oświetlenia wewnętrznego samochodu.
B. stale zamknięty styk jednego z czujników drzwiowych samochodu.
C. przerwany styk jednego z czujników drzwiowych samochodu.
D. przerwany przewód zasilania oświetlenia wewnętrznego samochodu.
Obsługa, diagnozowanie oraz n…
Jakie jest zadanie systemu ABS?
A. zapobieganie zablokowaniu kół w trakcie hamowania na śliskiej nawierzchni
B. zapobieganie poślizgowi kół na śliskiej nawierzchni podczas ruszania
C. stabilizacja trajektorii jazdy podczas pokonywania zakrętów
D. wspomaganie procesu hamowania w sytuacjach awaryjnych
Obsługa, diagnozowanie oraz n…
Aby zdemontować łożyska z piast kół samochodu, jakie narzędzie powinno być wykorzystane?
A. rozpieraka
B. szczypiec uniwersalnych
C. zbieraka
D. prasy hydraulicznej
Organizacja i prowadzenie pro…
Wskaż grupę, według której diagnosta powinien przeprowadzić analizę spalin dla samochodu zarejestrowanego po raz pierwszy w okresie od 1 października 1986 r. do 30 czerwca 1995 r.
| Pojazd | Prędkość obrotowa silnika | Zawartość CO w % objętości spalin, CH w ppm oraz współczynnik lambda dla pojazdu | |||||
|---|---|---|---|---|---|---|---|
| grupa A | grupa B | grupa C | grupa D | ||||
| CO | CO | CO | CO | CH | lambda | ||
| motocykl | bieg jałowy | 5,5 | 4,5 | 4,5 | 4,5 | ||
| inny pojazd samochodowy | bieg jałowy | 4,5 | 3,5 | 0,5 | 0,5 | 100 | |
| 2000 - 3000 obr/min | 0,3 | 0,3 | 100 | 0,97-1,03 | |||
A. grupa B
B. grupa C
C. grupa A
D. grupa D
Obsługa, diagnozowanie oraz n…
Podczas przeglądów technicznych stwierdzono obecność oleju w zbiorniku wyrównawczym systemu chłodzenia. Przyczyną może być
A. zbyt wysokie ciśnienie oleju
B. zepsuty termostat
C. zmniejszone ciśnienia sprężania
D. uszkodzona uszczelka pod głowicą
Obsługa, diagnozowanie oraz n…
W pojeździe, w którym występuje szarpanie podczas ruszania, należy przede wszystkim zweryfikować stopień zużycia
A. elementów sprzęgła
B. silnika w związku z "wypadaniem zapłonów"
C. synchronizatora pierwszego biegu
D. układu hamulcowego (blokowanie kół)
MOT.05 Pytanie 1984
Obsługa, diagnozowanie oraz n…
Z zamieszczonego rysunku montażowego przedniego zawieszenia pojazdu wynika, że nakrętki łącznika stabilizatora należy dokręcać z momentem

A. 85 Nm
B. 45 Nm
C. 20 Nm
D. 30 Nm
Obsługa, diagnozowanie oraz n…
Typowa wartość stopnia sprężania w silniku o zapłonie iskrowym to
A. od 8 do 14
B. od 20 do 26
C. od 26 do 32
D. od 14 do 20
Obsługa, diagnozowanie oraz n…
Do czynności konserwacyjnych nadwozia pojazdu zalicza się
A. wymianę oleju silnikowego.
B. mycie felg aluminiowych kół.
C. mycie silnika pojazdu.
D. pastowanie i polerowanie lakieru.
Obsługa, diagnozowanie oraz n…
Aby zmierzyć wartość prądu przepływającego przez odbiornik należy podłączyć
A. amperomierz równolegle do odbiornika.
B. woltomierz równolegle od odbiornika.
C. amperomierz szeregowo z odbiornikiem.
D. woltomierz szeregowo z odbiornikiem.
Obsługa, diagnozowanie oraz n…
Przedstawiona na rysunku lampka kontrolna informuje o usterce i uszkodzeniu

A. systemu ESP.
B. świateł pozycyjnych.
C. w układzie klimatyzacji.
D. świec żarowych.
MOT.02 Pytanie 1989
Obsługa, diagnozowanie oraz n…
Wykorzystując informacje zapisane w tabeli oblicz, jaki będzie całkowity koszt usunięcia usterki w systemie parktronic, jeżeli do wymiany są trzy tylne czujniki oraz wiązka elektryczna w zderzaku, a naprawa zajmie 3 godziny.
| L.p. | Wartość jednostkowa części (podzespołu) | Wartość [PLN] |
|---|---|---|
| 1. | Czujnik parkowania | 30,00 |
| 2. | Wiązka elektryczna | 120,00 |
| L.p. | Wykonana usługa (czynność) | |
| 1. | Kasowanie błędów za pomocą testera | 50,00 |
| 2. | Roboczogodzina pracy mechanika | 50,00 |
A. 410,00 PLN
B. 360,00 PLN
C. 200,00 PLN
D. 250,00 PLN
MOT.05 Pytanie 1990
Obsługa, diagnozowanie oraz n…
Zapieczoną śrubę w układzie zawieszenia należy poluzować za pomocą
A. rurhaka.
B. młotka.
C. podgrzewacza indukcyjnego.
D. szlifierki kątowej.
Obsługa, diagnozowanie oraz n…
Zapalenie się podczas jazdy kontrolki przedstawionej na ilustracji informuje, że

A. można kontynuować jazdę, ale tylko do najbliższego serwisu.
B. należy energicznie nacisnąć pedał hamulca.
C. należy natychmiast przerwać jazdę.
D. można kontynuować jazdę, ale może dojść do zablokowania kół w czasie hamowania.
Obsługa, diagnozowanie oraz n…
Klasyczny system napędowy to taki, w którym silnik zainstalowany jest
A. poprzecznie z przodu napędza oś przednią
B. wzdłużnie z przodu napędza oś tylną
C. poprzecznie z tyłu napędza oś tylną
D. wzdłużnie z przodu napędza oś przednią
Obsługa, diagnozowanie oraz n…
Przyczyną dźwięków pojawiających się w systemie napędowym pojazdu, które nasilają się podczas skrętów lub zawracania, jest uszkodzenie
A. sprzęgła
B. skrzyni biegów
C. przekładni kierowniczej
D. przegubu napędowego
Obsługa, diagnozowanie oraz n…
Potrzeba regularnej wymiany płynu hamulcowego wynika głównie
A. z zapowietrzenia układu hamulcowego
B. ze zwiększenia zawartości wody w płynie
C. ze zmiany składu chemicznego płynu
D. z zanieczyszczenia płynu cząstkami i osadami
Obsługa, diagnozowanie oraz n…
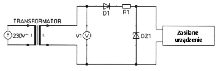
Na schemacie przedstawiono uproszczony fragment obwodu świateł STOP pojazdu samochodowego. Wartość prądu, jaką będzie wskazywał amperomierz po zamknięciu obwodu włącznikiem W, wynosi około

A. 47 A
B. 4 A
C. 16 A
D. 2 A
Obsługa, diagnozowanie oraz n…
Przyczyną nadmiernego zużycia jednej z opon od strony zewnętrznej, może być
A. niewłaściwy kąt wyprzedzenia sworznia zwrotnicy.
B. niewłaściwe wyważenie koła.
C. za wysokie ciśnienie w oponie.
D. niewłaściwy kąt pochylenia koła.
Obsługa, diagnozowanie oraz n…
Wynik pomiaru kąta zbieżności kół to -lmm. Producent informuje, że wartość ta powinna mieścić się w zakresie od 0 do + 2mm. Jak interpretujemy ten wynik pomiaru?
A. Wynik prawidłowy, koła zbieżne
B. Zbieżność znajduje się w dopuszczalnych granicach
C. Wynik prawidłowy, koła rozbieżne
D. Wynik nieprawidłowy, koła rozbieżne
MOT.02 Pytanie 1998
Obsługa, diagnozowanie oraz n…
Na podstawie danych zamieszczonych w tabeli oblicz, jaki będzie całkowity koszt usunięcia usterki układu ABS, jeżeli podczas diagnostyki komputerowej wykryto uszkodzenie 2 czujników ABS, a naprawa układu zajmie elektromechanikowi 2 godziny. Po naprawie należy skasować kody usterek w pamięci sterownika, a za całą usługę (materiały i robocizna) klient otrzyma rabat wysokości 10%.
| Lp. | Cena jednostkowa części (podzespołu) | Wartość [PLN] |
|---|---|---|
| 1. | Czujnik ABS | 150,00 |
| 2. | Wiązka czujnika ABS | 20,00 |
| Lp. | Wykonana usługa (czynność) | |
| 1. | Koszt 1 rbh pracy elektromeсhanika | 75,00 |
| 2. | Kasowanie błędów za pomocą testera | 50,00 |
A. 315,00 PLN
B. 450,00 PLN
C. 500,00 PLN
D. 520,00 PLN
Obsługa, diagnozowanie oraz n…
Oznaczona strzałką litera X numeru identyfikacyjnego VIN pojazdu oznacza

A. typ silnika.
B. rok produkcji.
C. kraj producenta.
D. rodzaj nadwozia.
Organizacja i prowadzenie pro…
Jaki jest cel stosowania filtra kabinowego?
A. Chłodzenie silnika
B. Zmniejszenie hałasu silnika
C. Zwiększenie mocy pojazdu
D. Oczyszczanie powietrza w kabinie