Filtrowanie pytań
W pojeździe z silnikiem ZS obserwuje się nadmierną emisję czarnych spalin. Co jest przyczyną tej sytuacji?
Ile pojemników oleju silnikowego jest koniecznych do wymiany oleju w 20 ciężarówkach oraz 40 samochodach osobowych, przy założeniu, że na ciężarówkę potrzeba średnio 12 l, a na osobowy 5 l oleju, przy czym olej jest dostępny w pojemnikach o pojemności 205 l, 60 l oraz 35 l, a po zakończeniu zamówienia nie może pozostać więcej niż 10 litrów oleju?
Wykorzystując amperomierz cęgowy, można zrealizować pomiar
Pomiaru ciągłości połączeń dokonuje się
Aby zweryfikować powłokę lakierniczą na nadwoziu z aluminium, powinno się zastosować warstwomierz
Olej przeznaczony do automatycznej skrzyni biegów oznaczony jest symbolem
Szczotkotrzymacz w rozłożonym na części rozruszniku oznaczony jest numerem

Na rysunku przedstawiono schemat

Zaświecenie się w czasie jazdy, przedstawionej na ilustracji, lampki kontrolnej informuje kierowcę o prawdopodobnej usterce w układzie

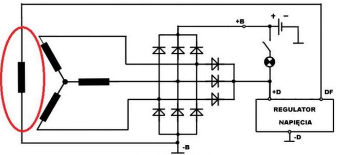
Na ilustracji przedstawiono układ

Po prawidłowej realizacji naprawy związanej z wymianą czujnika prędkości obrotowej koła?
Uszkodzoną pompę wysokiego ciśnienia w układzie COMMON RAIL należy
Przed rozpoczęciem demontażu koła pojazdu konieczne jest
Zgięty wahacz w pojeździe należy
Na podstawie informacji zamieszczonych w tabeli, oblicz koszt wymiany oleju i filtra oleju.
| Wyszczególnienie kosztów | Cena / czas |
|---|---|
| Olej syntetyczny | 152 zł |
| Wymiana oleju i filtra oleju | 0,4 rbg |
| Filtr oleju | 23 zł |
| Koszt roboczogodziny | 60 zł. |
Jakie urządzenie jest niezbędne do przeprowadzenia pomiaru kompresji w cylindrach silnika spalinowego?
Popychacz w systemie rozrządu wpływa bezpośrednio na
Elementem zespołu silnika spalinowego jest
Kontrola działania sprzęgła ciernego nie obejmuje weryfikacji
W zakładzie usługowym dokonano wymiany alternatora. Czas pracy wynosił 2 godziny. Całkowity koszt tej naprawy przy założeniu, że cena roboczogodziny wynosi 60 zł, a wymieniono elementy zamieszczone w tabeli, to
| Lp. | Nazwa części | Cena |
|---|---|---|
| 1. | Alternator | 300,00 zł |
| 2. | Pasek klinowy | 30,00 zł |
Charakterystycznym elementem bezstopniowej mechanicznej skrzyni biegów CVT jest
Pirometr to urządzenie, które pozwala na dokonanie pomiaru
Zbiornik sprężonego powietrza, który znajduje się obok warsztatu, podlega nadzorowi ze strony
Pomiar suwmiarką uniwersalną noniuszową nie daje możliwości uzyskania dokładności pomiaru do
Który z elementów w samochodzie odpowiada za ogrzewanie wnętrza kabiny?
Amperomierz to urządzenie, które służy do pomiaru
Po wykonaniu regeneracji kompresora klimatyzacji w karcie gwarancyjnej należy odnotować
Osoba będąca właścicielem pojazdu, który został wycofany z użytku, oddając go do stacji demontażu, nie ma obowiązku przedstawienia
Układ EPB w samochodzie to system
Na podstawie wyciągu z rozporządzenia Ministra Infrastruktury z dnia 1 lutego 2005 r. w sprawie szczegółowych wymagań w stosunku do stacji przeprowadzających badania techniczne pojazdów Dz. U. nr 25 poz. 209, należy stwierdzić, że kanał przeglądowy w warsztacie samochodowym, wykonującym przeglądy pojazdów powyżej 3,5 t powinien mieć szerokość
| Rozdział 2 Stanowisko kontrolne | |
§ 12. 1. Wymiary ław pomiarowych powinny spełniać następujące wymagania: 1) długość powinna zapewniać możliwość ustawienia na nich wszystkimi kołami każdego badanego pojazdu oraz umieszczenia przed jego przednimi światłami przyrządu do pomiaru ustawienia i światłości świateł pojazdu; w przypadku gdy przewiduje się przetaczanie pojazdu podczas pomiaru zbieżności kół, długość ław pomiarowych należy powiększyć o długość drogi przetoczenia pojazdu; 2) rozstaw krawędzi zewnętrznych nie powinien być mniejszy niż: a) 2,4 m - dla pojazdu o dopuszczalnej masie całkowitej do 3,5 t, b) 2,8 m - dla pozostałych pojazdów - przy czym rozstaw krawędzi wewnętrznych wynika z szerokości kanału przeglądowego, o której mowa § 13 ust. 1 pkt 2. § 13. 1. Wymiary kanału przeglądowego powinny spełniać następujące wymagania: 1) długość powinna być większa niż długość pojazdu, określona przepisami w sprawie warunków technicznych pojazdów oraz zakresu ich niezbędnego wyposażenia, powiększona o długość schodów, o ile znajdują się na końcu kanału, lub zespołu pojazdów, jeżeli stacja kontroli pojazdów upoważniona jest do przeprowadzania badań technicznych zespołów pojazdów; przy czym dopuszcza się długość nie mniejszą niż 6,0 m dla stacji kontroli pojazdów przeprowadzających badania techniczne wyłącznie pojazdów o dopuszczalnej masie całkowitej do 3,5 t; 2) szerokość na poziomie ławy pomiarowej powinna mieścić się w granicach: a) 0,6-0,8 m - w odniesieniu do stacji kontroli pojazdów przeprowadzających badania techniczne wyłącznie pojazdów o dopuszczalnej masie całkowitej do 3,5 t, b) 0,7-1,0 m - w odniesieniu do stacji kontroli pojazdów przeprowadzających badania techniczne pojazdów o dopuszczalnej masie całkowitej powyżej 3,5 t; 3) głębokość powinna wynosić od 1,3 m do 1,8 m; wewnątrz kanału przeglądowego powinny znajdować się przesuwne platformy lub stałe boczne stopnie umożliwiające diagnoście zajęcie pozycji podwyższonej. |
Który komputerowy zestaw diagnostyczny jest fabrycznym zestawem dla samochodu marki Audi?
Który wskaźnik efektywności pracy mechanika może wskazywać na to, że realizacja usługi odbywa się kosztem jakości naprawy?
W układzie zawieszenia, wskazany element, to drążek

W trakcie naprawy systemu zapłonowego uszkodzone świece zapłonowe należy wymienić
Który element instalacji elektrycznej nawiewu powietrza oznaczono na rysunku znakiem zapytania?
