Filtrowanie pytań
Obsługa, diagnozowanie oraz n…
A. wyrównanie prędkości obrotowych załączanych elementów
B. ograniczenie momentu obrotowego przekazywanego na koła
C. ochrona załączonego biegu przed rozłączeniem
D. modyfikacja prędkości kół napędowych
Organizacja i prowadzenie pro…
Aby ustalić przyczyny zgrzytów podczas zmiany biegów, w pierwszej kolejności powinno się
A. sprawdzić i w razie potrzeby uzupełnić stan oleju w przekładni
B. wymienić mechanizm do zmiany biegów
C. zweryfikować, czy sprzęgło działa poprawnie
D. zdemontować skrzynię biegów i dokonać analizy komponentów
Obsługa, diagnozowanie oraz n…
Jaką funkcję pełni amortyzator w układzie zawieszenia pojazdu?
A. podnoszenia sztywności zawieszenia
B. powiększania ugięcia elementów sprężystych zawieszenia
C. ograniczania ugięcia elementów sprężystych zawieszenia
D. tłumienia drgań elementów zawieszenia
Organizacja i prowadzenie pro…
Rysunek przedstawia metodę określania

A. oporów toczenia łożyska piasty koła.
B. grubości tarczy hamulcowej.
C. chropowatości powierzchni.
D. bicia tarczy hamulcowej.
Obsługa, diagnozowanie oraz n…
Rozpoczynając naprawę samochodu, technik serwisowy powinien najpierw
A. osłonić wnętrze pojazdu pokrowcami ochronnymi
B. zajmować miejsce na stanowisku naprawczym
C. przygotować fakturę za wykonane usługi
D. włączyć hamulec ręczny i podłożyć kliny pod koła
Obsługa, diagnozowanie oraz n…
Elementy układu rozrządu znajdujące się w głowicy silnika spalinowego to zawory
A. membranowe.
B. grzybkowe.
C. kulowe.
D. suwakowe.
Obsługa, diagnozowanie oraz n…
Przedstawiona na rysunku kontrolka wyświetlana na desce rozdzielczej pojazdu informuje kierowcę o uruchomieniu

A. asystenta kontroli toru jazdy.
B. układu wspomagającego obserwację drogi.
C. adaptacyjnej regulacji prędkości jazdy.
D. asystenta parkowania.
Obsługa, diagnozowanie oraz n…
Jakie urządzenie należy użyć do weryfikacji prawidłowego funkcjonowania systemu klimatyzacji po jego naprawie w samochodzie?
A. aerometr
B. higrometr
C. wariometr
D. pirometr
Organizacja i prowadzenie pro…
Aby ocenić poziom satysfakcji klientów z realizowanych napraw oraz jakości usług serwisowych, należy zrealizować
A. badania ankietowe wśród pracowników warsztatu
B. badania ankietowe wśród klientów
C. zestawienie liczby przeprowadzonych napraw
D. analizę miesięcznych przychodów finansowych
Obsługa, diagnozowanie oraz n…
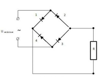
Na rysunku przedstawiono schemat

A. pompy cieczy chłodzącej.
B. przekładni hydrokinetycznej.
C. sekcji pompy paliwowej.
D. wentylatora cieczy chłodzącej.
Obsługa, diagnozowanie oraz n…
Poprawność działania indukcyjnego czujnika położenia wału korbowego sprawdza się między innymi poprzez pomiar jego sygnału wyjściowego przy jednoczesnym pomiarze
A. natężenia prądu zasilania pobieranego przez czujnik.
B. reaktancji pojemnościowej czujnika.
C. wartości rezystancji cewki czujnika.
D. wartości napięcia sygnału sterującego czujnikiem z modułu BSI.
Obsługa, diagnozowanie oraz n…
Poszczególne układy funkcjonalne połączone za pomocą magistrali CAN, przedstawione na rysunku, połączone są względem siebie

A. szeregowo.
B. pierścieniowo.
C. szeregowo-równolegle.
D. równolegle.
Obsługa, diagnozowanie oraz n…
Na ilustracji przedstawiono przyrząd do wykonania pomiaru

A. wartości bezpieczników.
B. napięcia na bezpiecznikach.
C. rezystancji obwodów.
D. prądu w gniazdach bezpieczników.
Obsługa, diagnozowanie oraz n…
Jaki łączny wydatek wiąże się z wymianą oleju silnikowego, jeśli w silniku znajduje się 3,5 litra, cena za litr wynosi 21 zł, a koszt filtra oleju to 65 zł? Cały proces trwa 30 minut przy stawce robocizny wynoszącej 120 zł za godzinę?
A. 138,50 zł
B. 146,00 zł
C. 258,50 zł
D. 198,50 zł
Obsługa, diagnozowanie oraz n…
Zniekształcenie powierzchni przylegania głowicy silnika następuje w wyniku
A. zużytych gniazd zaworów
B. niedostatecznego smarowania
C. nieprawidłowego dokręcenia śrub
D. luźnych łożysk wału rozrządu
MOT.06 Pytanie 2496
Organizacja i prowadzenie pro…
Klient, który oddaje pojazd do serwisu, zgłosił problem z mechanizmem wycieraczek przedniej szyby. W pierwszej kolejności elektromechanik zajmujący się naprawą powinien
A. dokonać kontroli styków włącznika wycieraczek przedniej szyby
B. zweryfikować bezpiecznik mechanizmu wycieraczek
C. sprawdzić ciągłość instalacji elektrycznej zasilającej mechanizm wycieraczek
D. przeprowadzić wymianę silniczka mechanizmu wycieraczek
Obsługa, diagnozowanie oraz n…
SL/CH 5W/40 to oznaczenie oleju silnikowego, który można zastosować
A. w silniku czterosuwowym z zapłonem iskrowym lub samoczynnym.
B. tylko w silniku czterosuwowym z zapłonem iskrowym.
C. tylko w silniku czterosuwowym z zapłonem samoczynnym.
D. w silniku dwusuwowym z zapłonem iskrowym.
MOT.06 Pytanie 2498
Organizacja i prowadzenie pro…
Mechanik podczas odbioru pojazdu do kasacji zauważył, że masa tego pojazdu jest o 15% mniejsza niż masa nowego pojazdu. W związku z tym może sklasyfikować pojazd jako
A. niekompletny
B. uszkodzony
C. powypadkowy
D. kompletny
Obsługa, diagnozowanie oraz n…
Silniczek krokowy przepustnicy sterowanej mechanicznie diagnozuje się w zakresie
A. utrzymania obrotów biegu jałowego.
B. zmiany mocy i prędkości obrotowej silnika.
C. utrzymania prędkości eksploatacyjnej pojazdu.
D. odcinania dopływu paliwa do wtryskiwacza.
Obsługa, diagnozowanie oraz n…
Aby dokonać naprawy systemu alarmowego pojazdu samochodowego, należy w pierwszej kolejności
A. zainstalować oprogramowanie systemu.
B. zamknąć samochód.
C. odłączyć akumulator.
D. wyciągnąć kluczyk ze stacyjki.
Obsługa, diagnozowanie oraz n…
Podanie napięcia w sposób ciągły na uzwojenie pierwotne klasycznej cewki zapłonowej spowoduje
A. cykliczne powstawanie wysokiego napięcia na uzwojeniu pierwotnym.
B. prawidłową pracę cewki zapłonowej.
C. cykliczne powstawanie wysokiego napięcia na uzwojeniu wtórnym.
D. nieprawidłową pracę cewki zapłonowej.
Obsługa, diagnozowanie oraz n…
Termostat używany jest do regulacji działania
A. wentylatora chłodnicy
B. elektrycznej pompy paliwa
C. wtryskiwacza rozruchowego
D. pompy hamulcowej
Obsługa, diagnozowanie oraz n…
Na rysunku jest przedstawiony schemat urządzenia służącego do badania

A. stopnia tłumienia amortyzatorów.
B. ugięcia sprężyn zawieszenia.
C. luzów w zawieszeniu.
D. sił hamowania.
Obsługa, diagnozowanie oraz n…
Pomiar gęstości elektrolitu wykonuje się
A. analizatorem.
B. aerografem.
C. areometrem.
D. amperomierzem.
Organizacja i prowadzenie pro…
W oparciu o zamieszczone zestawienie oblicz czas wymiany wszystkich tarcz hamulcowych oraz przednich zacisków hamulcowych w samochodzie
| Czas naprawy |
|---|
| Zacisk hamulca Wymiana lewego przedniego zacisku hamulcowego (1,2 rbg) Wymiana prawego przedniego zacisku hamulcowego (1,2 rbg) Wymiana lewego tylnego zacisku hamulcowego (1,2 rbg) Wymiana prawego tylnego zacisku hamulcowego (1,2 rbg) Wymiana obu przednich zacisków hamulcowych (1,4 rbg) Wymiana obu tylnych zacisków hamulcowych (1,6 rbg) Wymiana wszystkich zacisków hamulcowych (2,5 rbg) Tarcza hamulca Wymiana lewej przedniej tarczy hamulcowej (0,6 rbg) Wymiana prawej przedniej tarczy hamulcowej (0,6 rbg) Wymiana obu przednich tarcz hamulcowych (0,9 rbg) Wymiana lewej tylnej tarczy hamulcowej (1,1 rbg) Wymiana prawej tylnej tarczy hamulcowej (1,1 rbg) Wymiana obu tylnych tarcz hamulcowych (1,5 rbg) Wymiana wszystkich tarcz hamulcowych (2,4 rbg) |
A. 3,8 rbg.
B. 2,4 rbg.
C. 2,5 rbg.
D. 1,6 rbg.
Organizacja i prowadzenie pro…
Podczas przeglądu gwarancyjnego pojazdu dokonano wymiany oleju. Zgodnie z zaleceniami producenta zawartymi w tabeli kolejną wymianę oleju należy wykonać przy przebiegu
| Bieżący przebieg pojazdu | Wymiana oleju zgodnie z zaleceniami producenta po przebiegu | Gwarancja rafinerii na olej | Rodzaj oleju |
|---|---|---|---|
| 25 500 km | 10 tys. km | 15 tys. km | 0W-30 |
A. 35 500 km
B. 40 500 km
C. 36 500 km
D. 37 500 km
Obsługa, diagnozowanie oraz n…
Wartość błędu względnego pomiaru CH wynosi ± 5,0%, a wartość zmierzona i wskazana przez analizator spalin to 20 ppm. Rzeczywista zawartość CH w spalinach będzie mieścić się w granicach
A. 15á20 ppm
B. 15á25 ppm
C. 20á25 ppm
D. 19á21 ppm
Obsługa, diagnozowanie oraz n…
Oblicz objętość skokową trzycylindrowego silnika wiedząc, że pojemność skokowa jednego cylindra wynosi 173,4 cm3
A. 173,4 cm<sup>3</sup>
B. 520,2 cm<sup>3</sup>
C. 693,6 cm<sup>3</sup>
D. 346,8 cm<sup>3</sup>
Organizacja i prowadzenie pro…
Do zakładu wulkanizacji zgłosił się klient w celu wymiany ogumienia z zimowego na letnie. Na przednie koła założono nowe opony, natomiast na koła tylne opony używane przez właściciela w poprzednim sezonie. Wszystkie koła poddano wyważeniu. Jaki był całkowity koszt usługi?
| Nazwa części/ usługi | Cena jednostkowa [zł] |
|---|---|
| Nowa opona | 250 |
| Wymiana jednej opony | 12 |
| Wyważenie koła | 10 |
A. 540 zł
B. 588 zł
C. 564 zł
D. 568 zł
MOT.06 Pytanie 2510
Organizacja i prowadzenie pro…
Po zakończeniu wymiany skraplacza oraz osuszacza powietrza w systemie klimatyzacyjnym pojazdu należy
A. napełnić układ dwutlenkiem węgla
B. przepłukać układ olejem napędowym
C. sprawdzić szczelność układu
D. wydać pojazd klientowi i przyjąć kolejny samochód
Obsługa, diagnozowanie oraz n…
Aby czterosuwowy silnik zrealizował pełny cykl pracy (cztery suwy), wał korbowy musi wykonać obrót
A. o 720°
B. o 360°
C. o 540°
D. o 180°
Obsługa, diagnozowanie oraz n…
Klient zgłosił się do stacji obsługi pojazdów na przegląd techniczny swojego samochodu Po wykonaniu przeglądu wymieniono olej silnikowy, filtr oleju silnikowego, filtr paliwa, filtr powietrza, płyn hamulcowy oraz klocki hamulcowe przednie. Wszystkie płyny eksploatacyjne i części klient dostarczył we własnym zakresie. Pracownik stacji obsługi, na podstawie danych z tabeli, wystawił fakturę na sumę
| Lp. | Nazwa usługi | Cena (brutto) |
|---|---|---|
| 1 | przegląd techniczny pojazdu | 90,00 zł |
| 2 | wymiana oleju przekładniowego, silnikowego | 20,00 zł |
| 3 | wymiana przednich klocków hamulcowych | 60,00 zł |
| 4 | wymiana tylnych klocków hamulcowych | 90,00 zł |
| 5 | wymiana tarcz hamulcowych | 80,00 zł |
| 6 | wymiana płynu hamulcowego | 30,00 zł |
| 7 | wymiana płynu chłodzącego | 25,00 zł |
| 8 | wymiana filtru kabinowego | 15,00 zł |
| 10 | wymiana filtru paliwa lub oleju | 10,00 zł |
| 11 | wymiana filtru powietrza | 15,00 zł |
A. 265 zł
B. 235 zł
C. 175 zł
D. 145 zł
Organizacja i prowadzenie pro…
Zadanie wymiany zużytych amortyzatorów powinno być zlecone warsztatowi
A. regeneracji
B. mechaniki pojazdowej
C. diagnostyki pojazdów
D. elektryki i elektroniki
Obsługa, diagnozowanie oraz n…
Oblicz koszt wymiany oleju silnikowego. Pojemność układu smarowania wynosi 5,0 dm3, koszt 1 dm3 oleju wynosi 25,00 zł, filtra oleju 35,00 zł. Czas potrzebny na wykonanie usługi to 0,5 godziny, a koszt 1 roboczogodziny wynosi 80 zł. Należy doliczyć podatek VAT w wysokości 23% dla części zamiennych i usług.
A. 264,45 zł
B. 217,25 zł
C. 140,00 zł
D. 175,00 zł
Obsługa, diagnozowanie oraz n…
Do zweryfikowania sprawności diody prostowniczej, która zamontowana jest w układzie sterowania służy
A. multimetr uniwersalny.
B. skaner diagnostyczny OBD.
C. woltomierz.
D. manometr.
Obsługa, diagnozowanie oraz n…
Aby zdiagnozować układ prostowniczy alternatora, należy użyć
A. omomierza
B. amperomierza
C. woltomierza
D. oscyloskopu
Obsługa, diagnozowanie oraz n…
Aby zlikwidować wyciek płynu hamulcowego z cylindra zacisku hamulcowego, należy wykonać
A. naciśnięcie tłoczka głębiej do cylindra
B. użycie smaru do uszczelnienia
C. wymianę pierścienia uszczelniającego
D. dodanie dodatkowej uszczelki
Obsługa, diagnozowanie oraz n…
Aby ocenić skuteczność działania systemu bezpieczeństwa aktywnego w pojeździe, należy zweryfikować
A. stan oleju w silniku
B. szczelność systemu paliwowego
C. mechanizmy napinaczy pasów bezpieczeństwa
D. oświetlenie zewnętrzne pojazdu
MOT.06 Pytanie 2519
Organizacja i prowadzenie pro…
Jak powinien zareagować mechanik, gdy stały klient serwisu zgłasza problem z układem wtryskowym pojazdu, a on nie ma wiedzy na temat budowy oraz technologii naprawy tego systemu?
A. Podjąć się naprawy układu, a następnie zapisać na kurs dotyczący napraw układów wtryskowych tego rodzaju
B. Przyjąć zlecenie i wymienić wszystkie komponenty układu wtryskowego na nowe
C. Spróbować przeprowadzić naprawę układu, ponieważ zdobędzie nowe doświadczenia
D. Przyjąć zlecenie, a naprawę powierzyć specjalistycznemu warsztatowi
Obsługa, diagnozowanie oraz n…
Na panelu kontrolnym pojawiła się informacja o awarii systemu zarządzania silnikiem. Jakim urządzeniem przeprowadza się diagnozę tego systemu?
A. Multimetrem uniwersalnym
B. Oscyloskopem elektronicznym
C. Analizatorem spalin
D. Diagnoskopem systemu OBD