Filtrowanie pytań
Obsługa, diagnozowanie oraz n…
A. jedynie tarczę hamulcową koła lewego przedniego
B. wyłącznie tarcze hamulcowe kół osi przedniej
C. tarcze oraz klocki hamulcowe osi przedniej
D. tarcze i klocki hamulcowe wszystkich kół
Obsługa, diagnozowanie oraz n…
Pojęcia takie jak: kąt wyprzedzenia osi sworznia zwrotnicy oraz kąt nachylenia osi sworznia zwrotnicy są powiązane z systemem
A. jezdnym
B. kierowniczym
C. napędowym
D. hamulcowym
Obsługa, diagnozowanie oraz n…
Przed wprowadzeniem pojazdu na podnośnik kolumnowy mechanik musi upewnić się, czy podnośnik posiada aktualne zaświadczenie o przeprowadzonym badaniu technicznym, wykonanym przez
A. Państwową Inspekcję Pracy.
B. Państwową Inspekcję Sanitarną.
C. Urząd Dozoru Technicznego.
D. Urząd Nadzoru Budowlanego.
Organizacja i prowadzenie pro…
Podczas tankowania gazu LPG zawór odcinający powinien zadziałać, jeśli zbiornik został napełniony
A. w 70%
B. w 90%
C. w 100%
D. w 80%
Obsługa, diagnozowanie oraz n…
Nadwozie samochodowe przedstawione na rysunku zalicza się do grupy nadwozi

A. 1-bryłowych.
B. 3-bryłowych.
C. 2,5-bryłowych.
D. 2-bryłowych.
Obsługa, diagnozowanie oraz n…
Pomiary stanów pracy termistora NTC przedstawione na charakterystyce świadczą o jego

A. niesprawności w zakresie 50÷100°C.
B. sprawności.
C. niesprawności.
D. sprawności w zakresie 0÷50°C.
MOT.02 Pytanie 2727
Obsługa, diagnozowanie oraz n…
Uszkodzenie systemu wtrysku paliwa z wtryskiwaczami piezoelektrycznymi, które objawia się wydłużonym czasem otwarcia jednego z wtryskiwaczy, można naprawić poprzez
A. zwiększenie napięcia sterującego do niesprawnego wtryskiwacza
B. wymianę i zakodowanie uszkodzonego wtryskiwacza
C. wymianę uszkodzonego wtryskiwacza
D. przeprogramowanie jednostki sterującej silnika dla uszkodzonego wtryskiwacza
Obsługa, diagnozowanie oraz n…
W przypadku podejrzenia u rannego kręgosłupa przed przybyciem lekarza należy
A. umieścić poszkodowanego w pozycji półsiedzącej
B. unikać zmiany ułożenia rannego
C. położyć rannego na brzuchu
D. ustawić poszkodowanego w ustalonej pozycji bocznej
Obsługa, diagnozowanie oraz n…
Na rysunku przedstawiono pomiar

A. napięcia paska klinowego.
B. prędkości obrotowej silnika.
C. kąta wyprzedzenia zapłonu.
D. kąta zwarcia styków przerywacza.
Organizacja i prowadzenie pro…
Przy realizacji zlecenia na wymianę zaworów w silniku oznaczonym jako V6 24V, konieczne jest uwzględnienie wymiany zaworów w ilości
A. 6 szt.
B. 24 szt.
C. 12 szt.
D. 18 szt.
MOT.05 Pytanie 2731
Obsługa, diagnozowanie oraz n…
Przed przystąpieniem do badania w Stacji Kontroli Pojazdów prawidłowości działania układu hamulcowego pojazdu w pierwszej kolejności należy
A. zmierzyć zawartość wody w płynie hamulcowym.
B. sprawdzić ciśnienie w kołach.
C. sprawdzić działanie serwomechanizmu.
D. zmierzyć grubość klocków hamulcowych.
Obsługa, diagnozowanie oraz n…
W jakim zakresie cykli należy dostosować częstotliwość działania kierunkowskazów?
A. 50 cykli/min
B. 90 ±30 cykli/min
C. 60 ±30 cykli/min
D. 130 cykli/min
Obsługa, diagnozowanie oraz n…
Zbyt duże splanowanie powierzchni głowicy silnika może spowodować
A. zwiększenie powierzchni głowicy.
B. zmniejszenie stopnia sprężania.
C. zwiększenie komory spalania.
D. zmniejszenie komory spalania.
Organizacja i prowadzenie pro…
Który z poniższych programów komputerowych jest przeznaczony do opracowywania kosztorysu naprawy po wypadku?
A. Autodata
B. AutoCAD
C. Warsztat
D. Eurotax
Obsługa, diagnozowanie oraz n…
Maksymalna prędkość pojazdu holującego poza obszarem zabudowanym na drodze z jedną jezdnią nie może być wyższa niż
A. 50 km/h
B. 60 km/h
C. 70 km/h
D. 40 km/h
Obsługa, diagnozowanie oraz n…
Aby zmierzyć natężenie prądu płynącego przez odbiornik w elektrycznej instalacji pojazdu, należy podłączyć
A. amperomierz w szereg z odbiornikiem
B. amperomierz w równoległym połączeniu z odbiornikiem
C. woltomierz w równoległym połączeniu z odbiornikiem
D. woltomierz w szereg z odbiornikiem
Obsługa, diagnozowanie oraz n…
Jakie jest napięcie nominalne dla pojedynczego ogniwa akumulatora kwasowo-ołowiowego?
A. 4,1 V
B. 6,2 V
C. 1,2 V
D. 2,1 V
Obsługa, diagnozowanie oraz n…
Urządzenie (elektryczne bądź hydrodynamiczne) służące do długotrwałego hamowania pojazdu, stosowane w samochodach ciężarowych o dużej ładowności i w autobusach, to
A. dyfuzor.
B. retarder.
C. rezonator.
D. rekuperator.
Obsługa, diagnozowanie oraz n…
Jakie urządzenie służy do specjalistycznego osłuchiwania silnika?
A. dymomierzem
B. przyrządem do pomiaru hałasu
C. analizatorem spalin
D. stetoskopem Bryla
Obsługa, diagnozowanie oraz n…
Termin DOHC odnosi się do układu
A. dolnozaworowego z jednym wałkiem rozrządu w kadłubie
B. górnozaworowego z dwoma wałkami rozrządu zainstalowanymi w głowicy
C. górnozaworowego z jednym wałkiem rozrządu umieszczonym w kadłubie
D. górnozaworowego z pojedynczym wałkiem rozrządu w głowicy
Obsługa, diagnozowanie oraz n…
Jakie znaczenie mają strefy kontrolowanego zgniotu?
A. ochrona silnika podczas kolizji
B. bezpieczeństwo pasywne
C. bezpieczeństwo aktywne
D. redukcja drgań zawieszenia
Organizacja i prowadzenie pro…
Elektromechanik wykonał pomiar gęstości elektrolitu w temperaturze otoczenia. W różnych komorach akumulatora otrzymał wyniki w zakresie 1,285-1,30 g/cm3. Uzyskany rezultat wskazuje
A. na pełne naładowanie
B. na konieczność doładowania
C. na zasiarczenie
D. na zbyt wysoką gęstość elektrolitu
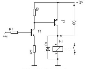
Obsługa, diagnozowanie oraz n…
Przedstawiony symbol graficzny oznacza

A. czujnik indukcyjny.
B. diodę prostowniczą.
C. przekaźnik kontaktronowy.
D. tyrystor.
Obsługa, diagnozowanie oraz n…
Mechanik, który przeprowadza wymianę części układu paliwowego silnika ZI, jest szczególnie narażony na
A. poparzenie substancjami chemicznymi
B. intensywny hałas
C. zranienie
D. zatrucie oparami paliwa
Obsługa, diagnozowanie oraz n…
W trakcie jazdy próbnej zaobserwowano drgania w kierownicy samochodu w określonym zakresie prędkości. W takiej sytuacji najpierw należy
A. wymienić łożyska kół
B. wymienić łączniki stabilizatora
C. wyważyć koła
D. wymienić końcówki drążków kierowniczych
Obsługa, diagnozowanie oraz n…
Aby zamontować tłok z pierścieniami w cylindrze, należy użyć
A. prasy hydraulicznej
B. prasy śrubowej
C. opaski zaciskowej do pierścieni
D. szczypiec do pierścieni
Obsługa, diagnozowanie oraz n…
Element jakiego układu przedstawiono na zdjęciu?

A. Zasilania.
B. Smarowania.
C. Wydechowego.
D. Chłodzenia.
Obsługa, diagnozowanie oraz n…
Jaki łączny koszt poniesiemy na wymianę świec zapłonowych w pojeździe z silnikiem sześciocylindrowym, jeśli cena jednej świecy wynosi 20,00 zł, a wymiana powinna zająć 45 minut, przy stawce jednego roboczogodziny równiej 120,00 zł?
A. 210,00 zł
B. 240,00 zł
C. 120,00 zł
D. 170,00 zł
MOT.05 Pytanie 2749
Obsługa, diagnozowanie oraz n…
Pierwszym krokiem przed przeprowadzeniem badania okresowego w Stacji Kontroli Pojazdów jest
A. sprawdzenie oraz regulacja ciśnienia w oponach do wartości nominalnych
B. pobranie informacji o badanym pojeździe z Centralnej Ewidencji Pojazdów
C. sprawdzenie indeksu tłumienia amortyzatorów osi przedniej
D. pomiar zadymienia spalin silnika ZI
Obsługa, diagnozowanie oraz n…
Które dane z dowodu rejestracyjnego pojazdu wykorzysta mechanik, zamawiając części zamienne do naprawianego pojazdu?
A. Numer identyfikacyjny pojazdu.
B. Datę pierwszej rejestracji w kraju.
C. Datę ważności przeglądu technicznego.
D. Numer rejestracyjny i dane właściciela pojazdu.
Obsługa, diagnozowanie oraz n…
Przedstawiony na zdjęciu przyrząd służy do

A. demontażu termostatu.
B. regulacji luzów zaworowych.
C. regulacji wolnych obrotów.
D. ustawiania zapłonu.
Obsługa, diagnozowanie oraz n…
Satelity w postaci kół zębatych można spotkać
A. w przekładni kierowniczej
B. w mechanizmie różnicowym
C. w pompie oleju o zazębieniu wewnętrznym
D. w przekładni głównej
Obsługa, diagnozowanie oraz n…
Szczotkotrzymacz w rozłożonym na części rozruszniku oznaczony jest numerem

A. 4.
B. 6.
C. 3.
D. 5.
Obsługa, diagnozowanie oraz n…
Wykonując montaż zakupionego zestawu świateł do jazdy dziennej, wartość bezpiecznika zabezpieczającego układ należy dobrać na podstawie
A. przekroju przewodu zasilania.
B. mocy układu świateł mijania.
C. mocy poszczególnych elementów.
D. dołączonej instrukcji montażu.
Obsługa, diagnozowanie oraz n…
Moc żarówki kierunkowskazu wynosi P = 21 [W] przy zasilaniu z akumulatora o napięciu U=12,1 [V]. Rezystancja włókna żarówki ma wartość około
A. 7,0 [Ω].
B. 0,6 [Ω].
C. 9,5 [Ω].
D. 1,8 [Ω].
Obsługa, diagnozowanie oraz n…
W trakcie realizacji zlecenia warsztatowego należy podać
A. datę pierwszej rejestracji.
B. kolor pojazdu.
C. wiek pojazdu.
D. numer rejestracyjny pojazdu.
Obsługa, diagnozowanie oraz n…
Na ilustracji przedstawiony jest

A. zawór recyrkulacji spalin.
B. czujnik ciśnienia doładowania.
C. wtryskiwacz systemu Common rail.
D. regulator ciśnienia paliwa.
Obsługa, diagnozowanie oraz n…
Napięcie na terminalach akumulatora podczas pracy silnika na biegu jałowym powinno wynosić w przybliżeniu
A. 13,4 V
B. 12,0 V
C. 14,4 V
D. 12,6 V
Obsługa, diagnozowanie oraz n…
Aby zweryfikować poprawne działanie czujnika Halla, należy wykonać pomiar
A. reaktancji pojemnościowej czujnika
B. impedancji uzwojeń czujnika
C. generowanego sygnału wyjściowego
D. reaktancji indukcyjnej czujnika
Obsługa, diagnozowanie oraz n…
Częściami składowymi są opasanie oraz osnowa, co to jest?
A. dętki
B. stalowej obręczy koła
C. aluminiowej obręczy koła
D. opony