Filtrowanie pytań
Obsługa, diagnozowanie oraz n…
A. 100 zł
B. 400 zł
C. 200 zł
D. 300 zł
Obsługa, diagnozowanie oraz n…
W trakcie realizacji zlecenia serwisowego w polu oznaczonym jako "Numer identyfikacji pojazdu" należy wpisać numer
A. rejestracyjny
B. dowodu rejestracyjnego
C. VIN
D. karty pojazdu
Organizacja i prowadzenie pro…
Aby skutecznie wykonać pomiar ciśnienia sprężania w nagrzanym silniku, stan techniczny akumulatora oraz rozrusznika powinien umożliwić uzyskanie prędkości obrotowej wału wynoszącej przynajmniej
A. 20-40 obr/min
B. 50-70 obr/min
C. 80-90 obr/min
D. 100-110 obr/min
Obsługa, diagnozowanie oraz n…
Aby odczytać i zinterpretować błędy zapisane w pamięci sterownika pracy silnika należy zastosować
A. komputerowy zestaw diagnostyczny.
B. multimetr.
C. czytnik EOBD.
D. czytnik kodów błędów.
Obsługa, diagnozowanie oraz n…
Akumulator o pojemności 45[Ah], po całkowitym wyczerpaniu był zasilany prądem 2,5[A] przez 12 godzin, co pozwoliło mu na naładowanie do poziomu
A. 12 [Ah]
B. 24 [Ah]
C. 45 [Ah]
D. 30 [Ah]
Obsługa, diagnozowanie oraz n…
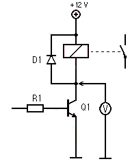
Na schemacie przedstawiono układ

A. zamka centralnego.
B. ABS.
C. wtryskowy silnika ZI.
D. zapłonowy.
Obsługa, diagnozowanie oraz n…
Wykonano naprawę rozdzielacza iskry w silniku spalinowym. W celu ustawienia kąta wyprzedzenia zapłonu, konieczne jest zastosowanie
A. lampy stroboskopowej
B. testera diagnostycznego
C. szczelinomierza
D. multimetru uniwersalnego
MOT.05 Pytanie 2808
Obsługa, diagnozowanie oraz n…
Zanim silnik zostanie usunięty z pojazdu, co należy najpierw wykonać?
A. spuścić olej z silnika
B. odłączyć przewody elektryczne
C. odkręcić skrzynię biegów
D. odłączyć klemę akumulatora
Obsługa, diagnozowanie oraz n…
Filtry oleju zamontowane w pojeździe powinny
A. zostać spalone w piecu
B. zostać zakopane w ziemi
C. zostać wyrzucone do pojemnika na odpady komunalne
D. zostać przekazane do utylizacji
Obsługa, diagnozowanie oraz n…
Aby zapewnić zachowanie danych zapisanych w pamięci elektronicznych systemów pojazdu w trakcie wymiany akumulatora samochodowego, należy zwrócić uwagę na
A. podłączenie akumulatora serwisowego do instalacji pojazdu po odłączeniu wymienianego akumulatora
B. zdjęcie zacisku prądowego akumulatora w pierwszej kolejności
C. podłączenie akumulatora serwisowego do instalacji samochodu przed odłączeniem wymienianego akumulatora
D. zdjęcie zacisku masowego akumulatora w pierwszej kolejności
Obsługa, diagnozowanie oraz n…
Skaner systemu OBD jest używany do identyfikacji wad wpływających na
A. spadek mocy silnika
B. nadmierną emisję szkodliwych substancji w spalinach
C. wzrost hałasu generowanego przez silnik
D. zwiększone zużycie paliwa w silniku
MOT.02 Pytanie 2812
Obsługa, diagnozowanie oraz n…
Zaświecenie się w czasie jazdy lampki kontrolnej przedstawionej na rysunku informuje kierowcę o usterce w układzie

A. chłodzenia.
B. hamulcowym.
C. sterowania silnika.
D. oświetlenia zewnętrznego.
Obsługa, diagnozowanie oraz n…
Który z rodzajów paliw odznacza się wartością cetanową?
A. Olej napędowy
B. Olej silnikowy
C. Gaz LPG
D. Benzyna samochodowa
Obsługa, diagnozowanie oraz n…
Jakie narzędzie jest wykorzystywane do właściwego ustawienia kąta wyprzedzenia zapłonu w silniku ZI?
A. oscyloskopu.
B. lampy stroboskopowej.
C. suwmiarki.
D. urządzenia diagnostycznego.
Obsługa, diagnozowanie oraz n…
Na rysunku przedstawiono wał korbowy czterosuwowego, czterocylindrowego silnika spalinowego. Który opis jest zgodny z budową przedstawionego wału?

A. Wszystkie otwory w tym wale korbowym zostały wykonane w celu jego wyrównoważenia.
B. Kolejność zapłonów w tym silniku to 1-3-4-2.
C. Wszystkie czopy łożysk znajdują się w jednej osi.
D. Koło zamachowe jest zamocowane na tym wale korbowym za pomocą wielowypustu.
Obsługa, diagnozowanie oraz n…
Głośna praca silnika benzynowego (stukanie), której częstotliwość wzrasta proporcjonalnie do obrotów silnika, może sugerować
A. uszkodzoną krzywkę wałka rozrządu
B. znaczne zatarcie filtra powietrza
C. nieprawidłowe działanie świecy zapłonowej
D. wyciek oleju z miski olejowej
Obsługa, diagnozowanie oraz n…
Wypełniając kartę gwarancyjną zamontowanego w pojeździe samochodowym rozrusznika z przesuwym zespołem sprzęgającym, należy podać
A. dane teleadresowe właściciela pojazdu.
B. datę pierwszej rejestracji pojazdu.
C. datę montażu rozrusznika.
D. model i pojemność akumulatora zamontowanego w pojeździe.
Organizacja i prowadzenie pro…
Do obowiązków kierownika Biura Obsługi Klienta w serwisie samochodowym należy
A. diagnozowanie pojazdów
B. usprawnianie i koordynacja systemu kontaktów z klientami
C. zarządzanie pracami naprawczymi
D. rekrutacja pracowników do BOK
Obsługa, diagnozowanie oraz n…
Refraktometr nie jest przeznaczony do diagnozowania
A. elektrolitu używanego w akumulatorach samochodowych
B. płynu chłodzącego
C. płynu do spryskiwaczy
D. czynnika chłodzącego do napełnienia klimatyzacji
Obsługa, diagnozowanie oraz n…
Ostateczna obróbka gniazd zaworowych z zamontowanymi zaworami to
A. szlifowanie
B. dogniatanie
C. honowanie
D. docieranie
Obsługa, diagnozowanie oraz n…
Układ elektryczny zaznaczony na schemacie cyfrą 1 spełnia funkcję

A. stabilizatora napięcia przemiennego.
B. prostownika napięcia przemiennego.
C. powielacza napięcia stałego.
D. ogranicznika napięcia stałego.
Obsługa, diagnozowanie oraz n…
Na podstawie informacji zawartych w tabeli określ koszt brutto wymiany ogumienia letniego na zimowe wykonywane przez jednego pracownika. Stawka VAT wynosi 23%.
| Lp. | nazwa części/usługi | cena netto |
|---|---|---|
| 1 | opona zimowa 1 szt. | 250,00 zł |
| 2 | wymiana opony z wyważeniem 1 szt. | 25,00 zł |
| 3 | wyważenie koła 1szt | 10,00 zł |
A. 1140,00 zł
B. 1420,20 zł
C. 1100,00 zł
D. 1353,00 zł
Obsługa, diagnozowanie oraz n…
W celu poprawnego zdiagnozowania przekaźnika elektromagnetycznego nie należy wykonywać pomiaru
A. rezystancji styków roboczych w stanie spoczynku.
B. rezystancji styków roboczych w stanie załączenia.
C. rezystancji cewki elektromagnetycznej.
D. zmiany rezystancji cewki w stanie załączenia.
Obsługa, diagnozowanie oraz n…
Rysunek przedstawia

A. rzędową pompę wtryskową.
B. rozdzielaczową pompę wtryskową.
C. pompę Common Raił.
D. pompowtryskiwacz.
Organizacja i prowadzenie pro…
Analizując przyczynę zbyt wysokiego poziomu temperatury płynu chłodzącego w trakcie jazdy w optymalnych warunkach atmosferycznych, powinno się najpierw wykonać diagnostykę
A. czujnika temperatury silnika
B. czujnika uruchamiania wentylatora chłodnicy
C. zaworu parowo-powietrznego
D. termostatu
Obsługa, diagnozowanie oraz n…
Jednym z powodów problemów z włączaniem danego biegu może być uszkodzenie
A. synchronizatora tego biegu.
B. zębatki tego biegu.
C. łożyskowania zębatki tego biegu na wałku.
D. łożyskowania synchronizatora tego biegu.
Obsługa, diagnozowanie oraz n…
Elementem odpowiedzialnym za wyrównanie prędkości obrotowych sprzęganych komponentów działających w mechanicznej skrzyni biegów jest
A. sprzęgło cierne jednotarczowe
B. synchronizator
C. koło zębate skrzyni
D. łożysko ślizgowe
Obsługa, diagnozowanie oraz n…
Mechanik, który wymienia wahacze przedniej osi, ma możliwość dokręcenia
A. śrub znajdujących się w poziomej płaszczyźnie wyłącznie w normalnej pozycji pracy zawieszenia
B. śruby/nakrętki sworznia dopiero po dokonaniu ustawienia zbieżności kół
C. wszystkich śrub w dowolnym ustawieniu zawieszenia
D. śrub usytuowanych w pionowej płaszczyźnie tylko w normalnej pozycji pracy zawieszenia
Obsługa, diagnozowanie oraz n…
Testowanie rozrusznika na stole probierczym opiera się na pomiarze
A. rezystancji uzwojenia stojana
B. rezystancji uzwojenia włącznika elektromagnetycznego
C. momentu rozruchowego
D. rezystancji uzwojenia wirnika
Obsługa, diagnozowanie oraz n…
W karcie gwarancyjnej oraz książce serwisowej nowego pojazdu należy wpisać
A. datę pierwszego przeglądu.
B. datę zakończenia okresu gwarancyjnego.
C. moc pojazdu.
D. datę sprzedaży pojazdu.
Obsługa, diagnozowanie oraz n…
Jak przeprowadza się pomiar zadymienia spalin w silnikach o ZS?
A. przy prędkości obrotowej od 2000 do 3000 obr/min
B. na obrotach jałowych
C. przy osiągnięciu maksymalnej prędkości obrotowej
D. w trakcie swobodnego przyspieszania z obrotów jałowych do maksymalnej prędkości obrotowej
Obsługa, diagnozowanie oraz n…
Która z wymienionych metod diagnostycznych jest najbardziej precyzyjna?
A. Pomiarowa.
B. Słuchowa.
C. Dotykowa.
D. Wzrokowa.
Obsługa, diagnozowanie oraz n…
Regulacja jest konieczna po wymianie przerywacza w klasycznym systemie zapłonowym?
A. kąta rozwarcia styków przerywacza
B. kąta zwarcia styków przerywacza
C. kąta zwarcia oraz rozwarcia styków przerywacza
D. odstępu między stykami przerywacza oraz kąta wyprzedzenia zapłonu
Obsługa, diagnozowanie oraz n…
Parametrem związanym z geometrią kół nie jest
A. kąt nachylenia sworznia zwrotnicy
B. zbieżność kół
C. ciśnienie w ogumieniu
D. kąt wyprzedzenia sworznia zwrotnicy
Obsługa, diagnozowanie oraz n…
Wskazówka paliwowskazu pozostaje w wychyleniu maksymalnym. Świadczy to
A. o przerwie w obwodzie elektrycznym.
B. o zwarciu w obwodzie czujnika w zbiorniku.
C. o braku paliwa.
D. o uszkodzeniu bezpiecznika.
Obsługa, diagnozowanie oraz n…
Który zestaw diagnostyczny używany w informatyce stanowi oryginalny zestaw dla pojazdów marki Audi?
A. Star Diagnosis
B. VAS/ODISS
C. Global Pro
D. AUTOCOM ADP
Obsługa, diagnozowanie oraz n…
W jednostce napędowej o symbolu V6 24V zaleca się wymianę zaworów. Ile zaworów trzeba pobrać z magazynu?
A. 18
B. 24
C. 12
D. 6
Obsługa, diagnozowanie oraz n…
Wskaż poprawny zestaw wartości, które powinny być umieszczone w dowodzie rejestracyjnym w sekcji dotyczącej mocy silnika?
A. 100 kW/140 KM
B. 100 kW/146 KM
C. 100 kW/136 KM
D. 100 kW/130 KM
Organizacja i prowadzenie pro…
Kto przydziela zakres prac zespołowi mechaników?
A. pracownik nadzoru usług
B. pracownik handlowy
C. kierownik zakładu
D. pracownik obsługi administracyjnej i ochrony
MOT.02 Pytanie 2840
Obsługa, diagnozowanie oraz n…
Aby dokonać diagnostyki elektronicznych systemów pojazdu z grupy VAG należy zastosować program diagnostyczny
A. VAS/ODISS
B. CARMANSCAN
C. KTS
D. CDIF