Filtrowanie pytań
Obsługa, diagnozowanie oraz n…
A. przeładowany.
B. sprawny technicznie.
C. w pełni naładowany.
D. niedoładowany.
Organizacja i prowadzenie pro…
Planowanie operacji magazynowych nie obejmuje
A. selekcji dostawców
B. oceny wydatków związanych z działalnością magazynową
C. kontroli kosztów stałych usług (prąd, woda)
D. ustalenia ilości zamawianych komponentów
Obsługa, diagnozowanie oraz n…
Przed demontażem alternatora z pojazdu pierwszą czynnością jest odłączenie
A. regulatora napięcia.
B. przewodu prądowego akumulatora.
C. przewodu masowego akumulatora.
D. przewodu prądowego od alternatora.
Obsługa, diagnozowanie oraz n…
Ciecz chłodząca po użyciu należy
A. wlać do kanalizacji
B. zneutralizować i wlać do kanalizacji
C. rozcieńczyć wodą i wlać do kanalizacji
D. przekazać do utylizacji
Organizacja i prowadzenie pro…
Całkowity koszt wymiany żarówki świateł drogowych i świateł mijania przeprowadzanej w ciągu 0,5 roboczogodziny jest równy
| Nazwa części/ usługi | Cena jednostkowa [zł] |
|---|---|
| Żarówka H3 | 9 |
| Żarówka H4 | 12 |
| Żarówka C5W | 2 |
| Cena roboczogodziny | 50 |
A. 44 zł
B. 87 zł
C. 37 zł
D. 46 zł
Obsługa, diagnozowanie oraz n…
W celu przeprowadzenia kontroli stanu połączenia rozrusznika z plusem zasilania (zacisk 30) multimetr należy włączyć w tryb pracy
A. omomierza, mierząc rezystancję samego przewodu łączącego rozrusznik z akumulatorem.
B. amperomierza, mierząc wartość prądu pobieranego przez rozrusznik.
C. woltomierza, mierząc spadek napięcia na przewodzie zasilającym rozrusznik.
D. omomierza, mierząc rezystancję połączenia rozrusznika z akumulatorem.
Obsługa, diagnozowanie oraz n…
Czym jest honowanie?
A. metoda obróbki cieplnej
B. metoda obróbki plastycznej
C. metoda obróbki wygładzającej
D. metoda obróbki chemicznej
Obsługa, diagnozowanie oraz n…
Nieprawidłowe rozpylenie paliwa wtryskiwanego, przejawiające się zwiększoną ilością sadzy w spalinach ponad dopuszczalne wartości, nie może być spowodowane
A. nieszczelnością głowicy.
B. zużyciem otworów wylotowych rozpylacza.
C. zbyt niskim ciśnieniem wtrysku.
D. nieszczelnością rozpylacza.
Obsługa, diagnozowanie oraz n…
Podczas holowania uszkodzonego samochodu z automatyczną skrzynią biegów należy
A. unosić oś napędzaną pojazdu
B. spuścić olej ze skrzyni biegów
C. ustawić dźwignię zmiany biegów w pozycji D (jazda)
D. odłączyć system sterowania skrzynią biegów
Obsługa, diagnozowanie oraz n…
W prądnicach prądu przemiennego (alternatorach) główne uzwojenie robocze zlokalizowane jest w
A. stojanie i wirniku.
B. stojanie.
C. stojanie i mostku prostowniczym.
D. wirniku.
Obsługa, diagnozowanie oraz n…
Który płyn eksploatacyjny oznaczany jest symbolem 10W/40?
A. Płyn do hamulców
B. Olej silnikowy
C. Płyn chłodzący do silnika
D. Płyn do spryskiwaczy
Organizacja i prowadzenie pro…
Do naprawy elementu odpowiedzialnego za ładowanie akumulatora powinien być wyznaczony
A. diagnosta
B. mechanik
C. elektromechanik
D. elektryk
Organizacja i prowadzenie pro…
W trakcie corocznego przeglądu okresowego pojazdu powinno się zawsze, niezależnie od jego przebiegu, wymienić filtr.
A. oleju
B. płynu chłodzącego
C. paliwa
D. przeciwpyłkowy
Obsługa, diagnozowanie oraz n…
Badanie otworów prowadnic zaworowych przeprowadza się przy użyciu
A. płytek wzorcowych
B. średnicówki czujnikowej
C. suwmiarki
D. szczelinomierza
Obsługa, diagnozowanie oraz n…
W autoryzowanym serwisie wymienia się średnio w trakcie zmiany 10 żarówek H4. Serwis pracuje na dwie zmiany, 5 dni w tygodniu. Tygodniowe zapotrzebowanie na żarówki H4 wynosi
A. 20 sztuk.
B. 50 sztuk.
C. 80 sztuk.
D. 100 sztuk.
MOT.02 Pytanie 2976
Obsługa, diagnozowanie oraz n…
Na zamieszczonym oscylogramie przedstawiony jest sygnał wyjściowy z czujnika

A. termistorowego.
B. indukcyjnego.
C. hallotronowego.
D. piezolektrycznego.
Obsługa, diagnozowanie oraz n…
Aby sprawdzić poprawność działania czujnika indukcyjnego, należy wykonać pomiar
A. wartości prądu, który przez niego płynie
B. wartości napięcia, jakie zostało do niego podane
C. generowanego sygnału wyjściowego
D. reaktancji pojemnościowej czujnika
Obsługa, diagnozowanie oraz n…
Mieszanka stechiometryczna to taka mieszanka, w której współczynnik nadmiaru powietrza wynosi
A. λ = 1,0
B. λ = 1,1
C. λ = 2,0
D. λ = 0,85
MOT.05 Pytanie 2979
Obsługa, diagnozowanie oraz n…
Łączny koszt wymiany dwóch zderzaków wymienionych w tabeli (uwzględniający koszt części i pracy mechanika przy wymianie), przy cenie 1 rg. wynoszącej 80 zł i rabacie 5% na całą naprawę, wynosi
| Opis czynności | Miejsce | Rodzaj | rg | Cena |
|---|---|---|---|---|
| Zderzak | P | WY | 1 | 500 |
| Zderzak | T | WY | 0.5 | 300 |
A. 874 zł
B. 798 zł
C. 920 zł
D. 836 zł
Obsługa, diagnozowanie oraz n…
Przyczyną "strzelania" silnika do układu wydechowego nie jest
A. zapieczone wtryskiwacze paliwowe
B. zbyt bogata mieszanka paliwowo-powietrzna
C. nieszczelność zaworu wydechowego
D. brak zapłonu w jednym z cylindrów
Organizacja i prowadzenie pro…
Kierownik serwisu powinien zatrzymać pracownika podczas próby pracy silnika na stanowisku, jeśli zauważył
A. brak odciągu spalin
B. obecność osoby postronnej przy stanowisku serwisowym
C. otwartą pokrywę silnika pojazdu
D. brak dokumentacji pojazdu
MOT.02 Pytanie 2982
Obsługa, diagnozowanie oraz n…
Zaświecenie się w czasie jazdy lampki kontrolnej przedstawionej na rysunku informuje kierowcę o prawdopodobnej usterce w układzie

A. ABS.
B. kierowniczym.
C. hamulcowym.
D. ESP.
MOT.02 Pytanie 2983
Obsługa, diagnozowanie oraz n…
W silniku V6 Common Rail 2,3 18V Turbo stwierdzono uszkodzenie połowy wtryskiwaczy oraz wszystkich świec żarowych. Na podstawie cennika określ, jaką kwotę zapłaci klient za zakup części i wymianę uszkodzonych elementów?
| Lp. | Część/usługa | Wartość [zł] |
|---|---|---|
| 1. | Świeca żarowa | 100,00 |
| 2. | Wtryskiwacz | 200,00 |
| 3. | Wymiana wtryskiwacza | 20,00 |
| 4. | Wymiana świecy żarowej | 40,00 |
| 5. | Kasowanie błędów za pomocą testera | 50,00 |
| 6. | Jazda próbna | 20,00 |
A. 2 230,00 zł.
B. 2 170,00 zł.
C. 1 450,00 zł.
D. 1 570,00 zł.
Obsługa, diagnozowanie oraz n…
Na rysunku przedstawiono tabliczkę identyfikacyjną pojazdu, z której można odczytać, że pojazd jest przystosowany do ciągania przyczep o dopuszczalnej masie całkowitej (DMC) równej

A. 900 kg
B. 970 kg
C. 860 kg
D. 1625 kg
Obsługa, diagnozowanie oraz n…
Badanie zadymienia spalin przeprowadza się w silnikach
A. zasilanych paliwem LPG
B. zasilanych paliwem CNG
C. z zapłonem samoczynnym
D. z zapłonem iskrowym
Obsługa, diagnozowanie oraz n…
Przystępując do rozmontowywania komponentów systemu SRS (Supplementary Restrain System) w pojeździe, należy koniecznie pamiętać, aby
A. zabezpieczyć wnętrze pojazdu
B. odłączyć klemę akumulatora
C. wyłączyć zapłon
D. włączyć zapłon
Obsługa, diagnozowanie oraz n…
Jakie metody stosuje się do łączenia elementów nadwozia podczas napraw blacharskich?
A. spawania metodą MIG-MAG
B. zgrzewania liniowego
C. zgrzewania punktowego
D. spawania gazowego
Organizacja i prowadzenie pro…
Właściciel pojazdu, który został wycofany z eksploatacji, ma obowiązek w ciągu 30 dni od daty otrzymania zaświadczenia o demontażu zrealizować
A. zgłoszenie demontażu w Centralnej Ewidencji Pojazdów
B. przekazanie usuniętej tabliczki znamionowej do wydziału komunikacji
C. wniosek o wyrejestrowanie pojazdu
D. opłatę w Powiatowym Zarządzie Dróg
Obsługa, diagnozowanie oraz n…
Jakie substancje wykorzystuje się do czyszczenia układu klimatyzacyjnego?
A. czysty azot lub chemiczny roztwór z azotem
B. rozpuszczalniki acetonowe
C. alkohol metylowy bądź etylowy
D. benzyne ekstrakcyjną
Obsługa, diagnozowanie oraz n…
Po poprawnie wykonanej naprawie polegającej na wymianie czujnika prędkości obrotowej koła
A. należy dziesięciokrotnie uruchomić silnik w celu samodiagnozy układu ABS.
B. kontrolka ABS sama zgaśnie po osiągnięciu odpowiedniej prędkości jazdy.
C. konieczna jest ponowna diagnostyka układu i usunięcie kodów błędów.
D. należy na 15 sekund odłączyć klemę masową akumulatora.
Obsługa, diagnozowanie oraz n…
Czym należy mierzyć prąd zwarcia rozrusznika?
A. Dynamometrem.
B. Amperomierzem.
C. Oscyloskopem.
D. Omomierzem.
Obsługa, diagnozowanie oraz n…
Diagnozując działanie układu klimatyzacji, należy sprawdzić
A. temperaturę czynnika chłodzącego.
B. pojemność układu chłodzenia.
C. maksymalne obroty sprężarki.
D. ciśnienie tłoczenia sprężarki.
Obsługa, diagnozowanie oraz n…
Przedstawiony schemat położenia kół osi przedniej przedstawia

A. kąt pochylenia koła.
B. zbieżność dodatnią.
C. zbieżność ujemną.
D. kąt wyprzedzenia osi sworznia zwrotnicy.
Obsługa, diagnozowanie oraz n…
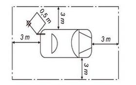
Przygotowując zlecenie serwisowe, pracownik powinien w nim ująć
A. kwotę do zapłaty za usługę.
B. datę wydania pojazdu.
C. zakres prac do wykonania przez mechanika.
D. przyznany rabat.
Obsługa, diagnozowanie oraz n…
W samochodzie występuje niedostateczne chłodzenie w układzie klimatyzacji. Diagnostykę należy rozpocząć od sprawdzenia
A. układu sterowania dmuchawą.
B. poślizgu paska klinowego.
C. przełącznika programatora nagrzewania.
D. czujnika temperatury parownika.
MOT.02 Pytanie 2996
Obsługa, diagnozowanie oraz n…
W celu dokonania pomiaru napięcia zasilania elektrycznej pompy paliwa, woltomierz należy podłączyć pomiędzy masę, a zacisk zasilania elementu oznaczonego na schemacie numerem

A. 3.
B. 40.
C. 10.
D. 49.
Obsługa, diagnozowanie oraz n…
Osoba diagnozująca w stacji kontroli pojazdów ma obowiązek zweryfikować zgodność numeru VIN zawartego w dowodzie rejestracyjnym z numerem VIN umieszczonym
A. na desce rozdzielczej, widocznym przez szybę przednią
B. w karcie pojazdu
C. na elemencie nadwozia wymienionym w homologacji
D. w polisie ubezpieczenia OC pojazdu
Obsługa, diagnozowanie oraz n…
Jaką jednostką wyraża się natężenie oświetlenia przy diagnostyce świateł mijania?
A. w lumenach
B. w watach
C. w luksach
D. w kandelach
MOT.02 Pytanie 2999
Obsługa, diagnozowanie oraz n…
Na rysunku przedstawiono element układu

A. oświetlenia.
B. rozruchu.
C. zapłonowego.
D. wydechowego.
Organizacja i prowadzenie pro…
Aby jednoznacznie zidentyfikować pojazd samochodowy i złożyć zamówienie na części zamienne niezbędne do naprawy, należy podać
A. rok produkcji.
B. numer silnika.
C. numer VIN.
D. model samochodu.