Filtrowanie pytań
Obsługa, diagnozowanie oraz n…
A. niewystarczającym skokiem jałowym pedału sprzęgła
B. zużyciem łożysk w skrzyni biegów
C. nadmiernym skokiem jałowym pedału sprzęgła
D. zużyciem zębatek w skrzyni biegów
Obsługa, diagnozowanie oraz n…
Ciśnienie podciśnienia to ciśnienie, które jest
A. równe ciśnieniu atmosferycznemu na poziomie morza
B. niższe od ciśnienia atmosferycznego
C. równe ciśnieniu atmosferycznemu
D. wyższe od ciśnienia atmosferycznego
Obsługa, diagnozowanie oraz n…
Zabrudzony filtr powietrza powoduje
A. spadek mocy silnika
B. nierównomierność prędkości obrotowej na biegu jałowym silnika
C. utrudniony rozruch zimnego silnika
D. wzrost zużycia paliwa
MOT.05 Pytanie 3004
Obsługa, diagnozowanie oraz n…
Na rysunku przedstawiono mechanika, który

A. przystąpi do doważania koła.
B. używa podstawki warsztatowej w celu zmniejszenia obciążeń kręgosłupa.
C. sprawdza luzy w łożysku piasty.
D. sprawdza luzy w zawieszeniu pojazdu przy pomocy szarpaka.
Obsługa, diagnozowanie oraz n…
Z jakiego surowca produkowane są końcówki biegunowe akumulatora kwasowego?
A. Mosiądzu
B. Ołowiu
C. Miedzi
D. Cyny
Obsługa, diagnozowanie oraz n…
Odśrodkowy regulator prędkości obrotowej zastosowany jest
A. w pompie tłoczkowej niskiego ciśnienia.
B. w przepompowej pompie paliwa silnika z zapłonem iskrowym.
C. w rzędowej pompie wtryskowej.
D. w pompie paliwowej wysokiego ciśnienia w układzie Common Rail.
Obsługa, diagnozowanie oraz n…
Przedstawione na rysunku urządzenie służy do sprawdzania

A. stanu technicznego akumulatora.
B. sprawności świec zapłonowych.
C. prądu pobieranego przez rozrusznik.
D. prądu ładowania alternatora.
Organizacja i prowadzenie pro…
Na stacji kontrolnej pojazdów nie przeprowadza się obowiązkowych
A. badań technicznych pojazdów zasilanych gazem
B. badań technicznych po anulowaniu dowodu rejestracyjnego
C. badań technicznych po incydencie drogowym lub wypadku
D. okresowych badań technicznych przyczep o dmc nieprzekraczającej 750 kg
Obsługa, diagnozowanie oraz n…
Jak ocenia się skuteczność działania tłumika spalin?
A. za pomocą analizatora spalin
B. na hamowni
C. z wykorzystaniem skanera diagnostycznego OBD
D. przy użyciu decybelomierza
MOT.02 Pytanie 3010
Obsługa, diagnozowanie oraz n…
Zbyt wysokie ciśnienie w oponach skutkuje
A. wydłużeniem odległości hamowania
B. zwiększeniem spalania paliwa
C. podgrzewaniem opon
D. polepszeniem trwałości ogumienia
Obsługa, diagnozowanie oraz n…
Ustalana przez producenta kolejność dokręcania śrub/nakrętek głowicy rzędowego silnika wielocylindrowego odbywa się według zasady
A. kolejno od strony napędu wałka rozrządu.
B. kolejno od strony skrzyni biegów.
C. od środka do zewnątrz.
D. od zewnątrz do środka.
Obsługa, diagnozowanie oraz n…
Czujniki magnetoindukcyjne wykorzystywane w systemach zapłonowych silników ZI zlikwidowały
A. cewkę zapłonową
B. przerywacz
C. rozdzielacz zapłonu
D. czujnik położenia wału korbowego silnika
Obsługa, diagnozowanie oraz n…
Podczas demontażu łożysk z uszczelniającym pierścieniem, siłę należy kierować bezpośrednio na
A. niedemontowalny pierścień łożyska
B. zdejmowany pierścień łożyska
C. elementy toczne łożyska
D. wszystkie części łożyska
MOT.02 Pytanie 3014
Obsługa, diagnozowanie oraz n…
Przed oddaniem pojazdu do serwisu, zanim zostanie on przekazany mechanikowi, należy
A. sprawdzić głębokość bieżnika
B. zweryfikować funkcjonowanie wyposażenia
C. ochronić wnętrze przed zanieczyszczeniem
D. sprawdzić datę pierwszej rejestracji pojazdu
MOT.02 Pytanie 3015
Obsługa, diagnozowanie oraz n…
Tabela przedstawia pomiary parametrów wtryskiwaczy. Który pomiar wskazuje na uszkodzenie wtryskiwacza?
| Pomiar | Zmierzona wartość rezystancji cewki wtryskiwacza [Ω] | Zmierzona wartość rezystancji pomiędzy stykiem wtryskiwacza a jego korpusem [MΩ] |
|---|---|---|
| 1. | 0,40 | →∞ |
| 2. | 0,50 | →∞ |
| 3. | 0,65 | →∞ |
| 4. | 0,55 | →∞ |
| Rezystancja przewodów wynosi 0,2 [Ω] | ||
| Uwaga: Rezystancja cewki wtryskiwacza stanowi różnicę pomiędzy zmierzoną wartością i rezystancją przewodów. Nominalna rezystancja cewki wtryskiwacza: 0,3 – 0,5[Ω]. Rezystancja pomiędzy stykiem wtryskiwacza a jego korpusem →∞ | ||
A. 3
B. 2
C. 4
D. 1
Obsługa, diagnozowanie oraz n…
Oblicz koszt wymiany świec żarowych w czterocylindrowym silniku. Cena jednej świecy wynosi 25 zł, a koszt wymiany jednej świecy to 10 zł?
A. 220 zł
B. 300 zł
C. 180 zł
D. 140 zł
MOT.05 Pytanie 3017
Obsługa, diagnozowanie oraz n…
Do specyfikacji technicznych i eksploatacyjnych pojazdu zaliczamy:
A. pojemność, konstrukcja, pochodzenie, wpływ na środowisko
B. marka, typ napędu, koszty obsługi, przeznaczenie
C. wymiary, masa, parametry ruchowe i ekonomiczne
D. awaryjność, cena, przebieg, parametry ruchowe
Obsługa, diagnozowanie oraz n…
Którego układu dotyczy przedstawiona na fotografii lampka sygnalizacyjna?

A. TC.
B. Hamulcowego.
C. ESP.
D. Sterowania silnika.
Obsługa, diagnozowanie oraz n…
Pokazany na zdjęciu element należy do układu

A. rozruchowego.
B. zasilania silnika.
C. ABS.
D. klimatyzacji.
Obsługa, diagnozowanie oraz n…
Złączenie elementów składowych podłogi w samochodzie osobowym zazwyczaj realizuje się poprzez
A. lutowanie
B. klejenie
C. kręcenie
D. zgrzewanie
MOT.02 Pytanie 3021
Obsługa, diagnozowanie oraz n…
W celu kompleksowej analizy obwodów elektrycznych odpowiedzialnych za sterowanie silnikiem w samochodzie wykorzystuje się
A. stroboskopy
B. wskaźniki napięcia
C. mierniki uniwersalne
D. czytniki OBD - testery
Obsługa, diagnozowanie oraz n…
Elementem magazynującym sprężone powietrze w pneumatycznym układzie hamulcowym, jest
A. manometr.
B. poduszka powietrzna.
C. siłownik pneumatyczny.
D. zbiornik powietrza.
Obsługa, diagnozowanie oraz n…
Przyczyną "przekrzywienia" koła kierownicy w lewą stronę po wcześniejszym najazdowaniu prawym przednim kołem na dużą wyrwę w nawierzchni może być
A. skrzywienie rantu obręczy koła
B. zmiana wyważenia koła
C. skrzywienie drążka kierowniczego
D. uszkodzenie kordu opony
Obsługa, diagnozowanie oraz n…
Na rysunku przedstawiono charakterystykę diody LED wykorzystywanej w układzie oświetleniowym samochodu. Przy napięciu zasilania 3,5 V prąd diody wynosi około

A. 500 mA
B. 120 mA
C. 230 mA
D. 650 mA
Obsługa, diagnozowanie oraz n…
Podczas wypełniania karty gwarancyjnej montowanego w pojeździe akumulatora należy podać
A. moc silnika pojazdu.
B. datę zamontowania akumulatora.
C. datę pierwszej rejestracji pojazdu.
D. dane teleadresowe właściciela pojazdu.
MOT.05 Pytanie 3026
Obsługa, diagnozowanie oraz n…
Omomierza można użyć do kontroli czujnika
A. położenia przepustnicy.
B. manometrycznego.
C. zegarowego.
D. Halla.
Obsługa, diagnozowanie oraz n…
Gdzie stosuje się tłumik drgań skrętnych?
A. w synchronizatorze
B. w przegubie napędowym
C. w tarczy sprzęgła
D. w wale napędowym
MOT.02 Pytanie 3028
Obsługa, diagnozowanie oraz n…
Podczas jazdy pojawia się informacja o nieprawidłowym działaniu systemu ESP. Przyczyną nieprawidłowego działania tego układu może być
A. uszkodzenie w układzie czujników ABS.
B. nieprawidłowa praca obrotomierza.
C. nieprawidłowa geometria układu kierowniczego.
D. nieprawidłowa praca prędkościomierza.
Obsługa, diagnozowanie oraz n…
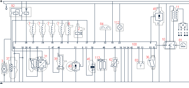
Element oznaczony na schemacie symbolem "X" to

A. bezpiecznik.
B. włącznik zapłonu (stacyjka).
C. przekaźnik.
D. rozdzielacz wysokiego napięcia.
Obsługa, diagnozowanie oraz n…
Durale to określenie stopów, które w przeważającej mierze zawierają
A. miedź
B. aluminium
C. magnez
D. ołów
Obsługa, diagnozowanie oraz n…
Nadmierne zużycie opon na obu zewnętrznych krawędziach bieżnika jest skutkiem
A. za wysokiego ciśnienia w ogumieniu.
B. zbyt niskiego ciśnienia w ogumieniu.
C. nieprawidłowej zbieżności.
D. nieodpowiedniego kąta nachylenia osi sworznia zwrotnicy.
MOT.02 Pytanie 3032
Obsługa, diagnozowanie oraz n…
Który z uszkodzonych podzespołów pojazdu samochodowego może być poddany naprawie lub regeneracji?
A. Świeca żarowa.
B. Cewka zapłonowa.
C. Alternator.
D. Czujnik indukcyjny.
Obsługa, diagnozowanie oraz n…
Posługując się amperomierzem cęgowym, można dokonać pomiaru
A. natężenia prądu podczas pracy rozrusznika.
B. natężenia prądu w antenie samochodowej.
C. napięcia zasilania układu zapłonowego.
D. pracy regulatora napięcia.
Obsługa, diagnozowanie oraz n…
W skład asystenta hamowania BAS wchodzi
A. stałe wsparcie
B. wygoda podczas jazdy
C. elementy bezpieczeństwa biernego
D. bezpieczeństwo czynne
Organizacja i prowadzenie pro…
Mechanik zajmujący się naprawą pojazdu powinien informować o problemach technicznych
A. pracownikowi księgowości.
B. osobie odpowiedzialnej za magazyn.
C. swojemu bezpośredniemu przełożonemu.
D. działowi kadr.
Obsługa, diagnozowanie oraz n…
Urządzenie do pomiaru rezystancji wykazało wartość 2,2 [MΩ], co sugeruje, że w jednostce podstawowej ta liczba wynosi
A. 2200000 [Ω]
B. 220000 [Ω]
C. 22000 [Ω]
D. 22000000 [Ω]
Obsługa, diagnozowanie oraz n…
Bezdotykowy pomiar temperatury elementów silnika wykonuje się
A. stroboskopem.
B. pirometrem.
C. refraktometrem.
D. multimetrem.
Obsługa, diagnozowanie oraz n…
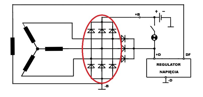
Na fotografii przedstawiono

A. diodę prostowniczą.
B. cewkę elektromagnetyczną.
C. kontaktron.
D. transformator.
Obsługa, diagnozowanie oraz n…
Który z wymienionych elementów nie podlega regeneracji?
A. Prądnica.
B. Wtryskiwacz paliwa.
C. Turbosprężarka.
D. Kurtyna powietrzna.
Obsługa, diagnozowanie oraz n…
Co należy zrobić w przypadku wykrycia nieszczelności w układzie wydechowym?
A. Zmniejszyć obroty silnika
B. Wymienić uszkodzone elementy układu
C. Zwiększyć ciśnienie w układzie
D. Zastosować taśmę uszczelniającą