Do montażu dźwigu należy użyć liny 8 x 19 SEAL + FC (z rdzeniem włókiennym) przedstawionej na rysunku








| Lp. | Nazwa części | Jm. | Cena netto [zł] | Cena brutto [zł] |
|---|---|---|---|---|
| 1 | Prowadnik drzwi | 1 szt. | 25,00 | 30,75 |
| 2 | Linia stalowa | 1 m | 80,00 | 98,40 |
| 3 | Wkładka prowadnika | 1 szt. | 17,50 | 21,53 |


| Nazwa elementu | Oznaczenie paczki |
|---|---|
| Sygnalizacja szybowa | PACK001-2 |
| Napęd i sterowanie | PACK003-2 |
| Panele kabiny | PACK003-1 |
| Sufit ozdobny | PACK003-3 |
| Kable zwisowe i szybowe | PACK006-5 |
| Dach kabiny | PACK007-1 |
| Łączniki końcowe | PACK008-1 |
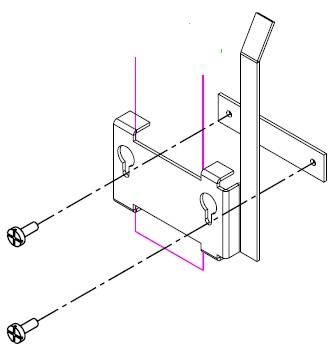
| Prowadnica przeciwwagi | PACK008-2 |
| Prowadnica kabiny | PACK008-3 |
| nr katalogowy | max średnica liny [mm] | wymiary [mm] | moment dokręcenia [Nm] | liczba kabłąków | ||
|---|---|---|---|---|---|---|
| d | L₁ | L₂ | ||||
| 01947 | 8 | M8 | 41 | 18 | 6 | 4 |
| 01948 | 10 | M8 | 46 | 20 | 9 | 4 |
| 01950 | 12 | M10 | 56 | 24 | 20 | 4 |
| 78144 | 13 | M12 | 64 | 27 | 33 | 4 |
| 78145 | 14 | M12 | 66 | 28 | 33 | 4 |
| 01951 | 16 | M14 | 76 | 32 | 49 | 4 |
| 01952 | 19 | M14 | 83 | 36 | 68 | 5 |


| Fazy | Etapy instalacji | Monterzy | |
|---|---|---|---|
| Prace przygotowawcze | 1Próba haków do podnoszenia | X | |
| 2Montaż lin bezpieczeństwa | X | ||
| 3Zabezpieczenie szybu | X | X | |
| 4Przeniesienie sprzętu do podnoszenia na najwyższy przystanek | X | X | |
| 5Przeniesienie narzędzi na najwyższy przystanek | X | ||
| 6Przymocowanie sprzętu do podnoszenia do spocznika ostatniego piętra | X | ||
| #1 - monter pierwszy #2 - monter drugi | #1 | #2 | |
| Dobór przewodów i zabezpieczeń linii zasilającej | ||||||
| Moc silnika | kW | 5 | 8 | 9,2 | 13,6 | 17 |
| Przekrój przewodu linii zasilającej | mm² | 4 | 6 | 10 | 16 | 16 - 25 |
| Zabezpieczenie w rozdzielni | A | B25 | B25 | C32 | B50 | B50-C63 |
| Max. długość linii zasilającej | m | 150 | 100 | 100 | 100 | 100 |












| Lp. | UDŹWIG Q [kg] | SZEROKOŚĆ KABINY Sk [mm] | GŁĘBOKOŚĆ KABINY Gk [mm] | WYSOKOŚĆ KABINY Wk [mm] | SZEROKOŚĆ DRZWI Sd [mm] | SZEROKOŚĆ SZYBU Sk [mm] | GŁĘBOKOŚĆ SZYBU Gk [mm] |
|---|---|---|---|---|---|---|---|
| 1. | 320 | 1000 | 900 | 2150 | 700 | 1600 | 1550 |
| 2. | 630 | 1400 | 1100 | 2150 | 800-900 | 1800-2000 | 1750 |
| 3. | 800 | 1400 | 1350 | 2150 | 800-1000 | 1800-2200 | 2000 |
| 4. | 1000 | 1600 | 1400 | 2150 | 900-1100 | 2000-2400 | 2050 |
| 5. | 1275 | 2000 | 1400 | 2150 | 1100 | 2400 | 2050 |
| 6. | 1600 | 2100 | 1600 | 2150 | 1200 | 2600 | 2250 |
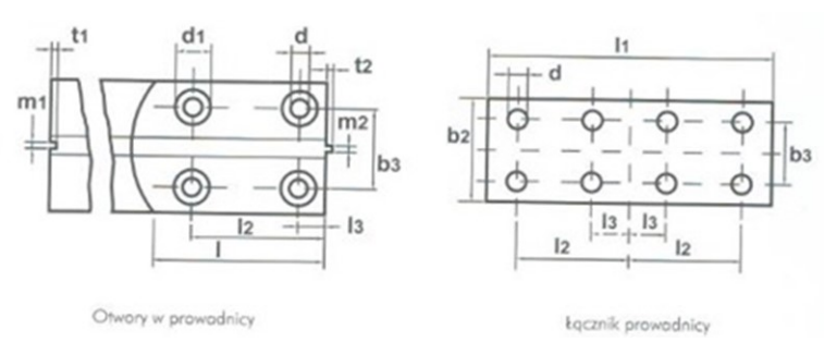
| Wymiary prowadnic ciągnionych i łączników w [mm]: | ||||||||||
|---|---|---|---|---|---|---|---|---|---|---|
| Kod prod. | Oznaczenie wg ISO 7465 | t₁ | d | d₁ | l | b₂ | b₃ | l₁ | l₂ | l₃ |
| GF 975 | T 90/A | 4,5 | 13 | 26 | 123 | 90 | 60 | 240 | 90 | 30 |
| GF 125 | T 125/A | 4,5 | 17 | 33 | 153 | 120 | 76 | 300 | 125 | 25 |

