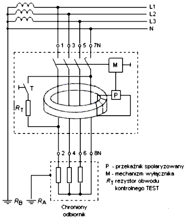
Narzędzie pomiarowe przedstawione na rysunku przeznaczone jest do













| Nazwa elementu | Oznaczenie paczki |
|---|---|
| Sygnalizacja szybowa | PACK001-2 |
| Napęd i sterowanie | PACK003-2 |
| Panele kabiny | PACK003-1 |
| Sufit ozdobny | PACK003-3 |
| Kable zwisowe i szybowe | PACK006-5 |
| Dach kabiny | PACK007-1 |
| Łączniki końcowe | PACK008-1 |
| Prowadnica przeciwwagi | PACK008-2 |
| Prowadnica kabiny | PACK008-3 |








| Dobór przewodów i zabezpieczeń linii zasilającej | ||||||
| Moc silnika | kW | 5 | 8 | 9,2 | 13,6 | 17 |
| Przekrój przewodu linii zasilającej | mm² | 4 | 6 | 10 | 16 | 16 - 25 |
| Zabezpieczenie w rozdzielni | A | B25 | B25 | C32 | B50 | B50-C63 |
| Max. długość linii zasilającej | m | 150 | 100 | 100 | 100 | 100 |














| Tabela: Wymiary kabiny dźwigu | |||||||
|---|---|---|---|---|---|---|---|
| Lp. | UDŹWIG Q [kg] | SZEROKOŚĆ KABINY Sk [mm] | GŁĘBOKOŚĆ KABINY Gk [mm] | WYSOKOŚĆ KABINY Wk [mm]* | SZEROKOŚĆ DRZWI Sd [mm] | SZEROKOŚĆ SZYBU Sk [mm] | GŁĘBOKOŚĆ SZYBU Gk [mm] |
| 1. | 320 | 900 | 1000 | 2150 | 700 | 1550 | 1570 |
| 2. | 630 | 1100 | 1400 | 2150 | 800-900 | 1750 | 1970 |
| 3. | 800 | 1350 | 1400 | 2150 | 800-1000 | 2000 | 1970 |




| Zależność prędkości silnika elektrycznego od liczby biegunów i poślizgu | |||||||
|---|---|---|---|---|---|---|---|
| P - liczba par biegunów | 1 | 2 | 3 | 4 | 6 | 8 | 10 |
| nₛ - prędkość synchroniczna | 3000 | 1500 | 1000 | 750 | 500 | 375 | 300 |
| n – prędkość znamionowa zależna od obciążenia i poślizgu (s=0,04) | 2880 | 1440 | 960 | 720 | 480 | 360 | 288 |

