Filtrowanie pytań
Administracja i eksploatacja …
A. net config
B. net user
C. net computer
D. net accounts
Administracja i eksploatacja …
Jaki instrument służy do określania długości oraz tłumienności kabli miedzianych?
A. Miernik mocy
B. Woltomierz
C. Omomierz
D. Reflektometr TDR
Administracja i eksploatacja …
Jakim materiałem eksploatacyjnym posługuje się kolorowa drukarka laserowa?
A. przetwornik CMOS
B. podajnik papieru
C. kartridż z tonerem
D. pamięć wydruku
Administracja i eksploatacja …
Wskaż rodzaj wtyczki zasilającej, którą należy podłączyć do napędu optycznego podczas montażu komputera.

A. B
B. D
C. C
D. A
Administracja i eksploatacja …
Jaki procesor pasuje do płyty głównej o podanej specyfikacji?

A. D
B. B
C. C
D. A
Administracja i eksploatacja …
Ilustracja pokazuje panel ustawień bezprzewodowego urządzenia dostępowego, który umożliwia

A. ustawienie nazwy hosta
B. przypisanie adresów MAC do kart sieciowych
C. konfigurację serwera DHCP
D. określenie maski podsieci
Administracja i eksploatacja …
Jakie oznaczenie powinien mieć komputer, aby mógł zostać sprzedany na terenie Polski, zgodnie z Dyrektywami Rady Europy?

A. A
B. C
C. B
D. D
Administracja i eksploatacja …
W systemie Windows Server narzędzie, które pozwala na zarządzanie zasadami grupowymi, to
A. Konsola GPMC
B. Panel kontrolny
C. Menedżer procesów
D. Serwer DNS
Administracja i eksploatacja …
W dwóch sąsiadujących pomieszczeniach w pewnej firmie występują bardzo silne zakłócenia elektromagnetyczne. Aby osiągnąć jak największą przepustowość podczas działania istniejącej sieci LAN, jakie medium transmisyjne powinno zostać użyte?
A. kabel światłowodowy
B. skrętkę nieekranowaną
C. kabel telefoniczny
D. fale elektromagnetyczne w zakresie podczerwieni
Administracja i eksploatacja …
W technologii Ethernet 100Base-TX do przesyłania danych używane są żyły kabla UTP podłączone do pinów:
A. 1,2,5,6
B. 1,2,3,4
C. 4,5,6,7
D. 1,2,3,6
Administracja i eksploatacja …
Przydzielaniem adresów IP w sieci zajmuje się serwer
A. DHCP
B. WINS
C. NMP
D. DNS
Administracja i eksploatacja …
Jakiego typu dane są przesyłane przez interfejs komputera osobistego, jak pokazano na ilustracji?
| Bit startu | Bit danych | Bit danych | Bit stopu | Bit startu | Bit danych | Bit startu | Bit danych | Bit danych | Bit stopu | Bit startu | Bit danych | Bit stopu |
A. Szeregowy asynchroniczny
B. Równoległy synchroniczny
C. Szeregowy synchroniczny
D. Równoległy asynchroniczny
Administracja i eksploatacja …
Parametr pamięci RAM określany czasem jako opóźnienie definiuje się jako
A. Command Rate
B. RAS Precharge
C. CAS Latency
D. RAS to CAS Delay
Administracja i eksploatacja …
Na ilustracji zaprezentowany jest graficzny symbol

A. przełącznika
B. rutera
C. mostu sieciowego
D. zapory sieciowej
Administracja i eksploatacja …
Aby zwiększyć wydajność komputera, można zainstalować procesor obsługujący technologię Hyper-Threading, która pozwala na
A. wykonywanie przez jeden rdzeń procesora dwóch niezależnych zadań równocześnie
B. podniesienie częstotliwości pracy zegara
C. automatyczne dostosowanie częstotliwości rdzeni procesora w zależności od jego obciążenia
D. przesył danych pomiędzy procesorem a dyskiem twardym z szybkością działania procesora
Administracja i eksploatacja …
Diody LED RGB pełnią funkcję źródła światła w skanerach
A. płaskich CIS
B. bębnowych
C. kodów kreskowych
D. płaskich CCD
Administracja i eksploatacja …
Wyświetlony stan ekranu terminala został uzyskany podczas testu realizowanego w środowisku Windows. Techniczny pracownik zdobył w ten sposób informacje o:
C:\>tracert wp.pl
Trasa śledzenia do wp.pl [212.77.100.101]
przewyższa maksymalną liczbę przeskoków 30
1 2 ms 3 ms 2 ms 192.168.0.1
2 * 8 ms 10 ms 10.135.96.1
3 * * * Upłynął limit czasu żądania.
4 9 ms 7 ms 10 ms upc-task-gw.task.gda.pl [153.19.0.5]
5 16 ms 9 ms 9 ms ci-wp-rtr.wp.pl [153.19.102.1]
6 91 ms * 10 ms zeu.ptr02.adm.wp-sa.pl [212.77.105.29]
7 11 ms 10 ms 11 ms www.wp.pl [212.77.100.101]
Śledzenie zakończone.
C:\>
Trasa śledzenia do wp.pl [212.77.100.101]
przewyższa maksymalną liczbę przeskoków 30
1 2 ms 3 ms 2 ms 192.168.0.1
2 * 8 ms 10 ms 10.135.96.1
3 * * * Upłynął limit czasu żądania.
4 9 ms 7 ms 10 ms upc-task-gw.task.gda.pl [153.19.0.5]
5 16 ms 9 ms 9 ms ci-wp-rtr.wp.pl [153.19.102.1]
6 91 ms * 10 ms zeu.ptr02.adm.wp-sa.pl [212.77.105.29]
7 11 ms 10 ms 11 ms www.wp.pl [212.77.100.101]
Śledzenie zakończone.
C:\>
A. ścieżce do docelowej lokalizacji
B. możliwościach diagnozowania struktury systemu DNS
C. sprawności łącza przy użyciu protokołu IPX/SPX
D. poprawności ustawień protokołu TCP/IP
Administracja i eksploatacja …
Która struktura partycji pozwala na stworzenie do 128 partycji podstawowych na pojedynczym dysku?
A. NTLDR
B. GPT
C. MBR
D. BOOT
Administracja i eksploatacja …
Dostosowanie ustawień parametrów TCP/IP urządzenia na podstawie adresu MAC karty sieciowej jest funkcją protokołu
A. DNS
B. DHCP
C. FTP
D. HTTP
Administracja i eksploatacja …
Aby przeprowadzić rezerwację adresów IP w systemie Windows Server na podstawie fizycznych adresów MAC urządzeń, konieczne jest skonfigurowanie usługi
A. DHCP
B. DNS
C. NAT
D. RRAS
Administracja i eksploatacja …
W którym systemie operacyjnym może pojawić się komunikat podczas instalacji sterowników dla nowego urządzenia?
| System.......nie może zweryfikować wydawcy tego sterownika. Ten sterownik nie ma podpisu cyfrowego albo podpis nie został zweryfikowany przez urząd certyfikacji. Nie należy instalować tego sterownika, jeżeli nie pochodzi z oryginalnego dysku producenta lub od administratora systemu. |
A. Windows 98
B. Linux
C. Windows XP
D. Unix
Administracja i eksploatacja …
Jak wygląda liczba 51210) w systemie binarnym?
A. 10000000
B. 100000
C. 1000000000
D. 1000000
Administracja i eksploatacja …
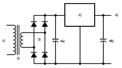
Na schemacie blokowym przedstawiającym zasadę działania zasilacza liniowego numerem 5) oznaczono

A. układ Graetza.
B. transformator.
C. wejście prądu przemiennego.
D. regulator napięcia prądu stałego.
Administracja i eksploatacja …
Na ilustracji pokazano przekrój kabla

A. koncentrycznego
B. S/UTP
C. optycznego
D. U/UTP
Administracja i eksploatacja …
Impulsator pozwala na testowanie uszkodzonych systemów logicznych w komputerze, między innymi poprzez
A. kalibrację mierzonych wartości elektrycznych
B. analizę stanów logicznych obwodów cyfrowych
C. odczytanie stanu wyjściowego układu
D. podanie na wejście układu sygnału wysokiego
Administracja i eksploatacja …
Kiedy użytkownik wprowadza w wierszu poleceń komendę ping www.onet.pl, otrzymuje komunikat: "Żądanie polecenia ping nie może znaleźć hosta www.onet.pl. Sprawdź nazwę i ponów próbę." Natomiast po wpisaniu polecenia ping 213.180.141.140 (adres IP serwera www.onet.pl) użytkownik otrzymuje odpowiedź z serwera. Jakie mogą być przyczyny tego zjawiska?
A. Błędny adres IP serwera DNS
B. Nieprawidłowo skonfigurowana maska podsieci
C. Błędny adres IP hosta
D. Nieprawidłowo skonfigurowana brama domyślna
Administracja i eksploatacja …
Jaki system operacyjny funkcjonuje w trybie tekstowym i umożliwia uruchomienie środowiska graficznego KDE?
A. Windows XP
B. DOS
C. Windows 95
D. Linux
Administracja i eksploatacja …
Urządzenie pokazane na ilustracji to

A. Tester długości przewodów
B. Tester diodowy kabla UTP
C. Zaciskarka do wtyków RJ45
D. Narzędzie do uderzeń typu krone
Administracja i eksploatacja …
Adres MAC (Medium Access Control Address) stanowi fizyczny identyfikator interfejsu sieciowego Ethernet w obrębie modelu OSI
A. drugiej o długości 48 bitów
B. drugiej o długości 32 bitów
C. trzeciej o długości 32 bitów
D. trzeciej o długości 48 bitów
Administracja i eksploatacja …
Aby aktywować zaprezentowane narzędzie systemu Windows, konieczne jest użycie komendy

A. net users
B. net localgroup
C. control userpasswords2
D. show userpasswords
Administracja i eksploatacja …
Administrator sieci komputerowej pragnie zweryfikować na urządzeniu z systemem Windows, które połączenia są aktualnie ustanawiane oraz na jakich portach komputer prowadzi nasłuch. W tym celu powinien użyć polecenia
A. arp
B. netstat
C. tracert
D. ping
Administracja i eksploatacja …
Zainstalowanie w komputerze przedstawionej karty pozwoli na

A. bezprzewodowe połączenie z siecią LAN z użyciem interfejsu BNC
B. rejestrację, przetwarzanie oraz odtwarzanie obrazu telewizyjnego
C. zwiększenie wydajności magistrali komunikacyjnej komputera
D. podłączenie dodatkowego urządzenia peryferyjnego, takiego jak skaner lub ploter
Administracja i eksploatacja …
Komputer zainstalowany w domenie Active Directory nie jest w stanie nawiązać połączenia z kontrolerem domeny, na którym znajduje się profil użytkownika. Jaki rodzaj profilu użytkownika zostanie stworzony na tym urządzeniu?
A. Obowiązkowy
B. Tymczasowy
C. Lokalny
D. Mobilny
Administracja i eksploatacja …
Sygnał kontrolny generowany przez procesor, umożliwiający zapis do urządzeń wejściowych i wyjściowych, został na diagramie oznaczony numerem

A. 4
B. 3
C. 1
D. 2
INF.02 Pytanie 3595
Administracja i eksploatacja …
Jak można zwolnić miejsce na dysku, nie tracąc przy tym danych?
A. defragmentację dysku
B. backup dysku
C. oczyszczanie dysku
D. sprawdzanie dysku
Administracja i eksploatacja …
Problemy związane z zawieszaniem się systemu operacyjnego w trakcie jego uruchamiania są zazwyczaj spowodowane
A. niewystarczającą ilością pamięci RAM
B. fragmentacją dysku SSD
C. umieszczeniem nośnika instalacyjnego systemu w napędzie optycznym
D. niepoprawną instalacją oprogramowania, np. sterowników
Administracja i eksploatacja …
Jakie protokoły są używane w komunikacji między hostem a serwerem WWW po wpisaniu URL w przeglądarkę internetową hosta?
A. HTTP, TCP, IP
B. FTP, UDP, IP
C. HTTP, ICMP, IP
D. HTTP, UDP, IP
Administracja i eksploatacja …
Jakie oprogramowanie pełni rolę serwera DNS w systemie Linux?
A. CUPS
B. ProFTPD
C. APACHE
D. BIND
Administracja i eksploatacja …
Program df działający w systemach z rodziny Linux pozwala na wyświetlenie
A. tekstu, który odpowiada wzorcowi
B. danych dotyczących dostępnej przestrzeni na dysku
C. nazwa aktualnego katalogu
D. zawartości katalogu ukrytego
Administracja i eksploatacja …
Na fotografii ukazana jest pamięć o 168 stykach

A. SIMM
B. SIPP
C. SDRAM
D. RIMM