Filtrowanie pytań
Obsługa, diagnozowanie oraz n…
A. rozpoczynając od najdalszego koła od pompy hamulcowej
B. zgodnie z ruchem wskazówek zegara
C. w przeciwnym kierunku do ruchu wskazówek zegara
D. rozpoczynając od najbliższego koła do pompy hamulcowej
MOT.02 Pytanie 642
Obsługa, diagnozowanie oraz n…
Zgaśnięcie lampki sygnalizacyjnej ciśnienia oleju tylko przy wyższej prędkości obrotowej silnika oznacza
A. o zużyciu pompy oleju
B. o zbyt małej ilości oleju w silniku
C. o awarii czujnika lampki kontrolnej
D. o użyciu niewłaściwego rodzaju oleju
Obsługa, diagnozowanie oraz n…
Klema pirotechniczna jest elementem odpowiedzialnym za
A. odłączenie akumulatora podczas kolizji.
B. wystrzał poduszek gazowych.
C. zablokowanie pasa bezpieczeństwa podczas kolizji.
D. podniesienie wydajności akumulatora podczas rozruchu.
Organizacja i prowadzenie pro…
Podstawowym wyposażeniem warsztatu zajmującego się diagnostyką oraz naprawą systemów zawieszeń pojazdów jest
A. maszyna do wyważania kół
B. stanowisko do testowania na rolkach
C. płyta najazdowa
D. urządzenie typu szarpak
Obsługa, diagnozowanie oraz n…
Aby zmierzyć natężenie prądu pobieranego przez odbiornik w elektrycznej instalacji pojazdu, trzeba podłączyć
A. woltomierz w równoległym połączeniu z odbiornikiem
B. amperomierz w szeregowym połączeniu z odbiornikiem
C. amperomierz w równoległym połączeniu z odbiornikiem
D. woltomierz w szeregowym połączeniu z odbiornikiem
Obsługa, diagnozowanie oraz n…
Pojazd, który ma być wykorzystywany, nie podlega dodatkowym badaniom technicznym
A. jako taksówka osobowa
B. jako taksówka bagażowa
C. do przewozu drogowego towarów niebezpiecznych
D. jako pojazd do nauki jazdy
Obsługa, diagnozowanie oraz n…
W przypadku stwierdzenia uszkodzenia przegubu kulowego półosi napędowej, należy
A. poddać go naważaniu.
B. zastosować napawanie.
C. zastosować galwanizację.
D. wymienić go na nowy.
Obsługa, diagnozowanie oraz n…
Przyczyną „przekrzywienia” koła kierownicy w lewą stronę, po uprzednim najechaniu prawym przednim kołem w dużą wyrwę nawierzchni jezdni, może być
A. zmiana wyważenia koła.
B. skrzywienie drążka kierowniczego.
C. skrzywienie rantu obręczy koła.
D. uszkodzenie kordu opony.
Organizacja i prowadzenie pro…
Przedstawiony na rysunku przyrząd jest przeznaczony do pomiaru

A. bicia osiowego tarczy hamulcowej.
B. grubości panewek wału korbowego.
C. średnicy cylindra.
D. grubości tarcz hamulcowych.
Obsługa, diagnozowanie oraz n…
System ABS w samochodzie jest układem
A. zapobiegającym blokowaniu kół pojazdu podczas hamowania.
B. hamulcowym przedniej osi.
C. hamulcowym.
D. wspomagającym siły hamowania.
Obsługa, diagnozowanie oraz n…
Przystępując do demontażu silnika w pojeździe samochodowym należy
A. zabezpieczyć instalację elektryczną silnika lub, jeśli to konieczne, zdemontować ją.
B. zdemontować skrzynię biegów.
C. wyłączyć zapłon.
D. spuścić paliwo ze zbiornika.
Obsługa, diagnozowanie oraz n…
Odczytaj z charakterystyki wzorcowej regulatora odśrodkowego wartość kąta wyprzedzenia zapłonu dla prędkości obrotowej 2700 obr/min.

A. 9°
B. 3°
C. 6°
D. 12°
Obsługa, diagnozowanie oraz n…
Klient zgłosił się do stacji obsługi pojazdów na przegląd techniczny swojego samochodu Po wykonaniu przeglądu wymieniono olej silnikowy, filtr oleju silnikowego, filtr paliwa, filtr powietrza, płyn hamulcowy oraz klocki hamulcowe przednie. Wszystkie płyny eksploatacyjne i części klient dostarczył we własnym zakresie. Pracownik stacji obsługi, na podstawie danych z tabeli, wystawił fakturę na sumę
| Lp. | Nazwa usługi | Cena (brutto) |
|---|---|---|
| 1 | przegląd techniczny pojazdu | 90,00 zł |
| 2 | wymiana oleju przekładniowego, silnikowego | 20,00 zł |
| 3 | wymiana przednich klocków hamulcowych | 60,00 zł |
| 4 | wymiana tylnych klocków hamulcowych | 90,00 zł |
| 5 | wymiana tarcz hamulcowych | 80,00 zł |
| 6 | wymiana płynu hamulcowego | 30,00 zł |
| 7 | wymiana płynu chłodzącego | 25,00 zł |
| 8 | wymiana filtru kabinowego | 15,00 zł |
| 10 | wymiana filtru paliwa lub oleju | 10,00 zł |
| 11 | wymiana filtru powietrza | 15,00 zł |
A. 235 zł
B. 145 zł
C. 175 zł
D. 265 zł
Organizacja i prowadzenie pro…
Z jakiego materiału wykonano element samochodu, którego fragment naklejki przedstawiono na rysunku?

A. Z blachy stalowej.
B. Z blachy stalowej ocynkowanej.
C. Z tworzywa sztucznego.
D. Ze stopów aluminium.
Obsługa, diagnozowanie oraz n…
W najnowszych układach zasilania silnika z zapłonem samoczynnym typu Common rail paliwo jest sprężane do ciśnienia
A. 18 MPa
B. 2000 bar
C. 1000 atm
D. 10 kPa
MOT.02 Pytanie 656
Obsługa, diagnozowanie oraz n…
Gdy prędkość obrotowa biegu jałowego jest zbyt wysoka w samochodzie z silnikiem ZS, który ma elektroniczne sterowanie wtryskiem paliwa, należy w pierwszej kolejności zbadać działanie
A. wtryskiwaczy
B. czujnika położenia pedału gazu
C. przepływomierza powietrza
D. przestawiacza wtrysku
Obsługa, diagnozowanie oraz n…
Multimetrem cyfrowym (np. DT830) nie można

A. zmierzyć natężenia prądu pobieranego przez radioodtwarzacz w trybie czuwania.
B. sprawdzić ciągłości przewodów rozruchowych.
C. zmierzyć średnicy wewnętrznej klemy akumulatora.
D. zmierzyć napięcia ładowania na biegu jałowym.
MOT.02 Pytanie 658
Obsługa, diagnozowanie oraz n…
Korzystając z zamieszczonego cennika, oblicz całkowity koszt wymiany kamery cofania oraz lewej tylnej lampy zespolonej
| Cennik | ||
| L.p. | Wartość jednostkowa części (podzespołu) | Cena [PLN] |
| 1 | Kamera cofania | 110,00 |
| 2 | Prawy reflektor | 120,00 |
| 3 | Lewy reflektor | 130,00 |
| 4 | Tylna lampa zespolona (lewa lub prawa) | 80,00 |
| L.p. | Czas wykonania usługi (roboczogodzina) ¹⁾ | Roboczogodzina [rbg] |
| 1 | Wymiana kamery cofania | 0,30 |
| 2 | Wymiana reflektora ²⁾ | 1,20 |
| 3 | Wymiana tylnej lampy zespolonej ³⁾ | 0,70 |
| 4 | Ustawianie i regulacja świateł | 0,30 |
| ¹⁾ Koszt 1 roboczogodziny wynosi 120,00 PLN | ||
| ²⁾ Ten sam czas usługi dla wymiany lewego lub prawego reflektora | ||
| ³⁾ Ten sam czas usługi dla wymiany lewej lub prawej tylnej lampy zespolonej | ||
A. 290,00 PLN
B. 310,00 PLN
C. 350,00 PLN
D. 430,00 PLN
Obsługa, diagnozowanie oraz n…
Przegub Cardana wchodzi w skład
A. wału napędowego.
B. sprzęgła ciernego.
C. koła dwumasowego.
D. skrzyni biegów.
Obsługa, diagnozowanie oraz n…
W przypadku których napraw wykorzystuje się spawanie?
A. Przy naprawie uszkodzonych otworów gwintowanych w kadłubie silnika.
B. Przy usuwaniu odkształceń powierzchni uszczelniającej głowicy.
C. Przy usuwaniu pęknięć bloku silnika.
D. Przy naprawie gładzi cylindrowych.
Organizacja i prowadzenie pro…
Aby skutecznie przeprowadzić pomiar ciśnienia sprężania na rozgrzanym silniku, stan techniczny akumulatora oraz rozrusznika powinien zapewnić prędkość obrotową wału wynoszącą co najmniej
A. 80-90 obr/min
B. 50-70 obr/min
C. 20-40 obr/min
D. 100-110 obr/min
Obsługa, diagnozowanie oraz n…
Co należy zrobić w przypadku wykrycia nieszczelności w układzie wydechowym?
A. Zmniejszyć obroty silnika
B. Wymienić uszkodzone elementy układu
C. Zwiększyć ciśnienie w układzie
D. Zastosować taśmę uszczelniającą
Obsługa, diagnozowanie oraz n…
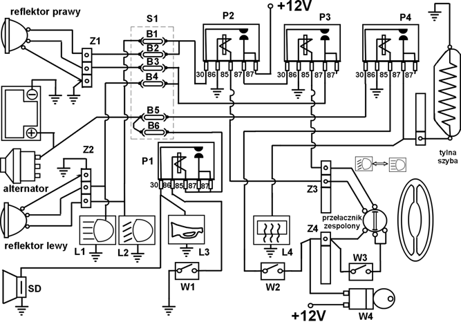
Przedstawiony na rysunku moduł elektroniczny to element układu

A. ładowania.
B. oświetlenia.
C. rozruchu.
D. zasilania.
Obsługa, diagnozowanie oraz n…
Na którym zdjęciu przedstawiono elektryczną pompę paliwa?

A. B.
B. A.
C. D.
D. C.
MOT.06 Pytanie 665
Organizacja i prowadzenie pro…
Jakie działania powinien podjąć mechanik, gdy podczas odpowietrzania systemu hamulcowego dojdzie do uszkodzenia uszczelniacza cylinderka?
A. Kontynuować rozpoczętą pracę, ponieważ układ hamulcowy jest dwuobwodowy
B. Skleić uszkodzony uszczelniacz
C. Poinformować klienta o potrzebie rozszerzenia zlecenia o wymianę tego elementu
D. Uzupełnić poziom płynu hamulcowego do oznaczonego stanu MAX
Obsługa, diagnozowanie oraz n…
EGR to skrót oznaczający system
A. wspomagania układu hamulcowego
B. wspomagania układu kierowniczego
C. recyrkulacji spalin
D. zmiennych faz rozrządu
Obsługa, diagnozowanie oraz n…
Rola stabilizatora w systemie zawieszenia samochodu
A. zmniejsza przechyły pojazdu w trakcie pokonywania zakrętów
B. redukuje wibracje przenoszone z kół na nadwozie
C. ogranicza obrót kół podczas jazdy po zakrętach
D. łączy układ kierowniczy z karoserią
MOT.02 Pytanie 668
Obsługa, diagnozowanie oraz n…
W warsztacie średnio w ciągu dnia przeprowadza się cztery wymiany oleju 10W40. W trzech pojazdach wymienia się żarówki typu H7, a w pięciu żarówki H4. Warsztat działa sześć dni w tygodniu. Jakie jest tygodniowe zapotrzebowanie na te materiały?
A. 18 baniek oleju 10W40, 50 żarówek H7 i 80 żarówek H4
B. 20 baniek oleju 10W40, 30 żarówek H7 i 50 żarówek H4
C. 15 baniek oleju 10W40, 48 żarówek H7 i 60 żarówek H4
D. 24 bańki oleju 10W40, 36 żarówek H7 i 60 żarówek H4
Obsługa, diagnozowanie oraz n…
Na tablicy wskaźników w pojeździe samochodowym pojawia się informacja o usterce systemu ABS. Którym przyrządem określa się usterkę tego układu?
A. Oscyloskopem elektronicznym.
B. Amperomierzem cęgowym.
C. Multimetrem uniwersalnym.
D. Diagnoskopem systemu OBD.
MOT.02 Pytanie 670
Obsługa, diagnozowanie oraz n…
Awaria systemu wtrysku paliwa z wtryskiwaczami piezoelektrycznymi, objawiająca się wydłużonym czasem otwierania jednego z wtryskiwaczy, jest naprawiana poprzez
A. przeprogramowanie jednostki sterującej silnika dla uszkodzonego wtryskiwacza
B. wymianę uszkodzonego wtryskiwacza
C. zwiększenie napięcia sterującego dostarczanego do uszkodzonego wtryskiwacza
D. wymianę i zakodowanie uszkodzonego wtryskiwacza
Obsługa, diagnozowanie oraz n…
Na rysunku twornik alternatora oznaczono numerem

A. 9
B. 8
C. 5
D. 7
Obsługa, diagnozowanie oraz n…
Którego układu dotyczy przedstawiona na fotografii lampka sygnalizacyjna?

A. Hamulcowego.
B. Sterowania silnika.
C. TC.
D. ESP.
Obsługa, diagnozowanie oraz n…
Jak sprawdza się szczelność przestrzeni nadtłokowej cylindrów silnika spalinowego w pojeździe?
A. ciśnienie sprężania
B. luzy w zaworach
C. płaszczyznę głowicy
D. średnicę cylindra
Obsługa, diagnozowanie oraz n…
W dzisiejszych systemach klimatyzacyjnych wykorzystywany jest
A. gaz R134a.
B. gaz R12.
C. butan.
D. hel.
Obsługa, diagnozowanie oraz n…
Jakie urządzenie wykorzystuje się do pomiaru oraz analizy przebiegów sygnałów elektrycznych i umożliwia ich wyświetlanie na monitorze?
A. miernik cęgowy
B. multimetr uniwersalny
C. oscyloskop
D. próbnik napięcia
Organizacja i prowadzenie pro…
Obowiązkowe oznaczenie, które powinno być stosowane na elementach wykonanych z tworzyw sztucznych w pojazdach, musi zawierać sygnaturę rodzaju materiału oraz
A. numer serii.
B. rok i miesiąc produkcji.
C. jego masę.
D. tylko rok produkcji.
Obsługa, diagnozowanie oraz n…
Przekładnia ślimakowo-kulkowa wykorzystywana jest w systemie
A. hamulcowym
B. zawieszenia
C. napędowym
D. kierowniczym
MOT.02 Pytanie 678
Obsługa, diagnozowanie oraz n…
Który z wymienionych podzespołów pojazdu samochodowego może wymagać okresowo przeglądu i konserwacji?
A. Czujnik temperatury silnika.
B. Przepływomierz powietrza.
C. Zawór recyrkulacji spalin.
D. Katalizator spalin.
Obsługa, diagnozowanie oraz n…
Po wymianie czujnika prędkości obrotowej koła konieczne jest przeprowadzenie
A. odczytu kodów błędów sterownika ABS
B. testu na stanowisku rolkowym
C. pomiaru długości drogi hamowania pojazdu
D. testu na szarpaku
Obsługa, diagnozowanie oraz n…
Element mechanizmu różnicowego oznaczony na rysunku strzałką to

A. pierścień ślizgowy.
B. satelita.
C. koło koronowe.
D. półoś.