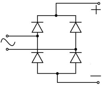
Na rysunku przedstawiono schemat układu elektronicznego, który należy zastosować do





| Lp. | Przegląd instalacji elektrycznej | Wynik przeglądu |
|---|---|---|
| 1 | Stan akumulatora | U |
| 2 | Poduszki powietrzne | D |
| 3 | Włączniki, wskaźniki, wyświetlacze | D |
| 4 | Reflektory | Prawy – D; Lewy – W |
| 5 | Ustawienie reflektorów | D |
| 6 | Wycieraczki | *Lewa – uszkodzone pióro, Prawa – D |
| 7 | Spryskiwacze | D |
| 8 | Oświetlenie wnętrza | D |
| 9 | Świece zapłonowe | **Dwie z czterech zużyte |
| W – wymienić; U – uzupełnić; D – stan dobry; R – przeprowadzić regulację * w przypadku zużycia jednego pióra zaleca się wymianę obydwu ** w przypadku zużycia zaleca się wymianę kompletu świec | ||
