Filtrowanie pytań
Obsługa, diagnozowanie oraz n…
A. 1000 atm
B. 18 MPa
C. 10 kPa
D. 2000 bar
Obsługa, diagnozowanie oraz n…
Tempomat to system, który pozwala na utrzymanie stałej prędkości pojazdu. Który element pełni rolę jego części roboczej?
A. Siłownik sprzęgła
B. Pompa hamulcowa
C. Nastawnik przepustnicy
D. Modulator hydrauliczny
Obsługa, diagnozowanie oraz n…
Przejazd samochodem przez płytę pomiarową w stacji kontroli pojazdów umożliwia pomiar
A. pochylenia koła jezdnego.
B. kąta pochylenia sworznia zwrotnicy.
C. zbieżności całkowitej.
D. kąta wyprzedzenia sworznia zwrotnicy.
Obsługa, diagnozowanie oraz n…
W silniku dwusuwowym o jednym cylindrze w trakcie suwu roboczego wał korbowy obraca się o kąt
A. 180°
B. 270°
C. 90°
D. 360°
Obsługa, diagnozowanie oraz n…
Rysunek przedstawia diodę

A. tunelową.
B. wsteczną.
C. Zenera.
D. pojemnościową.
Obsługa, diagnozowanie oraz n…
Na podstawie danych w tabeli wskaż, które części i materiały eksploatacyjne są niezbędne do wykonania usługi naprawy po wykonanym przeglądzie instalacji elektrycznej samochodu z silnikiem V8 4,2 344 KM.
| L.p. | Przegląd instalacji elektrycznej | Wynik przeglądu |
|---|---|---|
| 1 | Stan akumulatora | D/U¹⁾ |
| 2 | Poduszki powietrzne | D |
| 3 | Włączniki, wskaźniki, wyświetlacze | D |
| 4 | Reflektory | Lewy –D; Prawy – D/R |
| 5 | Ustawienie reflektorów | R |
| 6 | Wycieraczki | Lewa – uszkodzone pióro, Prawa – D²⁾ |
| 7 | Spryskiwacze | D/U |
| 8 | Oświetlenie wnętrza | D |
| 9 | Świece zapłonowe | Dwie zużyte³⁾ |
| 10 | Oświetlenie zewnętrzne | D |
| W – wymienić; U – uzupełnić płyny ; D – stan dobry; R – przeprowadzić regulację. ¹⁾ w przypadku akumulatora uzupełnić poziom elektrolitu ²⁾ w przypadku zużycia jednego pióra zaleca się wymianę kompletu piór ³⁾ w przypadku zużycia zaleca się wymianę kompletu świec | ||
A. Płyn do spryskiwaczy, prawy reflektor, woda destylowana, pióra wycieraczek.
B. Komplet świec, pióra wycieraczek, akumulator, płyn do spryskiwaczy.
C. Woda destylowana, pióra wycieraczek, płyn do spryskiwaczy, komplet świec.
D. Akumulator, prawy reflektor, pióra wycieraczek, płyn do spryskiwaczy.
Obsługa, diagnozowanie oraz n…
Aby zweryfikować działanie czujnika temperatury powietrza NTC wyjętego z pojazdu, należy użyć
A. woltomierza
B. amperomierza
C. wakuometru
D. omomierza
Obsługa, diagnozowanie oraz n…
System OBD wykorzystuje się do
A. niedopuszczenia do nadmiernego poślizgu kół pojazdu podczas przyspieszania.
B. zapobiegania blokowaniu kół pojazdu.
C. diagnostyki pokładowej.
D. oczyszczania spalin.
Organizacja i prowadzenie pro…
Jaki dokument stanowi podstawę do realizacji przez serwis naprawy na prośbę klienta?
A. Zlecenie wstępne
B. Karta zlecenia
C. Umowa o dzieło
D. Umowa zlecenie
Obsługa, diagnozowanie oraz n…
Jaki będzie całkowity koszt naprawy, jeżeli cena netto części zamiennych wynosi 500 zł, a koszt robocizny 200 zł netto przy stawce VAT 23% na części i 8% na usługę?
A. 700,00 PLN
B. 756,00 PLN
C. 831,00 PLN
D. 861,00 PLN
Obsługa, diagnozowanie oraz n…
Frekfencja migania świateł kierunkowskazów powinna wynosić
A. 90 do 30 błysków na minutę
B. 60 do 30 błysków na minutę
C. 120 do 30 błysków na minutę
D. 100 do 30 błysków na minutę
Obsługa, diagnozowanie oraz n…
Przedstawione na rysunku narzędzie jest przeznaczone do montażu

A. pierścieni zabezpieczających sworznie tłokowe.
B. pierścieni tłokowych.
C. metalowych opasek zaciskowych.
D. pierścieni Segera.
Obsługa, diagnozowanie oraz n…
Aby zmierzyć wielkość luzu na zamku pierścienia tłokowego, jaki przyrząd należy zastosować?
A. suwmiarka
B. czujnik zegarowy
C. mikrometr
D. szczelinomierz
Organizacja i prowadzenie pro…
Przy regulacji składu paliwa w silniku ZI należy wykorzystać
A. dymomierzem.
B. wakuometr.
C. analizatorem spalin.
D. menzurką pomiarową.
Obsługa, diagnozowanie oraz n…
Na rysunku jest przedstawiony fragment przekładni głównej

A. hipoidalnej.
B. walcowej.
C. ślimakowej.
D. planetarnej.
Obsługa, diagnozowanie oraz n…
Odblokowania czujnika wstrząsowego, blokującego zapłon w samochodzie, należy dokonać
A. przez zwarcie wyjścia czujnika.
B. kondensatorem.
C. urządzeniem startowym.
D. przez naciśnięcie przycisku zwalniającego.
Obsługa, diagnozowanie oraz n…
Który z komponentów obwodu elektrycznego można naprawić?
A. Bezpiecznik
B. Kondensator
C. Cewka zapłonowa
D. Alternator
Obsługa, diagnozowanie oraz n…
Wypełniając kartę gwarancyjną zamontowanego w pojeździe samochodowym rozrusznika z przesuwym zespołem sprzęgającym, należy podać
A. dane teleadresowe właściciela pojazdu.
B. model i pojemność akumulatora zamontowanego w pojeździe.
C. datę montażu rozrusznika.
D. datę pierwszej rejestracji pojazdu.
Obsługa, diagnozowanie oraz n…
Za pomocą klucza hakowego wykonuje się demontaż
A. filtra oleju.
B. łożyska tocznego.
C. wtryskiwacza.
D. łożyska ślizgowego.
Obsługa, diagnozowanie oraz n…
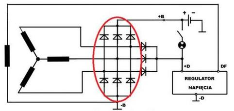
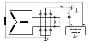
Aby dokonać kontrolnego pomiaru napięcia zasilania grzałki sondy lambda, woltomierz należy podłączyć pomiędzy masę a zacisk zasilania elementu oznaczonego na schemacie numerem

A. 40.
B. 31.
C. 49.
D. 37.
Obsługa, diagnozowanie oraz n…
Jakie narzędzie wykorzystuje się do pomiaru dopuszczalnego poprzecznego bicia tarczy hamulcowej?
A. średnicówka zegarowa
B. suwmiarka zegarowa
C. czujnik zegarowy z podstawką
D. liniał krawędziowy
MOT.02 Pytanie 62
Obsługa, diagnozowanie oraz n…
Zaświecenie się w czasie jazdy lampki kontrolnej przedstawionej na rysunku informuje kierowcę o usterce w układzie

A. sterowania silnika.
B. oświetlenia zewnętrznego.
C. chłodzenia.
D. hamulcowym.
Obsługa, diagnozowanie oraz n…
Z zamieszczonego obok wydruku z analizy spalin pojazdu wynika, że stężenie tlenu w spalinach wynosi
| RODZAJ PALIWA: Benzyna |
| POMIAR CIĄGŁY: |
| SILNIK T= 0°C ZA ZIMNY obj< 20 CO = 0.76 % obj CO2=12.68 % obj O2 = 3.21 % obj HC = 508 ppm obj λ =1.141 NOx= 120 ppm obj |
A. 3,21 %.
B. 508 ppm.
C. 12,60 %.
D. 1.141
Obsługa, diagnozowanie oraz n…
Aby napełnić zbiornik w systemie hamulcowym, należy użyć płynu eksploatacyjnego oznaczonego symbolem
A. WD-40
B. L-DAB
C. DOT-3
D. G12+
Obsługa, diagnozowanie oraz n…
Przed rozpoczęciem weryfikacji zbieżności kół konieczne jest
A. sprawdzić ciśnienie w oponach
B. unieruchomić pedał hamulca
C. zdjąć obciążenie z pojazdu
D. zablokować kierownicę
MOT.05 Pytanie 66
Obsługa, diagnozowanie oraz n…
Z zamieszczonego rysunku montażowego przedniego zawieszenia pojazdu wynika, że nakrętki łącznika stabilizatora należy dokręcać z momentem

A. 45 Nm
B. 20 Nm
C. 30 Nm
D. 85 Nm
Organizacja i prowadzenie pro…
Kto jest odpowiedzialny za rozliczenie i wystawienie faktury VAT za usługę naprawy pojazdu w Autoryzowanej Stacji Obsługi?
A. przedstawiciel handlowy
B. pracownik BOK
C. pracownik socjalny
D. mechanik
Obsługa, diagnozowanie oraz n…
Jakie dokumenty dotyczące pojazdu zakupionego na rynku wtórnym powinny być nieodłącznie przekazane nowemu właścicielowi?
A. Karta pojazdu, polisa ubezpieczenia AC oraz OC
B. Dowód rejestracyjny, faktura zakupu pojazdu
C. Książka serwisowa, karta pojazdu
D. Dowód rejestracyjny, karta pojazdu, polisa ubezpieczenia OC
Organizacja i prowadzenie pro…
Inspekcja techniczna pojazdu z instalacją gazową, wyprodukowanego w 2000 roku, powinna zostać zrealizowana w stacji kontroli pojazdów w terminie co
A. jeden rok
B. dwa lata
C. trzy lata
D. pół roku
Obsługa, diagnozowanie oraz n…
Zainstalowanie wtryskiwaczy w dolotowym kolektorze silnika ma miejsce w systemie zasilania
A. gaźnikowym
B. wtryskowym jednopunktowym
C. wtryskowym z wtryskiem pośrednim
D. wtryskowym z układem bezpośrednim
Obsługa, diagnozowanie oraz n…
Niski wynik uzyskany w pomiarze przeprowadzonym metodą Eusama wskazuje na potrzebę wymiany
A. hamulce tarczowe
B. amortyzatory
C. stabilizatory
D. sprężyny śrubowe zawieszenia
Obsługa, diagnozowanie oraz n…
Aby zmierzyć natężenie prądu w obwodzie zasilającym radio CB, multimetr należy włączyć
A. szeregowo z CB i przełączyć w tryb woltomierza.
B. równolegle do CB i przełączyć w tryb woltomierza.
C. równolegle do CB i przełączyć w tryb amperomierza.
D. szeregowo z CB i przełączyć w tryb amperomierza.
Obsługa, diagnozowanie oraz n…
Przedstawiony schemat położenia kół osi przedniej przedstawia

A. zbieżność dodatnią.
B. kąt pochylenia koła.
C. kąt wyprzedzenia osi sworznia zwrotnicy.
D. zbieżność ujemną.
Obsługa, diagnozowanie oraz n…
Wartość rezystancji włókna żarnika standardowej żarówki samochodowej 12VP21 pracującej w obwodzie prądu stałego wynosi około
A. 10,0 Ω
B. 0,6 Ω
C. 6,7 Ω
D. 2,8 Ω
MOT.06 Pytanie 75
Organizacja i prowadzenie pro…
Jakie działania powinien podjąć mechanik, gdy podczas odpowietrzania systemu hamulcowego dojdzie do uszkodzenia uszczelniacza cylinderka?
A. Uzupełnić poziom płynu hamulcowego do oznaczonego stanu MAX
B. Poinformować klienta o potrzebie rozszerzenia zlecenia o wymianę tego elementu
C. Kontynuować rozpoczętą pracę, ponieważ układ hamulcowy jest dwuobwodowy
D. Skleić uszkodzony uszczelniacz
Obsługa, diagnozowanie oraz n…
Jaką funkcję pełni system ABS?
A. Zapobiega poślizgowi kół podczas startu na śliskiej nawierzchni
B. Ułatwia hamowanie pojazdu w sytuacjach kryzysowych
C. Utrzymuje stabilność toru jazdy podczas pokonywania zakrętów
D. Chroni przed zablokowaniem kół podczas hamowania na śliskiej nawierzchni
Organizacja i prowadzenie pro…
Głównym celem komunikacji wewnętrznej w warsztacie samochodowym nie jest
A. wzmacnianie jedności zespołów w zakresie wykonania zadań
B. tworzenie odpowiednich relacji z klientami
C. tworzenie atmosfery zaufania wśród pracowników
D. zapewnienie przepływu informacji w obie strony
MOT.06 Pytanie 78
Organizacja i prowadzenie pro…
Dokumentacja serwisowa pojazdu dostarczona przez producenta zawiera dane
A. na temat częstotliwości oraz zakresu przeglądów serwisowych
B. o modelach oraz markach pojazdów tego typu
C. dotyczące kosztów przeglądów serwisowych
D. na temat ustawień zawieszenia
MOT.02 Pytanie 79
Obsługa, diagnozowanie oraz n…
Po przekręceniu kluczyka w stacyjce rozrusznik nie działa. Prawdopodobną przyczyną jest uszkodzenie
A. sprzęgła jednokierunkowego.
B. wieńca zębatego koła zamachowego.
C. wyłącznika elektromagnetycznego.
D. zębnika rozrusznika.
Obsługa, diagnozowanie oraz n…
Jaki jest podstawowy cel regulacji geometrii zawieszenia?
A. Poprawa wyglądu pojazdu
B. Zwiększenie mocy silnika
C. Zapewnienie stabilności prowadzenia pojazdu
D. Zmniejszenie zużycia paliwa