Filtrowanie pytań
Organizacja i prowadzenie pro…
A. 25%
B. 15%
C. 10%
D. 20%
Obsługa, diagnozowanie oraz n…
W oznaczeniu rozmiaru opony 225/65R17 101H literą R określono
A. promień opony.
B. dopuszczalną prędkość jazdy.
C. dopuszczalne obciążenie (nośność opony).
D. konstrukcję osnowy opony.
Obsługa, diagnozowanie oraz n…
Jaką gaśnicę należy wykorzystać do ugaszenia pożaru benzyny lub oleju napędowego, która jest oznaczona
A. literą A
B. literą C
C. literą B
D. literą D
Organizacja i prowadzenie pro…
W pojeździe osobowym właściwe napięcie ładowania alternatora powinno wynosić
A. od 12 do 13 V
B. od 13,8 do 14,5 V
C. od 12,4 do 13,5 V
D. dokładnie 12 V
MOT.02 Pytanie 885
Obsługa, diagnozowanie oraz n…
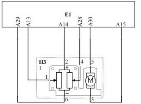
Dokonując pomiaru napięcia zasilania masowego przepływomierza powietrza z potencjometrem, woltomierz należy podłączyć do masy i wtyku oznaczonego cyfrą

A. 2
B. 5
C. 1
D. 6
Obsługa, diagnozowanie oraz n…
Aby przeprowadzić demontaż półosi napędowej z pojazdu, najpierw trzeba usunąć przegub
A. zewnętrzny z piasty koła
B. wewnętrzny z przekładni głównej
C. zewnętrzny z półosi napędowej
D. wewnętrzny z półosi napędowej
Obsługa, diagnozowanie oraz n…
Jaki jest łączny koszt wymiany łożyska w kole pojazdu, jeśli cena łożyska wynosi 100 zł, a czas pracy to 1 godzina 12 minut przy stawce za roboczogodzinę równiej 160 zł?
A. 192 zł
B. 292 zł
C. 260 zł
D. 132 zł
Obsługa, diagnozowanie oraz n…
Aby nie utracić danych zapisanych w pamięci urządzeń elektronicznych pojazdu podczas wymiany akumulatora samochodowego należy pamiętać o
A. podłączeniu akumulatora serwisowego do instalacji samochodu przed odłączeniem wymienianego akumulatora.
B. podłączeniu akumulatora serwisowego do instalacji samochodu po odłączeniu wymienianego akumulatora.
C. zdjęciu zacisku prądowego akumulatora w pierwszej kolejności.
D. zdjęciu zacisku masowego akumulatora w pierwszej kolejności.
Obsługa, diagnozowanie oraz n…
Na schematach elektrycznych małymi literami alfabetu oznacza się
A. materiał przewodów
B. kolory przewodów
C. grubość przewodów
D. materiał izolacji
Obsługa, diagnozowanie oraz n…
Przed rozpoczęciem weryfikacji zbieżności kół konieczne jest
A. sprawdzić ciśnienie w oponach
B. unieruchomić pedał hamulca
C. zablokować kierownicę
D. zdjąć obciążenie z pojazdu
Obsługa, diagnozowanie oraz n…
Na jaki kolor jest zabarwiony olej do automatycznej skrzyni biegów ATF?
A. Czerwony
B. Zielony
C. Fioletowy
D. Niebieski
Obsługa, diagnozowanie oraz n…
Przedstawiony na rysunku przyrząd służy do demontażu

A. wkładu filtra paliwa.
B. koła łańcuchowego układu rozrządu.
C. filtra oleju.
D. pompy wtryskowej.
Organizacja i prowadzenie pro…
Co należy zrobić z pozostałym olejem silnikowym po jego wymianie przez pracownika serwisu?
A. Poddać go procesowi rafinacji
B. Przekazać do utylizacji
C. Zneutralizować sorbentem
D. Spalić w piecu olejowym
Obsługa, diagnozowanie oraz n…
Na podstawie przedstawionych oscylogramów wskaż usterkę w badanym układzie prostownika.

A. Nastąpiło zwarcie diody D1 i D3.
B. Nastąpiła przerwa w obwodzie D1, R, D4.
C. Nastąpiło zwarcie diody D2 i D4.
D. Nastąpiła przerwa w obwodzie D2, R, D4.
MOT.02 Pytanie 895
Obsługa, diagnozowanie oraz n…
Jaki będzie całkowity koszt naprawy w silniku R4 1,4 16V Twin Spark, jeżeli stwierdzono uszkodzenie wszystkich świec oraz przewodów zapłonowych, a po naprawie zostanie wykonane kasowanie błędów z pamięci sterownika i jazda próbna?
| Lp. | Wartość jednostkowa części (podzespołu) | Wartość [PLN] |
|---|---|---|
| 1. | Świeca zapłonowa | 30,00 |
| 2. | Świeca żarowa | 20,00 |
| 3. | Zestaw przewodów wysokiego napięcia | 260,00 |
| Lp. | Wykonana usługa (czynność) | |
| 1. | Jazda próbna | 20,00 |
| 2. | Kasowanie błędów za pomocą testera | 50,00 |
| 3. | Wymiana świecy zapłonowej lub żarowej | 10,00 |
| 4. | Wymiana przewodów wysokiego napięcia | 40,00 |
A. 530,00 PLN
B. 370,00 PLN
C. 690,00 PLN
D. 420,00 PLN
Organizacja i prowadzenie pro…
Częścią wyposażenia pojazdu, która nie podlega naprawie, jest
A. kompresor układu klimatyzacji
B. przekładnia kierownicza
C. pirotechniczny napinacz pasów
D. wał korbowy
Organizacja i prowadzenie pro…
Co należy zrobić z urządzeniami pirotechnicznymi pojazdu samochodowego po jego skasowaniu?
A. zutylizować w kwasie solnym
B. poddać recyklingowi energetycznemu
C. sprasować, a potem przetopić
D. dezaktywować
Obsługa, diagnozowanie oraz n…
Przyczyną hałasu występującego tylko w czasie zmiany biegów w skrzyni manualnej jest uszkodzenie
A. łożysk kół jezdnych.
B. satelitów.
C. synchronizatorów.
D. przegubów.
Obsługa, diagnozowanie oraz n…
Po włączeniu świateł drogowych żadna żarówka H7 nie świeci. Stwierdzono, że przekaźnik świateł drogowych jest załączony, a próbnikiem potwierdzono napięcie na konektorach podłączenia żarówek. Opis wskazuje na uszkodzenie
A. przewodów zasilających żarówki H7.
B. przekaźnika.
C. włącznika świateł drogowych.
D. obu żarówek.
Obsługa, diagnozowanie oraz n…
Z rejonu mostu napędowego dochodzi do uciążliwego hałasu, który wzrasta podczas pokonywania zakrętów. Który z poniższych elementów może być jego przyczyną?
A. Przekładnia główna
B. Łożysko piasty koła
C. Półoś napędowa
D. Mechanizm różnicowy
Obsługa, diagnozowanie oraz n…
Którym z wymienionych przyrządów należy się posłużyć wykonując pomiar podciśnienia w układzie sterowania turbosprężarką?
A. Pirometrem.
B. Analizatorem spalin.
C. Wakuometrem.
D. Decybelomierzem.
Obsługa, diagnozowanie oraz n…
Demontaż za pomocą klucza hakowego odbywa się przy użyciu
A. łożyska tocznego
B. łożyska ślizgowego
C. wtryskiwacza
D. filtra oleju
Obsługa, diagnozowanie oraz n…
To metal o srebrzystobiałej barwie, odporny na działanie słabych kwasów oraz warunki atmosferyczne. Charakteryzuje się wysoką przewodnością elektryczną i cieplną, jest kowalny oraz nadaje się do odlewania. Stopy tego metalu są powszechnie wykorzystywane w przemyśle motoryzacyjnym. Który metal opisuje powyższe właściwości?
A. cynk
B. miedź
C. aluminium
D. stal
Obsługa, diagnozowanie oraz n…
Jaką wartość prądu powinien mieć bezpiecznik w pojeździe z instalacją 12 V, aby zabezpieczyć dodatkowo zainstalowany układ o mocy 180 W?
A. 10 A
B. 20 A
C. 5 A
D. 7,5 A
Obsługa, diagnozowanie oraz n…
Energia mechaniczna w silnikach cieplnych nie jest uzyskiwana w wyniku spalania
A. oleju silnikowego.
B. benzyny.
C. gazu ziemnego.
D. oleju napędowego.
Obsługa, diagnozowanie oraz n…
Przyczyną nadmiernego zużycia zewnętrznej części jednej z opon może być
A. zbyt wysokie ciśnienie w oponie
B. niewłaściwy kąt wyprzedzenia sworznia zwrotnicy
C. niewłaściwy kąt pochylenia koła
D. zbyt niskie ciśnienie w oponie
Obsługa, diagnozowanie oraz n…
Który z wymienionych elementów nie podlega regeneracji?
A. Kurtyna powietrzna.
B. Kompresor doładowania.
C. Rozrusznik.
D. Wtryskiwacz paliwa.
Obsługa, diagnozowanie oraz n…
Na schematach elektrycznych małymi literami alfabetu oznacza się
A. materiał przewodów.
B. grubość przewodów.
C. kolory przewodów.
D. materiał izolacji.
Obsługa, diagnozowanie oraz n…
Rękawice ochronne powinny być używane podczas prac
A. tokarsko - frezerskich.
B. przy elementach wirujących
C. przeładunkowych
D. w okolicy elementów obracających się
Obsługa, diagnozowanie oraz n…
Podczas badania układu zapłonowego spadki napięć na stykach przerywacza nie powinny przekraczać
A. 0,25V
B. 0,20V
C. 0,15V
D. 0,30V
Organizacja i prowadzenie pro…
Jakie symptomy mogą wystąpić w przypadku zablokowania układu odpowietrzającego skrzynię korbową silnika?
A. Podwyższenie temperatury silnika
B. Wycieki oleju z obszaru uszczelnień wału korbowego
C. Zwiększenie zadymienia spalin
D. Spadek poziomu cieczy chłodzącej silnika
Obsługa, diagnozowanie oraz n…
Do dokręcania nakrętki koła pasowego alternatora używa się klucza
A. dynamometrycznego.
B. płaskiego.
C. nasadowego i pokrętła.
D. oczkowo-fajkowego.
Obsługa, diagnozowanie oraz n…
Aluminiową chłodnicę z nieszczelnością należy
A. naprawić przy użyciu spawania
B. wymienić na nową
C. naprawić przy pomocy klejenia
D. naprawić wykorzystując lutowanie twarde
Obsługa, diagnozowanie oraz n…
Które urządzenie umożliwia wykonanie diagnostyki układu stabilizacji toru jazdy?
A. Tester diagnostyczny.
B. Decybelomierz.
C. Multimetr.
D. Tester drgań wymuszonych.
Obsługa, diagnozowanie oraz n…
Do pomiaru prądu o wartości powyżej 20 A należy zastosować
A. elektroniczny miernik cęgowy.
B. mostek Wheatstone’a.
C. multimetr cyfrowy DT 830 lub podobny.
D. mostek Thompsona.
Obsługa, diagnozowanie oraz n…
Na oponę przeznaczoną do samochodu dostawczego wskazuje oznaczenie
A. C
B. M+S
C. 3MPSF
D. M/C
Obsługa, diagnozowanie oraz n…
Jakim narzędziem dokonuje się pomiaru zużycia otworu tulei cylindrowej?
A. średnicówką mikrometryczną
B. szczelinomierzem
C. suwmiarką
D. liniałem krawędziowym
Obsługa, diagnozowanie oraz n…
Pomieszczenie, w którym przeprowadza się analizę spalin, powinno być wyposażone w
A. ogólną wentylację nawiewną
B. klimatyzację
C. wentylację grawitacyjną
D. odciąg spalin odprowadzający spaliny na zewnątrz
Obsługa, diagnozowanie oraz n…
W temperaturze +25 °C gęstość elektrolitu w akumulatorze w pełni naładowanym powinna wynosić
A. 1,20 g/cm3
B. 1,28 g/cm3
C. 1,16 g/cm3
D. 1,24 g/cm3
MOT.02 Pytanie 920
Obsługa, diagnozowanie oraz n…
Kontrolę pracy zaworu regulacji ciśnienia w zasobniku układu Common Rail przeprowadza się poprzez

A. pomiar natężenia prądu zasilającego.
B. badanie współczynnika wypełnienia sygnału sterującego.
C. pomiar napięcia zasilania.
D. badanie amplitudy sygnału sterującego.