Filtrowanie pytań
Obsługa, diagnozowanie oraz n…
A. redukcja drgań zawieszenia
B. ochrona silnika podczas kolizji
C. bezpieczeństwo aktywne
D. bezpieczeństwo pasywne
Organizacja i prowadzenie pro…
Gdzie w dowodzie rejestracyjnym pojazdu można odnaleźć dane dotyczące producenta pojazdu?
A. w trzech początkowych miejscach numeru VIN
B. w pierwszym miejscu segmentu VIS
C. w dziesiątym miejscu numeru VIN
D. w pierwszym miejscu segmentu VDS
Obsługa, diagnozowanie oraz n…
Optymalny poziom płynu chłodzącego w zbiorniku wyrównawczym powinien
A. być poniżej poziomu minimalnego.
B. przekraczać poziom maksymalny.
C. znajdować się pomiędzy poziomami oznaczającymi minimum i maksimum.
D. być poniżej dna zbiornika.
Obsługa, diagnozowanie oraz n…
W przekładni głównej mostu napędowego stosuje się najczęściej przekładnie
A. walcowe.
B. hipoidalne.
C. cierne.
D. ślimakowe.
Obsługa, diagnozowanie oraz n…
Refraktometr stosowany w motoryzacji nie nadaje się do wykonania pomiaru
A. gęstości elektrolitu w akumulatorze
B. temperatury krzepnięcia płynu chłodzącego
C. temperatury wrzenia płynu hamulcowego
D. temperatury krzepnięcia płynu do spryskiwacza
Obsługa, diagnozowanie oraz n…
Podczas diagnostyki układu elektrycznego pojazdu, mechanik powinien w pierwszej kolejności sprawdzić:
A. Przewody paliwowe
B. Pasy bezpieczeństwa
C. Bezpieczniki
D. Zawory dolotowe
Obsługa, diagnozowanie oraz n…
Złamanie bębnów hamulcowych
A. wymienia się na nowe.
B. można kleić po wcześniejszym fazowaniu pęknięcia.
C. naprawia się przez spawanie.
D. naprawia się przez ich kołkowanie.
Obsługa, diagnozowanie oraz n…
Aby zmierzyć temperaturę krzepnięcia płynu chłodzącego silnik, należy zastosować
A. pirometr
B. areometr
C. refraktometr
D. termometr
Obsługa, diagnozowanie oraz n…
Aby wykonać końcówki konektorowe na przewodach elektrycznych w pojeździe, jaka narzędzie powinno być użyte?
A. szczypce okrągłe
B. szczypce płaskie
C. obcęgi
D. zaciskarkę
Obsługa, diagnozowanie oraz n…
Ciśnienie powietrza w oponach pojazdu określane jest
A. w zależności od wzoru bieżnika.
B. dla określonego rozmiaru opon.
C. w zależności od sezonu.
D. przez wytwórcę pojazdu.
Obsługa, diagnozowanie oraz n…
Skrót TPMS na desce rozdzielczej samochodu oznacza, że pojazd jest wyposażony w
A. system sterowania aktywnym zawieszeniem
B. system monitorowania ciśnienia w oponach kół
C. układ przeciwpoślizgowy
D. diagnostyczne złącze komunikacyjne
Obsługa, diagnozowanie oraz n…
Jakie urządzenie pozwala na przeprowadzenie diagnostyki systemu stabilizacji toru jazdy?
A. Miernik dźwięku
B. Tester diagnostyczny
C. Tester wibracji wymuszonych
D. Miernik elektryczny
Obsługa, diagnozowanie oraz n…
Oprogramowaniem komputerowym oferującym dokumentację techniczną z opcją wyboru modułów zawierających informacje w zakresie konstrukcji, eksploatacji i naprawy różnych podzespołów pojazdów jest
A. CDIF
B. VAG-COM
C. VCDSu
D. ESI[tronic]
Obsługa, diagnozowanie oraz n…
Przekładnia mechaniczna, w której prędkość obrotowa wału wejściowego jest niższa od prędkości obrotowej wału wyjściowego, nosi nazwę
A. retarderem
B. reduktorem
C. zwolnicą
D. multiplikatorem
Obsługa, diagnozowanie oraz n…
Jakie informacje z dowodu rejestracyjnego pojazdu będzie potrzebował mechanik przy zamawianiu części zamiennych do naprawy pojazdu?
A. Numer identyfikacyjny pojazdu
B. Datę ważności przeglądu technicznego
C. Numer rejestracyjny oraz dane właściciela pojazdu
D. Datę pierwszej rejestracji w kraju
Obsługa, diagnozowanie oraz n…
Zadaniem gaźnika w pojeździe jest
A. podgrzewanie powietrza.
B. dozowanie paliwa i powietrza.
C. pompowanie paliwa.
D. regulowanie strumienia wtrysku.
Obsługa, diagnozowanie oraz n…
Amperomierz jest miernikiem, który służy do pomiaru
A. napięcia na biegunach akumulatora.
B. rezystancji cewki przekaźnika.
C. natężenia prądu ładowania.
D. pojemności kondensatora.
Organizacja i prowadzenie pro…
Silnik, w którym wałek rozrządu znajduje się w obudowie silnika, jest określany jako
A. OHC
B. CIH
C. DOHC
D. OHV
Obsługa, diagnozowanie oraz n…
W dokumentacji technicznej zamontowanego w pojeździe samochodowym dodatkowego systemu alarmowego z funkcją antynapadu rezystor R7 opisano jako R7 = k36. Ze względu na jego uszkodzenie (zweglenie) przypadkowym zwarciem, nie można zidentyfikować jego oznaczenia za pomocą kodu barwnego. Do wymiany uszkodzonego elementu, należy użyć rezystor oznaczony następującymi kolorami:

A. pomarańczowy, niebieski, czarny, złoty.
B. niebieski, pomarańczowy, brązowy, srebrny.
C. pomarańczowy, niebieski, brązowy, złoty.
D. niebieski, pomarańczowy, czarny, srebrny.
MOT.05 Pytanie 1460
Obsługa, diagnozowanie oraz n…
Przed przystąpieniem do badania w Stacji Kontroli Pojazdów prawidłowości działania układu hamulcowego pojazdu w pierwszej kolejności należy
A. sprawdzić działanie serwomechanizmu.
B. sprawdzić ciśnienie w kołach.
C. zmierzyć zawartość wody w płynie hamulcowym.
D. zmierzyć grubość klocków hamulcowych.
MOT.02 Pytanie 1461
Obsługa, diagnozowanie oraz n…
Diagnostyka samochodu polega na ocenie prawidłowego działania jego komponentów i części, która nie uwzględnia
A. rozmontowywania elementów
B. notowania wyników
C. sprawdzenia wizualnego
D. dokonywania pomiarów
Organizacja i prowadzenie pro…
Kiedy należy dokonać wymiany płynu hamulcowego?
A. po upływie ośmiu lat
B. gdy pojawiają się wycieki z układu
C. przy zawartości wody na poziomie 3% w płynie
D. w przypadku słabego działania hamulców
Obsługa, diagnozowanie oraz n…
Reperacja uszkodzonego elastycznego elementu gumowego w zawieszeniu układu wydechowego polega na jego
A. zakręceniu
B. spajaniu
C. klejeniu
D. wymianie
Obsługa, diagnozowanie oraz n…
Na którym rysunku przedstawiona jest samochodowa żarówka P21/12V?
A. Żarówka 3

B. Żarówka 2

C. Żarówka 1

D. Żarówka 4

Obsługa, diagnozowanie oraz n…
Elementy oznaczone symbolami SD, P1, L3 i W1 to części obwodu.

A. Świateł drogowych.
B. Ogrzewania szyby tylnej.
C. Świateł mijania.
D. Sygnału dźwiękowego.
Obsługa, diagnozowanie oraz n…
SEFI (SFI) to układ wtrysku
A. gaźnikowego.
B. wielopunktowego sekwencyjnego.
C. bezpośredniego.
D. jednopunktowego.
Obsługa, diagnozowanie oraz n…
Zanim rozpoczniesz badanie poprawności funkcjonowania układu hamulcowego w Stacji Kontroli Pojazdów, co należy zrobić w pierwszej kolejności?
A. sprawdzić grubość klocków hamulcowych
B. ocenić działanie serwomechanizmu
C. zmierzyć ciśnienie w oponach
D. sprawdzić zawartość wody w płynie hamulcowym
Obsługa, diagnozowanie oraz n…
Najtrafniejszą diagnozę poprawności działania wtryskiwaczy paliwa silnika wysokoprężnego otrzymuje się przez
A. diagnostykę komputerową.
B. pomiar pojemności.
C. analizę spalin.
D. badanie na stole probierczym.
MOT.06 Pytanie 1469
Organizacja i prowadzenie pro…
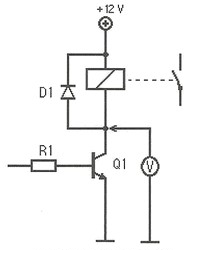
Który z komponentów pojazdu wymaga naprawy?
A. Mechanizm kierowniczy
B. Świece zapłonowe
C. Cewka zapłonowa
D. Pierścień tłokowy
Obsługa, diagnozowanie oraz n…
Odczuwane wibracje podczas startu pojazdu mogą świadczyć o
A. deformacji tarczy hamulcowej
B. niewyważeniu kół
C. uszkodzeniu tarczy sprzęgłowej
D. zablokowaniu systemu chłodzenia
Obsługa, diagnozowanie oraz n…
Który z poniższych elementów stanowi obowiązkowe wyposażenie pojazdów osobowych w Polsce?
A. Komplet bezpieczników
B. Linka holownicza
C. Kamizelka odblaskowa
D. Trójkąt ostrzegawczy
Organizacja i prowadzenie pro…
Zatwierdzenie zlecenia serwisowego przez klienta oraz serwisanta
A. oznacza akceptację wykorzystania danych osobowych klienta
B. stanowi potwierdzenie realizacji usługi
C. wyraża zgodę na szeroki zakres napraw
D. potwierdza zawarcie umowy cywilno-prawnej
MOT.02 Pytanie 1473
Obsługa, diagnozowanie oraz n…
Przeprowadzenie próby przelewowej umożliwia ocenę kondycji
A. zaworu regulacyjnego ciśnienia paliwa
B. pompy o wysokim ciśnieniu
C. wtryskiwaczy
D. filtra w układzie paliwowym
MOT.05 Pytanie 1474
Obsługa, diagnozowanie oraz n…
Badanie organoleptyczne jako sposób diagnostyczny to testowanie
A. bez przyrządów
B. ciśnienia sprężania
C. interfejsem diagnostycznym
D. lepkości oleju
Obsługa, diagnozowanie oraz n…
Zaświecenie się na desce rozdzielczej lampki kontrolnej przedstawionej na rysunku informuje kierowcę o

A. niskim napięciu ładowania akumulatora.
B. usterce układu sterowania silnika.
C. uszkodzeniu świec zapłonowych.
D. awarii układu ABS.
Obsługa, diagnozowanie oraz n…
Definicja AQUAPLANING odnosi się do
A. niewystarczająco niskiej temperatury opony
B. zwiększonej przyczepności opony
C. zbyt wysokiej temperatury opony
D. utraconej przyczepności opony na mokrej nawierzchni
Obsługa, diagnozowanie oraz n…
Podczas montażu nowego łańcucha rozrządu konieczna jest również wymiana
A. kół łańcuchowych
B. obudowy napędu łańcuchowego
C. napinaczy rolkowych
D. oleju silnikowego
Obsługa, diagnozowanie oraz n…
Na ilustracji przedstawiony jest

A. regulator ciśnienia paliwa.
B. wtryskiwacz elektromagnetyczny.
C. czujnik ciśnienia bezwzględnego.
D. zawór recyrkulacji spalin.
Obsługa, diagnozowanie oraz n…
Rysunek przedstawia czujnik deszczu i światła w podstawie lusterka wewnętrznego. Jakie podzespoły uruchamia czujnik

A. włączanie świateł drogowych i wycieraczek.
B. włączanie oświetlenia podsufitki tylnej.
C. włączanie świateł stop.
D. włączanie świateł awaryjnych.
Obsługa, diagnozowanie oraz n…
Jakie substancje wykorzystuje się do konserwacji przegubów krzyżakowych?
A. oleju przekładniowego
B. smaru stałego
C. oleju silnikowego
D. silikonu