Filtrowanie pytań
Obsługa, diagnozowanie oraz n…
A. wału napędowego
B. mechanizmu różnicowego
C. przekładni głównej
D. sprzęgła
Obsługa, diagnozowanie oraz n…
Jakie typy pomp cieczy chłodzącej są wykorzystywane w systemach chłodzenia silnika?
A. Zębate
B. Wirnikowe
C. Membranowe
D. Tłoczkowe
Obsługa, diagnozowanie oraz n…
Naprawa sondy lambda w przypadku przerwania przewodu sygnałowego polega na
A. zlutowaniu przewodu.
B. wymianie sondy.
C. zaizolowaniu przewodu.
D. wymianie przewodu.
Obsługa, diagnozowanie oraz n…
Przed przystąpieniem do wymiany alternatora należy w pierwszej kolejności
A. odłączyć akumulator.
B. zablokować koła.
C. przekręcić kluczyk w stacyjce.
D. rozgrzać silnik.
Obsługa, diagnozowanie oraz n…
Dlaczego lampka kontrolna ładowania akumulatora nie świeci po uruchomieniu stacyjki przy wyłączonym silniku?
A. połączenie paska napędu alternatora zostało zerwane
B. zużycie szczotek alternatora
C. uszkodzenie diody (zwarcie)
D. zwarcie uzwojenia wirnika z masą alternatora
Obsługa, diagnozowanie oraz n…
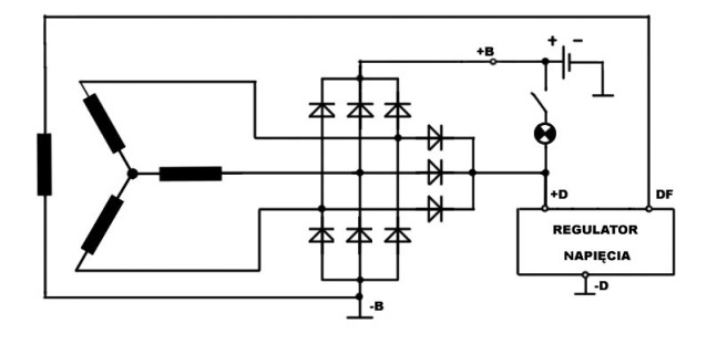
Uzwojenia twornika prądnicy przedstawionej na schemacie połączone są

A. w trójkąt.
B. w gwiazdę.
C. szeregowo.
D. równolegle.
Obsługa, diagnozowanie oraz n…
Sterowanie przekaźnika kontaktronowego odbywa się za pomocą
A. prądu przemiennego.
B. prądu stałego.
C. pola magnetycznego.
D. pola elektrycznego.
Obsługa, diagnozowanie oraz n…
Wymieniając części systemu wydechowego,
A. zamiast katalizatora można użyć tłumika
B. pojemność układu musi pozostać taka sama
C. można usunąć elastyczny łącznik (plecionkę)
D. można stosować rury o mniejszej średnicy
Obsługa, diagnozowanie oraz n…
Podczas realizacji wymiany łożysk kół przednich, dla zapewnienia bezpieczeństwa pracy oraz właściwej pozycji mechanika, powinno się
A. ustawić oś przednią na klinach
B. uniesić oś przednią za pomocą podnośnika hydraulicznego
C. podnieść pojazd za pomocą podnośnika kolumnowego
D. uniesić oś przednią przy użyciu podnośnika śrubowego
Obsługa, diagnozowanie oraz n…
Co należy zrobić w razie oblania ręki elektrolitem w celu udzielenia pierwszej pomocy?
A. powinno się polać oblane miejsce spirytusem
B. trzeba polewać oblane miejsce zimną wodą przez kilka minut
C. należy posmarować oblałe miejsce tłustym kremem
D. należy nałożyć na oblałe miejsce opatrunek nasączony wodą utlenioną
Obsługa, diagnozowanie oraz n…
Układ zblokowany przedni wskazuje, iż silnik znajduje się
A. z tyłu pojazdu i napędza koła przednie
B. z tyłu pojazdu i napędza koła tylne
C. z przodu pojazdu i napędza koła tylne
D. z przodu pojazdu i napędza koła przednie
Obsługa, diagnozowanie oraz n…
Funkcjonalność systemu ESP polega na
A. wspomaganiu utrzymania stabilności toru jazdy
B. przeciwdziałaniu zablokowaniu kół w trakcie hamowania
C. wspieraniu intensywnego hamowania
D. zapobieganiu poślizgom kół podczas przyspieszania
Obsługa, diagnozowanie oraz n…
Podczas sprawdzania multimetrem diody prostowniczej przy pomiarach w kierunku przewodzenia i w kierunku zaporowym uzyskano wartość wynoszącą „∞”. Świadczy to o
A. nieprawidłowym wyborze zakresu pomiarowego multimetru.
B. przebiegunowaniu diody.
C. pełnej sprawności diody.
D. konieczności wymiany diody.
Organizacja i prowadzenie pro…
Faktura VAT dotycząca zrealizowanej naprawy pojazdu powinna zawierać
A. termin następnego przeglądu serwisowego
B. wskazania dotyczące dalszego użytkowania
C. spis użytych narzędzi specjalistycznych
D. spis zastosowanych materiałów
Obsługa, diagnozowanie oraz n…
Jaki będzie ostateczny rachunek za naprawę, jeżeli koszt części zamiennych wyniósł 800 zł, a robocizny 200 zł. Na naprawę udzielono rabatu: 10% na części zamienne oraz 20% na robociznę.
A. 800,00 PLN
B. 880,00 PLN
C. 1 000,00 PLN
D. 900,00 PLN
Organizacja i prowadzenie pro…
W warsztacie stwierdzono, że hałas słyszany podczas jazdy w okolicy prawego przedniego koła pochodzi z łożyska piasty koła. Na podstawie danych zawartych w tabeli oblicz, ile wynosi koszt naprawy, jeżeli wszystkie części i materiały klient zakupił w tym warsztacie.
| Wyciąg z cennika części zamiennych oraz pracochłonności czynności naprawczych | |
|---|---|
| Części i materiały | Cena[zł/szt.]/brutto |
| Łożysko piasty koła przedniego | 43,00 |
| Jednorazowa nakrętka piasty koła | 28,00 |
| Pracochłonność czynności naprawczych | rbh./brutto |
| Zamontowanie piasty koła przedniego | 0,6 |
| Wymiana łożyska piasty koła przedniego | 0,5 |
| Robocizna | 100 zł/h |
A. 181,00 zł
B. 153,00 zł
C. 191,00 zł
D. 213,00 zł
MOT.02 Pytanie 2217
Obsługa, diagnozowanie oraz n…
W przypadku zauważenia wycieku oleju z prawego przedniego amortyzatora w pojeździe, który przejechał 60 tysięcy kilometrów, co się zaleca?
A. wymiana obu przednich amortyzatorów na nowe
B. wyczyszczenie i ponowne zamontowanie amortyzatora
C. wymiana jedynie uszkodzonego amortyzatora
D. regeneracja oraz ponowne zamontowanie amortyzatora
Obsługa, diagnozowanie oraz n…
Który z komponentów obwodu elektrycznego można naprawić?
A. Alternator
B. Kondensator
C. Bezpiecznik
D. Cewka zapłonowa
Obsługa, diagnozowanie oraz n…
Który z elementów samochodu, w razie wykrycia jego uszkodzenia, ma możliwość naprawy lub regeneracji?
A. Świeca zapłonowa
B. Reluktancyjny czujnik prędkości obrotowej
C. Kontaktron
D. Sprężarka klimatyzacji
Obsługa, diagnozowanie oraz n…
Jaką częścią łączy się wał korbowy z tłokiem?
A. zaworu
B. sworznia
C. korbowodu
D. popychacza
Obsługa, diagnozowanie oraz n…
Jakiego rodzaju łożysko toczne wymaga dostosowania luzu montażowego?
A. Skośne
B. Stożkowe
C. Oporowe
D. Promieniowe
MOT.02 Pytanie 2222
Obsługa, diagnozowanie oraz n…
Który z podzespołów pojazdu samochodowego, w przypadku stwierdzenia jego uszkodzenia, może być poddany naprawie lub regeneracji?
A. Kondensator.
B. Warystor.
C. Termistor.
D. Alternator.
Obsługa, diagnozowanie oraz n…
W przykładowym oznaczeniu opony 195/65R15 91H litera R wskazuje na
A. oponę radialną
B. średnicę opony
C. indeks prędkości
D. promień opony R
Organizacja i prowadzenie pro…
Utrata mocy silnika oraz pojawiający się biały dym z układu wydechowego silnika diesla sugerują konieczność sprawdzenia
A. stanu uszczelki pod głowicą
B. kolektora wydechowego
C. kąta wyprzedzenia wtrysku
D. dawki paliwa
Obsługa, diagnozowanie oraz n…
Nie jest parametrem geometrycznym kół
A. kąt wyprzedzenia sworznia zwrotnicy
B. ciśnienie w ogumieniu
C. kąt nachylenia sworznia zwrotnicy
D. zbieżność kół
Obsługa, diagnozowanie oraz n…
Po włączeniu świateł przednich przeciwmgielnych żadna z żarówek H1 nie świeci. Stwierdzono, że przekaźnik świateł przednich przeciwmgielnych jest załączony, natomiast pomiary multimetrem potwierdziły obecność napięcia na konektorach podłączenia żarówek. Otrzymane wyniki kontroli wskazują na uszkodzenie
A. cewki przekaźnika.
B. obu żarówek.
C. styku przekaźnika.
D. jednej z żarówek.
Obsługa, diagnozowanie oraz n…
Potwierdzenie odbioru pojazdu po wykonanej naprawie następuje poprzez podpis właściciela na
A. zleceniu naprawy
B. dowodzie kasowym
C. fakturze
D. asygnacie
Obsługa, diagnozowanie oraz n…
Odczytaj z charakterystyki wzorcowej regulatora odśrodkowego wartość kąta wyprzedzenia zapłonu dla prędkości obrotowej 2700 obr/min.

A. 9°
B. 6°
C. 12°
D. 3°
Obsługa, diagnozowanie oraz n…
Jakim przyrządem należy się posłużyć do pomiaru podciśnienia w systemie sterowania turbosprężarką?
A. Analizatorem spalin
B. Wakuometrem
C. Decybelomierzem
D. Pirometrem
Obsługa, diagnozowanie oraz n…
Ciecze wykorzystywane do chłodzenia silników spalinowych to mieszaniny wody i
A. alkoholu metylowego
B. olejów
C. alkoholu etylowego
D. glikolu etylowego
Obsługa, diagnozowanie oraz n…
Podanie napięcia w sposób ciągły na uzwojenie pierwotne klasycznej cewki zapłonowej spowoduje
A. cykliczne powstawanie wysokiego napięcia na uzwojeniu wtórnym.
B. prawidłową pracę cewki zapłonowej.
C. nieprawidłową pracę cewki zapłonowej.
D. cykliczne powstawanie wysokiego napięcia na uzwojeniu pierwotnym.
Obsługa, diagnozowanie oraz n…
Jakiej właściwości nie ma ciecz chłodząca używana w silnikach spalinowych?
A. Niska skłonność do zamarzania
B. Zabezpieczenie przed korozją układu chłodzenia
C. Przeciwdziałanie zjawisku kawitacji i wrzenia
D. Ograniczenie nadmiernego przewodnictwa cieplnego
MOT.02 Pytanie 2233
Obsługa, diagnozowanie oraz n…
Który z uszkodzonych elementów nie podlega regeneracji?
A. Alternator.
B. Rozrusznik.
C. Akumulator.
D. Turbosprężarka.
Obsługa, diagnozowanie oraz n…
Zanim przeprowadzisz pomiar ciśnienia sprężania w silniku wysokoprężnym czterocylindrowym, należy najpierw usunąć
A. świecę zapłonową z analizowanego cylindra
B. wszystkie świec żarowych
C. wszystkie świece zapłonowe
D. wtryskiwacz z analizowanego cylindra
Obsługa, diagnozowanie oraz n…
Aby przywrócić prawidłowe działanie instalacji elektrycznej, która funkcjonuje niepoprawnie z powodu utlenienia złącz konektorowych, należy
A. wymienić wszystkie przewody łączące.
B. oczyścić złącza mechanicznie lub chemicznie oraz zabezpieczyć preparatem do konserwacji styków.
C. polutować oraz zaizolować złącza konektorowe instalacji.
D. wymienić instalację na nową.
Organizacja i prowadzenie pro…
Klient, który pragnie dowiedzieć się, czy zakończono przegląd jego pojazdu, powinien skontaktować się z pracownikiem
A. hali napraw
B. BOK
C. kasy
D. serwisu
Obsługa, diagnozowanie oraz n…
Zaświecenie lampki kontrolnej ABS podczas jazdy informuje kierowcę
A. o włączeniu układu ABS
B. o dezaktywacji układu ABS
C. że pojazd ma zamontowany układ ABS
D. o zbyt niskim poziomie płynu hamulcowego
Obsługa, diagnozowanie oraz n…
Jakie działania należy podjąć w celu naprawy sondy lambda, gdy dojdzie do uszkodzenia przewodu sygnałowego?
A. zlutowaniu przewodu
B. wymianie sondy
C. zaizolowaniu przewodu
D. wymianie przewodu
Obsługa, diagnozowanie oraz n…
W oznaczeniu na główce śruby 10.9 liczba 10 wskazuje na
A. wytrzymałość materiału na rozciąganie
B. granice plastyczności materiału
C. kategorię dokładności wykonania gwintu
D. wytrzymałość materiału na ścinanie
MOT.02 Pytanie 2240
Obsługa, diagnozowanie oraz n…
Dokumentację pomiarów elektrycznych alternatora najlepiej przedstawić w postaci
A. wykresów.
B. tabeli wyników.
C. diagramów.
D. rysunków.