Filtrowanie pytań
Organizacja i prowadzenie pro…
A. oleju przekładniowego
B. cieczy chłodzącej
C. oleju silnikowego
D. płynu hamulcowego
Obsługa, diagnozowanie oraz n…
Na fotografii przedstawiona jest żarówka samochodowa typu

A. H4.
B. H3.
C. H1.
D. H7.
Obsługa, diagnozowanie oraz n…
W hydrokinetycznym sprzęgle elementem przenoszącym napęd jest
A. pole elektromagnetyczne
B. przekładnia pasowa
C. ciecz
D. układ kół zębatych
Obsługa, diagnozowanie oraz n…
Przed przystąpieniem do diagnostyki geometrii kół kierowanych w pierwszej kolejności należy
A. zablokować koło kierownicy.
B. sprawdzić stopień tłumienia amortyzatorów.
C. zablokować pedał hamulca.
D. sprawdzić ciśnienie w ogumieniu.
Organizacja i prowadzenie pro…
Który typ przegubu przedstawiono na fotografii?

A. Cardana.
B. Rzeppa.
C. Tracta.
D. Weissa.
Obsługa, diagnozowanie oraz n…
Symbol 16V wskazuje na
A. silnik Wankla
B. silnik szesnastozaworowy
C. silnik widlasty z szesnastoma cylindrami
D. silnik rzędowy z szesnastoma cylindrami
Obsługa, diagnozowanie oraz n…
SEFI (SFI) to system wtryskowy
A. gaźnikowy
B. wielopunktowy sekwencyjny
C. jednopunktowy
D. bezpośredni
Obsługa, diagnozowanie oraz n…
Którym z przedstawionych na ilustracjach przyrządów dokonuje się pomiaru rezystancji świecy żarowej?
A. Przyrządem I.

B. Przyrządem IV.

C. Przyrządem III.

D. Przyrządem II.

Obsługa, diagnozowanie oraz n…
Na desce rozdzielczej pojawiła się informacja o awarii systemu poduszek powietrznych. Jakim urządzeniem przeprowadza się diagnostykę tego systemu?
A. Testerem diagnostycznym systemu OBD
B. Amperomierzem cęgowym
C. Oscyloskopem elektronicznym
D. Multimetrem uniwersalnym
Obsługa, diagnozowanie oraz n…
W warsztacie średnio na zmianie instalowane są światła do jazdy dziennej w pięciu samochodach. Zakład funkcjonuje pięć dni w tygodniu na dwóch zmianach, a jedna lampa zawiera 12 diod LED. Jakie jest tygodniowe zapotrzebowanie na diody LED?
A. 800 sztuk
B. 400 sztuk
C. 1200 sztuk
D. 1400 sztuk
Obsługa, diagnozowanie oraz n…
W trakcie serwisowania pojazdów obowiązkowe jest noszenie okularów ochronnych podczas
A. prac związanych ze szlifowaniem.
B. ładowania akumulatorów.
C. wymiany płynu chłodzącego.
D. naprawy opon.
Obsługa, diagnozowanie oraz n…
Sterowanie przekaźnika kontaktronowego odbywa się za pomocą
A. pola magnetycznego.
B. prądu stałego.
C. prądu przemiennego.
D. pola elektrycznego.
Obsługa, diagnozowanie oraz n…
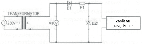
Schemat którego obwodu elektrycznego przedstawiono na rysunku?

A. Świateł głównych pojazdu.
B. Zapłonowego – klasycznego.
C. Kierunkowskazów.
D. Zapłonowego – elektronicznego.
Obsługa, diagnozowanie oraz n…
Element pojazdu służący do redukcji drgań poprzecznych, to
A. resor
B. amortyzator
C. stabilizator
D. wahacz
MOT.06 Pytanie 2575
Organizacja i prowadzenie pro…
Jakie działania powinien podjąć mechanik, gdy podczas odpowietrzania systemu hamulcowego dojdzie do uszkodzenia uszczelniacza cylinderka?
A. Skleić uszkodzony uszczelniacz
B. Poinformować klienta o potrzebie rozszerzenia zlecenia o wymianę tego elementu
C. Kontynuować rozpoczętą pracę, ponieważ układ hamulcowy jest dwuobwodowy
D. Uzupełnić poziom płynu hamulcowego do oznaczonego stanu MAX
Obsługa, diagnozowanie oraz n…
Do sprawdzenia poprawności działania odśrodkowego regulatora kąta wyprzedzenia zapłonu należy użyć
A. lampy stroboskopowej.
B. wakuometru.
C. multimetru.
D. stetoskopu.
Obsługa, diagnozowanie oraz n…
Hałas, który występuje wyłącznie podczas zmiany biegów w skrzyni biegów manualnej, jest wynikiem uszkodzenia
A. synchronizatorów
B. łożysk kół jezdnych
C. przegubów
D. satelitów
Obsługa, diagnozowanie oraz n…
Na wyświetlaczu deski rozdzielczej pojawiła się informacja o awarii systemu ABS. Jakim urządzeniem przeprowadzisz diagnostykę tego układu?
A. Amperomierzem cęgowym
B. Multimetrem uniwersalnym
C. Oscyloskopem elektronicznym
D. Diagnoskopem systemu OBD
Obsługa, diagnozowanie oraz n…
Na ilustracji przedstawiony jest

A. czujnik ciśnienia bezwzględnego.
B. wtryskiwacz elektromagnetyczny.
C. regulator ciśnienia paliwa.
D. zawór recyrkulacji spalin.
MOT.02 Pytanie 2580
Obsługa, diagnozowanie oraz n…
Która lampka kontrolna zapali się w czasie jazdy, w przypadku zbyt niskiego poziomu płynu hamulcowego w pojeździe samochodowym z układem ABS?

A. B.
B. D.
C. A.
D. C.
Obsługa, diagnozowanie oraz n…
Jakiego materiału używa się do produkcji zbiorniczka wyrównawczego dla płynu hamulcowego?
A. stop aluminium
B. tworzywo sztuczne
C. żeliwo
D. szkło
MOT.02 Pytanie 2582
Obsługa, diagnozowanie oraz n…
Aby sprawdzić działanie MAP-sensora napięciowego wyjętego z pojazdu, należy użyć pompki podciśnienia oraz zasilania
A. współczynnikiem wypełnienia impulsu
B. przemienną wartością napięcia 5V
C. napięciem stałym 5V
D. sygnałem prostokątnym
Obsługa, diagnozowanie oraz n…
Spaliny w kolorze jasoniebieskim, wydobywające się z rury wylotowej układu wydechowego, mogą świadczyć o
A. niskim ciśnieniu paliwa.
B. „laniu” wtryskiwaczy.
C. spalaniu oleju.
D. obecności cieczy chłodzącej w komorze spalania.
Obsługa, diagnozowanie oraz n…
Miganie lampki MIL na desce rozdzielczej pojazdu oznacza
A. zakaz uruchamiania silnika
B. niemożność realizacji monitorów w trakcie jazdy
C. wykonanie manewru parkowania w pojeździe z funkcją parkowania automatycznego
D. wystąpienie usterki mogącej doprowadzić do uszkodzenia układu oczyszczania spalin
Obsługa, diagnozowanie oraz n…
Czym jest oznaczenie DOT-4?
A. paliwem silnikowym.
B. paliwem diesel.
C. płynem przekładniowym.
D. płynem do hamulców.
Organizacja i prowadzenie pro…
Aby ustalić przyczynę przegrzewania się silnika, należy zbadać
A. zakres temperatury działania termostatu
B. zakres obrotów silnika
C. typ płynu chłodniczego
D. efektywność układu rozrządu
Obsługa, diagnozowanie oraz n…
Którego narzędzia należy użyć do demontażu łożysk alternatora?
A.

B.

C.

D.

Obsługa, diagnozowanie oraz n…
Filtr cząstek stałych jest zazwyczaj wykorzystywany w systemach wydechowych silników o zapłonie
A. samoczynnym z wtryskiem pośrednim
B. iskrowym z wtryskiem bezpośrednim
C. iskrowym z wtryskiem pośrednim
D. samoczynnym z wtryskiem bezpośrednim
Obsługa, diagnozowanie oraz n…
Zmierzony luz w zamku pierścienia tłokowego, włożonego do cylindra silnika po naprawie, wynosi 0,6 mm. Producent określa, iż luz ten powinien wynosić 0,25÷0,40 mm. Otrzymany wynik oznacza, że
A. luz zamka pierścienia należy powiększyć.
B. luz jest zbyt mały.
C. luz jest zbyt duży.
D. luz mieści się w podanych zaleceniach.
Obsługa, diagnozowanie oraz n…
Przy załączaniu jednego z biegów słychać drobne zgrzyty. Przyczyną ich występowania może być uszkodzenie lub zużycie
A. łożyska wyciskowego
B. koła talerzowego przekładni głównej
C. synchronizatora
D. tarczy sprzęgła
Obsługa, diagnozowanie oraz n…
Który z płynów hamulcowych charakteryzuje się najwyższą temperaturą wrzenia?
A. DOT5
B. R3
C. DOT4
D. DOT3
Obsługa, diagnozowanie oraz n…
Jaki jest podstawowy cel regulacji geometrii zawieszenia?
A. Zwiększenie mocy silnika
B. Zapewnienie stabilności prowadzenia pojazdu
C. Poprawa wyglądu pojazdu
D. Zmniejszenie zużycia paliwa
Obsługa, diagnozowanie oraz n…
W celu sprawdzenia poprawności działania czujnika temperatury w układzie chłodzenia należy przeprowadzić pomiar
A. generowanego sygnału wyjściowego.
B. zmiany indukcyjności czujnika.
C. zmiany pojemności elektrycznej czujnika.
D. zmiany rezystancji czujnika.
Organizacja i prowadzenie pro…
Do zadań pracownika magazynu nie wchodzi
A. rozliczanie zużycia energii serwisu
B. przygotowanie formularza niezgodności dostawy
C. sporządzanie dokumentów Wz
D. zamawianie części
Obsługa, diagnozowanie oraz n…
Po włączeniu świateł drogowych żadna żarówka H7 się nie zaświeca. Ustalono, że przekaźnik świateł drogowych działa, a próbnikiem potwierdzono obecność napięcia na złączach żarówek. Opis sugeruje uszkodzenie
A. przewodów zasilających żarówki H7
B. włącznika świateł drogowych
C. obu żarówek
D. przekaźnika
Organizacja i prowadzenie pro…
Jaka jest minimalna wartość przepuszczalności światła dla bocznej przedniej szyby, aby pojazd mógł być dopuszczony do ruchu?
A. 70%
B. 85%
C. 80%
D. 75%
Obsługa, diagnozowanie oraz n…
Aby określić wartość natężenia prądu płynącego przez odbiornik, należy podłączyć
A. woltomierz równolegle do odbiornika
B. woltomierz szeregowo z odbiornikiem
C. amperomierz szeregowo z odbiornikiem
D. amperomierz równolegle od odbiornika
Obsługa, diagnozowanie oraz n…
Układ rozrządu z górnymi zaworami, w którym wałek rozrządu znajduje się w obudowie, nazywa się oznaczeniem
A. CIH
B. OHV
C. DOHC
D. OHC
Organizacja i prowadzenie pro…
Podczas naprawy pojazdu, konieczne jest korzystanie z informacji zawartych w instrukcji
A. użytkowania pojazdu
B. reguł dotyczących gwarancji
C. naprawy samochodu
D. prowadzenia pojazdu
Organizacja i prowadzenie pro…
System poduszek powietrznych (airbag) wykorzystywanych w samochodach klasyfikuje się jako elementy ochrony
A. biernego
B. mieszanego
C. czynnego
D. pneumatycznego