Filtrowanie pytań
Obsługa, diagnozowanie oraz n…
A. 0,72 kΩ
B. 6 Ω
C. 72 Ω
D. 0,166 Ω
Obsługa, diagnozowanie oraz n…
Jak wyraża się moc silnika spalinowego?
A. MPa
B. kW
C. kWh
D. Nm
Obsługa, diagnozowanie oraz n…
Aby zmierzyć natężenie prądu w obwodzie zasilającym radio CB, multimetr należy włączyć
A. szeregowo z CB i przełączyć w tryb woltomierza.
B. równolegle do CB i przełączyć w tryb amperomierza.
C. równolegle do CB i przełączyć w tryb woltomierza.
D. szeregowo z CB i przełączyć w tryb amperomierza.
Organizacja i prowadzenie pro…
Przygotowując serwis na sezon jesienno-zimowy, należy na początku wziąć pod uwagę zwiększenie zapasów
A. w olej do silników
B. w materiały czyszczące
C. w filtry
D. w płyn chłodzący
Organizacja i prowadzenie pro…
W jakim dokumencie pracownicy działu obsługi klienta wprowadzają dane dotyczące klienta oraz szczegóły związane z pojazdem?
A. W umowie serwisowej
B. Na paragonie fiskalnym
C. W zleceniu magazynowym
D. W zleceniu wstępnym
Obsługa, diagnozowanie oraz n…
Niebieski odcień spalin może wskazywać
A. na nieszczelność układu wydechowego
B. na zużycie pierścieni tłokowych
C. na duże wyprzedzenie wtrysku
D. na zamknięty zawór EGR
Organizacja i prowadzenie pro…
Jaki minimalny procent masy własnej nowego pojazdu powinien stanowić całkowity ciężar pojazdu przekazywanego do stacji demontażu?
A. 95%
B. 90%
C. 80%
D. 85%
Obsługa, diagnozowanie oraz n…
Elementem układu hamulcowego nie jest
A. wysprzęglik.
B. hamulec ręczny.
C. korektor siły hamowania.
D. pompa ABS.
Obsługa, diagnozowanie oraz n…
Common rail to system zasilania silnika o zapłonie
A. iskrowym
B. iskrowym z wtryskiem jednopunktowym
C. iskrowym z wtryskiem wielopunktowym
D. samoczynnym
Obsługa, diagnozowanie oraz n…
Aby zweryfikować działanie czujnika hallotronowego, co należy zastosować?
A. wakuometr
B. próbnik ciśnienia sprężania
C. oscyloskop
D. lampa stroboskopowa
Obsługa, diagnozowanie oraz n…
Pomiar zbieżności kół przednich polega na pomiarze różnicy
A. między rozstawem kół z lewej i prawej strony.
B. kątów pochylenia kół jezdnych osi napędzanej.
C. przesunięcia kół tylnych w stosunku do kół przednich.
D. odległości między obręczami obręczy kół za i przed osią koła.
Obsługa, diagnozowanie oraz n…
Z jakich elementów składa się system napędowy pojazdu?
A. Skrzynia biegów, półosie napędowe, koła pojazdu
B. Silnik, wał napędowy, stabilizator
C. Układ kierowniczy, skrzynia biegów, wał napędowy, tylny most
D. Silnik, sprzęgło, skrzynia biegów
Obsługa, diagnozowanie oraz n…
Przed rozpoczęciem weryfikacji sprawności układu hamulcowego pojazdu w stanowisku diagnostycznym w Stacji Kontroli Pojazdów należy najpierw
A. zmierzyć poziom wody w płynie hamulcowym
B. sprawdzić funkcjonowanie serwomechanizmu
C. wyregulować ciśnienie w oponach
D. zmierzyć grubość materiału ciernego klocków hamulcowych
MOT.02 Pytanie 2614
Obsługa, diagnozowanie oraz n…
Wskaż całkowity koszt naprawy alternatora samochodu, wiedząc, że czas pracy wynosi 3 godziny, koszt zużytych materiałów 150 złotych, a koszt 1 roboczogodziny 80 złotych.
A. 500 zł
B. 390 zł
C. 440 zł
D. 550 zł
MOT.02 Pytanie 2615
Obsługa, diagnozowanie oraz n…
Zaświecenie się w trakcie jazdy lampki kontrolnej przedstawionej na rysunku sygnalizuje

A. awarię systemu oczyszczania spalin.
B. uszkodzenie w obwodzie świec żarowych.
C. zanieczyszczenie filtra powietrza.
D. dogrzewanie silnika w niskich temperaturach.
Obsługa, diagnozowanie oraz n…
Maksymalna dopuszczalna różnica wskaźnika efektywności hamowania na jednej osi kół nie powinna być większa niż
A. 10 %
B. 30 %
C. 25 %
D. 20 %
Obsługa, diagnozowanie oraz n…
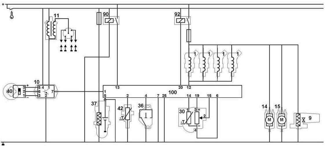
Na ilustracji przedstawiono element

A. skrzyni biegów.
B. mechanizmu różnicowego.
C. rozrusznika.
D. silnika.
Organizacja i prowadzenie pro…
Przy regulacji składu paliwa w silniku ZI należy wykorzystać
A. wakuometr.
B. dymomierzem.
C. menzurką pomiarową.
D. analizatorem spalin.
Obsługa, diagnozowanie oraz n…
Który z elementów można poddać naprawie regeneracyjnej?
A. Czujnik indukcyjny.
B. Napinacz pirotechniczny.
C. Świecę zapłonową.
D. Aparat zapłonowy.
Obsługa, diagnozowanie oraz n…
W samochodzie osobowym, aby zabezpieczyć koło przed samoczynnym odkręceniem, używa się
A. nakrętek z kołnierzem stożkowym
B. podkładek płaskich
C. nakrętek samohamownych
D. podkładek sprężystych
Obsługa, diagnozowanie oraz n…
Przygotowując zapotrzebowanie na części zamienne, jakie informacje należy uwzględnić?
A. numer VIN pojazdu
B. data pierwszej rejestracji pojazdu
C. kraj, w którym zakupiono pojazd
D. przebieg pojazdu w km
Obsługa, diagnozowanie oraz n…
W jakich sytuacjach stosuje się spawanie jako metodę naprawy?
A. W trakcie naprawy gładzi cylindra
B. Przy usuwaniu pęknięć w bloku silnika
C. Podczas eliminacji odkształceń na powierzchni uszczelniającej głowicy
D. Przy naprawie uszkodzonych gwintów w kadłubie silnika
Obsługa, diagnozowanie oraz n…
Kontrolę pracy sondy lambda przeprowadza się
A. manometrem.
B. komputerem diagnostycznym OBD.
C. watomierzem.
D. dymomierzem.
Obsługa, diagnozowanie oraz n…
Dopuszczalna maksymalna prędkość holowania pojazdu na terenie zabudowanym wynosi
A. 50 km/h
B. 30 km/h
C. 20 km/h
D. 40 km/h
Obsługa, diagnozowanie oraz n…
Do dokręcania nakrętki koła pasowego alternatora używa się klucza
A. nasadowego i pokrętła.
B. oczkowo-fajkowego.
C. płaskiego.
D. dynamometrycznego.
Obsługa, diagnozowanie oraz n…
Cofanie pojazdem jest zabronione
A. na mostach i wiaduktach
B. w okolicy przejść dla pieszych i tuż przed nimi
C. na drodze jednokierunkowej
D. w trakcie dojeżdżania do szczytu wzniesienia
Obsługa, diagnozowanie oraz n…
Aby przeprowadzić demontaż półosi napędowej z pojazdu, najpierw trzeba usunąć przegub
A. wewnętrzny z przekładni głównej
B. zewnętrzny z półosi napędowej
C. wewnętrzny z półosi napędowej
D. zewnętrzny z piasty koła
Obsługa, diagnozowanie oraz n…
Na fotografii przedstawiono urządzenie przeznaczone do

A. wyważania kół.
B. regulacji zbieżności kół.
C. regulacji ustawienia świateł.
D. montażu opon.
Organizacja i prowadzenie pro…
Po przeprowadzeniu naprawy, minimalny współczynnik skuteczności hamowania hamulca awaryjnego w samochodzie osobowym powinien wynosić
A. 10%
B. 20%
C. 15%
D. 25%
Obsługa, diagnozowanie oraz n…
Przegub Cardana wchodzi w skład
A. skrzyni biegów.
B. koła dwumasowego.
C. sprzęgła ciernego.
D. wału napędowego.
MOT.02 Pytanie 2631
Obsługa, diagnozowanie oraz n…
Dokonując pomiaru napięcia zasilania masowego przepływomierza powietrza z potencjometrem, woltomierz należy podłączyć do masy i wtyku oznaczonego cyfrą

A. 1
B. 6
C. 2
D. 5
Organizacja i prowadzenie pro…
Który element układu chłodzenia odpowiada za utrzymanie odpowiedniej temperatury silnika?
A. Przegub homokinetyczny
B. Sprężarka klimatyzacji
C. Filtr powietrza
D. Termostat
Obsługa, diagnozowanie oraz n…
Jakie jest główne przeznaczenie odpowietrzenia skrzyni korbowej silnika?
A. ochrony przed przedostawaniem się paliwa do oleju
B. usunięcia nadmiaru oleju z skrzyni korbowej
C. zmniejszenia ciśnienia w skrzyni korbowej
D. sterowania ciśnieniem w systemie smarowania silnika
Obsługa, diagnozowanie oraz n…
Które części i materiały eksploatacyjne są niezbędne do wykonania usługi naprawy po wykonanym przeglądzie instalacji elektrycznej samochodu z silnikiem R3 1.0 12V 68 KM?
| L.p. | Przegląd instalacji elektrycznej | Wynik przeglądu |
|---|---|---|
| 1 | Stan akumulatora | W |
| 2 | Poduszki powietrzne | D |
| 3 | Włączniki, wskaźniki, wyświetlacze | D |
| 4 | Reflektory | Lewy – R; Prawy - R |
| 5 | Ustawienie reflektorów | D |
| 6 | Wycieraczki | Lewa – uszkodzone pióro, Prawa – D ¹⁾ |
| 7 | Spryskiwacze | D/U |
| 8 | Oświetlenie wnętrza | D |
| 9 | Świece zapłonowe | Jedna z trzech zużyta ²⁾ |
| 10 | Oświetlenie zewnętrzne | D |
| W – wymienić; U – uzupełnić; D – stan dobry; R – przeprowadzić regulację; ¹⁾ – w przypadku zużycia jednego pióra zaleca się wymianę kompletu piór ²⁾ – w przypadku zużycia zaleca się wymianę kompletu świec | ||
A. Prawy reflektor, lewy reflektor, trzy świece zapłonowe, płyn do spryskiwaczy.
B. Akumulator, pióra wycieraczek, trzy świece zapłonowe, płyn do spryskiwaczy.
C. Woda destylowana, prawy reflektor, lewe pióro wycieraczki, jedna świeca.
D. Akumulator, reflektor prawy, pióra wycieraczek, trzy świece zapłonowe.
Obsługa, diagnozowanie oraz n…
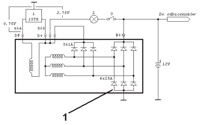
Przedstawiony na ilustracji zespół jest elementem

A. układu zawieszenia.
B. układu napędowego.
C. układu hamulcowego.
D. układu wydechowego.
MOT.02 Pytanie 2636
Obsługa, diagnozowanie oraz n…
Podczas badania rozrusznika na stole probierczym stwierdzono silne iskrzenie na styku komutator-szczotki. Aby naprawić rozrusznik, należy
A. wymienić tuleje łożysk.
B. przeczyścić zaciski prądowe.
C. wymienić wirnik.
D. założyć kondensator odklócający.
Organizacja i prowadzenie pro…
Podczas wymiany pierścieni tłokowych mechanik powinien wykorzystać
A. prasę hydrauliczną o odpowiedniej sile nacisku
B. dwa wkrętaki płaskie
C. odpowiednio dobraną blaszkę
D. specjalne szczypce montażowe
Organizacja i prowadzenie pro…
Spalanie zużytego oleju i opon samochodowych w piecach przemysłowych to proces recyklingu?
A. energetyczny
B. produktowy
C. chemiczny
D. hydrometalurgiczny
MOT.02 Pytanie 2639
Obsługa, diagnozowanie oraz n…
W przypadku zauważenia wycieku oleju z prawego przedniego amortyzatora w pojeździe, który przejechał 60 tysięcy kilometrów, co się zaleca?
A. wyczyszczenie i ponowne zamontowanie amortyzatora
B. regeneracja oraz ponowne zamontowanie amortyzatora
C. wymiana obu przednich amortyzatorów na nowe
D. wymiana jedynie uszkodzonego amortyzatora
Obsługa, diagnozowanie oraz n…
W jednorurowym wysokociśnieniowym amortyzatorze hydrauliczno–pneumatycznym stosuje się olej oraz
A. azot.
B. powietrze.
C. acetylen.
D. tlen.