Filtrowanie pytań
MOT.02 Pytanie 2641
Obsługa, diagnozowanie oraz n…
A. zapobiegającego nadmiernemu poślizgowi kół pojazdu
B. umożliwiającego zwiększenie siły hamowania
C. hamulca postojowego elektrycznego
D. elektronicznego kontrolera pedału gazu
MOT.02 Pytanie 2642
Obsługa, diagnozowanie oraz n…
Jakie mogą być przyczyny nagłego zgaśnięcia silnika podczas prowadzenia pojazdu?
A. Zepsuta pompa oleju
B. Zepsuty termostat
C. Zepsuty alternator
D. Uszkodzona cewka zapłonowa
Organizacja i prowadzenie pro…
Jakie miejsce oznacza rok produkcji pojazdu?
A. na dziesiątym miejscu znaku VIN
B. na ostatnim miejscu znaku VIS
C. na ósmym miejscu znaku VDS
D. na trzecim miejscu znaku WMI
Obsługa, diagnozowanie oraz n…
W celu dogładzania gładzi cylindrów silników spalinowych stosuje się
A. szlifierkę stołową
B. honownicę
C. tokarkę kłową
D. przeciągacz
Obsługa, diagnozowanie oraz n…
Jakie zjawisko umożliwia sterowanie przekaźnikiem kontaktronowym?
A. oddziaływanie magnetyczne
B. prąd zmienny
C. oddziaływanie elektryczne
D. prąd stały
Obsługa, diagnozowanie oraz n…
Jaką funkcję pełni turbosprężarka w silniku spalinowym?
A. Zwiększa ilość powietrza dostarczanego do cylindrów
B. Poprawia działanie układu wydechowego
C. Reguluje temperaturę pracy silnika
D. Zmniejsza emisję spalin
Obsługa, diagnozowanie oraz n…
Jaki będzie łączny koszt wymiany 6 bezpieczników topikowych, których cena wynosi 2,00 zł za sztukę, jeśli czas wymiany jednego bezpiecznika to 5 minut, a stawka za roboczogodzinę wynosi 120,00 zł?
A. 132,00 zł
B. 60,00 zł
C. 72,00 zł
D. 30,00 zł
Obsługa, diagnozowanie oraz n…
Po zainstalowaniu nowej pompy cieczy chłodzącej trzeba
A. wyczyścić układ chłodzenia
B. uzupełnić poziom płynu chłodzącego
C. ustawić zbieżność kół
D. ustawić luz zaworowy
Obsługa, diagnozowanie oraz n…
Szeregowe połączenie dwóch akumulatorów 12V 75Ah umożliwia uzyskanie źródła z napięciem o parametrach
A. 12V 75Ah
B. 12V 150Ah
C. 24V 75Ah
D. 24V 150Ah
Organizacja i prowadzenie pro…
Kolor żółty używany w oznaczeniach w miejscu pracy informuje pracowników
A. o potrzebie używania określonego środka ochrony indywidualnej
B. o zagrożeniach, utrudnieniach
C. o drogach ewakuacyjnych, wyjściach ratunkowych
D. o zakazie dostępu
Organizacja i prowadzenie pro…
Bieżące, gwarancyjne, pogwarancyjne oraz reklamacyjne naprawy wykonuje pracownik
A. napraw mechanicznych
B. diagnosta
C. napraw powypadkowych
D. biura wsparcia klienta
Obsługa, diagnozowanie oraz n…
W trakcie diagnozowania systemu zawieszenia przy użyciu urządzenia typu "szarpak diagnostyczny", zauważono nadmierny luz koła w kierunku pionowym. Który z elementów nie ma na to wpływu?
A. Łożyska piasty koła przedniego
B. Końcówka drążka kierowniczego
C. Sworzeń wahacza
D. Tuleja wahacza
Obsługa, diagnozowanie oraz n…
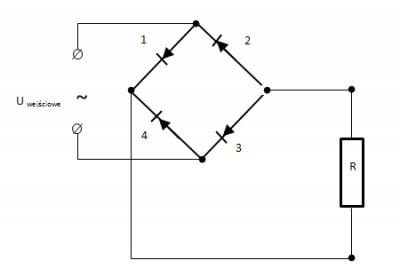
Na rysunku przedstawiono schemat

A. prądnicy prądu przemiennego.
B. przekaźnika typu NO.
C. regulatora napięcia.
D. układu prostowniczego.
Organizacja i prowadzenie pro…
Do stacji diagnostycznej przybył samochód osobowy wyposażony w urządzenie sprzęgające w celu wykonania przeglądu technicznego. Rok produkcji oraz pierwszej rejestracji tego pojazdu to 2012. Na jak długo będzie ważne wykonane badanie techniczne tego pojazdu?
A. Trzy lata od daty wykonania badania
B. Dwa lata od daty wykonania badania
C. Sześć miesięcy od daty wykonania badania
D. Rok od daty wykonania badania
Organizacja i prowadzenie pro…
Wydając pojazd po wykonaniu przeglądu oraz naprawy, pracownicy serwisu powinni przede wszystkim wyjaśnić klientowi
A. procedurę zamawiania materiałów eksploatacyjnych, które były użyte w trakcie obsługi
B. metody, które zostały użyte podczas naprawy pojazdu
C. wszystkie informacje zawarte w kosztorysie naprawy
D. metodę weryfikacji części, które zostały wymienione podczas naprawy
Obsługa, diagnozowanie oraz n…
Podwyższony wynik pomiaru ciśnienia sprężania, uzyskany po przeprowadzeniu próby olejowej, wskazuje na
A. uszkodzenie uszczelki pod głowicą
B. zużycie pierścieni tłokowych
C. niewłaściwą regulację zaworów
D. zużycie gniazd zaworowych
Organizacja i prowadzenie pro…
Koszt usługi polegającej na wymianie osłony zewnętrznego przegubu napędowego, jeżeli normatywny czas wymiany to 0,8 rbh, wynosi
| Cennik | |
|---|---|
| Osłona przegubu zewnętrznego | 28,00 zł/szt. |
| Osłona przegubu wewnętrznego | 42,00 zł/szt. |
| Opaska zewnętrzna osłony przegubu | 3,00 zł/szt. |
| Opaska wewnętrzna osłony przegubu | 2,50 zł/szt. |
| Smar do przegubów 200ml | 10,00 zł/szt. |
| Robocizna | 90,00 zł/rbh |
A. 175,50 zł
B. 157,50 zł
C. 129,50 zł
D. 115,50 zł
Organizacja i prowadzenie pro…
System poduszek powietrznych (airbag) wykorzystywanych w samochodach klasyfikuje się jako elementy ochrony
A. czynnego
B. biernego
C. mieszanego
D. pneumatycznego
MOT.02 Pytanie 2659
Obsługa, diagnozowanie oraz n…
Który z wadliwych elementów pojazdu samochodowego można naprawić lub zregenerować?
A. Alternator
B. Czujnik indukcyjny
C. Świeca żarowa
D. Cewka zapłonowa
Obsługa, diagnozowanie oraz n…
Zgięty wahacz w pojeździe należy
A. wzmocnić dodatkowym elementem
B. wyprostować w niskiej temperaturze
C. wymienić na nowy
D. wyprostować w wysokiej temperaturze
Organizacja i prowadzenie pro…
Funkcją świecy żarowej zainstalowanej w silniku jest
A. zapalenie mieszanki powietrzno-paliwowej
B. podgrzanie powietrza w komorze spalania
C. podgrzewanie paliwa dostarczanego do cylindra
D. podgrzewanie wtryskiwacza w przypadku zamarznięcia paliwa
Obsługa, diagnozowanie oraz n…
Na której ilustracji przedstawiona jest świeca żarowa?
A. Na ilustracji I.

B. Na ilustracji II.

C. Na ilustracji IV.

D. Na ilustracji III.

MOT.02 Pytanie 2663
Obsługa, diagnozowanie oraz n…
W zakładzie usługowym dokonano wymiany alternatora. Czas pracy wynosił 2 godziny. Całkowity koszt tej naprawy przy założeniu, że cena roboczogodziny wynosi 60 zł, a wymieniono elementy zamieszczone w tabeli, to
| Lp. | Nazwa części | Cena |
|---|---|---|
| 1. | Alternator | 300,00 zł |
| 2. | Pasek klinowy | 30,00 zł |
A. 450 zł
B. 550 zł
C. 390 zł
D. 400 zł
Obsługa, diagnozowanie oraz n…
Po przekroczeniu 100 000 km należy zbadać właściwe działanie katalizatora spalin. Najlepszą diagnozę można uzyskać stosując
A. skanera diagnostycznego OBD
B. analizatora spalin
C. decybelomierza
D. hamowni
Obsługa, diagnozowanie oraz n…
Prawidłowy kierunek przepływu oleju w filtrze olejowym silnika, przedstawionym na rysunku, jest

A. zależny od natężenia przepływu w układzie smarowania.
B. zależny od ciśnienia w układzie smarowania.
C. zgodny z kierunkiem wskazywanym przez strzałki.
D. przeciwny do kierunku wskazywanego przez strzałki.
Obsługa, diagnozowanie oraz n…
Do pomiaru gęstości elektrolitu w akumulatorze kwasowym stosuje się
A. pipetę pomiarową.
B. densymetr.
C. aerometr.
D. woltomierz.
Obsługa, diagnozowanie oraz n…
Rękawice ochronne powinny być używane podczas prac
A. tokarsko - frezerskich.
B. przeładunkowych
C. przy elementach wirujących
D. w okolicy elementów obracających się
Obsługa, diagnozowanie oraz n…
Zniekształcony wahacz przedniego zawieszenia
A. można poddać obróbce plastycznej w niskiej temperaturze
B. można naprawić poprzez podgrzanie do temperatury uplastycznienia i nadanie mu pierwotnej formy
C. należy wymienić na nowy
D. można pozostawić tak jak jest, wystarczy jedynie ustawić zbieżność kół
Obsługa, diagnozowanie oraz n…
Pompowtryskiwacze to komponenty wykorzystywane w systemie zasilania silników z zapłonem
A. iskrowym z wtryskiem wielopunktowym
B. samoczynnym
C. iskrowym gaźnikowym
D. iskrowym z wtryskiem jednopunktowym
Obsługa, diagnozowanie oraz n…
W trakcie diagnostyki czujnika temperatury wody typu NTC wraz ze wzrostem temperatury
A. będzie zmieniać się współczynnik wypełnienia sygnału wyjściowego z czujnika.
B. rezystancja wewnętrzna czujnika będzie rosła.
C. będzie zmieniać się częstotliwość sygnału wyjściowego z czujnika.
D. rezystancja wewnętrzna czujnika będzie maleć.
MOT.02 Pytanie 2671
Obsługa, diagnozowanie oraz n…
Korzystając z zamieszczonego cennika, oblicz całkowity koszt wymiany uszkodzonegoukładu sterownikazamka centralnego z kompletem pilotów w czterodrzwiowej limuzynie oraz prawej tylnej lampy zespolonej.
| Cennik | ||
|---|---|---|
| L.p. | Wartość jednostkowa części (podzespołu) | Cena [PLN] |
| 1 | Lewy reflektor | 110,00 |
| 2 | Prawy reflektor | 120,00 |
| 3 | Siłownik do zamka centralnego (przednie drzwi) | 40,00 |
| 4 | Siłownik do zamka centralnego (tylne drzwi) | 30,00 |
| 5 | Tylna lampa zespolona (lewa lub prawa) | 90,00 |
| 6 | Zamek centralny z kompletem pilotów | 130,00 |
| L.p. | Czas wykonania usługi (roboczogodzina) 1) | Roboczogodzina [rbg] |
| 1 | Wymiana reflektora 2) | 1,20 |
| 2 | Wymiana tylnej lampy zespolonej 3) | 0,50 |
| 3 | Wymiana zamka centralnego z regulacją | 1,50 |
| 4 | Wymiana siłownika zamka centralnego 4) | 1,00 |
| 5 | Ustawianie i regulacja świateł | 0,30 |
| 1) Koszt 1 roboczogodziny wynosi 120,00 PLN 2) Ten sam czas usługi dla wymiany lewego lub prawego reflektora 3) Ten sam czas usługi dla wymiany lewej lub prawej tylnej lampy zespolonej 4) Ten sam czas usługi dla wymiany siłownika w przednich lub tylnych drzwiach pojazdu | ||
A. 1 080,00 PLN
B. 460,00 PLN
C. 730,00 PLN
D. 420,00 PLN
Obsługa, diagnozowanie oraz n…
Jakie urządzenie jest używane do pomiaru wartości skutecznej napięcia sygnału AC?
A. diaskop.
B. oscyloskop.
C. multimetr.
D. omomierz.
Obsługa, diagnozowanie oraz n…
Oznaczenie symbolem dla systemu monitorowania ciśnienia w oponach pojazdu jest
A. BAS
B. ACC
C. TPMS
D. SOHC
Organizacja i prowadzenie pro…
W oparciu o zamieszczone zestawienie oblicz czas wymiany wszystkich tarcz hamulcowych oraz przednich zacisków hamulcowych w samochodzie
| Czas naprawy |
|---|
| Zacisk hamulca Wymiana lewego przedniego zacisku hamulcowego (1,2 rbg) Wymiana prawego przedniego zacisku hamulcowego (1,2 rbg) Wymiana lewego tylnego zacisku hamulcowego (1,2 rbg) Wymiana prawego tylnego zacisku hamulcowego (1,2 rbg) Wymiana obu przednich zacisków hamulcowych (1,4 rbg) Wymiana obu tylnych zacisków hamulcowych (1,6 rbg) Wymiana wszystkich zacisków hamulcowych (2,5 rbg) Tarcza hamulca Wymiana lewej przedniej tarczy hamulcowej (0,6 rbg) Wymiana prawej przedniej tarczy hamulcowej (0,6 rbg) Wymiana obu przednich tarcz hamulcowych (0,9 rbg) Wymiana lewej tylnej tarczy hamulcowej (1,1 rbg) Wymiana prawej tylnej tarczy hamulcowej (1,1 rbg) Wymiana obu tylnych tarcz hamulcowych (1,5 rbg) Wymiana wszystkich tarcz hamulcowych (2,4 rbg) |
A. 2,5 rbg.
B. 2,4 rbg.
C. 1,6 rbg.
D. 3,8 rbg.
Obsługa, diagnozowanie oraz n…
Mechanizm różnicowy w tylnym moście napędowym pojazdu umożliwia podział napędu na
A. przód i tył, w przypadku pojazdu z napędem na cztery koła
B. koła napędowe, przy jednoczesnej możliwości obracania się kół z różnymi prędkościami obrotowymi
C. tył i przód z pominięciem przekładni głównej mostu napędowego
D. koła napędowe, przy jednoczesnym braku możliwości obracania się kół z różnymi prędkościami obrotowymi
Obsługa, diagnozowanie oraz n…
Na dolnej osłonie przedziału silnikowego zauważono wyciek gęstego czerwonego płynu. Jaki to może być płyn?
A. Płyn hamulcowy DOT 5
B. Olej ATF
C. Płyn spryskiwacza
D. Olej silnikowy
MOT.02 Pytanie 2677
Obsługa, diagnozowanie oraz n…
Po stwierdzeniu prawidłowej pracy obwodu sterowania nawiewem w układzie jednostrefowej regulacji temperatury, w którym występuje niedostateczne ogrzewanie kabiny pojazdu, dalszą lokalizację usterki technicznej układu należy rozpocząć od sprawdzenia
A. czujnika temperatury silnika.
B. poprawności działania termostatu.
C. poziomu płynu chłodniczego.
D. czujnika temperatury płynu chłodniczego.
Obsługa, diagnozowanie oraz n…
Urządzenia warsztatowe nie obejmują
A. miernika
B. kanału najazdowego
C. podnośnika hydraulicznego
D. prasy
MOT.02 Pytanie 2679
Obsługa, diagnozowanie oraz n…
Cyfrą 4 w rozłożonym na części rozruszniku oznaczono uzwojenie

A. wirnika.
B. twornika.
C. stojana.
D. wzbudzenia.
MOT.02 Pytanie 2680
Obsługa, diagnozowanie oraz n…
Do prac związanych z obsługą i konserwacją przepustnicy silnika ZI nie wlicza się
A. odkurzenie z nagaru
B. wymiana silnika krokowego
C. sprawdzenie luzów
D. skalibrowanie