Filtrowanie pytań
Obsługa, diagnozowanie oraz n…
A. 0,24 Ω / ±5% połączonymi szeregowo
B. 24 Ω / ±5% połączonymi szeregowo
C. 91 Ω / ±5% połączonymi równolegle
D. 9,1 Ω / ±5% połączonymi równolegle
MOT.02 Pytanie 2762
Obsługa, diagnozowanie oraz n…
Oscyloskop to urządzenie wykorzystywane do diagnostyki
A. katalizatora spalin
B. wtryskiwaczy paliwa
C. świecy zapłonowej
D. czujnika hallotronowego
MOT.02 Pytanie 2763
Obsługa, diagnozowanie oraz n…
Do czynności obsługowo-konserwacyjnych przepustnicy silnika ZI nie należy
A. wymiana silnika krokowego.
B. weryfikacja luzów.
C. oczyszczenie z nagaru.
D. kalibracja.
Organizacja i prowadzenie pro…
Głównym dokumentem, który jest wymagany przy przyjęciu pojazdu do naprawy w warsztacie, jest
A. zlecenie naprawy
B. karta czasu naprawy
C. karta materiałowa
D. karta przeglądów
Obsługa, diagnozowanie oraz n…
Pirometr to urządzenie, które pozwala na dokonanie pomiaru
A. ciśnienia
B. wilgotności
C. temperatury
D. hałasu
Obsługa, diagnozowanie oraz n…
Jaką wartość ma rezystancja włókna żarnika w żarówce samochodowej o napięciu 12 V i mocy 4 W, działającej w obwodzie prądu stałego?
A. 22 Ω
B. 5 Ω
C. 12 Ω
D. 36 Ω
Obsługa, diagnozowanie oraz n…
Aby pojazd mógł zostać przyjęty do serwisu, konieczne jest okazanie
A. ważnego ubezpieczenia OC/AC
B. dowodu rejestracyjnego pojazdu
C. dowodu osobistego właściciela pojazdu
D. ważnego przeglądu badania technicznego
MOT.02 Pytanie 2768
Obsługa, diagnozowanie oraz n…
W silniku czterocylindrowym z zapłonem iskrowym należy dokonać wymiany kompletu świec zapłonowych. Jedna świeca kosztuje 25 zł, a demontaż starej i montaż nowej kosztuje 15 zł. Całkowity koszt usługi wynosi
A. 80 zł.
B. 200 zł.
C. 160 zł.
D. 40 zł.
Obsługa, diagnozowanie oraz n…
Na tablicy rozdzielczej wyświetliła się informacja o usterce systemu poduszek powietrznych. Którym przyrządem dokonuje się diagnostyki tego układu?
A. Multimetrem uniwersalnym.
B. Amperomierzem cęgowym.
C. Testerem diagnostycznym systemu OBD.
D. Oscyloskopem elektronicznym.
Obsługa, diagnozowanie oraz n…
Nadmierne ścieranie się środkowych pasów bieżnika świadczy
A. o niewystarczającym ciśnieniu w oponach
B. o nieprawidłowym ustawieniu zbieżności kół
C. o niewyważeniu koła przekraczającym dozwolone normy
D. o zbyt wysokim ciśnieniu w ogumieniu
Obsługa, diagnozowanie oraz n…
Pojawiające się w zbiorniczku wyrównawczym systemu chłodzenia pęcherzyki powietrza mogą być efektem uszkodzenia
A. głowicy silnika
B. termostatu
C. nagrzewnicy
D. pompy wody
Obsługa, diagnozowanie oraz n…
W skład obwodu świateł mijania wchodzi przekaźnik oraz osobne bezpieczniki dla lewej i prawej strony pojazdu. Po włączeniu świateł mijania jeden z reflektorów nie świeci. Stwierdzono, że żarówka w reflektorze jest sprawna, co wskazuje na uszkodzenie
A. cewki przekaźnika.
B. włącznika świateł mijania.
C. bezpiecznika.
D. styków roboczych przekaźnika.
Obsługa, diagnozowanie oraz n…
Jakie są powody nadmiernego przegrzewania się bębna hamulcowego podczas prowadzenia pojazdu?
A. Standardowe zużycie okładzin szczęk hamulcowych
B. Nieszczelność pompy hamulcowej
C. Zatarły rozpieracz hamulcowy
D. Nieodpowiednie napięcie linki hamulca ręcznego
Obsługa, diagnozowanie oraz n…
Podczas wymiany uszkodzonego wałka sprzęgłowego stwierdzono luz osiowy jego łożyska wynoszący 1,175 mm. Podkładka regulacyjna, którą należy dobrać na podstawie danych z tabeli, będzie miała grubość
| Luz osiowy łożyska (mm) | Grubość podkładki regulacyjnej (mm) | Luz osiowy łożyska (mm) | Grubość podkładki regulacyjnej (mm) |
|---|---|---|---|
| 0,750 - 0,774 | 0,725 | 1,150 - 1,174 | 1,125 |
| 0,775 - 0,799 | 0,750 | 1,175 - 1,199 | 1,150 |
| 0,800 - 0,824 | 0,775 | 1,200 - 1,224 | 1,175 |
| 0,825 - 0,849 | 0,800 | 1,225 - 1,249 | 1,200 |
| 0,850 - 0,874 | 0,825 | 1,250 - 1,274 | 1,225 |
| 0,875 - 0,899 | 0,850 | 1,275 - 1,299 | 1,250 |
| 0,900 - 0,924 | 0,875 | 1,300 - 1,324 | 1,275 |
| 0,925 - 0,949 | 0,900 | 1,325 - 1,349 | 1,300 |
| 0,950 - 0,974 | 0,925 | 1,350 - 1,374 | 1,325 |
| 0,975 - 0,999 | 0,950 | 1,375 - 1,399 | 1,350 |
| 1,000 - 1,024 | 0,975 | 1,400 - 1,424 | 1,375 |
| 1,025 - 1,049 | 1,000 | 1,425 - 1,449 | 1,400 |
| 1,050 - 1,074 | 1,025 | 1,450 - 1,474 | 1,425 |
| 1,075 - 1,099 | 1,050 | 1,475 - 1,499 | 1,450 |
| 1,100 - 1,124 | 1,075 | 1,500 - 1,524 | 1,475 |
| 1,125 - 1,149 | 1,100 | 1,525 - 1,549 | 1,500 |
A. 1,175 mm
B. 1,775-1,799 mm
C. 1,150 mm
D. 1,200-1,224 mm
Obsługa, diagnozowanie oraz n…
Pomiar grubości zębów kół zębatych można zrealizować przy użyciu
A. głębokościomierza
B. suwmiarki modułowej
C. średnicówki czujnikowej
D. mikrometru
MOT.02 Pytanie 2776
Obsługa, diagnozowanie oraz n…
Po przeprowadzeniu regeneracji wtryskiwaczy, przed ich wysłaniem do klienta, należy zweryfikować poprawność ich działania
A. na stole probierczym
B. oscyloskopem elektronicznym
C. na stole warsztatowym
D. diagnoskopem OBD
MOT.02 Pytanie 2777
Obsługa, diagnozowanie oraz n…
Podświetlenie się w czasie jazdy kontrolki widocznej na rysunku sygnalizuje kierowcy

A. usterkę układu kontroli trakcji.
B. utratę ciśnienia w jednym z kół.
C. utratę przyczepności kół.
D. usterkę paska wieloklinowego.
Obsługa, diagnozowanie oraz n…
Na podstawie przedstawionej instrukcji określ, który z akumulatorów jest naładowany w 50%?

A. SEM₂ = 12,54 V
B. SEM₃ = 12,44 V
C. SEM₄ = 12,24 V
D. SEM₁ = 12,64 V
MOT.02 Pytanie 2779
Obsługa, diagnozowanie oraz n…
Na podstawie podanego cennika części i usług, oblicz jaką kwotę zapłaci klient za wykonaną usługę przeglądu instalacji elektrycznej oraz za wymianę kompletu świec i alternatora w pojeździe z sześciocylindrowym silnikiem typu ZI?
| Cennik | ||
|---|---|---|
| Lp. | Wykonana usługa (czynność) | Cena [PLN] |
| 1 | Przegląd instalacji elektrycznej samochodu | 100,00 |
| 2 | Wymiana akumulatora | 30,00 |
| 3 | Wymiana alternatora | 120,00 |
| 4 | Wymiana świecy żarowej | 15,00 |
| 5 | Wymiana świecy zapłonowej | 10,00 |
| Lp. | Wartość jednostkowa części (podzespołu) | Cena [PLN] |
| 1 | Akumulator | 240,00 |
| 2 | Alternator | 160,00 |
| 3 | Świeca zapłonowa | 20,00 |
| 4 | Świeca żarowa | 25,00 |
A. 560,00 PLN
B. 410,00 PLN
C. 400,00 PLN
D. 620,00 PLN
Obsługa, diagnozowanie oraz n…
Który z poniższych elementów wymaga regularnej kontroli podczas obsługi technicznej pojazdu?
A. Mocowanie tablic rejestracyjnych
B. Poziom oleju silnikowego
C. Wycieraczki tylnej szyby
D. Stan anteny radiowej
Obsługa, diagnozowanie oraz n…
W dowodzie rejestracyjnym wskazana dopuszczalna masa całkowita pojazdu odnosi się do maksymalnej masy określonej przepisami, włączając w to
A. kierowcę oraz pasażerów, jednak bez ładunku
B. materiały eksploatacyjne w ilościach standardowych, z pominięciem kierowcy i ładunku
C. przyczepę
D. pasażerów, kierowcę i ładunek
MOT.02 Pytanie 2782
Obsługa, diagnozowanie oraz n…
Podczas testowania rozrusznika na stole probierczym zauważono intensywne iskrzenie na połączeniu komutator-szczotki. Aby naprawić rozrusznik, co należy zrobić?
A. wymienić tuleje łożyskowe
B. zamontować kondensator odkłócający
C. wymienić wirnik
D. przeczyścić złącza prądowe
Obsługa, diagnozowanie oraz n…
Na ilustracji przedstawiono element układu

A. zapłonowego.
B. zasilania paliwem.
C. pomiaru temperatury powietrza.
D. pomiaru ciśnienia doładowania.
Obsługa, diagnozowanie oraz n…
Wskaźnikiem zdolności akumulatora do magazynowania energii jest
A. pojemność
B. najwyższe napięcie
C. maksymalny czas wyładowania
D. szybkość obrotów alternatora
Organizacja i prowadzenie pro…
Firma otrzymała pięcioletnią gwarancję na nowy pojazd zakupiony w salonie, ile miesięcy ma na odstąpienie od umowy (w celu żądania wymiany na inny model) z powodu istotnych wad ukrytych?
A. 18 miesięcy
B. 6 miesięcy
C. 24 miesięcy
D. 12 miesięcy
Obsługa, diagnozowanie oraz n…
Przedstawione na rysunku przepalenie denka tłoka w silniku z zapłonem iskrowym jest skutkiem

A. zbyt ciasno spasowanego tłoka w cylindrze.
B. zastosowania świecy zapłonowej o niewłaściwej wartości cieplnej.
C. zbyt niskiej temperatury pracy silnika.
D. zastosowanie paliwa o zbyt wysokiej liczbie cetanowej.
Obsługa, diagnozowanie oraz n…
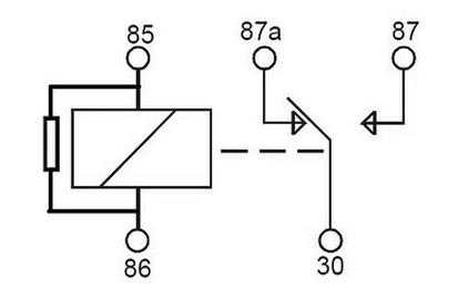
Na rysunku przedstawiono schemat

A. przekaźnika typu NO.
B. układu prostowniczego.
C. regulatora napięcia.
D. przekaźnika typu NC.
Obsługa, diagnozowanie oraz n…
Parametrem charakterystycznym przedstawionego na rysunku fototranzystora jest

A. indukcja magnetyczna B.
B. rezystancja wewnętrzna R.
C. wzmocnienie prądowe I₀/I₁.
D. współczynnik wypełnienia ww.
Obsługa, diagnozowanie oraz n…
Nadmierny luz pierścieni w gniazdach tłoka silnika spalinowego może prowadzić do
A. wzrostu zużycia oleju silnikowego
B. wzrostu zużycia paliwa
C. spadku stopnia sprężania
D. wzrostu ciśnienia sprężania
MOT.02 Pytanie 2790
Obsługa, diagnozowanie oraz n…
Jaki będzie całkowity koszt usunięcia usterki układu ABS, jeżeli doszło do uszkodzenia czujnika lewego przedniego koła. Naprawa układu zajmie mechanikowi cztery godziny pracy, a po wykonaniu naprawy konieczne jest usunięcie kodów błędu z pamięci sterownika.
| Lp. | Wartość jednostkowa części (podzespołu) | Wartość [PLN] |
|---|---|---|
| 1. | Czujnik ABS | 150,00 |
| Lp. | Wykonana usługa (czynność) | |
| 1. | Koszt 1 rbh pracy mechanika | 50,00 |
| 2. | Kasowanie błędów z pamięci sterownika | 150,00 |
A. 400,00 PLN
B. 450,00 PLN
C. 500,00 PLN
D. 350,00 PLN
Organizacja i prowadzenie pro…
Na schemacie elektrycznym przedstawiono

A. przekaźnik samochodowy.
B. czujnik ciśnienia oleju.
C. włącznik bimetaliczny.
D. przełącznik wycieraczek.
Organizacja i prowadzenie pro…
Do codziennej obsługi pojazdu należy przeprowadzenie kontroli
A. działania świateł mijania
B. temperatury krzepnięcia płynu chłodniczego silnika
C. ustawienia świateł drogowych
D. luzów łożysk kół
Organizacja i prowadzenie pro…
Na podstawie jakiego ubezpieczenia przysługuje odszkodowanie za naprawę samochodu, gdy sprawca szkody jest znany?
A. Odpowiedzialności cywilnej
B. Assistance
C. Auto Casco
D. Następstw nieszczęśliwych wypadków
Obsługa, diagnozowanie oraz n…
Do zamocowania nakrętki na kole pasowym alternatora z określonym momentem obrotowym należy zastosować klucz
A. dynamometryczny
B. oczkowy
C. płasko-oczkowy
D. imbusowy
Obsługa, diagnozowanie oraz n…
Na schemacie przedstawiono układ

A. wtryskowy silnika ZI.
B. zapłonowy.
C. zamka centralnego.
D. ABS.
Obsługa, diagnozowanie oraz n…
Diagnostyka organoleptyczna opiera się na
A. użyciu zmysłów
B. przeprowadzeniu samodzielnej diagnozy
C. wykorzystaniu określonych narzędzi
D. połączeniu z diagnoskopem
Obsługa, diagnozowanie oraz n…
Jakie badanie wykonywane w stacji kontroli pojazdów umożliwia ocenę efektywności działania hamulców w samochodzie?
A. Badanie metodą drgań wymuszonych
B. Badanie na stanowisku płytowym
C. Badanie na stanowisku rolkowym
D. Test na drodze
Obsługa, diagnozowanie oraz n…
Tabela przedstawia wyniki pomiarów żarówki w pojeździe samochodowym. Jaką wartość należy zapisać w rubryce Moc pobrana przez żarówkę, uwzględniając błąd rozrzutu wyników pomiarowych?
| Protokół pomiarów elektrycznych | ||
|---|---|---|
| Pomiar | Napięcie zasilania [V] | Natężenie pobieranego prądu [A] |
| 12,05 | 4,00 | |
| 12,10 | 4,00 | |
| 12,15 | 4,00 | |
| Moc pobrana przez żarówkę [W] | ? | |
A. 48,70
B. 48,40
C. 48,15
D. 48,10
Obsługa, diagnozowanie oraz n…
Jaką metodą mierzy się wielkość bicia tarczy hamulcowej?
A. mikrometrem
B. suwmiarką modułową
C. czujnikiem zegarowym
D. mikroskopem warsztatowym
Obsługa, diagnozowanie oraz n…
Amperomierz cęgowy służy do diagnozowania
A. akumulatora.
B. pompy paliwa.
C. rozrusznika.
D. reflektora.